Vítejte na Elektro Bastlírn?
Nuke - Elektro Bastlirna
  Vytvořit účet Hlavní · Fórum · DDump · Profil · Zprávy · Hledat na fóru · Příspěvky na provoz EB

Vlákno na téma KORONAVIRUS - nutná registrace


Nuke - Elektro Bastlirna: Diskuzní fórum

 FAQFAQ   HledatHledat   Uživatelské skupinyUživatelské skupiny   ProfilProfil   Soukromé zprávySoukromé zprávy   PřihlášeníPřihlášení 

PGH - FERNSEH CX40 (zesilovač)
Jdi na stránku 1, 2  Další
 
Přidat nové téma   Zaslat odpověď       Obsah fóra Diskuzní fórum Elektro Bastlírny -> Audiotechnika
Zobrazit předchozí téma :: Zobrazit následující téma  
Autor Zpráva
ronoda



Založen: Dec 12, 2017
Příspěvky: 825
Bydliště: Pardubice

PříspěvekZaslal: st říjen 10 2018, 8:56    Předmět: PGH - FERNSEH CX40 (zesilovač) Citovat

Dostal se mi do ruky tento zesilovač. Chybí jeden hmatník, ale jinak je kompletní a kupodivu funkční. Nemohu k tomu nikde najít schema.
(tanja a radiomuseum zklamalo) Našel jsem jen CX50 kde jsou na konci naše KU607, ale tady jsou 2N3055. Škoda toho hmatníku, jinak docela pěkný "retro" kousek. Neporadíte?



DSCN0771.JPG
 Komentář:
 Velikost:  53.5 kB
 Zobrazeno:  169 krát

DSCN0771.JPG



DSCN0772.JPG
 Komentář:
 Velikost:  222.41 kB
 Zobrazeno:  155 krát

DSCN0772.JPG



DSCN0775.JPG
 Komentář:
 Velikost:  275.93 kB
 Zobrazeno:  150 krát

DSCN0775.JPG



DSCN0773.JPG
 Komentář:
 Velikost:  282.35 kB
 Zobrazeno:  132 krát

DSCN0773.JPG


Návrat nahoru
Zobrazit informace o autorovi Odeslat soukromou zprávu Odeslat e-mail
ronoda



Založen: Dec 12, 2017
Příspěvky: 825
Bydliště: Pardubice

PříspěvekZaslal: st říjen 10 2018, 9:21    Předmět: Citovat

Někdy stačí myšlenku napsat, a hned přijde další - lepšíWink
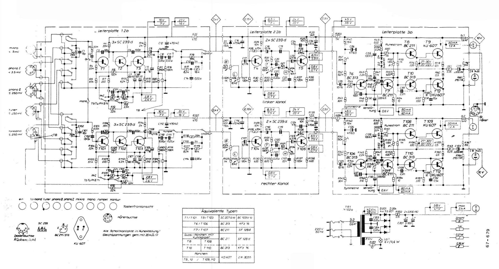
Našel uhá, uhá, sice je tam opět KU607 ale jsou tam vypsané alternativy.



CX40.jpg
 Komentář:
 Velikost:  285.87 kB
 Zobrazeno:  311 krát

CX40.jpg


Návrat nahoru
Zobrazit informace o autorovi Odeslat soukromou zprávu Odeslat e-mail
Michal22



Založen: Mar 28, 2012
Příspěvky: 8221
Bydliště: Brno

PříspěvekZaslal: st říjen 10 2018, 10:38    Předmět: Citovat

Nemáš to schema ve větším rozlišení- kdyby jej později někdo potřeboval...
_________________
Civilizace založená na oboustranné lepící pásce nemůže dobře skončit...
I kdyby se z tebe jednou stal král, neodsuzuj lidi, kteří ti nebudou provolávat slávu- raději se zeptej sám sebe, proč tomu tak není...
Návrat nahoru
Zobrazit informace o autorovi Odeslat soukromou zprávu Odeslat e-mail
elektrosvit



Založen: Jun 27, 2016
Příspěvky: 2515

PříspěvekZaslal: st říjen 10 2018, 11:35    Předmět: Citovat

Michal22:
https://www.gfgf.org/GFGF-Schaltplandienst/PGHFRBerlin_ComixCX40_sch.pdf
Návrat nahoru
Zobrazit informace o autorovi Odeslat soukromou zprávu
ronoda



Založen: Dec 12, 2017
Příspěvky: 825
Bydliště: Pardubice

PříspěvekZaslal: st říjen 10 2018, 13:23    Předmět: Citovat

Ono se v .jpg toho moc do 299kB nevejde:-(
Návrat nahoru
Zobrazit informace o autorovi Odeslat soukromou zprávu Odeslat e-mail
ohryzek36



Založen: Dec 24, 2008
Příspěvky: 2386
Bydliště: Zlínsko

PříspěvekZaslal: st říjen 10 2018, 14:29    Předmět: Citovat

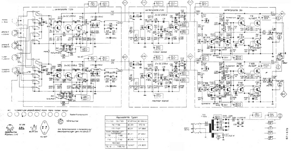
Myslíš?


CX40.jpg
 Komentář:
 Velikost:  292.3 kB
 Zobrazeno:  229 krát

CX40.jpg


Návrat nahoru
Zobrazit informace o autorovi Odeslat soukromou zprávu
rnbw



Založen: Mar 21, 2006
Příspěvky: 37011
Bydliště: Bratislava

PříspěvekZaslal: st říjen 10 2018, 15:24    Předmět: Citovat

Alebo PNG.


CX40.png
 Komentář:
 Velikost:  230.69 kB
 Zobrazeno:  249 krát

CX40.png


Návrat nahoru
Zobrazit informace o autorovi Odeslat soukromou zprávu
sinclair



Založen: Feb 02, 2005
Příspěvky: 9923
Bydliště: Luhačovice

PříspěvekZaslal: st říjen 10 2018, 17:11    Předmět: Citovat

Mohl bys ty 2N3055 nafotit? Docela mě zajímá jejich původ. Poláci je tuším sami nedělali, ani evropský BD130.
Tipnul bych si, že budou Tungsram. Ta naše KU-čka asi byla znouzectnost.
Tomu se říká racionální konstrukce, komplet stereozesilovač osazený jen 4 typy tranzistorů Very Happy
Návrat nahoru
Zobrazit informace o autorovi Odeslat soukromou zprávu Odeslat e-mail
ronoda



Založen: Dec 12, 2017
Příspěvky: 825
Bydliště: Pardubice

PříspěvekZaslal: st říjen 10 2018, 19:26    Předmět: Citovat

sinclair***Tipuješ dobřeSmile (dej si sportku) jsou to Tungsram. Jestli chceš i tu detailní fotku, tak ji zítra udělám.
Návrat nahoru
Zobrazit informace o autorovi Odeslat soukromou zprávu Odeslat e-mail
ronoda



Založen: Dec 12, 2017
Příspěvky: 825
Bydliště: Pardubice

PříspěvekZaslal: st říjen 10 2018, 19:32    Předmět: Citovat

Já 285kB, ohryzek 292kB, rnbw 230kB. Asi dělám něco špatně. Originál je moc pěkný v .pdf Pomocí čeho, to převádíte z .pdf do .jpg ?
Návrat nahoru
Zobrazit informace o autorovi Odeslat soukromou zprávu Odeslat e-mail
Thales



Založen: Nov 26, 2006
Příspěvky: 1165
Bydliště: Praha

PříspěvekZaslal: st říjen 10 2018, 21:28    Předmět: Citovat

Ono hlavně když se zamyslíte jak funguje komprese typu JPG/JPEG, tak dojdete k tomu, že je na schemata naprosto, ale naprosto nevhodný jelikož rozmazává okraje při velké barevné hloubce. Je stavěný spíše na fotky, kde to není tolik vidět. Na tyto věci se hodí formáty PNG a GIF, jelikož při správném použití okraje vše zanechávají čisté a ostré bez rozmazání, komprese spočívá v omezení barevné hloubky, které pro schemata a výkresy není podstatná. Tedy pokud zdrojový soubor není nějak zprasený třeba tím, že na něj někdo předtím aplikoval kompresi JPEG a nebo ho pro převod správně nepřipravil.
Návrat nahoru
Zobrazit informace o autorovi Odeslat soukromou zprávu Zobrazit autorovy WWW stránky
ronoda



Založen: Dec 12, 2017
Příspěvky: 825
Bydliště: Pardubice

PříspěvekZaslal: čt říjen 11 2018, 20:01    Předmět: Citovat

Tady pár foto:


DSCN0784.JPG
 Komentář:
Pohled shora
 Velikost:  181.16 kB
 Zobrazeno:  207 krát

DSCN0784.JPG



DSCN0785.JPG
 Komentář:
Pohled zespodu
 Velikost:  112.69 kB
 Zobrazeno:  162 krát

DSCN0785.JPG



DSCN0786.JPG
 Komentář:
Pohled z boku
 Velikost:  71.79 kB
 Zobrazeno:  148 krát

DSCN0786.JPG



DSCN0787.JPG
 Komentář:
pro sinclaira
 Velikost:  56.64 kB
 Zobrazeno:  113 krát

DSCN0787.JPG



DSCN0788.JPG
 Komentář:
pro sinclaira
 Velikost:  115.86 kB
 Zobrazeno:  134 krát

DSCN0788.JPG


Návrat nahoru
Zobrazit informace o autorovi Odeslat soukromou zprávu Odeslat e-mail
Michal22



Založen: Mar 28, 2012
Příspěvky: 8221
Bydliště: Brno

PříspěvekZaslal: čt říjen 11 2018, 21:13    Předmět: Citovat

Kdybys potřeboval ty filtrační elyty, tak mám Cool
I po letech skladování se tváří, že nic neztratily.

_________________
Civilizace založená na oboustranné lepící pásce nemůže dobře skončit...
I kdyby se z tebe jednou stal král, neodsuzuj lidi, kteří ti nebudou provolávat slávu- raději se zeptej sám sebe, proč tomu tak není...
Návrat nahoru
Zobrazit informace o autorovi Odeslat soukromou zprávu Odeslat e-mail
sinclair



Založen: Feb 02, 2005
Příspěvky: 9923
Bydliště: Luhačovice

PříspěvekZaslal: pá říjen 12 2018, 12:28    Předmět: Citovat

Taky, taky Very Happy 2.200/80V, 4.700/80V, 4.700/63V a 10.000/40V, k tomu nějaké průmyslové se šrouby M5 až do 15G/40V, ještě jich mám krabici taky.
Tyhle s centrálmatkou se používaly přednostně mj. v aparátech Vermona-Regent z Klingenthalu. Ještě dneska je není potřeba měnit.
Němci obecně uměli elyty dělat dobré, axiál i radiál a vždy s plusovou tolerancí. Značka Frolyt je dodnes ve všem bezproblémová.
Ale obecně, stejně jako jiné, také nevydrží trýznění stálým či sálavým teplem.
Návrat nahoru
Zobrazit informace o autorovi Odeslat soukromou zprávu Odeslat e-mail
Lukas-Peca



Založen: May 06, 2007
Příspěvky: 4424
Bydliště: Zlín

PříspěvekZaslal: pá říjen 12 2018, 12:41    Předmět: Citovat

S jednou výjimkou - malé bílé plastové radiální elyty. Ty bývají dnes většinou ve zkratu a to se pak dějou věci.
Návrat nahoru
Zobrazit informace o autorovi Odeslat soukromou zprávu Zobrazit autorovy WWW stránky
Zobrazit příspěvky z předchozích:   
Přidat nové téma   Zaslat odpověď       Obsah fóra Diskuzní fórum Elektro Bastlírny -> Audiotechnika Časy uváděny v GMT + 1 hodina
Jdi na stránku 1, 2  Další
Strana 1 z 2

 
Přejdi na:  
Nemůžete odesílat nové téma do tohoto fóra.
Nemůžete odpovídat na témata v tomto fóru.
Nemůžete upravovat své příspěvky v tomto fóru.
Nemůžete mazat své příspěvky v tomto fóru.
Nemůžete hlasovat v tomto fóru.
Nemůžete připojovat soubory k příspěvkům
Můžete stahovat a prohlížet přiložené soubory

Powered by phpBB © 2001, 2005 phpBB Group
Forums ©
Nuke - Elektro Bastlirna

Informace na portálu Elektro bastlírny jsou prezentovány za účelem vzdělání čtenářů a rozšíření zájmu o elektroniku. Autoři článků na serveru neberou žádnou zodpovědnost za škody vzniklé těmito zapojeními. Rovněž neberou žádnou odpovědnost za případnou újmu na zdraví vzniklou úrazem elektrickým proudem. Autoři a správci těchto stránek nepřejímají záruku za správnost zveřejněných materiálů. Předkládané informace a zapojení jsou zveřejněny bez ohledu na případné patenty třetích osob. Nároky na odškodnění na základě změn, chyb nebo vynechání jsou zásadně vyloučeny. Všechny registrované nebo jiné obchodní známky zde použité jsou majetkem jejich vlastníků. Uvedením nejsou zpochybněna z toho vyplývající vlastnická práva. Použití konstrukcí v rozporu se zákonem je přísně zakázáno. Vzhledem k tomu, že původ předkládaných materiálů nelze žádným způsobem dohledat, nelze je použít pro komerční účely! Tento nekomerční server nemá z uvedených zapojení či konstrukcí žádný zisk. Nezodpovídáme za pravost předkládaných materiálů třetími osobami a jejich původ. V případě, že zjistíte porušení autorského práva či jiné nesrovnalosti, kontaktujte administrátory na diskuzním fóru EB.


PHP-Nuke Copyright © 2005 by Francisco Burzi. This is free software, and you may redistribute it under the GPL. PHP-Nuke comes with absolutely no warranty, for details, see the license.
Čas potřebný ke zpracování stránky 0.50 sekund