Vítejte na Elektro Bastlírn?
Nuke - Elektro Bastlirna
  Vytvořit účet
Hlavní · Fórum · DDump · Profil · Zprávy · Hledat na fóru


Nuke - Elektro Bastlirna: Diskuzní fórum

 FAQFAQ   HledatHledat   Uživatelské skupinyUživatelské skupiny   ProfilProfil   Soukromé zprávySoukromé zprávy   PřihlášeníPřihlášení 

Bedny MAGNAT Quantum 607 - R ve výhybkách

 
Přidat nové téma   Zaslat odpověď       Obsah fóra Diskuzní fórum Elektro Bastlírny -> Audiotechnika
Zobrazit předchozí téma :: Zobrazit následující téma  
Autor Zpráva
pepper



Založen: Nov 21, 2006
Příspěvky: 620
Bydliště: Sokolov

PříspěvekZaslal: so září 29 2018, 9:31    Předmět: Bedny MAGNAT Quantum 607 - R ve výhybkách Citovat

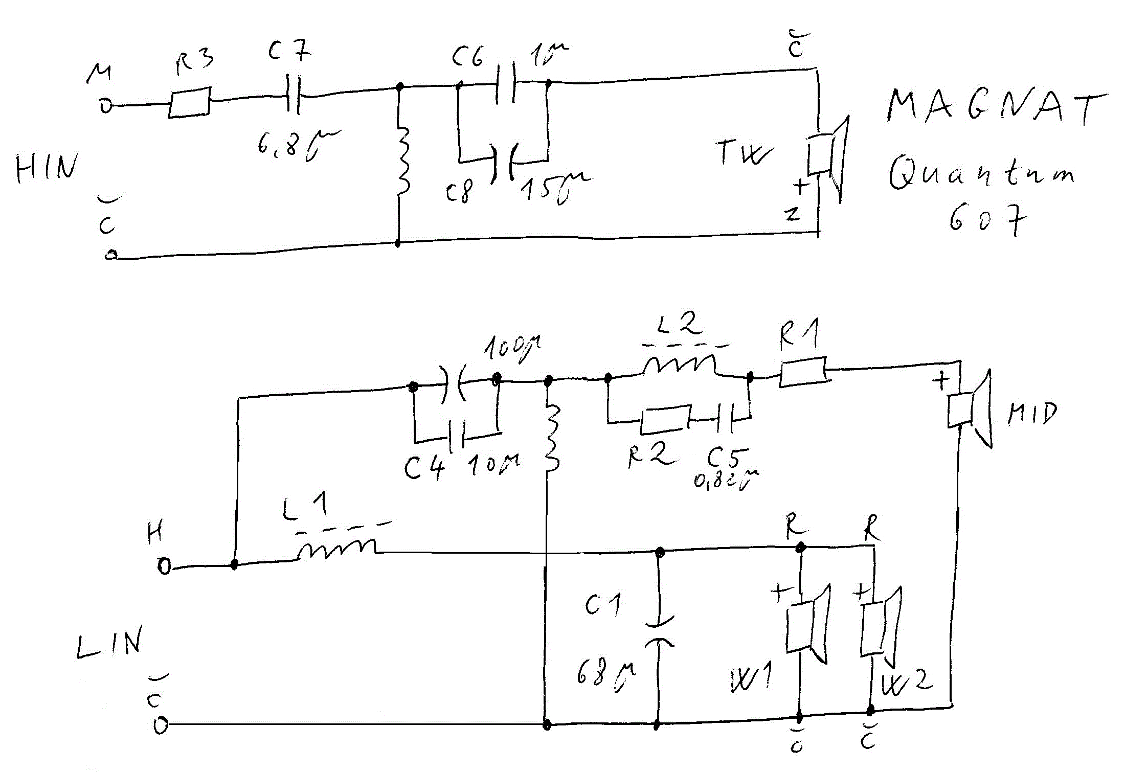
Dobrý den, nemá náhodou někdo tyhle bedny rozebrané?

Já je dostal zničené přetížením.
Kalotové výškáče jsou přerušené,
ve výhybkách 249-00811100 bipolární elyty nafouklé, a spálené rezistory.

R3 jsou přerušené, je vidět zelený a hnědý proužek. Měřím zbytek, vychází 5,1 Ω.
R2 nečitelné, měřím 3,99 a 4,02 Ω. (3,9?)
R1 nečitelné, měřím 2,7 a 4,00 Ω, v každé výhybce jinak.

Měřil jsem napětí na odporech při proudu 1A.
čtyřvodičově, takže přechoďáky a měřicí šňůry nezkreslovaly.

Děkuji, pepper



MAGNAT QUANTUM 607.gif
 Komentář:
 Velikost:  61.51 kB
 Zobrazeno:  199 krát

MAGNAT QUANTUM 607.gif




Naposledy upravil pepper dne st říjen 03 2018, 5:23, celkově upraveno 1 krát.
Návrat nahoru
Zobrazit informace o autorovi Odeslat soukromou zprávu Odeslat e-mail
sinclair



Založen: Feb 02, 2005
Příspěvky: 9923
Bydliště: Luhačovice

PříspěvekZaslal: ne září 30 2018, 16:07    Předmět: Citovat

Hele, neřešil jsi to tady už jednou?
Rozebraný to nejspíš nikdo nemá. V těchhle a podobných bednách se mění při podobných haváriích celé výhybky i reproduktory až do hranice, dokud se to vyplatí.
Ta hranice je přibližně tam, kde jsou spálené pouze středové reproduktory a maximálně tak poškozená výhybka.
Pokud je zničené úplně celé osazení a k tomu ještě vypálená výhybka, má bedna pouze cenu těch skeletů, což mezi námi není mnoho.
Rozumné je ty skelety střelit a koupit podobné či stejné bedny nové.
Návrat nahoru
Zobrazit informace o autorovi Odeslat soukromou zprávu Odeslat e-mail
rnbw



Založen: Mar 21, 2006
Příspěvky: 37230
Bydliště: Bratislava

PříspěvekZaslal: ne září 30 2018, 16:14    Předmět: Citovat

Pise, ze su znicene vyskove repro. Ak su ostatne OK, tak sa oplati vyhybku opravit a tie vyskove vymenit.
Návrat nahoru
Zobrazit informace o autorovi Odeslat soukromou zprávu
sinclair



Založen: Feb 02, 2005
Příspěvky: 9923
Bydliště: Luhačovice

PříspěvekZaslal: ne září 30 2018, 16:21    Předmět: Citovat

To si právě nejsem tak jistý.
Ty bipoláry, co tam bývaly použité, se hodně blbě shánějí, poctivější tam zas nevlezou Very Happy O orig výškáčích ani nemluvě. Nebývaly k dostání přesně 2 roky po ukončení výroby řady.
Skoro jakákoliv výhybka do Magnatů a Heco stála vždy do 10 eur, kromě těch nejvyšších řad, kde byly velké vzduchové tlumivky a MKP.
Ty stály vždy do 29 eur komplet aj s drátama a terminálem, jenže ty zase skoro nebyly potřeba, nehořely.
Návrat nahoru
Zobrazit informace o autorovi Odeslat soukromou zprávu Odeslat e-mail
Zobrazit příspěvky z předchozích:   
Přidat nové téma   Zaslat odpověď       Obsah fóra Diskuzní fórum Elektro Bastlírny -> Audiotechnika Časy uváděny v GMT + 1 hodina
Strana 1 z 1

 
Přejdi na:  
Nemůžete odesílat nové téma do tohoto fóra.
Nemůžete odpovídat na témata v tomto fóru.
Nemůžete upravovat své příspěvky v tomto fóru.
Nemůžete mazat své příspěvky v tomto fóru.
Nemůžete hlasovat v tomto fóru.
Nemůžete připojovat soubory k příspěvkům
Můžete stahovat a prohlížet přiložené soubory

Powered by phpBB © 2001, 2005 phpBB Group
Forums ©
Nuke - Elektro Bastlirna

Informace na portálu Elektro bastlírny jsou prezentovány za účelem vzdělání čtenářů a rozšíření zájmu o elektroniku. Autoři článků na serveru neberou žádnou zodpovědnost za škody vzniklé těmito zapojeními. Rovněž neberou žádnou odpovědnost za případnou újmu na zdraví vzniklou úrazem elektrickým proudem. Autoři a správci těchto stránek nepřejímají záruku za správnost zveřejněných materiálů. Předkládané informace a zapojení jsou zveřejněny bez ohledu na případné patenty třetích osob. Nároky na odškodnění na základě změn, chyb nebo vynechání jsou zásadně vyloučeny. Všechny registrované nebo jiné obchodní známky zde použité jsou majetkem jejich vlastníků. Uvedením nejsou zpochybněna z toho vyplývající vlastnická práva. Použití konstrukcí v rozporu se zákonem je přísně zakázáno. Vzhledem k tomu, že původ předkládaných materiálů nelze žádným způsobem dohledat, nelze je použít pro komerční účely! Tento nekomerční server nemá z uvedených zapojení či konstrukcí žádný zisk. Nezodpovídáme za pravost předkládaných materiálů třetími osobami a jejich původ. V případě, že zjistíte porušení autorského práva či jiné nesrovnalosti, kontaktujte administrátory na diskuzním fóru EB.


PHP-Nuke Copyright © 2005 by Francisco Burzi. This is free software, and you may redistribute it under the GPL. PHP-Nuke comes with absolutely no warranty, for details, see the license.
Čas potřebný ke zpracování stránky 0.16 sekund