Vítejte na Elektro Bastlírn?
Nuke - Elektro Bastlirna
  Vytvořit účet Hlavní · Fórum · DDump · Profil · Zprávy · Hledat na fóru · Příspěvky na provoz EB

Vlákno na téma KORONAVIRUS - nutná registrace


Nuke - Elektro Bastlirna: Diskuzní fórum

 FAQFAQ   HledatHledat   Uživatelské skupinyUživatelské skupiny   ProfilProfil   Soukromé zprávySoukromé zprávy   PřihlášeníPřihlášení 

Biele plastove svietidlo T5 13W
Jdi na stránku 1, 2  Další
 
Přidat nové téma   Zaslat odpověď       Obsah fóra Diskuzní fórum Elektro Bastlírny -> Osvětlovací technika
Zobrazit předchozí téma :: Zobrazit následující téma  
Autor Zpráva
rnbw



Založen: Mar 21, 2006
Příspěvky: 36906
Bydliště: Bratislava

PříspěvekZaslal: ne červen 10 2018, 14:08    Předmět: Biele plastove svietidlo T5 13W Citovat

Ako rozobrat biele neznackove plastove svietidlo na trubicu T5 13W? Telo je z jedneho kusu profilu, do neho su na koncoch nejako zasunute koncove diely - asi prilepene? Prestalo to svietit a nefunguje ani s novou trubicou - asi odisiel menic.

Vyzera to podobne ako toto:
https://sk.traconelectric.com/product/FLT513W/Nabytkove-ziarivkove-svietidlo-T5--prepojovatelne-230-V--50-Hz--T5--G5--13-W--EEIA
Návrat nahoru
Zobrazit informace o autorovi Odeslat soukromou zprávu
EKKAR



Založen: Mar 16, 2005
Příspěvky: 34827
Bydliště: Česká Třebová, JN89FW21

PříspěvekZaslal: ne červen 10 2018, 14:59    Předmět: Citovat

Buď západky, nebo lepidlo/vf svár. Musíš opatrně zkusit zahejbat tím bočním kusem proti tělu - když se i nepatrně pohne, jsou tam západky a můžeš to zkusit rozpáčit. Když je to pevný a nehejbe se to, je to na skalpel nebo pilku.
_________________
Nasliněný prst na svorkovnici domovního rozvaděče: Jó, paninko, máte tam ty Voltíky všecky...
A kutilmile - nelituju tě Mr. Green Mr. Green !!!
Návrat nahoru
Zobrazit informace o autorovi Odeslat soukromou zprávu Odeslat e-mail
rnbw



Založen: Mar 21, 2006
Příspěvky: 36906
Bydliště: Bratislava

PříspěvekZaslal: ne červen 10 2018, 15:31    Předmět: Citovat

No uz sa mi to podarilo rukou vylomit na jednej strane. Neposkodilo sa nic, prasklo len lepidlo. Vyzera to ako prilepene sekundovym lepidlom. Staci trochu silou ohybat a otacat, az to praskne.

Naposledy upravil rnbw dne ne červen 10 2018, 15:33, celkově upraveno 1 krát.
Návrat nahoru
Zobrazit informace o autorovi Odeslat soukromou zprávu
doktor365



Založen: Jan 28, 2006
Příspěvky: 2091

PříspěvekZaslal: ne červen 10 2018, 15:33    Předmět: Citovat

Mám doma takové,teď jsem na to koukal a zespoda to má západky
Návrat nahoru
Zobrazit informace o autorovi Odeslat soukromou zprávu Odeslat e-mail
rnbw



Založen: Mar 21, 2006
Příspěvky: 36906
Bydliště: Bratislava

PříspěvekZaslal: ne červen 10 2018, 15:39    Předmět: Citovat

Na vytiahnutie menica treba este vybrat vypinac a odspajkovat ho. Mozno este droty z druheho konca odpojit - zistim neskor.
Návrat nahoru
Zobrazit informace o autorovi Odeslat soukromou zprávu
rnbw



Založen: Mar 21, 2006
Příspěvky: 36906
Bydliště: Bratislava

PříspěvekZaslal: ne červen 10 2018, 23:17    Předmět: Citovat

Tak klasika - hnily elyt (4,7uF/400V) a poskodilo to tranzistor EB202. Poistka prezila. Vymenil som oba tranzistory za MJE13003 z vraku usporky (elyt tiez) a uz to svieti.


t5_13w.jpg
 Komentář:
 Velikost:  34.31 kB
 Zobrazeno:  337 krát

t5_13w.jpg


Návrat nahoru
Zobrazit informace o autorovi Odeslat soukromou zprávu
DELONG



Založen: Apr 16, 2006
Příspěvky: 1387
Bydliště: SVK

PříspěvekZaslal: út červen 12 2018, 21:16    Předmět: Citovat

Tak ešte to poskladať a je to Laughing .Príšerná robota demontáž a montáž Very Happy . Hlavne tie zacvakávacie pliešky na vodiče .
Návrat nahoru
Zobrazit informace o autorovi Odeslat soukromou zprávu
rnbw



Založen: Mar 21, 2006
Příspěvky: 36906
Bydliště: Bratislava

PříspěvekZaslal: út červen 12 2018, 21:42    Předmět: Citovat

Zlozene bez problemov. Za jeden vecer som to robil 3-krat Very Happy

Vymenil som elyt, iny problem som nenasiel, zlozil - nesvietilo. Rozobral som, nasiel urvaty z plosaku jeden vodic k trubici - opravil, zlozil, zase nesvietilo. Tak do tretice som to rozobral, vybral diak, zmeral na zdroji - OK. Vybral tranzistory - a jeden mal zvod, v obvode nezistitelny. Vymenil som ich, zase zlozil a hura Laughing

S plieskami som nemal ziadny problem - vlozil som ich prstami do patice a potom do nich zatlacil vodice (maju pocinovane konce).
Návrat nahoru
Zobrazit informace o autorovi Odeslat soukromou zprávu
Brozicek



Založen: Nov 07, 2005
Příspěvky: 1625
Bydliště: Studénka

PříspěvekZaslal: so červenec 21 2018, 9:26    Předmět: Citovat

Navážu na toto téma, abych nezakládal nové vlákno.
Po 11 létech mi odešla v kuchyňské lince zářivka 13W prakticky shodná jako vyfotil RNBW. Vlastní píli jsem ji rozebral než jsem našel toto vlákno.
- Nejdříve jsem zkontroloval kondenzátor 3,3 M / 400 V, byl OK.
- Pak jsem šel po tranzistorech. Jsou tam 2 ks ST13003BR, NPN na 400 V. Q2 byl kompletně proražený. Q1 měl proražený přechod B-E. Přechod B-K měl v závěrném směru velký svod.
- Oba tranzistory a jsem vyměnil za ekvivalenty z GES typ MJE13003
https://www.ges.cz/cz/npn-tranzistor-mje13003-GES04913212.html .
- Zklamání a "NIC", zářivka nesvítí (vložil jsem ji do patic jen tak na drátech bez montáže zpět do nosného plastového čtyřhranu).
- Začal jsem proměřovat součástky kolem tranzistorů. Žádný odpor nenese známky přehřátí, na všech je dobře čitelné barevné značení. K mému překvapení všechny odpory 100R, 22R a 2,2R jsou nevodivé.
- Dobré jsou jen odpory R1 670k a odpor 220k v kolektoru Q1.
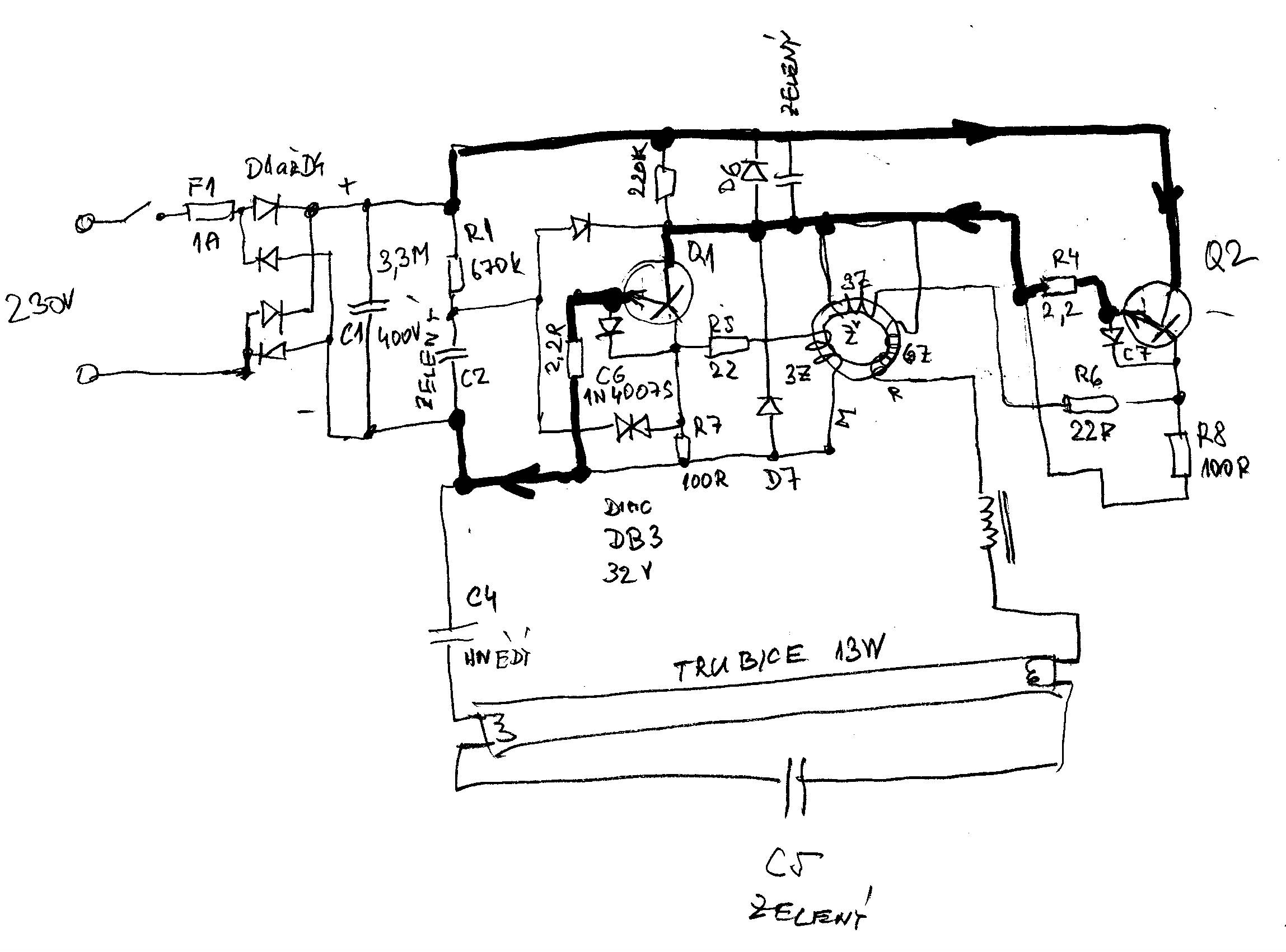
- Zkusil jsem si namalovat schéma. Budou v něm možná chyby, ale pro první náhled to snad postačuje.
- Vstupní pojistka 1A je OK, na kondenzátoru je 330V.

a/ Nechápu jak mohlo vedle dvou tranzistorů najednout odejít bez čmoudíků 6 odporů malých hodnot.
b/ Nechápu jaký smysl mají diody mez B-E tranzistorů. Na tišťáku jsou označené značkou kapacity jako C6 a C7.
c/ Nemá někdo nějaké podobné schéma přadřadníku, abych korigoval chyby na svém schématu (je to únavné to kreslit podle tišťáku). Hlavně by mne zajímalo jak ten měnič funguje (ten diak asi bude sloužit k zapálení výboje, a na toroidním tráfku v rudém vinutí "6 závitů" by mělo vznikat VF napětí pro výboj).
Odpory 6 ks za pár kaček mohu vyměnit (později, prodejnu nemám za rohem). Obávám se však, že bez pochopení toho, proč všechny odešly, to ještě nemusí stačit.



Fotka předřadníku.JPG
 Komentář:
 Velikost:  209.64 kB
 Zobrazeno:  266 krát

Fotka předřadníku.JPG



Schéma předřadníku.JPG
 Komentář:
Toto schéma je první náčrt a je chybné, protože Báze a Emitor jsou přehozené. Zdůvodnění vzniku chyby a opravené schéma jsou dále ve vláknu.
 Velikost:  264.57 kB
 Zobrazeno:  292 krát

Schéma předřadníku.JPG




Naposledy upravil Brozicek dne so červenec 21 2018, 19:50, celkově upraveno 1 krát.
Návrat nahoru
Zobrazit informace o autorovi Odeslat soukromou zprávu Odeslat e-mail
Artaban001



Založen: Apr 01, 2004
Příspěvky: 10068
Bydliště: Pendrov

PříspěvekZaslal: so červenec 21 2018, 9:41    Předmět: Citovat

zajdi si na:
http://www.pavouk.org
a tam se mrkni na schémata kompaktních zářivek - tyto předřadníky jsou "elektronikou" těch zářivek zapouzdřenou externě.
Při probití tranzistorů se odpory kontrolují automaticky, protože tranzistory jsou v sérii (podobně jako koncový stupeň u zesilovače). Každý tranzistor má svoje budící vinutí na proudově-vazebním transformátoru (ten toroid ze třema vinutíma).
Pokud je předřadník blbě navržen, tak při selhání trubice jde do kopru i ten měnič. Při "nahazování výboje" v trubici je měnič přetíženej. Chvilku to vydrží, ale jak trubice stárne, trvá to dál a tranzistory se přetížením upečou a probijí. Tím jde celý obvod do zkratu. Jako pojistky nezřídka poslouží i ty odpory.
Návrat nahoru
Zobrazit informace o autorovi Odeslat soukromou zprávu Odeslat e-mail
Brozicek



Založen: Nov 07, 2005
Příspěvky: 1625
Bydliště: Studénka

PříspěvekZaslal: so červenec 21 2018, 10:52    Předmět: Citovat

Artaban001. Dík za to schéma měniče kompaktní zářivky. Je to prakticky totožné s tím, co jsem se snažil namalovat.
Porovnáním jsem však zjistil, že na PDF datasheetu tranzistoru 13003 mají špatně číslované vývody B (3) a E (1). Podle tohoto číslování jsem kreslil mé schéma, a proto má moje schéma přehozenou B a E a schéma nedává smysl a logiku. Měřením přechodů na tranzistoru na to nelze přijít, protože se B i E proti C chovají stejně. Tyto vývody jsou ve skutečnosti obráceně B (1) a E (3). Na tišťáku jsem u vývodu 1 tranzistoru našel malé písmenko "b" jako báze.
Pak už dávají smysl i ty diody mez B a E, jsou antiparalelně proti přechodu B-E, a nejsou tak jak jsem to nakreslil a tím nechápal.
Vyplývá to i z přiložených obrázků.
Nyní se to dá už opravit.



Vývody 13003.jpg
 Komentář:
 Velikost:  60.74 kB
 Zobrazeno:  252 krát

Vývody 13003.jpg



Předřadník správné schéma..jpg
 Komentář:
 Velikost:  65.83 kB
 Zobrazeno:  262 krát

Předřadník správné schéma..jpg


Návrat nahoru
Zobrazit informace o autorovi Odeslat soukromou zprávu Odeslat e-mail
Artaban001



Založen: Apr 01, 2004
Příspěvky: 10068
Bydliště: Pendrov

PříspěvekZaslal: so červenec 21 2018, 11:45    Předmět: Citovat

Nemáš zač. Kdysi jsem těch pár měničů taky spravil. U některých to znamenalo výměnu až poloviny komponentů - jako zdroj součástek jsem měl vyřazený úsporky, ze kterých jsem vykuchal elektroniku a zbytek vyhodil do zářivkového odpadu. V těch úsporkách ty měniče byly kupodivu festovněji navržený - tranzistory v TO-220 futrále, než u těch externích - kdy při selhání trubice odešel i ten měnič.
On ten "kmitavý polomost" má na svým výstupu sériový rezonanční obvod na jehož frekvenci se rozkmitá. Proud je přitom omezen hlavně vlákny. Jak se od nažhavených vláken a napěťovým spádu mezi vlákny (kolikrát může být větší, než napájecí napětí - jde o rezonanci) zapálí výboj, rezonance se utlumí a proud je pak omezován tlumívkou.
Pokud se ten výboj dostatečně nerozhoří, přetěžují se tranzistory nadproudem (jde o měnič z proudovou zpětnou vazbou). A v těchto obvodech není pojistka z označením F... nejrychleji reagující součástí obvodu.
Návrat nahoru
Zobrazit informace o autorovi Odeslat soukromou zprávu Odeslat e-mail
Brozicek



Založen: Nov 07, 2005
Příspěvky: 1625
Bydliště: Studénka

PříspěvekZaslal: so červenec 21 2018, 12:45    Předmět: Citovat

V mém schématu jsem jen zakreslil obráceně B a E tranzistorů, a už je to schéma shodné s tím schématem OSRAM. Jen tam mám několik součástek navíc v bázích tranzistorů (R8 a R7) a ochranné diody D6 a D7. Místo diod mezi B a E tranzistoru, které mají funkci ochrany, a které jsou na tišťáku značeny jako C6 a C7, se tam možná dříve montovaly ochranné kapacity.
Nyní již je zřejmé, že jakmile se prorazily tranzistory, tak náboj ze vstupního kondenzátoru se vybil přes všechny odpory 100, 22 a 2,2 ohmů a přepálil uhlíkovou šroubovici všech odporů, aniž by se odpory stačily ohřát. Pojistka F1/1A nestačila reagovat a přes přerušené odpory byl obvod rozpojen.
V obvodu mezi vlákny zářivky naopak pár součástek schází, ale v tišťáku jsou vytištěny a mají tam své neosazené dírky.



Předřadník opravené schéma.JPG
 Komentář:
 Velikost:  271.15 kB
 Zobrazeno:  262 krát

Předřadník opravené schéma.JPG


Návrat nahoru
Zobrazit informace o autorovi Odeslat soukromou zprávu Odeslat e-mail
EKKAR



Založen: Mar 16, 2005
Příspěvky: 34827
Bydliště: Česká Třebová, JN89FW21

PříspěvekZaslal: so červenec 21 2018, 16:40    Předmět: Citovat

Brozicek napsal(a):
...
V obvodu mezi vlákny zářivky naopak pár součástek schází, ale v tišťáku jsou vytištěny a mají tam své neosazené dírky.
Naprostá klasika - konstruktér vědomej si takovejch věcí, jako je SOAR tranzistoru nebo i třeba pojmu "elektromagnetická kompatibilita" navrhne obvod, obsahující všecky potřebný prvky - aby nic nebylo výkonově přetížený a pokud možno taky aby nikde nic nevyzařovalo co vyzařovat nemá.
JENŽE.
Po konstruktérovi přijde EKONOM, kterej je samozřejmě chytrej jak Seznam.cz při výpadku proudu - a tento ekonom ZJISTÍ DOTAZEM U KONSTRUKTÉRA, že součástky A,B,C,D až X v zapojení trvale pracujou - tudíž jsou tam naprosto nezbytný, zatímco Y, Z a Ž jsou tam jen pro okamžik, kdy dochází k nějakýmu přechodovýmu respektive potenciálně poruchovýmu ději. Že by to v podstatě mohlo pracovat i bez nich, ale dřív by se to posralo. A tento ekonom na základě tohoto vyjádření USOUDÍ, že konstruktér byl přehnaně opatrnej a součástky Y, Z a Ž lze ze zapojení bez dalších následků vypustit. Takže i když se DPS daly navrhnout hned po tom, co konstruktér vyplodil zapojení a obsahujou tak komplet možný umístění VŠECH původních součástek, tak do výsledný výroby na montáž přijde instrukce, že NA ZÁKLADĚ ROZHODNUTÍ EKONOMICKÝHO ODDĚLENÍ se pozice Y, Z a Ž na už vyrobenejch deskách nebudou osazovat, případně že se některý součástky taky prostě nahradí PROPOJKOU neboli ZKRATEM - protože funkce zapojení i tak zvostane zachovaná a zároveň se na každým kusu výrobku ušetří na nákladech za vynechaný součástky a čas a pájku potřebný k jejich osazení celou 0,01 €ura - což při roční produkci X mega kusů dělá už docela hezkou sumičku ... A nikoho to absolutně nesere, že takto "ekonomicky ošetřený výrobky" se podělají už měsíc po záruce - aspoň se kola ekonomiky otáčejí vesele dál....

Akorát když to vidí chudák ten konstruktér, tak se radši jde ožrat jako mužik a zapřísahá se, že svým dětem zatají svoje povolání konstruktéra dotyčnejch výrobků, ale bude jim říkat, že dělá striptéra v buzna-baru, protože za to se před nima aspoň nebude muset stydět ...

_________________
Nasliněný prst na svorkovnici domovního rozvaděče: Jó, paninko, máte tam ty Voltíky všecky...
A kutilmile - nelituju tě Mr. Green Mr. Green !!!
Návrat nahoru
Zobrazit informace o autorovi Odeslat soukromou zprávu Odeslat e-mail
rnbw



Založen: Mar 21, 2006
Příspěvky: 36906
Bydliště: Bratislava

PříspěvekZaslal: so červenec 21 2018, 19:37    Předmět: Citovat

A napriek tomu tieto svietidla vydrzia prekvapivo dlho. Rusenie som nezistoval, ale oproti LED pasu (ktory tvori peknu dlhu antenu k neodrusenemu menicu) to nebude nic.
Návrat nahoru
Zobrazit informace o autorovi Odeslat soukromou zprávu
Zobrazit příspěvky z předchozích:   
Přidat nové téma   Zaslat odpověď       Obsah fóra Diskuzní fórum Elektro Bastlírny -> Osvětlovací technika Časy uváděny v GMT + 1 hodina
Jdi na stránku 1, 2  Další
Strana 1 z 2

 
Přejdi na:  
Nemůžete odesílat nové téma do tohoto fóra.
Nemůžete odpovídat na témata v tomto fóru.
Nemůžete upravovat své příspěvky v tomto fóru.
Nemůžete mazat své příspěvky v tomto fóru.
Nemůžete hlasovat v tomto fóru.
Nemůžete připojovat soubory k příspěvkům
Můžete stahovat a prohlížet přiložené soubory

Powered by phpBB © 2001, 2005 phpBB Group
Forums ©
Nuke - Elektro Bastlirna

Informace na portálu Elektro bastlírny jsou prezentovány za účelem vzdělání čtenářů a rozšíření zájmu o elektroniku. Autoři článků na serveru neberou žádnou zodpovědnost za škody vzniklé těmito zapojeními. Rovněž neberou žádnou odpovědnost za případnou újmu na zdraví vzniklou úrazem elektrickým proudem. Autoři a správci těchto stránek nepřejímají záruku za správnost zveřejněných materiálů. Předkládané informace a zapojení jsou zveřejněny bez ohledu na případné patenty třetích osob. Nároky na odškodnění na základě změn, chyb nebo vynechání jsou zásadně vyloučeny. Všechny registrované nebo jiné obchodní známky zde použité jsou majetkem jejich vlastníků. Uvedením nejsou zpochybněna z toho vyplývající vlastnická práva. Použití konstrukcí v rozporu se zákonem je přísně zakázáno. Vzhledem k tomu, že původ předkládaných materiálů nelze žádným způsobem dohledat, nelze je použít pro komerční účely! Tento nekomerční server nemá z uvedených zapojení či konstrukcí žádný zisk. Nezodpovídáme za pravost předkládaných materiálů třetími osobami a jejich původ. V případě, že zjistíte porušení autorského práva či jiné nesrovnalosti, kontaktujte administrátory na diskuzním fóru EB.


PHP-Nuke Copyright © 2005 by Francisco Burzi. This is free software, and you may redistribute it under the GPL. PHP-Nuke comes with absolutely no warranty, for details, see the license.
Čas potřebný ke zpracování stránky 0.21 sekund