Vítejte na Elektro Bastlírn?
Nuke - Elektro Bastlirna
  Vytvořit účet Hlavní · Fórum · DDump · Profil · Zprávy · Hledat na fóru · Příspěvky na provoz EB

Vlákno na téma KORONAVIRUS - nutná registrace


Nuke - Elektro Bastlirna: Diskuzní fórum

 FAQFAQ   HledatHledat   Uživatelské skupinyUživatelské skupiny   ProfilProfil   Soukromé zprávySoukromé zprávy   PřihlášeníPřihlášení 

Arduino UNO- zelenáč se zelená
Jdi na stránku 1, 2, 3  Další
 
Přidat nové téma   Zaslat odpověď       Obsah fóra Diskuzní fórum Elektro Bastlírny -> Miniaturní počítače (Arduino, Raspberry a další)
Zobrazit předchozí téma :: Zobrazit následující téma  
Autor Zpráva
jura80



Založen: Nov 05, 2011
Příspěvky: 908
Bydliště: Boskovice

PříspěvekZaslal: st listopad 15 2017, 16:49    Předmět: Arduino UNO- zelenáč se zelená Citovat

Tak už jsem taky podlehl Arduino mánii a jedno nejlevnější UNO si nechal poslat wod ťinťonga z Ebay. Včera jsem samo rozblikal LED a cvičně k tomu přidal ještě jednu (jako že multivibrátor). Tak nějak se tomu budu ve volných chvilkách věnovat.Wink

Co mě trochu překvapilo, že tomu záleží na velkých a malých písmenkách...

int led = 12;
int led2=13;


void setup()
{
pinMode(led, OUTPUT);
pinMode (led2, OUTPUT);
}

void loop()
{
digitalWrite(led, HIGH);
delay(300);
digitalWrite(led, LOW);
digitalWrite (led2, HIGH);
delay(300);
digitalWrite (led2, LOW);
}

_________________
Nejsu žádným fóristem, ale když něco negómu, tož, přindu se zeptat. A když se nesnesitelně nudím, nebo když jsu na plech, někdy se může stát, že se i pokusím poradit. Zdraví Jura!
Návrat nahoru
Zobrazit informace o autorovi Odeslat soukromou zprávu Odeslat e-mail Zobrazit autorovy WWW stránky
Zaky



Založen: Oct 30, 2010
Příspěvky: 6974
Bydliště: Praha

PříspěvekZaslal: st listopad 15 2017, 17:05    Předmět: Citovat

Kdo by to byl řekl Smile např. http://openeschool.com/tutorial/1177/c-programming-is-c-a-case-sensitive-language
Návrat nahoru
Zobrazit informace o autorovi Odeslat soukromou zprávu
nekmil



Založen: Mar 06, 2005
Příspěvky: 789
Bydliště: Havířov

PříspěvekZaslal: st listopad 15 2017, 17:39    Předmět: Citovat

Takový jednoduchý program a 24 závorek + 10 středníků Very Happy
To bude ještě boj než se s tím něco naučíš Smile tak bojuj.

_________________
http://tesinsko.cz/webcams/rondel
Návrat nahoru
Zobrazit informace o autorovi Odeslat soukromou zprávu Odeslat e-mail
jura80



Založen: Nov 05, 2011
Příspěvky: 908
Bydliště: Boskovice

PříspěvekZaslal: st listopad 15 2017, 17:48    Předmět: Citovat

Taky jsem sám sebe překvapil. A díky za odkaz, nevěděl jsem, že jsou jazyky, kterým je to šumák, a jazyky, co bazírují na "pravopis" tak hodně.

Budu bojovat, po malých chviličkách. Je dost málo času, bohužel. Ale jináč mám s touhle hračičkou velký plány. Prvně asi půjde -dU nabíječka, kterou budu postupně zdokonalovat, jak se budu učit.

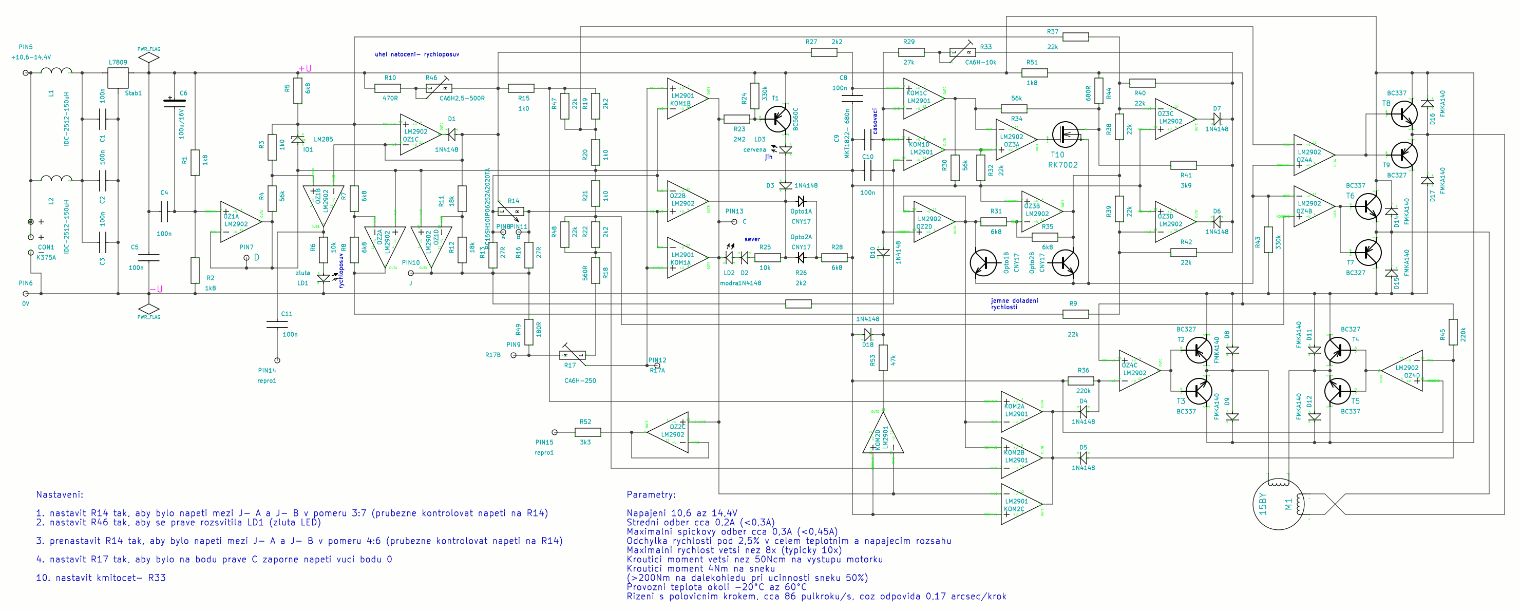
To Arduino mě napadlo proto, protože jsem nedávno navrhl řízení krok. motorku pro pohon montáže dalekohledu a přišlo mě, že to při daných požadavcích vyšlo zbytečně složitě- viz obr.



pohon_eq1.gif
 Komentář:

Stáhnout
 Soubor:  pohon_eq1.gif
 Velikost:  208.02 kB
 Staženo:  308 krát


_________________
Nejsu žádným fóristem, ale když něco negómu, tož, přindu se zeptat. A když se nesnesitelně nudím, nebo když jsu na plech, někdy se může stát, že se i pokusím poradit. Zdraví Jura!
Návrat nahoru
Zobrazit informace o autorovi Odeslat soukromou zprávu Odeslat e-mail Zobrazit autorovy WWW stránky
Zaky



Založen: Oct 30, 2010
Příspěvky: 6974
Bydliště: Praha

PříspěvekZaslal: st listopad 15 2017, 23:26    Předmět: Citovat

Možná už s tím budu trapný, ale než se trápit s Arduinem, když začínáš, vřele bych doporučil toto: http://www.cypress.com/documentation/development-kitsboards/cy8ckit-059-psoc-5lp-prototyping-kit-onboard-programmer-and , je to úplně jiná liga a při tom je to velice uživatelsky přátelské kvůli zdařilému IDE. Na vše jsou příklady, velmi pěkně je udělaná dokumentace. Existují i levnější procesory, kit s PSOC4 bez debuggeru (který můžeš použít z výše uvedené desky) stojí $4. A budeš programovat v C a ne jen slepě používat něčí knihovny napsané v C++, což je znatelně složitější se naučit, pokud bys chtěl víc, než právě používat knihovny. Procesory jsou 32 bit ARM, tedy výkonově úplně jinde, než nějaké osmibity. Navíc mají v sobě hradlové pole, které toho taky dost umí a posouvá tak PSOC úplně jinam, než když něco stavíš pouze na jednočipu. Já byl jakémukoli programování dost imunní až do doby, než jsem narazil právě na PSOC.
Návrat nahoru
Zobrazit informace o autorovi Odeslat soukromou zprávu
ZdenekHQ
Administrátor


Založen: Jul 21, 2006
Příspěvky: 25741
Bydliště: skoro Brno

PříspěvekZaslal: čt listopad 16 2017, 0:24    Předmět: Citovat

Já si můžu case-sensitive v asm překladači zapnout, defaultně je to vypnutý. Asi by to mělo jít i u vyšších jazyků.
_________________
Pro moje oslovení klidně použijte jméno Zdeněk
Správně navržené zapojení je jako recept na dobré jídlo.
Můžete vynechat půlku ingrediencí, nebo přidat jiné,
ale jste si jistí, že vám to bude chutnat[?
]
Návrat nahoru
Zobrazit informace o autorovi Odeslat soukromou zprávu Zobrazit autorovy WWW stránky
mtajovsky



Založen: Sep 19, 2007
Příspěvky: 3719
Bydliště: Praha

PříspěvekZaslal: čt listopad 16 2017, 1:22    Předmět: Citovat

nekmil napsal(a):
Takový jednoduchý program a 24 závorek + 10 středníků Very Happy
Syntaxe bez závorek a středníků se spoléhá na odřádkování a případně odsazení řádků - viz například Python, což je, s prominutím, na prd. V C je pomocí závorek a středníků jasně dáno, co k čemu patří a celý program se může napsat třeba na jeden řádek.

jura80 << pokud máte s programováním MCU větší plány, než jen rozblikat LED nebo opajcovat zdroják na teploměr, pak bych doporučil na chvilku Arduino odložit, nainstalovat si nějakou free expres verzi Visual C++, sednout si s učebnicí C/C++ a projít si nějaký kurs a v jeho rámci udělat nějaké konzolové prográmky. Jinak bude vaše cesta za ovládnutím Arduina plná "podivných" překvapení typu "case sensitive".

Case sensitive je v C velkým benefitem. Umožňuje nastavit různá pravidla, která zvyšují čitelnost programu. Například, že symbolické konstanty se píší kapitálkami, proměnné malými písmeny, funkce v camel notaci a podobně. Pak se na první pohled pozná, co je co. Je dobré si stanovit nějaká pravidla a ta dodržovat. Největší hnus je, když například někdo míchá camel a podtržítkovu notaci dohromady:
kód:

#define PI 3.14         // OK
int muj_index;           // OK
float getValue(void);    // tohle je taky OK
char* Hnusny_Nazev_Pro_Retezec;  // tohle není OK
char pekny_nazev_pro_retezec[20]; // tohle už je lepší


Naposledy upravil mtajovsky dne čt listopad 16 2017, 1:34, celkově upraveno 1 krát.
Návrat nahoru
Zobrazit informace o autorovi Odeslat soukromou zprávu Odeslat e-mail
jura80



Založen: Nov 05, 2011
Příspěvky: 908
Bydliště: Boskovice

PříspěvekZaslal: čt listopad 16 2017, 1:28    Předmět: Citovat

Díky za tip. Takže jestli tomu rozumím, je to v podstatě něco jako Arduino, jen se to programuje ve standardním jazyku (takže by jsem mohl kdykoli přejít na jinčí procesory nebo programování PC), je k tomu dokonce aj quick start guide a stojí to jen 4USD?

Teď, když už mám to UNO, není lepší si nějakou dobu spíš pohrát s ním, a pak, po získání zkušenosti, se vrhnout do něčeho lepšího?

Ta C++, dejme tomu, ale ptám se, budu na to mít dost času, proniknout do toho do hloubky? A budu pak vidět výsledky, co mě budou motivovat k dalšímu hraní si? Jinak ale o pajcování nestojím, to je hrozná nuda...

Jinak Arduino mně doporučil známý, co se taky zajímá o astro, když jsem se zmínil o tom, že dělám na tom pohonu a že to vychází docela složitě (ať tak nebo tak, dneska budu konečně objednávat PCB).

_________________
Nejsu žádným fóristem, ale když něco negómu, tož, přindu se zeptat. A když se nesnesitelně nudím, nebo když jsu na plech, někdy se může stát, že se i pokusím poradit. Zdraví Jura!
Návrat nahoru
Zobrazit informace o autorovi Odeslat soukromou zprávu Odeslat e-mail Zobrazit autorovy WWW stránky
zedisdet



Založen: Mar 21, 2015
Příspěvky: 85
Bydliště: Noyal Pontivy

PříspěvekZaslal: čt listopad 16 2017, 10:36    Předmět: Citovat

mtajovsky: Proč je jazyk co používá "odřádkování" naprd? Python je díky tomu krásně čitelný.
Návrat nahoru
Zobrazit informace o autorovi Odeslat soukromou zprávu
rnbw



Založen: Mar 21, 2006
Příspěvky: 36825
Bydliště: Bratislava

PříspěvekZaslal: čt listopad 16 2017, 10:52    Předmět: Citovat

Syntax pythonu je otrasna. Ak chces nieco na skusku upravit (pridat cyklus), musis upravovat odsadenie ako obrazek_cenzura. Nema to blokove komentare, takze nemozes zakomentovat kus kodu.
Návrat nahoru
Zobrazit informace o autorovi Odeslat soukromou zprávu
zedisdet



Založen: Mar 21, 2015
Příspěvky: 85
Bydliště: Noyal Pontivy

PříspěvekZaslal: čt listopad 16 2017, 11:45    Předmět: Citovat

rnbw: Tak nevím co jsi to zkoušel ale pleteš se. V Python3 prostředí IDLE je odsazeni celého bloku otázka dvou kliknutí nebo jedné kl. zkratky. A zakomentování celého bloku se dela třemi uvozovkami """ kód """ Python tě prostě nutí aby z toho programu nebyl salát a to holt hodně lidí nedává. Python má jen jednu nevýhodu která je zároveň výhoda a to že je to interpret takže není tak výkonný ale výhoda je že je tím pádem multiplatformní. Tím že program nekompiluje tak se dá spustit od woken , linux , os2 a další. Když by to bylo nepoužitelné těžko by se v tom psali tak velké projekty jako Gimp, Inkscape a další a další. Jen teda nevím otom že by se Python používal pro Arduino. V Raspberry je jako nativní jazyk.
Návrat nahoru
Zobrazit informace o autorovi Odeslat soukromou zprávu
LukinoOl



Založen: Jun 09, 2016
Příspěvky: 66

PříspěvekZaslal: čt listopad 16 2017, 13:05    Předmět: Citovat

Několik bodů k diskuzi:
a, case sensitive je velmi užitečná vlastnost, pro zoufalé uživatele oken to bývá havárka
b, používat knihovny nikdo nikoho nenutí, napíšeš si vlastní a bez hromady nevyužitého balastu, stejně zjistíš, že vlastní implementace bez knihoven je lepší
c, nabádat ke koupi 32bit, pokud sotva dáš blink, je dost mimo, taky asi komunita ohledně Cypress 32bit asi nebude moc velká
d, každý jazyk má svá pro a proti, to je nekonečná diskuze

Tazatel chce prostě s něčím začít, tak mu neberte ideály.

L:

PS: Soulas s mtajovsky.
Návrat nahoru
Zobrazit informace o autorovi Odeslat soukromou zprávu
mluno



Založen: Apr 18, 2011
Příspěvky: 260
Bydliště: Benešov (u Prahy)

PříspěvekZaslal: čt listopad 16 2017, 16:01    Předmět: Citovat

LukinoOl napsal(a):

napíšeš si vlastní a bez hromady nevyužitého balastu, stejně zjistíš, že vlastní implementace bez knihoven je lepší

To můžu několikrát podtrhnout. Ale je to dost velká práce. Já často dělám kompromis, že vezmu z knihoven to, co se mi hodí (což jsou obvykle funkce na nejnižších úrovních) a zbytek si doplnim. Zase mi přijde zbytečný dělat knihovny od nuly pro něco, pro co už jsou. Vlastní knihovny, pro můj vlastní hw (třeba externí SRAM) jsem dělal možná dvě, tři. Jinak většinou člověk najde na internetu něco, z čeho může vyjít a je tak zbavený té nejšpinavější práce.

Osobně používám AVR studio od Atmelu, vývojové prostředí arduino IDE mi moc k srdci nepřirostlo. Jsem holt rozmazlený vymoženostmi jako doplňování kódu (napíšu POR a dám ctrl+mezerník a nabídne se mi hned PORTA PORTB.... a já si jen vyberu), procházení podle identifikátorů (stačí kliknout na Go a jsem hned na deklaraci identifikátoru) a další vymoženosti, které arduino IDE nemá ani na úrovni starého Delphi.

Arduino jako takové příliš nepoužívám, ale taky jsem to nevydržel (při ceně 198 korun) a jeden klon jsem si koupil, takže jednu destičku mám. Na jednodušší akce to stačí. Předtím jsem používal a dosud používám samotný AVR od tiny13 po mega128 (radši mám mega1284, nemá tolik periferií jako mega128, ale je dostupný v DIL a tak se dá používat v kontaktním poli) Díky tomu jsem zjistil, jak pohodlné je použití bootloaderu, do té doby jsem programy loadoval z paralelního portu (ohlídal jsem si, aby i ten nejnovější PC ho měl) do SPI. Teďkon tam takto naloaduju bootloader (a příslušné pojistky, které ho povolí) a program už opakovaně nahrávám do sériového portu přes USB redukci. Sám boatloader má necelých 512 bajtů nebo wordů (to teď nevim), a ještě se mi nestalo, že bych se s programem dostal na takovou velikost, že by mi překážel.

Všichni jsme začínali stejně. Blikání LED je prostě základ a je to první věc, co člověk musí vyzkoušet. Pak teprve ledku nahradí něčím jiným. Můj první program pro AVR (tehdy tiny2313) ale vypadal nějak takto
kód:

A: NOP
   RJMP A

tím jsem zjistil, jestli to AVRassembler přeloží (byl tam i nějaký simulátor, tak jsem si to krokoval) a jestli to načte programátor atd. Pak jsem do té smyčky přidal blikání ledky (a nějaké zpoždění, abych ho viděl i mimo simulátor), vše tehdy v assembleru. Pak jsem teprve přidal import knihovny, abych se nemusel na port dostávat číslem. Céčko se mi za celou dobu, co jsem používal verzi 4 AVR studia nepovedlo nakonfigurovat (a na to co jsem tehdy dělal ten assembler stačil), ve verzi 5 to potom šlo. On je i v těch nových simulátor, ale protože jsem většinou závislý na interakci s vnějším hw, tak ho použiju málokdy.

To byly jenom takové vzpomínky, jak jsem před ne tak dlouhou dobou začínal s mikrokontroléry. Bylo to ještě v době před masovým rozšířením arduina (slovo arduino jsem zaregistroval o dost později). Ne že bych nikdy neprogramoval, dělal jsem s DSP56F807 od motoroly a OMAP107 od texas instruments, ve škole jsme něco dělali s 80196 (bráška 80186) a možná by se ještě našlo pár typů, co mi prošlo rukama. Ale to prostě nebylo ono. To byla nějaká vývojová deska, drahá vývojová deska, k tomu musel být drahý programátor. V případě AVR se mi líbilo, že nepotřebuju drahý programátor (stačí pár drátů z paralelního portu, které jsem pro jistotu oproti původním plánům posílil hradlem, ale pořád mě ten "programátor" vyšel na nějakých max 50 korun a ne na tisíce) a že je vše potřebné dobře a přehledně zdokumentované. A při tehdejší ceně tiny2313 kolem 50 korun si mě AVRka získala i přes to, že jsem taky skoro nic neuměl (a při zjištění, že při přechodu na jiný procesor (tehdy třeba mega48) vyžaduje program jen drobné nebo žádné změny jsem doslova chrochtal blahem).
Návrat nahoru
Zobrazit informace o autorovi Odeslat soukromou zprávu
FHonza



Založen: Nov 20, 2012
Příspěvky: 1454
Bydliště: Praha

PříspěvekZaslal: čt listopad 16 2017, 16:53    Předmět: Citovat

LukinoOl napsal(a):
... napíšeš si vlastní a bez hromady nevyužitého balastu, stejně zjistíš, že vlastní implementace bez knihoven je lepší...


To možná tak platí u jednoduchých věcí jako je Arduino. U komplikovanějších platforem/projektů je to přesně naopak.
Návrat nahoru
Zobrazit informace o autorovi Odeslat soukromou zprávu
Atlan



Založen: May 10, 2004
Příspěvky: 4514
Bydliště: Košice

PříspěvekZaslal: čt listopad 16 2017, 19:35    Předmět: Citovat

To bude prekvapenie az zisti ze delay 300 netrva vzdy 300 Very Happy.
Arduino prostredie vie prekvapit a z jednoduchej veci vC pre avr sa stane nocna mora.
Návrat nahoru
Zobrazit informace o autorovi Odeslat soukromou zprávu
Zobrazit příspěvky z předchozích:   
Přidat nové téma   Zaslat odpověď       Obsah fóra Diskuzní fórum Elektro Bastlírny -> Miniaturní počítače (Arduino, Raspberry a další) Časy uváděny v GMT + 1 hodina
Jdi na stránku 1, 2, 3  Další
Strana 1 z 3

 
Přejdi na:  
Nemůžete odesílat nové téma do tohoto fóra.
Nemůžete odpovídat na témata v tomto fóru.
Nemůžete upravovat své příspěvky v tomto fóru.
Nemůžete mazat své příspěvky v tomto fóru.
Nemůžete hlasovat v tomto fóru.
Nemůžete připojovat soubory k příspěvkům
Můžete stahovat a prohlížet přiložené soubory

Powered by phpBB © 2001, 2005 phpBB Group
Forums ©
Nuke - Elektro Bastlirna

Informace na portálu Elektro bastlírny jsou prezentovány za účelem vzdělání čtenářů a rozšíření zájmu o elektroniku. Autoři článků na serveru neberou žádnou zodpovědnost za škody vzniklé těmito zapojeními. Rovněž neberou žádnou odpovědnost za případnou újmu na zdraví vzniklou úrazem elektrickým proudem. Autoři a správci těchto stránek nepřejímají záruku za správnost zveřejněných materiálů. Předkládané informace a zapojení jsou zveřejněny bez ohledu na případné patenty třetích osob. Nároky na odškodnění na základě změn, chyb nebo vynechání jsou zásadně vyloučeny. Všechny registrované nebo jiné obchodní známky zde použité jsou majetkem jejich vlastníků. Uvedením nejsou zpochybněna z toho vyplývající vlastnická práva. Použití konstrukcí v rozporu se zákonem je přísně zakázáno. Vzhledem k tomu, že původ předkládaných materiálů nelze žádným způsobem dohledat, nelze je použít pro komerční účely! Tento nekomerční server nemá z uvedených zapojení či konstrukcí žádný zisk. Nezodpovídáme za pravost předkládaných materiálů třetími osobami a jejich původ. V případě, že zjistíte porušení autorského práva či jiné nesrovnalosti, kontaktujte administrátory na diskuzním fóru EB.


PHP-Nuke Copyright © 2005 by Francisco Burzi. This is free software, and you may redistribute it under the GPL. PHP-Nuke comes with absolutely no warranty, for details, see the license.
Čas potřebný ke zpracování stránky 0.23 sekund