Vítejte na Elektro Bastlírn?
Nuke - Elektro Bastlirna
  Vytvořit účet Hlavní · Fórum · DDump · Profil · Zprávy · Hledat na fóru · Příspěvky na provoz EB

Vlákno na téma KORONAVIRUS - nutná registrace


Nuke - Elektro Bastlirna: Diskuzní fórum

 FAQFAQ   HledatHledat   Uživatelské skupinyUživatelské skupiny   ProfilProfil   Soukromé zprávySoukromé zprávy   PřihlášeníPřihlášení 

Prosim o radu Krups 4020

 
Přidat nové téma   Zaslat odpověď       Obsah fóra Diskuzní fórum Elektro Bastlírny -> Bílá technika
Zobrazit předchozí téma :: Zobrazit následující téma  
Autor Zpráva
aaramiss



Založen: May 14, 2016
Příspěvky: 3

PříspěvekZaslal: so květen 14 2016, 20:46    Předmět: Prosim o radu Krups 4020 Citovat

Ahojda mam problem s timto strojem Krups 4020.Pri zapnuti do polohy pripravy kavy zacne cerpadlo prerusovane tahat vodu.Tak misto aby hrcel nekolik sekund jak ma,tak prerusovane hrci..Nesetkal se s touhle zavadou nekdo?Popripade muze me nekdo navest kam a na co se podivat ?Dekuji za kadou radu..
Návrat nahoru
Zobrazit informace o autorovi Odeslat soukromou zprávu
ohryzek36



Založen: Dec 24, 2008
Příspěvky: 2386
Bydliště: Zlínsko

PříspěvekZaslal: so květen 14 2016, 22:36    Předmět: Citovat

Máš problém v elektronice - zaměř se na ty 200k+ odpory a bordel okolo toho. Pochopitelně nesmíš být úplně levý...
Návrat nahoru
Zobrazit informace o autorovi Odeslat soukromou zprávu
aaramiss



Založen: May 14, 2016
Příspěvky: 3

PříspěvekZaslal: so květen 14 2016, 23:15    Předmět: Citovat

muzes to prosim popsat presneji kde to najdu ten odpor ?Dik
Návrat nahoru
Zobrazit informace o autorovi Odeslat soukromou zprávu
ohryzek36



Založen: Dec 24, 2008
Příspěvky: 2386
Bydliště: Zlínsko

PříspěvekZaslal: ne květen 15 2016, 8:35    Předmět: Citovat

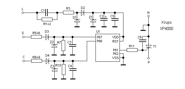
Když se podívač sem, tak jsou ve vrchní části desky pod tím žlutým. Vedou k nim ty dva kabely připájené do desky a celkově jsou tam ty odpory 4 - sráží se na nich napětí 230V (z předního přepínače) na logické úrovně (schéma někde tady najdeš) a občas se některý odpor napěťovým namáháním přeruší - presso to pak bere jako zapnutý program (v tomto případě dávkování páry).
Návrat nahoru
Zobrazit informace o autorovi Odeslat soukromou zprávu
aaramiss



Založen: May 14, 2016
Příspěvky: 3

PříspěvekZaslal: ne květen 15 2016, 10:54    Předmět: Citovat

dikec moc elektricky to uz jede nahradil sem starsi tistak complet,ale zjistil sem ze me porad netestni i po vymene tesneni pod pakou.Az jsem rozebral tak sem obevil prasklinu horniho cegmentu co drzi ohrivac Sad Tudis jak jse natlakoval odfoukl pres paku diky te praskline Sad(Musim sehnat nekde jinde pokud sezenu ..
Návrat nahoru
Zobrazit informace o autorovi Odeslat soukromou zprávu
Marek_Sakul



Založen: Apr 08, 2025
Příspěvky: 2

PříspěvekZaslal: út duben 08 2025, 9:58    Předmět: Citovat

Ahoj, mam uplne ten samy problem. Nemate prosim schema zapojeni te desky TSK-1832A. Zajimala by me hlavne velikost tech 4 srazecich odporu 200k+. Diky moc.
Návrat nahoru
Zobrazit informace o autorovi Odeslat soukromou zprávu
ohryzek36



Založen: Dec 24, 2008
Příspěvky: 2386
Bydliště: Zlínsko

PříspěvekZaslal: ne duben 13 2025, 9:03    Předmět: Citovat

Schéma náhodou mám (kdysi jsem ho kreslil), ale bez hodnot odporů. Řekl bych, že by každý odpor (R5, R6, R8, R9) měl být stejný - cca 220 - 270kΩ. Aspoň jeden by měl být snad funkční, nebo aspoň v celku tak, aby šla přečíst jeho hodnota. Stačí ho očistit od toho žlutého tmelu.


XP4000.png
 Komentář:
 Velikost:  6.44 kB
 Zobrazeno:  46 krát

XP4000.png


Návrat nahoru
Zobrazit informace o autorovi Odeslat soukromou zprávu
Marek_Sakul



Založen: Apr 08, 2025
Příspěvky: 2

PříspěvekZaslal: st duben 16 2025, 8:36    Předmět: Citovat

ohryzek36 dekuji moc za pomoc. Odpory jsou tam 220k 5% (cervena, cervena, zluta, zlata), viz foto. Jeden byl KO, presne jak si tu psal. Vymenil jsem pro jistotu vsechny 4. Dal jsem tam tyto: https://www.gme.cz/v/1493098/GYM-CYM-MF0207224FTB-metalizovany-rezistor

Po odzkouseni jsem jeste vymenil o-krouzek na vystupu z cerpadla, nebot uz to netesnilo tak jak ma. Ted jede kavovar jako za mlada.



20250408_193502.jpg
 Komentář:
 Velikost:  252.02 kB
 Zobrazeno:  38 krát

20250408_193502.jpg


Návrat nahoru
Zobrazit informace o autorovi Odeslat soukromou zprávu
Zobrazit příspěvky z předchozích:   
Přidat nové téma   Zaslat odpověď       Obsah fóra Diskuzní fórum Elektro Bastlírny -> Bílá technika Časy uváděny v GMT + 1 hodina
Strana 1 z 1

 
Přejdi na:  
Nemůžete odesílat nové téma do tohoto fóra.
Nemůžete odpovídat na témata v tomto fóru.
Nemůžete upravovat své příspěvky v tomto fóru.
Nemůžete mazat své příspěvky v tomto fóru.
Nemůžete hlasovat v tomto fóru.
Nemůžete připojovat soubory k příspěvkům
Můžete stahovat a prohlížet přiložené soubory

Powered by phpBB © 2001, 2005 phpBB Group
Forums ©
Nuke - Elektro Bastlirna

Informace na portálu Elektro bastlírny jsou prezentovány za účelem vzdělání čtenářů a rozšíření zájmu o elektroniku. Autoři článků na serveru neberou žádnou zodpovědnost za škody vzniklé těmito zapojeními. Rovněž neberou žádnou odpovědnost za případnou újmu na zdraví vzniklou úrazem elektrickým proudem. Autoři a správci těchto stránek nepřejímají záruku za správnost zveřejněných materiálů. Předkládané informace a zapojení jsou zveřejněny bez ohledu na případné patenty třetích osob. Nároky na odškodnění na základě změn, chyb nebo vynechání jsou zásadně vyloučeny. Všechny registrované nebo jiné obchodní známky zde použité jsou majetkem jejich vlastníků. Uvedením nejsou zpochybněna z toho vyplývající vlastnická práva. Použití konstrukcí v rozporu se zákonem je přísně zakázáno. Vzhledem k tomu, že původ předkládaných materiálů nelze žádným způsobem dohledat, nelze je použít pro komerční účely! Tento nekomerční server nemá z uvedených zapojení či konstrukcí žádný zisk. Nezodpovídáme za pravost předkládaných materiálů třetími osobami a jejich původ. V případě, že zjistíte porušení autorského práva či jiné nesrovnalosti, kontaktujte administrátory na diskuzním fóru EB.


PHP-Nuke Copyright © 2005 by Francisco Burzi. This is free software, and you may redistribute it under the GPL. PHP-Nuke comes with absolutely no warranty, for details, see the license.
Čas potřebný ke zpracování stránky 0.18 sekund