Vítejte na Elektro Bastlírn?
Nuke - Elektro Bastlirna
  Vytvořit účet Hlavní · Fórum · DDump · Profil · Zprávy · Hledat na fóru · Příspěvky na provoz EB

Vlákno na téma KORONAVIRUS - nutná registrace


Nuke - Elektro Bastlirna: Diskuzní fórum

 FAQFAQ   HledatHledat   Uživatelské skupinyUživatelské skupiny   ProfilProfil   Soukromé zprávySoukromé zprávy   PřihlášeníPřihlášení 

obvod - odpojení po překročení určité doby (časové relé 5V)

 
Přidat nové téma   Zaslat odpověď       Obsah fóra Diskuzní fórum Elektro Bastlírny -> Řešení problémů s různými konstrukcemi
Zobrazit předchozí téma :: Zobrazit následující téma  
Autor Zpráva
LAMER_CZ



Založen: May 05, 2016
Příspěvky: 32

PříspěvekZaslal: čt květen 05 2016, 11:19    Předmět: obvod - odpojení po překročení určité doby (časové relé 5V) Citovat

Zdravím,
mám MCP2200 pro zapínání a vypínání určitých věcí přes USB.
Chtěl bych nějakou věc zapnout třeba na 5 vteřin, což samozřejmě SW není problém, ale problém by mohl nastat, kdyby se kousnul počítač, sběrnice, spadnul ovládací SW atd atd.
Řekněme, že mám elektrické otvírání dveří (bzučák), chci ten bzučák zapnout na 5 vteřin, ale zas nechci, aby kdyby se někde něco podělalo, tak aby to bzučelo (a nakonec shořelo) celý den.
Proto bych na výstup potřeboval zapojit nějaký obvod, který by to třeba po 10ti vteřinách (pokud by se něco podělalo) automaticky vypnul.
Potřeboval bych to na 5V z USB.
Vím, že existujou různé časové relé, ale potřebuju něco na 5V a aby to nebylo moc velké, drahé a složitéSmile

Asi něco s NE555 a nějakým kondenzátorem, ale vůbec návrhu elektrotechnických věcí nerozumím (jsem jenom Ing. z elektra:)
Nějaké obyčejné relátko, které se po nabití kondenzátoru rozpojí nebo tak něco:)

Předem děkuji.[/b]
Návrat nahoru
Zobrazit informace o autorovi Odeslat soukromou zprávu
Jirka525



Založen: May 22, 2013
Příspěvky: 325
Bydliště: Psáry JN79GW

PříspěvekZaslal: čt květen 05 2016, 12:36    Předmět: Citovat

Myslím, že sis odpověděl sám. Když vše nechceš nechat na USB, tak potřebuješ něco nezávislého, co odčasuje a vypne. A to něco může být třeba NE555 v monostabilním zapojení https://www.google.cz/search?q=monostabiln%C3%AD+klopn%C3%BD+obvod+555&tbm=isch&tbo=u&source=univ&sa=X&ved=0ahUKEwiYr5qf68LMAhWH2hoKHTPEBFoQsAQIJg&biw=1920&bih=982#imgrc=vkN7zK8ddCkfuM%3A
nebo ten nejjednodušší MCU, například ATTtiny13 a pod.

_________________
Jirka
Návrat nahoru
Zobrazit informace o autorovi Odeslat soukromou zprávu Odeslat e-mail
LAMER_CZ



Založen: May 05, 2016
Příspěvky: 32

PříspěvekZaslal: út květen 10 2016, 10:49    Předmět: Citovat

Jirka525 napsal(a):
Myslím, že sis odpověděl sám. Když vše nechceš nechat na USB, tak potřebuješ něco nezávislého, co odčasuje a vypne. A to něco může být třeba NE555 v monostabilním zapojení https://www.google.cz/search?q=monostabiln%C3%AD+klopn%C3%BD+obvod+555&tbm=isch&tbo=u&source=univ&sa=X&ved=0ahUKEwiYr5qf68LMAhWH2hoKHTPEBFoQsAQIJg&biw=1920&bih=982#imgrc=vkN7zK8ddCkfuM%3A
nebo ten nejjednodušší MCU, například ATTtiny13 a pod.


DIKY!
Chapu spravne, ze kdyz spojim piny 2+1 z toho obvodu, tak pri privedeni VCC (pomoci toho udelatka na USB), tak na OUTu bude napeti reknem po dobu 5ti vterin a pak se to zase rozepne?
Jde mi o to, jestli muzu spojit 2+1 a obvod se ozivi nebo je potreba obvod napajet po celou dobu a jen ovladat ten pin 2. Jako teoreticky muzu pouzit 2 vystupy z toho USB kontroleru .... jednim zapnu obvod a po par milisekundach pustim elektriku do pinu 2Smile Ale prvni reseni by bylo jednodussi a delalo by presne to, co bych si pral:)
Návrat nahoru
Zobrazit informace o autorovi Odeslat soukromou zprávu
masar



Založen: Dec 03, 2005
Příspěvky: 13740

PříspěvekZaslal: út květen 10 2016, 11:29    Předmět: Citovat

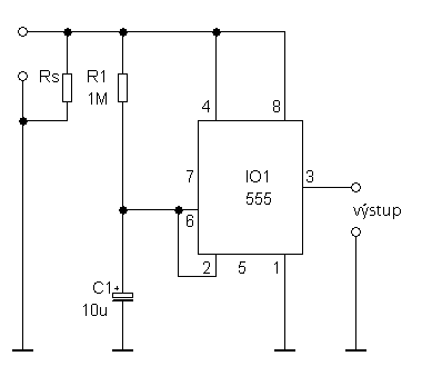
S 555 snad takto.
Jinak lze použít třeba Schmitova hradla 74AC14 apod., záleží také na požadavcích na výstup. Wink
LAMER_CZ napsal(a):
...Asi něco s NE555 a nějakým kondenzátorem, ale vůbec návrhu elektrotechnických věcí nerozumím (jsem jenom Ing. z elektra:)...
Tomu zase nerozumím já.


555.png
 Komentář:

Stáhnout
 Soubor:  555.png
 Velikost:  7.53 kB
 Staženo:  163 krát

Návrat nahoru
Zobrazit informace o autorovi Odeslat soukromou zprávu Odeslat e-mail
LAMER_CZ



Založen: May 05, 2016
Příspěvky: 32

PříspěvekZaslal: út květen 10 2016, 11:53    Předmět: Citovat

masar napsal(a):
S 555 snad takto.
Jinak lze použít třeba Schmitova hradla 74AC14 apod., záleží také na požadavcích na výstup. Wink
LAMER_CZ napsal(a):
...Asi něco s NE555 a nějakým kondenzátorem, ale vůbec návrhu elektrotechnických věcí nerozumím (jsem jenom Ing. z elektra:)...
Tomu zase nerozumím já.


Ja jsem to nakonec nahazel do takove legracky (http://goo.gl/gkChNl) a po zapnuti horniho spinace to dela, co bych chtel ..... ale po rozepnuti se pak musi cekat nez se to vybije nebo to vybit druhym spinacem:)
Jeste to bude chtit asi doladit:o) Jdu vyzkouset i to Vase schema. Jen doufam, ze ten simulator je presny:)
Návrat nahoru
Zobrazit informace o autorovi Odeslat soukromou zprávu
breta1



Založen: Sep 09, 2005
Příspěvky: 3500

PříspěvekZaslal: út květen 10 2016, 11:59    Předmět: Citovat

Těžko radit, když jsi ten odkaz dal špatně a nefuguje
Návrat nahoru
Zobrazit informace o autorovi Odeslat soukromou zprávu
masar



Založen: Dec 03, 2005
Příspěvky: 13740

PříspěvekZaslal: út květen 10 2016, 12:09    Předmět: Citovat

Mně funguje:
http://goo.gl/gkChNl
Wink
Návrat nahoru
Zobrazit informace o autorovi Odeslat soukromou zprávu Odeslat e-mail
termit256



Založen: Dec 06, 2007
Příspěvky: 10335

PříspěvekZaslal: út květen 10 2016, 15:57    Předmět: Citovat

http://www.ebay.com/sch/i.html?_from=R40&_sacat=0&_nkw=delay+relay&_sop=15
Návrat nahoru
Zobrazit informace o autorovi Odeslat soukromou zprávu
Jirka525



Založen: May 22, 2013
Příspěvky: 325
Bydliště: Psáry JN79GW

PříspěvekZaslal: út květen 10 2016, 23:31    Předmět: Citovat

To, co jsem ti poslal je pouze principielní schéma monostabilního klopného obvodu. To je pochopitelně potřeba správně zakomponovat do celého zapojení ovládání zámku nebo čehokoli. Nepochopil jsem například, co bude ten zámek ovládat. MCP2200 je převodník USB -UART. Nevím jestli chceš například řídící signály RS232 používat jako log. výstupy nebo vyšleš nějaký řídící kód, který cosi dekóduje a sepne zámek a podobně. Máš vůbec schéma toho ovládání? Jestli ano, tak ho sem dej abychom věděli, jak správně připojit ten MKO
Jinak na odpověď na tvůj dotaz je ano, 555 by měla být trvale pod napětím a puls se generuje zkratem mezi piny 1 a 2.

_________________
Jirka
Návrat nahoru
Zobrazit informace o autorovi Odeslat soukromou zprávu Odeslat e-mail
LAMER_CZ



Založen: May 05, 2016
Příspěvky: 32

PříspěvekZaslal: st květen 11 2016, 18:35    Předmět: Citovat

Jirka525 napsal(a):
To, co jsem ti poslal je pouze principielní schéma monostabilního klopného obvodu. To je pochopitelně potřeba správně zakomponovat do celého zapojení ovládání zámku nebo čehokoli. Nepochopil jsem například, co bude ten zámek ovládat. MCP2200 je převodník USB -UART. Nevím jestli chceš například řídící signály RS232 používat jako log. výstupy nebo vyšleš nějaký řídící kód, který cosi dekóduje a sepne zámek a podobně. Máš vůbec schéma toho ovládání? Jestli ano, tak ho sem dej abychom věděli, jak správně připojit ten MKO
Jinak na odpověď na tvůj dotaz je ano, 555 by měla být trvale pod napětím a puls se generuje zkratem mezi piny 1 a 2.


Neni na tom nic svetoborneho, ten MCP2200 pouzivam k tomu, abych mohl SW ovladat domovni otvirani dveri, proste jde o defacto ovladani RELE pres PC .... ZAP/VYP, nic vic ..... ale jde mi o to, aby kdyz se neco podela, tak aby to rele v ZAP stavu bylo maximalne rekneme 10 vterin.
Proste chci v jednoduchosti: "rele s maximalni dobou sepnuti". Myslel jsem, ze to pujde resit nejakym jednoduchym obcodem s tranzistorem a kondenzatorem (nebo tak neco:o), ktery hodim seriove k tomu spotrebici (otvirani) a kdyz tama potece proud dyl jak 10 vterin, tak se ten obvod rozpoji. Furt se mi nechce verit, ze tohle nejde udelat pomoci par diskretnich soucastek a resi se to pomoci IO:(
Návrat nahoru
Zobrazit informace o autorovi Odeslat soukromou zprávu
masar



Založen: Dec 03, 2005
Příspěvky: 13740

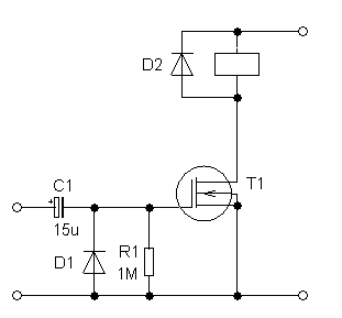
PříspěvekZaslal: st květen 11 2016, 18:42    Předmět: Citovat

Ale jde to udělat i pomocí diskrétních součástek, ale to jsme ještě nevěděli, že to ovládá zámek. Wink


zpožděný odpad.png
 Komentář:

Stáhnout
 Soubor:  zpožděný odpad.png
 Velikost:  5.52 kB
 Staženo:  153 krát

Návrat nahoru
Zobrazit informace o autorovi Odeslat soukromou zprávu Odeslat e-mail
Jirka525



Založen: May 22, 2013
Příspěvky: 325
Bydliště: Psáry JN79GW

PříspěvekZaslal: st květen 11 2016, 20:04    Předmět: Citovat

Myslím, že masar to vymyslel nejjednoduššeji, jak to jde. Předpokládám, že máš v úmyslu připojit některý z GPx signálů MCP2200 na vstup toho spínacího tranzistoru.
_________________
Jirka
Návrat nahoru
Zobrazit informace o autorovi Odeslat soukromou zprávu Odeslat e-mail
Zobrazit příspěvky z předchozích:   
Přidat nové téma   Zaslat odpověď       Obsah fóra Diskuzní fórum Elektro Bastlírny -> Řešení problémů s různými konstrukcemi Časy uváděny v GMT + 1 hodina
Strana 1 z 1

 
Přejdi na:  
Nemůžete odesílat nové téma do tohoto fóra.
Nemůžete odpovídat na témata v tomto fóru.
Nemůžete upravovat své příspěvky v tomto fóru.
Nemůžete mazat své příspěvky v tomto fóru.
Nemůžete hlasovat v tomto fóru.
Nemůžete připojovat soubory k příspěvkům
Můžete stahovat a prohlížet přiložené soubory

Powered by phpBB © 2001, 2005 phpBB Group
Forums ©
Nuke - Elektro Bastlirna

Informace na portálu Elektro bastlírny jsou prezentovány za účelem vzdělání čtenářů a rozšíření zájmu o elektroniku. Autoři článků na serveru neberou žádnou zodpovědnost za škody vzniklé těmito zapojeními. Rovněž neberou žádnou odpovědnost za případnou újmu na zdraví vzniklou úrazem elektrickým proudem. Autoři a správci těchto stránek nepřejímají záruku za správnost zveřejněných materiálů. Předkládané informace a zapojení jsou zveřejněny bez ohledu na případné patenty třetích osob. Nároky na odškodnění na základě změn, chyb nebo vynechání jsou zásadně vyloučeny. Všechny registrované nebo jiné obchodní známky zde použité jsou majetkem jejich vlastníků. Uvedením nejsou zpochybněna z toho vyplývající vlastnická práva. Použití konstrukcí v rozporu se zákonem je přísně zakázáno. Vzhledem k tomu, že původ předkládaných materiálů nelze žádným způsobem dohledat, nelze je použít pro komerční účely! Tento nekomerční server nemá z uvedených zapojení či konstrukcí žádný zisk. Nezodpovídáme za pravost předkládaných materiálů třetími osobami a jejich původ. V případě, že zjistíte porušení autorského práva či jiné nesrovnalosti, kontaktujte administrátory na diskuzním fóru EB.


PHP-Nuke Copyright © 2005 by Francisco Burzi. This is free software, and you may redistribute it under the GPL. PHP-Nuke comes with absolutely no warranty, for details, see the license.
Čas potřebný ke zpracování stránky 0.32 sekund