Vítejte na Elektro Bastlírn?
Nuke - Elektro Bastlirna
  Vytvořit účet Hlavní · Fórum · DDump · Profil · Zprávy · Hledat na fóru · Příspěvky na provoz EB

Vlákno na téma KORONAVIRUS - nutná registrace


Nuke - Elektro Bastlirna: Diskuzní fórum

 FAQFAQ   HledatHledat   Uživatelské skupinyUživatelské skupiny   ProfilProfil   Soukromé zprávySoukromé zprávy   PřihlášeníPřihlášení 

Lze upravit příjmač RFT Prominent De Luxe 214 do pásma CCIR?
Jdi na stránku 1, 2, 3, 4, 5, 6, 7  Další
 
Přidat nové téma   Zaslat odpověď       Obsah fóra Diskuzní fórum Elektro Bastlírny -> Opravy a restaurování starých elektropřístrojů
Zobrazit předchozí téma :: Zobrazit následující téma  
Autor Zpráva
RomanoREPAIRS



Založen: Jan 08, 2011
Příspěvky: 611

PříspěvekZaslal: so leden 04 2014, 18:28    Předmět: Lze upravit příjmač RFT Prominent De Luxe 214 do pásma CCIR? Citovat

Zdravím, pořídil jsem si příjmač RFT Prominent De Luxe 214, českou verzi s českými popisky ale hlavně s OIRT VKV. A já se ptám, jestli byly tyhle RFTčka v základu CCIR a pouze se pro východní trh "kurvily" nějakými kondíky navíc, nebo je to odpočátku jiná VKV jednotka. Příjmač má díky dvěma citlivým reproduktorům velmi kvalitní reprodukci takže bych ho rád plně rozehrál. V zrcadlovém příjmu chytá zhruba tři stanice v závislosti na anténě. Bohužel je to takto velmi citlivé na všelijaké rušení a umístění antény (respektive kusu drátu) Předem díky za rady Wink


$_20.JPG
 Komentář:

Stáhnout
 Soubor:  $_20.JPG
 Velikost:  36.04 kB
 Staženo:  560 krát

Návrat nahoru
Zobrazit informace o autorovi Odeslat soukromou zprávu
BOBOBO
Doporučuje se dohled moderátorů


Založen: Feb 25, 2008
Příspěvky: 20555
Bydliště: Rychnovsko

PříspěvekZaslal: so leden 04 2014, 19:15    Předmět: Citovat

Přeladění VKV jednotky DDR je zde několikrát , i jsem sem dával schema . Těch kondů vyměníš více i odmotáš závity cívek .
Návrat nahoru
Zobrazit informace o autorovi Odeslat soukromou zprávu
Jodr



Založen: Jan 20, 2008
Příspěvky: 1416
Bydliště: na vejminku

PříspěvekZaslal: so leden 04 2014, 19:15    Předmět: Citovat

Mělo by to jít bez problémů přeladit výměnou kondů, základ je jak píšeš CCIR.
Návrat nahoru
Zobrazit informace o autorovi Odeslat soukromou zprávu
ok1hga



Založen: Nov 28, 2006
Příspěvky: 12583
Bydliště: Česká Třebová

PříspěvekZaslal: so leden 04 2014, 19:24    Předmět: Citovat

mělo by to jít předělat na CCIR . . .
dokumentace Prominent 214-215

je tam popsáno, že byly tři verze vstupů pro FM
65-73 MHz
87-100 MHz
87,5 - 108 MHz
Návrat nahoru
Zobrazit informace o autorovi Odeslat soukromou zprávu
RomanoREPAIRS



Založen: Jan 08, 2011
Příspěvky: 611

PříspěvekZaslal: so leden 04 2014, 20:47    Předmět: Citovat

tak jsem se definitivně rozhodl že bude lepší naistalovat konvertor. Dám tam stavebnici od Flajzara. Rozsah 90-100 Mhz je pro mě dostatečný, tady na hradecku v tomto pásmu vysílá většina zajímavých stanic. nad 100 tu většinou jsou další vysílače daných stanic vysílajících už v rozsahu pod 100 Mhz. Napájecí napětí 9,5V jsem si v rádiu už našel, koupím prozatím tuto náhražkovou dipolovou anténu. http://www.mader.cz/dipol-pro-vkv-s-koaxzasuvkou-75-ohm . Konvertor namontuji napevno, výstup z VKV jednotky napojím na vstup konvertoru a výstup zpět na zabudovaný konektor takže to zvenku ani nebude poznat. Mimochodem, kdyby někdo měl na toto rádio červený síťový knoflík tak budu rád!!!!!
Návrat nahoru
Zobrazit informace o autorovi Odeslat soukromou zprávu
ok1hga



Založen: Nov 28, 2006
Příspěvky: 12583
Bydliště: Česká Třebová

PříspěvekZaslal: so leden 04 2014, 21:10    Předmět: Citovat

RomanoREPAIRS napsal(a):
výstup z VKV jednotky napojím na vstup konvertoru a výstup zpět na zabudovaný konektor takže to zvenku ani nebude poznat.

pokud to uděláš jak jsi napsal,
tak to skutečně nebude poznat . . . nebude to totiž fungovat . . .
leda, že jsi to myslel takhle:
"vstup VKV jednotky napojím na výstup konvertoru a vstup přímo na zabudovaný konektor . . ."
Návrat nahoru
Zobrazit informace o autorovi Odeslat soukromou zprávu
RomanoREPAIRS



Založen: Jan 08, 2011
Příspěvky: 611

PříspěvekZaslal: so leden 04 2014, 21:20    Předmět: Citovat

Prostě jsem myslel dráty které jdou na konektor odpájet a připájet na vstup konvertoru. Je to tak jak si to napsal. Poplet sem vstup a výstup Smile
Návrat nahoru
Zobrazit informace o autorovi Odeslat soukromou zprávu
ok1hga



Založen: Nov 28, 2006
Příspěvky: 12583
Bydliště: Česká Třebová

PříspěvekZaslal: so leden 04 2014, 21:44    Předmět: Citovat

a ještě poznámka,
vstup rádia a samozřejmě i ten origo konektor mají 300Ω . . .
ten konvertor bude mít určitě pouze 75Ω.
Bude potřeba to ošetřit symetrizací !
Návrat nahoru
Zobrazit informace o autorovi Odeslat soukromou zprávu
RomanoREPAIRS



Založen: Jan 08, 2011
Příspěvky: 611

PříspěvekZaslal: so leden 04 2014, 23:03    Předmět: Citovat

jak moc ovlivní příjem když ten symetrák (prozatím) nedám?
Návrat nahoru
Zobrazit informace o autorovi Odeslat soukromou zprávu
ok1hga



Založen: Nov 28, 2006
Příspěvky: 12583
Bydliště: Česká Třebová

PříspěvekZaslal: so leden 04 2014, 23:11    Předmět: Citovat

bude to nepřispůsobený
a nedosáhneš maximální možné citlivosti přijímače . . .
Návrat nahoru
Zobrazit informace o autorovi Odeslat soukromou zprávu
RomanoREPAIRS



Založen: Jan 08, 2011
Příspěvky: 611

PříspěvekZaslal: so leden 04 2014, 23:34    Předmět: Citovat

No citlivost už dnes není nejdůležitější parametr. Jak psal Hill, dnes už je pokrytí FM signálem takové že málokde lze označit něco za dálkový příjem, takže citlivost u silnějších stanic problémem nebude. A tady na hradecku je silných stanic až až. (dostatečná zásoba s černé hory Very Happy ) Jen na Altu bez antény toho dost naladím. A na kus drátu témeř vše co tady vysílá. U té dipolové antény co koupím sice píší že má 75R ale vzhledem k tomu že to je obyčejná dipolová anténa d dipolový dvojlinky tak tomu moc nevěřím a bude to asi klasických 300R. Takže snad to bude šlapat dobře. A furt to musí chytat na tovární dipól anténu líp než na kus kabelu Smile
Návrat nahoru
Zobrazit informace o autorovi Odeslat soukromou zprávu
ok1hga



Založen: Nov 28, 2006
Příspěvky: 12583
Bydliště: Česká Třebová

PříspěvekZaslal: so leden 04 2014, 23:40    Předmět: Citovat

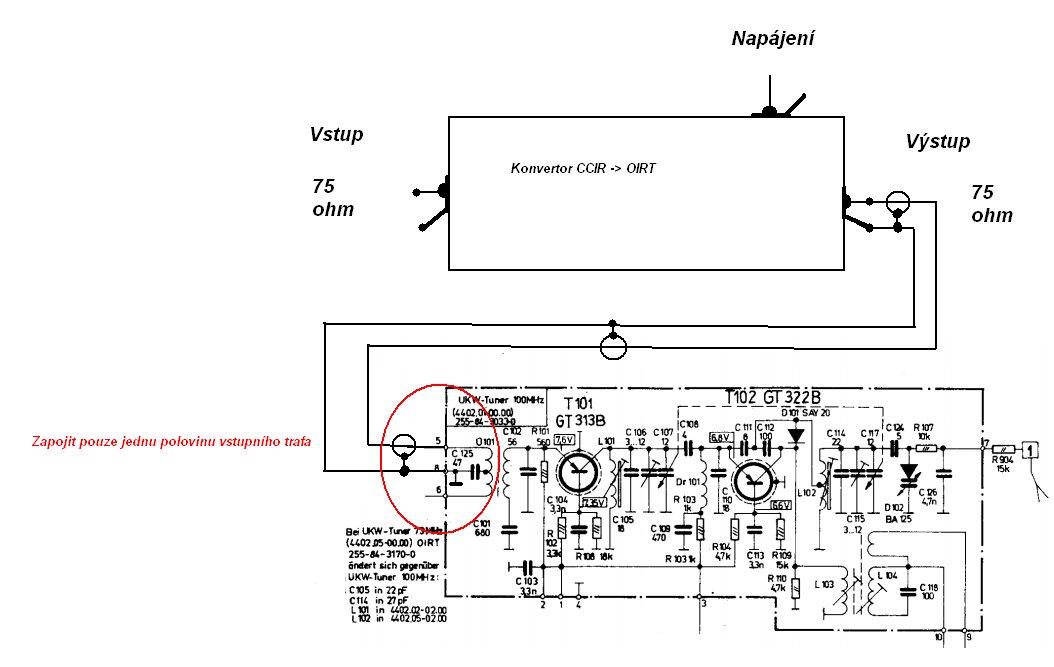
tam jde spíš o to, aby nebyl příjem na původním pásmu zvenku !
a to při špatné symetrizaci může být problémem . . .
podívej se na obrázek a hlavně si porovnej zapojení vstupu na originálním schématu . . .



konvertor - VKV Prominent 214.jpg
 Komentář:

Stáhnout
 Soubor:  konvertor - VKV Prominent 214.jpg
 Velikost:  73.92 kB
 Staženo:  808 krát

Návrat nahoru
Zobrazit informace o autorovi Odeslat soukromou zprávu
ok1hga



Založen: Nov 28, 2006
Příspěvky: 12583
Bydliště: Česká Třebová

PříspěvekZaslal: so leden 04 2014, 23:44    Předmět: Citovat

RomanoREPAIRS napsal(a):
U té dipolové antény co koupím sice píší že má 75R ale vzhledem k tomu že to je obyčejná dipolová anténa d dipolový dvojlinky tak tomu moc nevěřím a bude to asi klasických 300R.

věř tomu, že ta anténa bude mít 75Ω, protože do krabičky dávají symetrák!
Je tedy již součástí koupené antény.
Návrat nahoru
Zobrazit informace o autorovi Odeslat soukromou zprávu
RomanoREPAIRS



Založen: Jan 08, 2011
Příspěvky: 611

PříspěvekZaslal: ne leden 05 2014, 0:10    Předmět: Citovat

Tak jestli je opravdu 75R tak by to bylo paráda a bylo by o problém míň. Ale nevypadá že by měl něakou krabičku. Vypadá že dvojlinka jde přímo do koax konektoru. Tak či onak, fungovat to snad bude Smile
Návrat nahoru
Zobrazit informace o autorovi Odeslat soukromou zprávu
ok1hga



Založen: Nov 28, 2006
Příspěvky: 12583
Bydliště: Česká Třebová

PříspěvekZaslal: ne leden 05 2014, 0:33    Předmět: Citovat

RomanoREPAIRS napsal(a):
Ale nevypadá že by měl něakou krabičku. Vypadá že dvojlinka jde přímo do koax konektoru.

jakou anténu chceš kupovat ?
o jaké anténě tu vlastně píšeš ?
Návrat nahoru
Zobrazit informace o autorovi Odeslat soukromou zprávu
Zobrazit příspěvky z předchozích:   
Přidat nové téma   Zaslat odpověď       Obsah fóra Diskuzní fórum Elektro Bastlírny -> Opravy a restaurování starých elektropřístrojů Časy uváděny v GMT + 1 hodina
Jdi na stránku 1, 2, 3, 4, 5, 6, 7  Další
Strana 1 z 7

 
Přejdi na:  
Nemůžete odesílat nové téma do tohoto fóra.
Nemůžete odpovídat na témata v tomto fóru.
Nemůžete upravovat své příspěvky v tomto fóru.
Nemůžete mazat své příspěvky v tomto fóru.
Nemůžete hlasovat v tomto fóru.
Nemůžete připojovat soubory k příspěvkům
Můžete stahovat a prohlížet přiložené soubory

Powered by phpBB © 2001, 2005 phpBB Group
Forums ©
Nuke - Elektro Bastlirna

Informace na portálu Elektro bastlírny jsou prezentovány za účelem vzdělání čtenářů a rozšíření zájmu o elektroniku. Autoři článků na serveru neberou žádnou zodpovědnost za škody vzniklé těmito zapojeními. Rovněž neberou žádnou odpovědnost za případnou újmu na zdraví vzniklou úrazem elektrickým proudem. Autoři a správci těchto stránek nepřejímají záruku za správnost zveřejněných materiálů. Předkládané informace a zapojení jsou zveřejněny bez ohledu na případné patenty třetích osob. Nároky na odškodnění na základě změn, chyb nebo vynechání jsou zásadně vyloučeny. Všechny registrované nebo jiné obchodní známky zde použité jsou majetkem jejich vlastníků. Uvedením nejsou zpochybněna z toho vyplývající vlastnická práva. Použití konstrukcí v rozporu se zákonem je přísně zakázáno. Vzhledem k tomu, že původ předkládaných materiálů nelze žádným způsobem dohledat, nelze je použít pro komerční účely! Tento nekomerční server nemá z uvedených zapojení či konstrukcí žádný zisk. Nezodpovídáme za pravost předkládaných materiálů třetími osobami a jejich původ. V případě, že zjistíte porušení autorského práva či jiné nesrovnalosti, kontaktujte administrátory na diskuzním fóru EB.


PHP-Nuke Copyright © 2005 by Francisco Burzi. This is free software, and you may redistribute it under the GPL. PHP-Nuke comes with absolutely no warranty, for details, see the license.
Čas potřebný ke zpracování stránky 0.28 sekund