Vítejte na Elektro Bastlírn?
Nuke - Elektro Bastlirna
  Vytvořit účet Hlavní · Fórum · DDump · Profil · Zprávy · Hledat na fóru · Příspěvky na provoz EB

Vlákno na téma KORONAVIRUS - nutná registrace


Nuke - Elektro Bastlirna: Diskuzní fórum

 FAQFAQ   HledatHledat   Uživatelské skupinyUživatelské skupiny   ProfilProfil   Soukromé zprávySoukromé zprávy   PřihlášeníPřihlášení 

Zosilovač pre merač úrovne

 
Přidat nové téma   Zaslat odpověď       Obsah fóra Diskuzní fórum Elektro Bastlírny -> Audiotechnika
Zobrazit předchozí téma :: Zobrazit následující téma  
Autor Zpráva
thomasdj



Založen: Jul 23, 2008
Příspěvky: 207
Bydliště: Trnava

PříspěvekZaslal: út červen 04 2013, 12:49    Předmět: Zosilovač pre merač úrovne Citovat

Ahojte mam zkonštruovaný modul digitálneho echa a poteboval by som k nemu merač výst.úrovne do mixu.Mám doma ručickové meradlo z mgf B700 a k nemu by som použil zapojenie taktiež z mgf B700 prikladám Vám aj schému no potreboval by som poradiť či to bude fungovat podla toho zapojenia.Je to vystrihnuté zo servisného návodu k mgf B700 ,prikladám aj originál.Napajat by som to potreboval napätím 12V.

Vdaka za rady.



indikator pre merac urovne.JPG
 Komentář:

Stáhnout
 Soubor:  indikator pre merac urovne.JPG
 Velikost:  28.42 kB
 Staženo:  131 krát


original B700.JPG
 Komentář:

Stáhnout
 Soubor:  original B700.JPG
 Velikost:  136.44 kB
 Staženo:  140 krát

Návrat nahoru
Zobrazit informace o autorovi Odeslat soukromou zprávu
monterjirka



Založen: Jun 14, 2003
Příspěvky: 2866
Bydliště: Blížejov

PříspěvekZaslal: út červen 04 2013, 13:25    Předmět: Citovat

Fungovat to bude...
Ideální to "zdaleka" nebude...

Má to špatně ošetřené časové charakteristiky.
Pokud přijde krátká špička, měl by přístroj dokázat zareagovat a ručička by měl pak klesat pomalu.
Takže by to chtělo přímo na výstup zesilovače usměrňovač, kondenzátor řádově jednotek až desítek mikroFaradů a pak až měřidlo s proměnným odporem na nastavení max. výchylky
Návrat nahoru
Zobrazit informace o autorovi Odeslat soukromou zprávu Odeslat e-mail
EL34



Založen: Sep 21, 2009
Příspěvky: 651
Bydliště: Chrast u Chrudimi

PříspěvekZaslal: út červen 04 2013, 20:29    Předmět: Citovat

Tak toto zapojení je sice jednoduché, ale jako solidní měřič úrovně naprosto nevyhovující. Pokud chceš už celkem dobře řešené, stáhni si manuál mgf B115 , kde byly použity shodné měřiče ale zapojení bylo parametrově daleko nad tímto primitivním..
Takovýchto zesilovačů už bylo řešeno mraky a skus taky něco pohledat. V amárech, na netu, i v knize A.Hofhans -magnetofony ,údržba a měření je několik zajímavých schémat.

Pokud zůstaneš u tohoto primitivního, musíš tam alespoň dát jak psal kolega přede mnou zmiňovaný elyt na zvětšení doběhové časové konstanty na 2-5s
Ovšem náběhová časová konstanta a setrvačnost (hmota systému) je dána vlastnostmi systému měřidla a u těchto měřidel asi nebyla nejmenší...
Proto se taky dnes používají Indikátory z ledek - mají náběhovou čas. konstantu prakticky nulovou a setrvačnost taktéž, to samé magická oka v lampových zesilovačích.
Hezké zapojení Má i p.Belza v AR1978 v článku o úpravě mgf. B90 na stereo.
Takových zapojení je...
Hledej.
Návrat nahoru
Zobrazit informace o autorovi Odeslat soukromou zprávu
Hill
Administrátor


Založen: Sep 10, 2004
Příspěvky: 21017
Bydliště: Jičín, Český ráj

PříspěvekZaslal: út červen 04 2013, 21:36    Předmět: Citovat

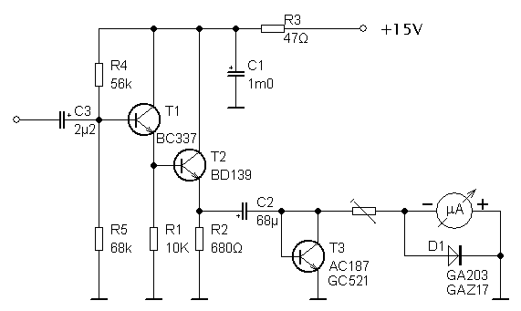
Jestli trváš na ručkovém měřidle, zkus tohle.
V magnetofonu s tím byla potíž takového druhu, že po seřízení na 0 dB při trvalém tónu byla nahrávka hudby o 6-7 dB slabší, než s původním zapojením z Tesly, které špičky nestíhalo.
Tohle je téměř stíhá (pamatuje si i z nejkratší signálové špičky 90% její úrovně).
T3 je germaniový, zapojený jako dioda otevírající při napětí pod 0,2V. Změnou C2 lze volit časovou konstantu návratu ručky.
Je to už hooodně staré zapojení.



indikator_spicek.png
 Komentář:
 Velikost:  7.02 kB
 Zobrazeno:  140 krát

indikator_spicek.png




Naposledy upravil Hill dne ne březen 16 2025, 18:40, celkově upraveno 1 krát.
Návrat nahoru
Zobrazit informace o autorovi Odeslat soukromou zprávu
Gavin_Milarrr



Založen: Jul 09, 2009
Příspěvky: 13

PříspěvekZaslal: st červen 05 2013, 10:14    Předmět: Citovat

Velmi dobrý logaritmátor pro ručkové měřidlo je použitý v AZK052, resp. v mixpultech AZL160/200/240.
Návrat nahoru
Zobrazit informace o autorovi Odeslat soukromou zprávu
Hill
Administrátor


Založen: Sep 10, 2004
Příspěvky: 21017
Bydliště: Jičín, Český ráj

PříspěvekZaslal: st červen 05 2013, 11:17    Předmět: Citovat

Jestli ten měřák má skutečně něco měřit v [dB], pak by měl mít charakteristiku VU (asi 0,5s náběh, 1-2s odběh) a být cejchovaný tak, aby při buzení trvalým tónem o úrovni 40% z maximální možné ukazoval právě 0 dB.

Pokud jde pouze o indikaci kvůli udržení zdánlivě stejné hlasitosti, zase se hodí charakteristika VU, ale na průběhu stupnice příliš nezáleží, protože stačí informace o úrovni v rozsahu řekněme +6 dB až -20 dB.

U indikátoru špiček vlastně ani stupnice netřeba - stačí rozhraní málo/moc, čili opět není třeba logaritmovat.

U digitálního echa půjde spíše o hlídání maximální amplitudy, kterou lze převodníkem zvládnout, proto jsou dvě možnosti:
- měřidlo s velmi rychlým náběhem a pomalým odběhem (měření špiček) nebo
- VU-metr s pomalou reakcí měřidla doplněný o LEDkový indikátor špiček, které by jinak nestíhal ukázat.
Návrat nahoru
Zobrazit informace o autorovi Odeslat soukromou zprávu
Gavin_Milarrr



Založen: Jul 09, 2009
Příspěvky: 13

PříspěvekZaslal: st červen 05 2013, 12:13    Předmět: Citovat

Třeba se vyzyvatel vyjádří, jestli to chce na měření něčeho konkrétního, nebo se mu jen líbí mrskající se ručičky Smile

Vážně: problém se rozpadá do tří větví -- jednak CO měřit, jestli špičky, efektivní nebo střední hodnotu, jednak JAK to měřit, tj. jestli na logaritmický nebo lineární stupnici, a jednak JAK RYCHLE, tj. jestli rychlý náběh -- pomalý odtrh, nebo rychlý náběh -- rychlý odtrh. Potom má smysl debatovat dál.
Návrat nahoru
Zobrazit informace o autorovi Odeslat soukromou zprávu
thomasdj



Založen: Jul 23, 2008
Příspěvky: 207
Bydliště: Trnava

PříspěvekZaslal: st červen 05 2013, 14:40    Předmět: Citovat

Vdaka za schemu,zapojenie budem vyuzivat na meranie intenzity signalu s digitalneho echa do mixu a tam mi az tak aj nevadi ze to bude trochu pomale ide len o orintacne meranie ci na vystupe echa nejaky signal je.
Návrat nahoru
Zobrazit informace o autorovi Odeslat soukromou zprávu
Gavin_Milarrr



Založen: Jul 09, 2009
Příspěvky: 13

PříspěvekZaslal: čt červen 06 2013, 9:56    Předmět: Citovat

No tak to ti stačí sada komparátorů a cca 3 LEDky -- zelená pro nějakejch 100mV, žlutá pro plnou úroveň a červená pro clip, kterou nastavíš podle osciloskopu.
Návrat nahoru
Zobrazit informace o autorovi Odeslat soukromou zprávu
thomasdj



Založen: Jul 23, 2008
Příspěvky: 207
Bydliště: Trnava

PříspěvekZaslal: po červen 10 2013, 19:13    Předmět: Citovat

Priatelia vďaka za rady a typy urobil som to nakoniec podľa toho môjho zapojenia z B700 a dodatočne upravil ako tu bolo odporúčané.Meradlo som nakoniec použil z B113 a je dosť citlivé dokáže zobraziť aj kratšie špičky.Na môj účel úplne vyhovujúce.Ďakujem aj za odporucanu schému uložil som si ju zíde sa ked budem v budúcnosti riešiť niečo podobné.
Návrat nahoru
Zobrazit informace o autorovi Odeslat soukromou zprávu
Sendyx



Založen: Jun 05, 2005
Příspěvky: 12487
Bydliště: Ostrava

PříspěvekZaslal: po červen 10 2013, 19:37    Předmět: Citovat

Pokud to s tím echem myslíš vážně, tak je nutné mít před AD převodníkem kromě AA filtru dost účinný limiter, který ohlídá, aby se na vstup převodníku nedostalo nic, co by nezvládnul.
Návrat nahoru
Zobrazit informace o autorovi Odeslat soukromou zprávu
thomasdj



Založen: Jul 23, 2008
Příspěvky: 207
Bydliště: Trnava

PříspěvekZaslal: po červen 10 2013, 21:05    Předmět: Citovat

Ale to by si vyžiadalo zásah do zapojenia.To echo je stavebnica s obvodom PTxxx.Viem nieje to profi výrobok no na moje účely to úplne stačí.
Návrat nahoru
Zobrazit informace o autorovi Odeslat soukromou zprávu
Zobrazit příspěvky z předchozích:   
Přidat nové téma   Zaslat odpověď       Obsah fóra Diskuzní fórum Elektro Bastlírny -> Audiotechnika Časy uváděny v GMT + 1 hodina
Strana 1 z 1

 
Přejdi na:  
Nemůžete odesílat nové téma do tohoto fóra.
Nemůžete odpovídat na témata v tomto fóru.
Nemůžete upravovat své příspěvky v tomto fóru.
Nemůžete mazat své příspěvky v tomto fóru.
Nemůžete hlasovat v tomto fóru.
Nemůžete připojovat soubory k příspěvkům
Můžete stahovat a prohlížet přiložené soubory

Powered by phpBB © 2001, 2005 phpBB Group
Forums ©
Nuke - Elektro Bastlirna

Informace na portálu Elektro bastlírny jsou prezentovány za účelem vzdělání čtenářů a rozšíření zájmu o elektroniku. Autoři článků na serveru neberou žádnou zodpovědnost za škody vzniklé těmito zapojeními. Rovněž neberou žádnou odpovědnost za případnou újmu na zdraví vzniklou úrazem elektrickým proudem. Autoři a správci těchto stránek nepřejímají záruku za správnost zveřejněných materiálů. Předkládané informace a zapojení jsou zveřejněny bez ohledu na případné patenty třetích osob. Nároky na odškodnění na základě změn, chyb nebo vynechání jsou zásadně vyloučeny. Všechny registrované nebo jiné obchodní známky zde použité jsou majetkem jejich vlastníků. Uvedením nejsou zpochybněna z toho vyplývající vlastnická práva. Použití konstrukcí v rozporu se zákonem je přísně zakázáno. Vzhledem k tomu, že původ předkládaných materiálů nelze žádným způsobem dohledat, nelze je použít pro komerční účely! Tento nekomerční server nemá z uvedených zapojení či konstrukcí žádný zisk. Nezodpovídáme za pravost předkládaných materiálů třetími osobami a jejich původ. V případě, že zjistíte porušení autorského práva či jiné nesrovnalosti, kontaktujte administrátory na diskuzním fóru EB.


PHP-Nuke Copyright © 2005 by Francisco Burzi. This is free software, and you may redistribute it under the GPL. PHP-Nuke comes with absolutely no warranty, for details, see the license.
Čas potřebný ke zpracování stránky 0.15 sekund