Vítejte na Elektro Bastlírn?
Nuke - Elektro Bastlirna
  Vytvořit účet Hlavní · Fórum · DDump · Profil · Zprávy · Hledat na fóru · Příspěvky na provoz EB

Vlákno na téma KORONAVIRUS - nutná registrace


Nuke - Elektro Bastlirna: Diskuzní fórum

 FAQFAQ   HledatHledat   Uživatelské skupinyUživatelské skupiny   ProfilProfil   Soukromé zprávySoukromé zprávy   PřihlášeníPřihlášení 

Tranzistorový NF generátor Tesla 12XG036
Jdi na stránku 1, 2  Další
 
Přidat nové téma   Zaslat odpověď       Obsah fóra Diskuzní fórum Elektro Bastlírny -> Opravy a restaurování starých elektropřístrojů
Zobrazit předchozí téma :: Zobrazit následující téma  
Autor Zpráva
akryx



Založen: May 23, 2013
Příspěvky: 8

PříspěvekZaslal: pá květen 24 2013, 23:53    Předmět: Tranzistorový NF generátor Tesla 12XG036 Citovat

Dobry den,
dostal se mi tento stary kousek 12 XG 036 od Tesly do ruky a rad bych jej uvedl do provozu. Vypada, ze jede, jen od 12kHz do 20kHz sem tam vynecha a f se lisi od stupnice, smerem dolu.

Mohu poprosit, ma-li nejaka dobra duse popis s navodem a dokumentaci o oskenovani a poslani?

Budu vdecen

Diky
Michal
Návrat nahoru
Zobrazit informace o autorovi Odeslat soukromou zprávu
Hill
Administrátor


Založen: Sep 10, 2004
Příspěvky: 20926
Bydliště: Jičín, Český ráj

PříspěvekZaslal: so květen 25 2013, 6:35    Předmět: Citovat

Schéma je přece normálně na netu: http://www.zewel.tuliscz.com/meraky/strasnice/12XG025.ZIP
Návrat nahoru
Zobrazit informace o autorovi Odeslat soukromou zprávu
ok1hga



Založen: Nov 28, 2006
Příspěvky: 12583
Bydliště: Česká Třebová

PříspěvekZaslal: so květen 25 2013, 8:16    Předmět: Citovat

slušné fotky
http://geigy.rajce.idnes.cz/NF_sinus._generator_TESLA_12XG025_30Hz_az_20kHz/

postup nastavení:
1. knoflíky "ladění" a "rozladění" nastavit na nulu
2. knoflíkem "nulování" nastavíš "nulový zázněj", poznáš to podle rychlého spadnutí výchylky měřáku na nulu . . .



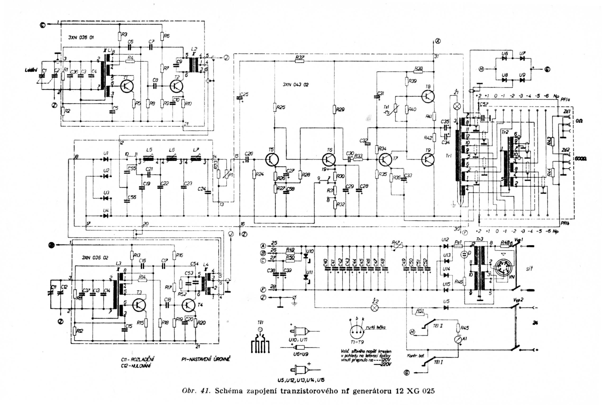
12XG025_schema.jpg
 Komentář:

Stáhnout
 Soubor:  12XG025_schema.jpg
 Velikost:  281.95 kB
 Staženo:  576 krát


P1230615.jpg
 Komentář:

Stáhnout
 Soubor:  P1230615.jpg
 Velikost:  174.38 kB
 Staženo:  331 krát

Návrat nahoru
Zobrazit informace o autorovi Odeslat soukromou zprávu
Otkundes



Založen: Mar 14, 2010
Příspěvky: 1787

PříspěvekZaslal: so květen 25 2013, 17:58    Předmět: Citovat

Je ten spakovaný zedeho soubor funkční? Mě ty obrázky, po rozbalení RAR-em, nejdou spustit.
Dotaz zněl na přístroj 12 XG 036. Odkazujete však na 12 XG 025.

Edit: tak dnes už to po rozbalení funguje, včera se mi soubor nestahoval celý.


Naposledy upravil Otkundes dne ne květen 26 2013, 8:38, celkově upraveno 1 krát.
Návrat nahoru
Zobrazit informace o autorovi Odeslat soukromou zprávu
akryx



Založen: May 23, 2013
Příspěvky: 8

PříspěvekZaslal: so květen 25 2013, 18:22    Předmět: Citovat

Dobry den,
Dekuji za odkazy a navody jak na generator.
Pokud jsem pochopil, rozdil mezi 025 a 036 je v podstate kosmeticky, tedy stupnice a potisk.

Diky

Michal
Návrat nahoru
Zobrazit informace o autorovi Odeslat soukromou zprávu
ok1hga



Založen: Nov 28, 2006
Příspěvky: 12583
Bydliště: Česká Třebová

PříspěvekZaslal: so květen 25 2013, 18:38    Předmět: Citovat

můžou tam být i jiné rozdíly, ale princip fungování je stejný . . .

http://www.radiomuseum.org/r/tesla_tranzistorovy_nf_generat.html?language_id=2
Návrat nahoru
Zobrazit informace o autorovi Odeslat soukromou zprávu
ADUS46



Založen: Apr 22, 2012
Příspěvky: 141
Bydliště: Praha

PříspěvekZaslal: út květen 28 2013, 10:09    Předmět: Citovat

Dobrý den,kdysi jsem 30 let pracoval v Tesle Strašnice, kde se tyto generátory vyráběly.12XG025 a 12XG036 se lišily stupnicí výstupního signálu,v Neperech a decibelech.Jinak jsou totožné.Jestli vzadu vedle síťové zasuvky je razítko OTK42, tak jsem ho vyrobil.V Bratislavě se nikdy nevyráběly.
Návrat nahoru
Zobrazit informace o autorovi Odeslat soukromou zprávu
Habesan



Založen: Jan 12, 2009
Příspěvky: 7323
Bydliště: Plzeňsko

PříspěvekZaslal: út květen 28 2013, 10:51    Předmět: Citovat

To mně připomíná jeden díl Futuramy...
_________________
Sháním hasičák s CO2 "sněhový", raději funkční.
(Nemusí mít platnou revizi.)
(Celkově budu raději, když se to obejde bez papírů.)
Návrat nahoru
Zobrazit informace o autorovi Odeslat soukromou zprávu Zobrazit autorovy WWW stránky
akryx



Založen: May 23, 2013
Příspěvky: 8

PříspěvekZaslal: út květen 28 2013, 15:19    Předmět: Citovat

Dobry den,
tak bohuzel razitko tam neni, ale vim jeste o jednom generatoru, zkusim se k nemu dopracovat a zjistit co a jak.
Jinak prikladam fografie.

Dekuji



12XG036 front.jpg
 Komentář:

Stáhnout
 Soubor:  12XG036 front.jpg
 Velikost:  287.74 kB
 Staženo:  314 krát


12XG036 bck.JPG
 Komentář:

Stáhnout
 Soubor:  12XG036 bck.JPG
 Velikost:  266.96 kB
 Staženo:  250 krát


12XG036 SN.jpg
 Komentář:

Stáhnout
 Soubor:  12XG036 SN.jpg
 Velikost:  236.75 kB
 Staženo:  226 krát

Návrat nahoru
Zobrazit informace o autorovi Odeslat soukromou zprávu
Otkundes



Založen: Mar 14, 2010
Příspěvky: 1787

PříspěvekZaslal: út květen 28 2013, 17:21    Předmět: Citovat

ADUS46:
Také jsem se, po přečtení Vašeho příspěvku, do přístroje podíval. Mám verzi 036.
Zajímavé, žádné razítko OTK jsem nenašel. Pouze razítka TK135; ZK13; 7; a velké TR.ZK.
Je to ale uvnitř hezky udělané.
Nemáte od toho náhodou technickou dokumentaci (návod)?
To co je na internetu, je snad oskenováno z nějaké knížky (ale díky i za to).
Návrat nahoru
Zobrazit informace o autorovi Odeslat soukromou zprávu
akryx



Založen: May 23, 2013
Příspěvky: 8

PříspěvekZaslal: st květen 29 2013, 15:02    Předmět: Citovat

ok1hga napsal(a):

postup nastavení:
1. knoflíky "ladění" a "rozladění" nastavit na nulu
2. knoflíkem "nulování" nastavíš "nulový zázněj", poznáš to podle rychlého spadnutí výchylky měřáku na nulu . . .


Zopakoval jsem nastaveni, pripojil citac a perfektne slape. Mam radost. Jedina vymena zatim byl novy P1. Sehnal jsem original v Cercanech zde v http://www.pesimat.cz/


Dekuji
Návrat nahoru
Zobrazit informace o autorovi Odeslat soukromou zprávu
ADUS46



Založen: Apr 22, 2012
Příspěvky: 141
Bydliště: Praha

PříspěvekZaslal: st květen 29 2013, 18:58    Předmět: Citovat

Dobrý den,dokumentace ke generátoru je v knize Měřící přístroje,autor Václav Kochánek.Tu knížku jsem měl ale nemohu jí najít.Mám velmi pořádnou manželku a ta mi všechny staré krámy vyhazuje.Ještě se podívám na chalupě.Jinak ten generátor také vlastním a používám.
Návrat nahoru
Zobrazit informace o autorovi Odeslat soukromou zprávu
Otkundes



Založen: Mar 14, 2010
Příspěvky: 1787

PříspěvekZaslal: st květen 29 2013, 19:36    Předmět: Citovat

ADUS46:
Aha, takže dokumentace k přístroji, co koluje po internetu, je patrně naskenována z této knížky. Myslel jsem, že stejně jako Tesla Brno, i ve Strašnicích jste dávali k přístrojům obdobné návody, možná i podrobnější, než nabízí sken z té knížky. Dík za informaci.
Návrat nahoru
Zobrazit informace o autorovi Odeslat soukromou zprávu
akryx



Založen: May 23, 2013
Příspěvky: 8

PříspěvekZaslal: st červen 05 2013, 11:55    Předmět: Citovat

A mam tu slibeny 2. kousek generatoru. Jeste jsem ho neotevrel ani nezapl, ale bude potreba poresit nulovaci regulator. No a na zadni strane razitko vedle napajeni - viz obrazek.


12xg036_bck_2nd.jpg
 Komentář:

Stáhnout
 Soubor:  12xg036_bck_2nd.jpg
 Velikost:  182.21 kB
 Staženo:  278 krát

Návrat nahoru
Zobrazit informace o autorovi Odeslat soukromou zprávu
akryx



Založen: May 23, 2013
Příspěvky: 8

PříspěvekZaslal: st červen 05 2013, 15:43    Předmět: Citovat

Nu nevydrzel jsem a jal se zjistovat.
akryx napsal(a):
.. poresit nulovaci regulator ..

Tak ten je v poradku, jen dotazeni uchyceni. Nicmene zase bude treba vymenit P1 pro nastavovani urovne. Tedy malickost. Smile
Návrat nahoru
Zobrazit informace o autorovi Odeslat soukromou zprávu
Zobrazit příspěvky z předchozích:   
Přidat nové téma   Zaslat odpověď       Obsah fóra Diskuzní fórum Elektro Bastlírny -> Opravy a restaurování starých elektropřístrojů Časy uváděny v GMT + 1 hodina
Jdi na stránku 1, 2  Další
Strana 1 z 2

 
Přejdi na:  
Nemůžete odesílat nové téma do tohoto fóra.
Nemůžete odpovídat na témata v tomto fóru.
Nemůžete upravovat své příspěvky v tomto fóru.
Nemůžete mazat své příspěvky v tomto fóru.
Nemůžete hlasovat v tomto fóru.
Nemůžete připojovat soubory k příspěvkům
Můžete stahovat a prohlížet přiložené soubory

Powered by phpBB © 2001, 2005 phpBB Group
Forums ©
Nuke - Elektro Bastlirna

Informace na portálu Elektro bastlírny jsou prezentovány za účelem vzdělání čtenářů a rozšíření zájmu o elektroniku. Autoři článků na serveru neberou žádnou zodpovědnost za škody vzniklé těmito zapojeními. Rovněž neberou žádnou odpovědnost za případnou újmu na zdraví vzniklou úrazem elektrickým proudem. Autoři a správci těchto stránek nepřejímají záruku za správnost zveřejněných materiálů. Předkládané informace a zapojení jsou zveřejněny bez ohledu na případné patenty třetích osob. Nároky na odškodnění na základě změn, chyb nebo vynechání jsou zásadně vyloučeny. Všechny registrované nebo jiné obchodní známky zde použité jsou majetkem jejich vlastníků. Uvedením nejsou zpochybněna z toho vyplývající vlastnická práva. Použití konstrukcí v rozporu se zákonem je přísně zakázáno. Vzhledem k tomu, že původ předkládaných materiálů nelze žádným způsobem dohledat, nelze je použít pro komerční účely! Tento nekomerční server nemá z uvedených zapojení či konstrukcí žádný zisk. Nezodpovídáme za pravost předkládaných materiálů třetími osobami a jejich původ. V případě, že zjistíte porušení autorského práva či jiné nesrovnalosti, kontaktujte administrátory na diskuzním fóru EB.


PHP-Nuke Copyright © 2005 by Francisco Burzi. This is free software, and you may redistribute it under the GPL. PHP-Nuke comes with absolutely no warranty, for details, see the license.
Čas potřebný ke zpracování stránky 0.25 sekund