Vítejte na Elektro Bastlírn?
Nuke - Elektro Bastlirna
  Vytvořit účet Hlavní · Fórum · DDump · Profil · Zprávy · Hledat na fóru · Příspěvky na provoz EB

Vlákno na téma KORONAVIRUS - nutná registrace


Nuke - Elektro Bastlirna: Diskuzní fórum

 FAQFAQ   HledatHledat   Uživatelské skupinyUživatelské skupiny   ProfilProfil   Soukromé zprávySoukromé zprávy   PřihlášeníPřihlášení 

Umývačka Electrolux ESF46010, chyba i60
Jdi na stránku Předchozí  1, 2, 3, 4  Další
 
Přidat nové téma   Zaslat odpověď       Obsah fóra Diskuzní fórum Elektro Bastlírny -> Bílá technika
Zobrazit předchozí téma :: Zobrazit následující téma  
Autor Zpráva
Kozis



Založen: Sep 20, 2012
Příspěvky: 6

PříspěvekZaslal: ne září 23 2012, 11:59    Předmět: Citovat

Ano, verim tomu, ze jde o synteticke drzeni ekonomiky. Ja za tu mycku dal v unoru 2010 11.890 Kc. Nemyslim si, ze za tuto cenu si kupuju uplny smejd. To bych si rovnou vzal Amicu nebo Baumatic za 6.900 Kc.
Jak je bohuzel videt, ani za relativne velky peniz si clovek kvalitu nekoupi. Ja se proste nemuzu smirit s tim, ze vyrobek za 12k je po necelych 3-ech letech na odpis. To proste neni normalni, ale to uz jsme uplne mimo tema.
Návrat nahoru
Zobrazit informace o autorovi Odeslat soukromou zprávu
keemo



Založen: Sep 10, 2007
Příspěvky: 5492
Bydliště: Ostrava, Bratislava

PříspěvekZaslal: ne září 23 2012, 13:37    Předmět: Citovat

To je prave o tom, asi nema v dnesnej dobe kupovat ultradrahe veci ked su aj tak za hovno...
Návrat nahoru
Zobrazit informace o autorovi Odeslat soukromou zprávu
Kozis



Založen: Sep 20, 2012
Příspěvky: 6

PříspěvekZaslal: st září 26 2012, 22:57    Předmět: Citovat

No, tak jsem tady asi s Resultem. Vymenil jsem to "predimenzovane" relatko a zatim 6 cyklu po sobe projelo naprosto v poradku, takze ja osobne to pokladam za vyreseny problem.
Docasne samozrejme ... Relatko stalo 24Kc s DPH a koupil jsem 2 rovnou, protoze ocekavam, ze toto implementovane kurvitko v RJ odejde do 2 let znovu.
Chybovou hlasku i60 ze servisniho popisu si vysvetluji i obracene. Tam je popsana chyba, ze neni zaznamenan inkrement teploty v casoven useku, takze NETOPI s nasledkem POKRACUJEME DO KONCE.
Ja bych tuto chybu (dle mych pozorovani) upresnil na SPECENY "PREDIMENZOVANY" KONTAKT, TOPI STALE s nasledkem KONCIM PROGRAM.
Nevim, jakej ma prikon toto topne teleso, ale rele je dimenzovane na 10A, a vykazovalo znacne poskozeni opalenim. Pri pokusech na vymontovanem rele a zatezi cca 8A .. sem, tam (nahodne) odepne .. spise zustane "prilepene", takze spinaci impuls nekdy jde "do prazdna" ...
Takze tady ja osobne vidim kurvitko. Nevim ci to je kurvitko, ale je JE TO KURVITKO v hodnote cca 24Kc. Servisni technik vymeni celou elektroniku RJ za cca 3k (bez prace a dopravy) ... Zrejme doma vymeni toto relatko a nabidne pri vymene dal a takto se ekonomicky drzi synteticky kapitalismus. BRAVO.
Jsem z jedne strany stasten (snad), ze mycka funguje dale, ale realita reseni tohoto problemu (nejen mycka, ale i auto, pracka, receiver, atd.) mi uz prijde opravdu jako podvod!
Takze nevim, jestli se mam smat, nebo brecet.



IMAG0101_1.jpg
 Komentář:

Stáhnout
 Soubor:  IMAG0101_1.jpg
 Velikost:  277.48 kB
 Staženo:  463 krát


IMAG0102.jpg
 Komentář:

Stáhnout
 Soubor:  IMAG0102.jpg
 Velikost:  248.93 kB
 Staženo:  489 krát

Návrat nahoru
Zobrazit informace o autorovi Odeslat soukromou zprávu
PavelN



Založen: Mar 13, 2008
Příspěvky: 274
Bydliště: Nový Bydžov

PříspěvekZaslal: čt září 27 2012, 12:15    Předmět: Citovat

Kozis napsal(a):
Ano, verim tomu, ze jde o synteticke drzeni ekonomiky. Ja za tu mycku dal v unoru 2010 11.890 Kc. Nemyslim si, ze za tuto cenu si kupuju uplny smejd. To bych si rovnou vzal Amicu nebo Baumatic za 6.900 Kc.
Jak je bohuzel videt, ani za relativne velky peniz si clovek kvalitu nekoupi. Ja se proste nemuzu smirit s tim, ze vyrobek za 12k je po necelych 3-ech letech na odpis. To proste neni normalni, ale to uz jsme uplne mimo tema.


Ale ono není na odpis je to opravitelné, relé je spotřebka.Pro technika který není jenom výměnkář komponentů, dobrá oprava. A neboj se vším je to úplně stejný ať to vetměš od aut až po já nevím co, hlavně že jsi to opravil.
Návrat nahoru
Zobrazit informace o autorovi Odeslat soukromou zprávu
Kozis



Založen: Sep 20, 2012
Příspěvky: 6

PříspěvekZaslal: čt září 27 2012, 14:07    Předmět: Citovat

Na odpis by byla, kdybych se nepustil do samoopravy, dbal doporuceni vyrobce a kontaktoval nejblizsi servisni stredisko. Za 5-6.5k Kc se opravdu nevyplati opravovat.
Ano, nakonec prevladla radost nad usetrenymi penezi pro deti Smile
Tohle byl jednoduchy pripad opravy, ale pokud se najde cokoli jineho, slozitejsiho, tak to si BFU neopravi a necha to na "odbornicich". Ti to opravdu resi tak, ze pouze meni cele dily.
S autem mam ty same zkusenosti a bohuzel panelakovy byt mi nedovoli si auto takhle "opravovat" sam. Me zkusenosti s opravama obycejne Fabie 2001 jsou naprosto stejne jako s touto myckou. To co si zdatny clovek opravi za par kacek, servis spravi za nekolikanasobek.
Navic je mi v dnesni dobe opravdu lito lidi, kteri nemaji ten "skill" ani kontakt na nekoho zkuseneho, kdo by jim ochotne cokoliv opravil za hubicku. Dnes se vztahy typu ja dnes tobe, ty zitra me moc nepestuji a je to sama "oskliva" komerce za hrisne penize (rozumej zlodejina).
Návrat nahoru
Zobrazit informace o autorovi Odeslat soukromou zprávu
Kozis



Založen: Sep 20, 2012
Příspěvky: 6

PříspěvekZaslal: čt září 27 2012, 16:01    Předmět: Citovat

Jeste zaverem dekuji vsem diskutujicim za navedeni spravnym smerem a dodani odvahy Smile
Pro: Matko23 ... Skutecne to bylo rele a jeho chybna funkce vysvetluje i ty problemy s prehrivanim, vyzkouseno. Proste spatne "odpadaji" kontakty pri odepnuti, zrejme specenim velkymi proudy a prechodovymi odpory a mycka toto prehrivani vyhodnocuje stejnou chybou, jako nevyhrivani (i60) jen s tim, ze program ukonci.
Návrat nahoru
Zobrazit informace o autorovi Odeslat soukromou zprávu
Petr14



Založen: Dec 22, 2015
Příspěvky: 2

PříspěvekZaslal: út prosinec 22 2015, 11:33    Předmět: Citovat

Zdravím.já se připojuji a též děkuji za váš návod. Máme myčku Electrolux ESI64030x (4 roky stará) a v poslední době, když jsme ji spustili, se po zhruba 20 minutách zastavila a hlásila chybu i60. Po otevření myčky se z ní vyhrnula pára a myčka byla hrozně horká. V obchodě GES jsem koupil Relé RM50-1CO-12VOLT za 25 Kč ( měl jsem v ní původně Song chuan 899-1CH-C G16) a vyměnil ho. Relé se musí přepájet,ale není to nic složitého. Od té doby bez problému funguje. Ušetřil jsem minimálně 3-4000 Kč za novou řídící jednotku. Ikdyž bychom si asi rovnou koupili novou myčku.Tak ještě jednou díky.
Návrat nahoru
Zobrazit informace o autorovi Odeslat soukromou zprávu
Mr_Mike



Založen: Dec 17, 2016
Příspěvky: 1

PříspěvekZaslal: so prosinec 17 2016, 20:04    Předmět: Citovat

Chlapi, ďakujem velmi pekne za návod. Elektrolux ESL 46010 po siedmych rokoch pištala i60. Vymena rele pomohla. Ako bolo už napísané, rele zotalo visieť Aj tak malo dlhú výdrž, pravdepodobne kvôli katexovej úpravni vody ktorú mám v baráku - minimálny vodný kameň na špirále - krátky čas nahrievania - minimálne prehrievanie kontaktov relé - dlhá životnosť Very Happy
Návrat nahoru
Zobrazit informace o autorovi Odeslat soukromou zprávu
Oilman



Založen: Jan 21, 2020
Příspěvky: 1

PříspěvekZaslal: út leden 21 2020, 17:25    Předmět: Citovat

Díky za návod,
relé koupeno v GES v Brně, výměna bez problémů, myčka běží jako zamlada. Super Very Happy
Návrat nahoru
Zobrazit informace o autorovi Odeslat soukromou zprávu
tappaja



Založen: May 30, 2012
Příspěvky: 153
Bydliště: Škvorec

PříspěvekZaslal: pá leden 31 2020, 0:18    Předmět: Citovat

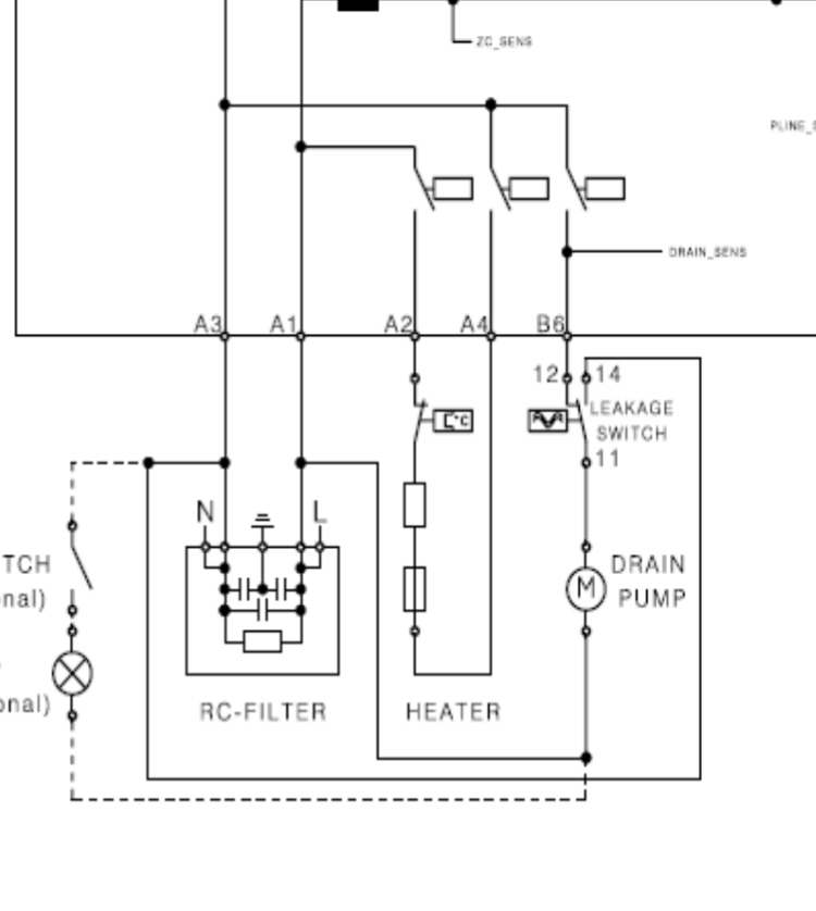
Resim zahadu/zavadu na mycce AEG F78001, vypisuje chyby i60, i61. Netopi/topi moc. Projevuje se to tak, ze mycka zacne umyvat, nahreje si vodu bez problemu, vypusti, napusti si vodu na oplach a tu uz neohreje.

Rele co spina ohrev bylo opaleny, vymena probehla, nicmene chyba se opakuje. Topne teleso je OK (26ohm), rele do nej posila 230V.

Sedel jsem u toho a meril a koukal na relatka, zajimava vec, jak po tom myti vypusti, napusti si vodu a tu by melo zacit ohrivat, sepne rele a zacne nahrivat. Po chvili sepne cerpadlo a ozve se psouknuti jak kdyz zasyci para. To by mozna vysvetlovalo chybu i61 (nadmerna teplota), mycka ale dojede program se studenou vodou, takze nadobi je mokry a ledovy.

Nesetkal se s tim nekdo?
Diky
R.
Návrat nahoru
Zobrazit informace o autorovi Odeslat soukromou zprávu Odeslat e-mail
Rostav



Založen: May 06, 2006
Příspěvky: 469
Bydliště: Otovice u Karlových Varů

PříspěvekZaslal: pá leden 31 2020, 14:21    Předmět: Citovat

Nemáš svod topení na kostru?
Návrat nahoru
Zobrazit informace o autorovi Odeslat soukromou zprávu
tappaja



Založen: May 30, 2012
Příspěvky: 153
Bydliště: Škvorec

PříspěvekZaslal: pá leden 31 2020, 14:29    Předmět: Citovat

Zmerit to muzu, ale nikde nic nehori, nevyhazuje pojistky, v prvni fazi myti vodu normalne ohriva. Ted o vikendu se to chystam vycuknout z pod linky, ze se k tomu telesu dostanu. Proti kostre to proverim.


4C57AEA9-E587-4A92-8E04-9FB36A004442.jpeg
 Komentář:
 Velikost:  93.63 kB
 Zobrazeno:  100 krát

4C57AEA9-E587-4A92-8E04-9FB36A004442.jpeg


Návrat nahoru
Zobrazit informace o autorovi Odeslat soukromou zprávu Odeslat e-mail
tappaja



Založen: May 30, 2012
Příspěvky: 153
Bydliště: Škvorec

PříspěvekZaslal: so únor 01 2020, 18:56    Předmět: Citovat

Mam podezreni na kontakt na topnym telesu, prvni ohrev OK, druhej uz ne. Treti, ctvrty taky ne. Necham vychladnout a ohriva. Tak jen doufam, ze to bude v konektoru a ne nekde uvnitr.
Návrat nahoru
Zobrazit informace o autorovi Odeslat soukromou zprávu Odeslat e-mail
tappaja



Založen: May 30, 2012
Příspěvky: 153
Bydliště: Škvorec

PříspěvekZaslal: ne únor 02 2020, 21:43    Předmět: Citovat

Dnes sem ji vycuknul z linky, rozebral spodek, vyndal topny teleso, to vypada v pohode, spirala 26ohmu, proti kostre OK, kdyz uz sem to mel takhle rozdelany, tak jsem proletoval dratky na konektoru k presostatu (zavada i40 asi dva roky zpet, po vymene za novy stale chyba, promacknuti konektoru a zavada pryc)
Jeste objednam novy relatka, i kdyz jsem ty stavajici vyletoval, kuchnul a kontakty ocistil. To co spinalo spiralu bylo opaleny a pri sepnuti byl odpor kontaktu cca 100ohmu.
Ale stale stejna vec, myti OK, voda se nahreje, ale pak pri oplachu se uz neohreje a tim padem mycka nesusi. Jeste chvili me to bude stvat a pujde do SD Twisted Evil
Návrat nahoru
Zobrazit informace o autorovi Odeslat soukromou zprávu Odeslat e-mail
tappaja



Založen: May 30, 2012
Příspěvky: 153
Bydliště: Škvorec

PříspěvekZaslal: po červenec 27 2020, 14:37    Předmět: Citovat

Situace me donutila se zase povrtat v mycce, ale tusim, ze to bude jeji konecna.
Jestli posledni 4-5 mesicu ohrala vodu aspon na to umyti, tak ted prestala hrat uplne.
Vymontoval jsem desku rizeni a dal novy relatka (ty sem pred tim mezi sebou prehazel, protoze vlastne jen jedno rele spina nejakou poradnou zatez a to jedno melo opaleny kontakty. ) Vymena teda byla spis jen pro klid duse.
Prvni cyklus na 30 min a 60st probehl, mycka ohrivala.
Dalsi cyklus uz rele neseplo a tak to zustalo uz pro kazdej cyklus. Kdyz dam mycku do diagnostiky, vse funguje. I ohrev.
Desku jsem zkontroloval pod lupou, nezda se byt nekde neco divnyho. Takze se asi zblaznil program nebo ja nevim co. Tezko rict, jestli se da nekde sehnat program do toho kontroleru.
Budu vdecny za kazdou radu.
Diky



2DADB7FB-1691-400B-A2BC-9775ADC5196B.jpeg
 Komentář:
 Velikost:  118.25 kB
 Zobrazeno:  70 krát

2DADB7FB-1691-400B-A2BC-9775ADC5196B.jpeg


Návrat nahoru
Zobrazit informace o autorovi Odeslat soukromou zprávu Odeslat e-mail
Zobrazit příspěvky z předchozích:   
Přidat nové téma   Zaslat odpověď       Obsah fóra Diskuzní fórum Elektro Bastlírny -> Bílá technika Časy uváděny v GMT + 1 hodina
Jdi na stránku Předchozí  1, 2, 3, 4  Další
Strana 2 z 4

 
Přejdi na:  
Nemůžete odesílat nové téma do tohoto fóra.
Nemůžete odpovídat na témata v tomto fóru.
Nemůžete upravovat své příspěvky v tomto fóru.
Nemůžete mazat své příspěvky v tomto fóru.
Nemůžete hlasovat v tomto fóru.
Nemůžete připojovat soubory k příspěvkům
Můžete stahovat a prohlížet přiložené soubory

Powered by phpBB © 2001, 2005 phpBB Group
Forums ©
Nuke - Elektro Bastlirna

Informace na portálu Elektro bastlírny jsou prezentovány za účelem vzdělání čtenářů a rozšíření zájmu o elektroniku. Autoři článků na serveru neberou žádnou zodpovědnost za škody vzniklé těmito zapojeními. Rovněž neberou žádnou odpovědnost za případnou újmu na zdraví vzniklou úrazem elektrickým proudem. Autoři a správci těchto stránek nepřejímají záruku za správnost zveřejněných materiálů. Předkládané informace a zapojení jsou zveřejněny bez ohledu na případné patenty třetích osob. Nároky na odškodnění na základě změn, chyb nebo vynechání jsou zásadně vyloučeny. Všechny registrované nebo jiné obchodní známky zde použité jsou majetkem jejich vlastníků. Uvedením nejsou zpochybněna z toho vyplývající vlastnická práva. Použití konstrukcí v rozporu se zákonem je přísně zakázáno. Vzhledem k tomu, že původ předkládaných materiálů nelze žádným způsobem dohledat, nelze je použít pro komerční účely! Tento nekomerční server nemá z uvedených zapojení či konstrukcí žádný zisk. Nezodpovídáme za pravost předkládaných materiálů třetími osobami a jejich původ. V případě, že zjistíte porušení autorského práva či jiné nesrovnalosti, kontaktujte administrátory na diskuzním fóru EB.


PHP-Nuke Copyright © 2005 by Francisco Burzi. This is free software, and you may redistribute it under the GPL. PHP-Nuke comes with absolutely no warranty, for details, see the license.
Čas potřebný ke zpracování stránky 0.16 sekund