Vítejte na Elektro Bastlírn?
Nuke - Elektro Bastlirna
  Vytvořit účet
Hlavní · Fórum · DDump · Profil · Zprávy · Hledat na fóru


Nuke - Elektro Bastlirna: Diskuzní fórum

 FAQFAQ   HledatHledat   Uživatelské skupinyUživatelské skupiny   ProfilProfil   Soukromé zprávySoukromé zprávy   PřihlášeníPřihlášení 

Úprava programu v jazyce C
Jdi na stránku 1, 2, 3  Další
 
Přidat nové téma   Zaslat odpověď       Obsah fóra Diskuzní fórum Elektro Bastlírny -> Programování PIC, ATMEL, EEPROM a dalších obvodů
Zobrazit předchozí téma :: Zobrazit následující téma  
Autor Zpráva
Michaell0071



Založen: Oct 09, 2010
Příspěvky: 132

PříspěvekZaslal: út květen 29 2012, 21:38    Předmět: Úprava programu v jazyce C Citovat

Ahoj lidi, už nějakou tu dobu sháním lineární odměřování pro univerzální frézku, dokonce už tu, na to bylo založeno téma, ale jednalo se o domácí zhotovení což bylo zavrhnuto. Našel jsem po brouzdání na webu stránku pandatron.cz kde je přímo toto odměřování realizováno zde:http://pandatron.cz/?781&elektronicka_posuvka, je tam ke stažení i program pro uP. Jenže to má jednu (spíše dvě) nevýhody. Ta první spočívá v tom, že když je odměřována délka, která zabírá na display 3 ze 4 míst tedy např.: 140mm zbývá pro zobrazení už jen jedna segmentovka, což je jenom desetina mm. Ta druhá nevýhoda je ta, že je zde použit starší lineární kodér AS5304, nyní je mnohem výhodnější a dostupnější novější typ AS5311.
Proto bych se chtěl zeptat a popřípadě požádat, jestli by byl někdo ochotný, měl trochu času a samozřejmě umněl programvat o úpravu tohoto programu. Jednalo by se o to, aby místo nynějšího čtyř místného LED displeje byl použit alespoň 6-ti místný. Tím pádem by bylo možné zobrazovat i tisíciny- což by bylo skvělé. Druhá už měnší úprava programu by spočívala v tom, že by se starší lin. kodér AS5304 zaměnil za dostupnjěší AS5311.
Byla by za to i nějaká finanční odměna.
Děkuji.
Návrat nahoru
Zobrazit informace o autorovi Odeslat soukromou zprávu
piitr



Založen: Oct 19, 2007
Příspěvky: 1003

PříspěvekZaslal: st květen 30 2012, 6:54    Předmět: Citovat

To rošíření displeje nebude asi taková legrace, protože na tom procesoru nezbývají volné nožičky.
Návrat nahoru
Zobrazit informace o autorovi Odeslat soukromou zprávu Zobrazit autorovy WWW stránky
procesor



Založen: Oct 02, 2009
Příspěvky: 5286
Bydliště: PO

PříspěvekZaslal: st květen 30 2012, 7:15    Předmět: Citovat

Tak tam použiť SPI mode interface LCD napr. 2x16 ...zobrazíš aj tisíciny a zostane aj rezerva pinov.
Návrat nahoru
Zobrazit informace o autorovi Odeslat soukromou zprávu
rnbw



Založen: Mar 21, 2006
Příspěvky: 37410
Bydliště: Bratislava

PříspěvekZaslal: st květen 30 2012, 7:19    Předmět: Citovat

Len na to bude hovno vidiet...
Návrat nahoru
Zobrazit informace o autorovi Odeslat soukromou zprávu
Michaell0071



Založen: Oct 09, 2010
Příspěvky: 132

PříspěvekZaslal: st květen 30 2012, 10:14    Předmět: Citovat

Nad tím LCD jsem taky uvažoval, ale přesně jak píše rnbw budeš sledovat co obrábíš a mžourat po LCD (přiznjeme si, že ty znaky jsou celkem malé) není asi moc dobrý nápad.
Všimnul jsem si, že už tam nezbývají volné piny, ale kdyby se použil podobný typ uP jen s větším počtem pinů?
Programovat opravdu neumím, neupravil bych to ani pro to LCD tak se znovu ptám jestli by neměl někdo chvíli a nemrknul na to.
Domluvili by jsme se i na nějaké té finanční kompenzaci. Smile Díky
Díval jsem se už i po orig. odměřováních, ale je to až příliš drahé pro použití na domící frézce.
Návrat nahoru
Zobrazit informace o autorovi Odeslat soukromou zprávu
procesor



Založen: Oct 02, 2009
Příspěvky: 5286
Bydliště: PO

PříspěvekZaslal: st květen 30 2012, 10:17    Předmět: Citovat

Toto by vedelo nasvietiť aj 8ks 1 m vysoké sedem segmentovky Very Happy
Návrat nahoru
Zobrazit informace o autorovi Odeslat soukromou zprávu
Michaell0071



Založen: Oct 09, 2010
Příspěvky: 132

PříspěvekZaslal: st květen 30 2012, 11:20    Předmět: Citovat

pro Procesor: Pokud chápu správně tak skrze tento čip lze pomocí stávajícího uP v obvodu ovládat i 8 ks 7-mi segmentovek a ještě by pár pinů na uP zbylo, je tak? Ale nebyl by kvůli tomuto čipu potřeba mnohem větší zásah do programu? ,než pouze rozšířit o dvě segmentovky a přehrát do jiného (podobného uP)?? Díval jsem se na web a nikde tento čip není k sehnání ani v zahraničních shopech jsem ho nenašel.
Návrat nahoru
Zobrazit informace o autorovi Odeslat soukromou zprávu
procesor



Založen: Oct 02, 2009
Příspěvky: 5286
Bydliště: PO

PříspěvekZaslal: st květen 30 2012, 12:48    Předmět: Citovat

Zásah do programu je potrebné urobiť v každom prípade, skôr mám obavu o mechanické riešenie (aspoň si to neviem predstaviť) pre meranie vo väčšom rozsahu ako 2 resp. 1mmm pri tom novšom IO, leda že je k dostaniu aj ten pás striedavo magnetovaný.
Na zobrazovanie pre jeden rep. dva segmentovky je spústa obvodov (po sériovej linke) a to sa dá radiť n-krát za sebou a vytvoriť požadovaných 5....a veľa segmentov. Vyššie spomenutý obvod je len jedeno riešenie z mnohých.


Naposledy upravil procesor dne st květen 30 2012, 12:57, celkově upraveno 1 krát.
Návrat nahoru
Zobrazit informace o autorovi Odeslat soukromou zprávu
Michaell0071



Založen: Oct 09, 2010
Příspěvky: 132

PříspěvekZaslal: st květen 30 2012, 12:56    Předmět: Citovat

O tu mechanickou stránku zas takový strach nemám to si dokázu vyrobit tak aby to fungovalo. Jenom neumím pracovat s těmi programi tak aby to dokázal sám upravit. Ten mag. pásek má pro novější lin.kodér AS5311 dvojpól (sever,jih) o velikosti 2mm a tento dvojpól pak čip ještě dělí. Ono na tu přesnost těch tisícin milimetru by to šlo realizovat i s tím starším AS5304 ten používá magnetickou pásku s délkou dvojpólu 4mm a už se tyhle starší kodéry s kompatibilními magnetickými páskami špatně shánějí. Proto ta záměna za novější typ.
Návrat nahoru
Zobrazit informace o autorovi Odeslat soukromou zprávu
Banda



Založen: Mar 22, 2005
Příspěvky: 1170
Bydliště: OV

PříspěvekZaslal: st květen 30 2012, 17:40    Předmět: Citovat

Bylo by možné prozradit odkud jsi?
Předpokládám, že se pořád řeší toto:
Frézka
Osobně bych šel cestou vlastního návrhu, než úpravou cizího programu.
Když tak mi napiš SZ.
Návrat nahoru
Zobrazit informace o autorovi Odeslat soukromou zprávu Odeslat e-mail
Michaell0071



Založen: Oct 09, 2010
Příspěvky: 132

PříspěvekZaslal: st květen 30 2012, 18:36    Předmět: Citovat

Bydlím poblíž Hodonína na Jižní Moravě. No pokračování toho předešlého tématu no v podstatě jo, ale řešil jsem tenhle problém na www.c-n-c.cz kde to měl jeden člen fóra rozpracované, ale nakonec to kvůli nedostatku času zrušil. Já osobně programy psát neumím, proto se snažím na internetu najít něco už hotového. Ten odkaz co jsem výše uváděl, tak tam je to v podstatě hotové, jen by to chtělo trochu upravit no. Našel jsem i jednu diplomku kde se řešilo lineární odměřování polohy, zkontaktoval jsem autora, který mi poskytnul i program pro uP, ale říkal, že se tam přibližně po 200mm rozchází dost znatelně přesnost, a pokud neumím programovat, tak to nedoporučuje stavět. Bylo by to k ničemu. Proto se snažím sehnat něco již hotového, nebo někoho kdo by mi ten program upravil.
Návrat nahoru
Zobrazit informace o autorovi Odeslat soukromou zprávu
procesor



Založen: Oct 02, 2009
Příspěvky: 5286
Bydliště: PO

PříspěvekZaslal: st květen 30 2012, 20:05    Předmět: Citovat

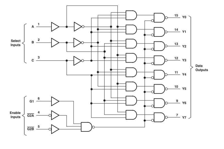
Vložením jedného DE Embarassed _ multiplexera (napr. 74xx138) sa to zapojenie dá rozšíriť na 8 7-segmentoviek a zostane jeden pin voľný. Schému môžem doplniť.
Tak som aj ten jeden pin použil na vypínanie displaya. Ale dá sa to vypínať aj dátami segmentov.

opravené



HC138.JPG
 Komentář:

Stáhnout
 Soubor:  HC138.JPG
 Velikost:  55.93 kB
 Staženo:  185 krát


FUN_TAB_138.JPG
 Komentář:

Stáhnout
 Soubor:  FUN_TAB_138.JPG
 Velikost:  28.21 kB
 Staženo:  159 krát


Posuvka8.JPG
 Komentář:
Poradie podľa tabuľky, najvýznamnejší digit s T1 má adresu 000

Stáhnout
 Soubor:  Posuvka8.JPG
 Velikost:  171.88 kB
 Staženo:  195 krát



Naposledy upravil procesor dne st květen 30 2012, 21:25, celkově upraveno 7 krát.
Návrat nahoru
Zobrazit informace o autorovi Odeslat soukromou zprávu
Andrea



Založen: Sep 07, 2007
Příspěvky: 9340

PříspěvekZaslal: st květen 30 2012, 20:15    Předmět: Citovat

74xx138 je dekodér/demultiplexer.
Návrat nahoru
Zobrazit informace o autorovi Odeslat soukromou zprávu
procesor



Založen: Oct 02, 2009
Příspěvky: 5286
Bydliště: PO

PříspěvekZaslal: st květen 30 2012, 20:54    Předmět: Citovat

Nad poradím A,B,C a Y0,....Y7 som neuvažoval ako to optimálne napojiť na RA0,1,6,7 a T1,....T8
Trochu to treba poprehadzovať, aby sa jednoducho inkrementovala pozícia dislaya.
Edit ...A JE TO tam poprehadzované aj s tabuľkou.

Zatiaľ som nepochopil kde, a ako sa dá pozháňať taká magnetická lišta-páska ?
Návrat nahoru
Zobrazit informace o autorovi Odeslat soukromou zprávu
Michaell0071



Založen: Oct 09, 2010
Příspěvky: 132

PříspěvekZaslal: st květen 30 2012, 21:50    Předmět: Citovat

Zásah do programu tedy není nutný?? Na těch nových displejích se budou zobrazovat setiny a tisíciny popřípadě když je jich tam 8 i statisíciny?? Změna rozsahu (desetinné tečky) se na těch nových rozsvicovat nebudou jelikož by maximální měřený údaj neměl překročit trojmístné číslo tedy 999mm. Ta magnetická páska i s lin.kodérem jdou sehnat u německé firmy, která má zastoupení v ČR a je to Spezial Electronic viz. zde: http://www.spezial.cz/news/as5311-linearni-magneticky-koder-s-vysokym-rozlisenim.html
Návrat nahoru
Zobrazit informace o autorovi Odeslat soukromou zprávu
Zobrazit příspěvky z předchozích:   
Přidat nové téma   Zaslat odpověď       Obsah fóra Diskuzní fórum Elektro Bastlírny -> Programování PIC, ATMEL, EEPROM a dalších obvodů Časy uváděny v GMT + 1 hodina
Jdi na stránku 1, 2, 3  Další
Strana 1 z 3

 
Přejdi na:  
Nemůžete odesílat nové téma do tohoto fóra.
Nemůžete odpovídat na témata v tomto fóru.
Nemůžete upravovat své příspěvky v tomto fóru.
Nemůžete mazat své příspěvky v tomto fóru.
Nemůžete hlasovat v tomto fóru.
Nemůžete připojovat soubory k příspěvkům
Můžete stahovat a prohlížet přiložené soubory

Powered by phpBB © 2001, 2005 phpBB Group
Forums ©
Nuke - Elektro Bastlirna

Informace na portálu Elektro bastlírny jsou prezentovány za účelem vzdělání čtenářů a rozšíření zájmu o elektroniku. Autoři článků na serveru neberou žádnou zodpovědnost za škody vzniklé těmito zapojeními. Rovněž neberou žádnou odpovědnost za případnou újmu na zdraví vzniklou úrazem elektrickým proudem. Autoři a správci těchto stránek nepřejímají záruku za správnost zveřejněných materiálů. Předkládané informace a zapojení jsou zveřejněny bez ohledu na případné patenty třetích osob. Nároky na odškodnění na základě změn, chyb nebo vynechání jsou zásadně vyloučeny. Všechny registrované nebo jiné obchodní známky zde použité jsou majetkem jejich vlastníků. Uvedením nejsou zpochybněna z toho vyplývající vlastnická práva. Použití konstrukcí v rozporu se zákonem je přísně zakázáno. Vzhledem k tomu, že původ předkládaných materiálů nelze žádným způsobem dohledat, nelze je použít pro komerční účely! Tento nekomerční server nemá z uvedených zapojení či konstrukcí žádný zisk. Nezodpovídáme za pravost předkládaných materiálů třetími osobami a jejich původ. V případě, že zjistíte porušení autorského práva či jiné nesrovnalosti, kontaktujte administrátory na diskuzním fóru EB.


PHP-Nuke Copyright © 2005 by Francisco Burzi. This is free software, and you may redistribute it under the GPL. PHP-Nuke comes with absolutely no warranty, for details, see the license.
Čas potřebný ke zpracování stránky 0.16 sekund