Vítejte na Elektro Bastlírn?
Nuke - Elektro Bastlirna
  Vytvořit účet Hlavní · Fórum · DDump · Profil · Zprávy · Hledat na fóru · Příspěvky na provoz EB

Vlákno na téma KORONAVIRUS - nutná registrace


Nuke - Elektro Bastlirna: Diskuzní fórum

 FAQFAQ   HledatHledat   Uživatelské skupinyUživatelské skupiny   ProfilProfil   Soukromé zprávySoukromé zprávy   PřihlášeníPřihlášení 

mam gulas v bitovych operatoroch ...pls HELP
Jdi na stránku 1, 2  Další
 
Přidat nové téma   Zaslat odpověď       Obsah fóra Diskuzní fórum Elektro Bastlírny -> Programování PIC, ATMEL, EEPROM a dalších obvodů
Zobrazit předchozí téma :: Zobrazit následující téma  
Autor Zpráva
arbet



Založen: Oct 23, 2007
Příspěvky: 61

PříspěvekZaslal: pá červen 25 2010, 14:04    Předmět: mam gulas v bitovych operatoroch ...pls HELP Citovat

mozem sa spytat ako to funguje s jednotlivymi bitovymi operatormi ..akosi tomu nechapem..ale chcem pochopit

takze viem ze & je logicky sucin ..aj viem co robi logicky sucin..len akosi neviem porozumiet preco sa znak nasobi prave tym osembitovym cislom (dost viem o tom viem ze aj preto lebo je to 4bitova komunikacia tak je to tam dva krat ...len stale mi ta podstata unika ze preco..neviem si predstavit prakticky priklad)

<< toto viem ze je bitovy posun vlavo a bitovy sucet je | ..ibaze akosi si to vobec neviem predstavit ...a kombinaciu oboch ako je to napr LCD|=1<<LCD_RS; us vobec nechapem

alebo LCD&=~(1<<LCD_E); viem ze to je sucin a negacia ..ale absolutne si neviem predstavit co to v konecnom dosledku sposobi ...asi je to sposobene tym ze ked vymyslali jazyk c ..boli strasne lenivy ..a namiesto a+a dali rovno a+ ...ci ako to je ..viete ako to myslim ..viete mi to niekto kusok podrobnejsie vysvetlit ? ja to us potom budem chapat ...dakujem



void PosliZnakLCD(uint8_t cmd)
{
LCD=(cmd&0b11110000);
LCD|=1<<LCD_RS;
LCD|=1<<LCD_E;
_delay_ms(1);
LCD&=~(1<<LCD_E);
LCD&=~(1<<LCD_RS);
_delay_ms(1);
LCD=((cmd&0b00001111)<<4);
LCD|=1<<LCD_RS;
LCD|=1<<LCD_E;
_delay_ms(1);
LCD&=~(1<<LCD_E);
LCD&=~(1<<LCD_RS);
_delay_ms(1);

}

dakujem dopredu za vysvetlenie ..pripadne za poskytnutie webovych stranok kde je tato tema rozoberana podrobne na pochopenie ..fakt som len uplny zaciatocnik ..a setko sa skusam ucit iba metodou pokus-omyl Smile
Návrat nahoru
Zobrazit informace o autorovi Odeslat soukromou zprávu
piitr



Založen: Oct 19, 2007
Příspěvky: 1003

PříspěvekZaslal: pá červen 25 2010, 14:47    Předmět: Citovat

Bajt má osm bitů. Operace & provede operaci AND pro každý bit. Dělá to tedy jakoby osmkrát. Vezme nejnižší bit levého bajtu a nejnižší bit pravého bajtu, udělá s nimi AND a výsledek bude nejnižší bit výsledku. S ostatními bity udělá totéž.

Pak je dobré si uvědomit, že pro každý bit platí x&0=0 a x&1=x. Tedy anduju-li jedničkou, nic se neděje. Anduju-li něco nulou, smažu to. Takže AND použiju, když chci nějaké bity vynulovat. Takže v tom příkladu cmd&0b11110000 vrátí hodnotu cmd, ale se smazanou spodní půlkou bajtu. Přenese tedy jen tu horní půlku. Tu spodní schválně mažeme, abychom pak ORem mohli přidat jedničku, kam chceme.

S ORem je to podobné. Platí pro každý bit: x|0=x a x|1=1. Tedy OR jedničkou nastaví daný bit a OR nulou neudělá nic. OR použiju, chci-li některé bity nastavit na jedna. 1<<LCD_RS je bajt, kde jsou všechny bity nulové, jen LCD_RS-tý bit je jedničkový. Když tím něco vyoruješ, tak se v tom ten LCD_RS-tý bit nastaví na jedničku.

Takže:
x |= 1 << n; // nastaví n-tý bit
x &= ~(1 << n); // smaže n-tý bit

A tak podobně. Dá se s tím dost kouzlit.
Návrat nahoru
Zobrazit informace o autorovi Odeslat soukromou zprávu Zobrazit autorovy WWW stránky
Atlan



Založen: May 10, 2004
Příspěvky: 4514
Bydliště: Košice

PříspěvekZaslal: pá červen 25 2010, 15:04    Předmět: Citovat

a hlavne je to neprehladne pre zaciatoxnika Very Happy
Návrat nahoru
Zobrazit informace o autorovi Odeslat soukromou zprávu
arbet



Založen: Oct 23, 2007
Příspěvky: 61

PříspěvekZaslal: pá červen 25 2010, 15:07    Předmět: Citovat

piitr napsal(a):
Bajt má osm bitů. Operace & provede operaci AND pro každý bit. Dělá to tedy jakoby osmkrát. Vezme nejnižší bit levého bajtu a nejnižší bit pravého bajtu, udělá s nimi AND a výsledek bude nejnižší bit výsledku. S ostatními bity udělá totéž.

Pak je dobré si uvědomit, že pro každý bit platí x&0=0 a x&1=x. Tedy anduju-li jedničkou, nic se neděje. Anduju-li něco nulou, smažu to. Takže AND použiju, když chci nějaké bity vynulovat. Takže v tom příkladu cmd&0b11110000 vrátí hodnotu cmd, ale se smazanou spodní půlkou bajtu. Přenese tedy jen tu horní půlku. Tu spodní schválně mažeme, abychom pak ORem mohli přidat jedničku, kam chceme.

S ORem je to podobné. Platí pro každý bit: x|0=x a x|1=1. Tedy OR jedničkou nastaví daný bit a OR nulou neudělá nic. OR použiju, chci-li některé bity nastavit na jedna. 1<<LCD_RS je bajt, kde jsou všechny bity nulové, jen LCD_RS-tý bit je jedničkový. Když tím něco vyoruješ, tak se v tom ten LCD_RS-tý bit nastaví na jedničku.

Takže:
x |= 1 << n; // nastaví n-tý bit
x &= ~(1 << n); // smaže n-tý bit

A tak podobně. Dá se s tím dost kouzlit.



tak toto nema chybu ...uplne si mi v tom spravil jasno ..us tomu chapem ..idem sa pokusit nieco naprogramovat Razz dakujem velmi pekne
Návrat nahoru
Zobrazit informace o autorovi Odeslat soukromou zprávu
ZdenekHQ
Administrátor


Založen: Jul 21, 2006
Příspěvky: 25741
Bydliště: skoro Brno

PříspěvekZaslal: pá červen 25 2010, 16:00    Předmět: Citovat

Atlan napsal(a):
a hlavne je to neprehladne pre zaciatoxnika Very Happy


Je to příšerný. Když podobný programátor potom doma stejnou logikou požádá manželku o večeři, tak jeho pes odejde zasadit kropící konev na Saharu.. Very Happy

_________________
Pro moje oslovení klidně použijte jméno Zdeněk
Správně navržené zapojení je jako recept na dobré jídlo.
Můžete vynechat půlku ingrediencí, nebo přidat jiné,
ale jste si jistí, že vám to bude chutnat[?
]
Návrat nahoru
Zobrazit informace o autorovi Odeslat soukromou zprávu Zobrazit autorovy WWW stránky
arbet



Založen: Oct 23, 2007
Příspěvky: 61

PříspěvekZaslal: pá červen 25 2010, 16:51    Předmět: Citovat

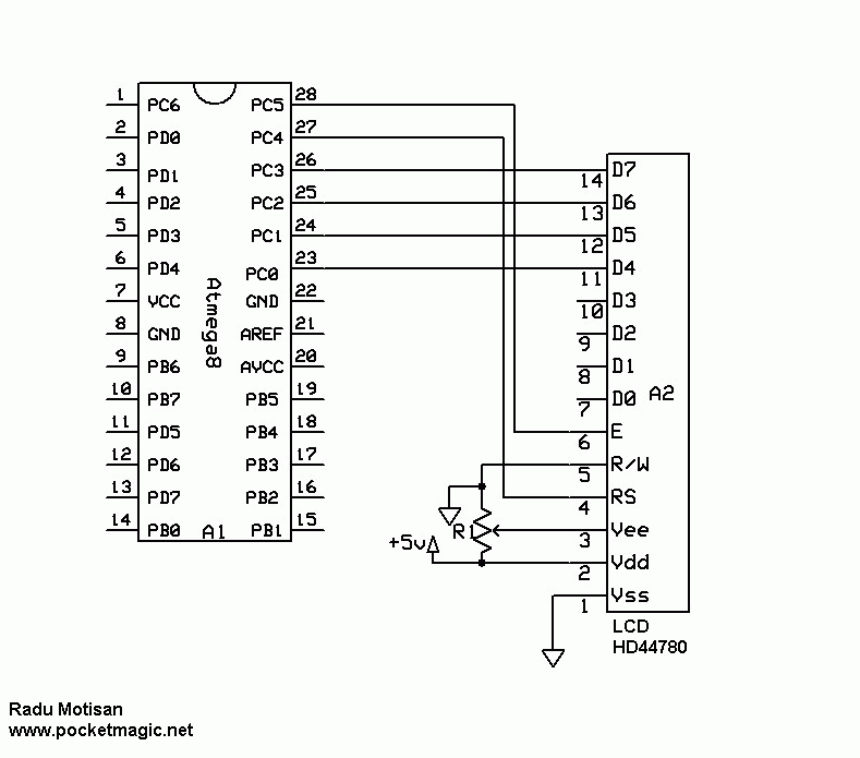
podla mna je to praveze pekne a prehladne ...co sa kde nastavuje je to aspon vidiet ... no ale teraz o niecom inom ..viacej krat som to rozoberal tun..ale este raz ..nech mam v tom jasno ... mam displej PC106 2x16 riadkov zapojeny podla tejto schemy na obrazku (akurat namiesto atmega 8 je 32) ...no a takisto vam prikladam zdrojak ... malo by mi to pekne vypisat AHOJ ...ale ono nevypise nic ..iba svietia dva rady stvorcekov ...mohli by ste mi povedat v com je problem ?

dakujem za odpovede


#include <avr/io.h>
#include <util/delay.h>
#define F_CPU 8000000UL



#define LCD_E 5
#define LCD_RS 4
#define LCD_D7 3 // bit, na ktory je dany signal na porte pripojeny
#define LCD_D6 2
#define LCD_D5 1
#define LCD_D4 0
#define LCD PORTC // definovany port kde je LCD pripojeny
#define LCDR DDRC // definovany smerovy register pre LCD




void PosliPrikazLCD(uint8_t cmd) //v proměnné cmd máme poslaný typ příkazu

{

LCD=((cmd&0b11110000))>>4; // pro nastaveni pouzijeme jen 4-bity

LCD|=1<<LCD_E; // cvaknem E signalem

_delay_ms(1);

LCD&=~(1<<LCD_E);

_delay_ms(1); // pokazde pockame, displej ma pomaly procesor

LCD=(cmd&0b00001111); // nastavime zbyle 4-bity

LCD|=1<<LCD_E;

_delay_ms(1);

LCD&=~(1<<LCD_E);

_delay_ms(1); // a zase jsme zacvakali E signalem

}




void PosliZnakLCD(uint8_t cmd) //v proměnné cmd máme poslany znak na LCD

{

LCD=((cmd&0b11110000)>>4); // pro nastaveni pouzijeme jen 4-bity

LCD|=1<<LCD_RS;

LCD|=1<<LCD_E; // cvaknem E signalem

_delay_ms(1);

LCD&=~(1<<LCD_E);

LCD&=~(1<<LCD_RS);

_delay_ms(1); // pokazde pockame, displej ma pomaly procesor

LCD=(cmd&0b00001111); // nastavime zbyle 4-bity

LCD|=1<<LCD_RS;

LCD|=1<<LCD_E;

_delay_ms(1);

LCD&=~(1<<LCD_E);

LCD&=~(1<<LCD_RS);

_delay_ms(1); // a zase jsme zacvakali E signalem

}




void InicializujLCD(void) // teto procedure nic neposilame, proto je tam (void)

{

_delay_ms(15); // po zapnuti napajeni se displej sam nastavuje a to mu trva dost dlouho, dame mu cas!

LCD=0x00; // vsude bude L! Pak nastavime datove a ridici vodice

// nastavime 8-bitovy komunikacni mod !! (protoze nevime zda uz displej byl prepnut nebo ne)



LCDR|=1<<LCD_D7|1<<LCD_D6|1<<LCD_D5|1<<LCD_D4;

LCDR|=1<<LCD_E|1<<LCD_RS; // vsechny smery jsou VEN!

LCD=0<<LCD_D7|0<<LCD_D6|1<<LCD_D5|1<<LCD_D4; // ted posleme specialni prikaz pro LCD

LCD|=1<<LCD_E|0<<LCD_RS; // pro zvedavce je to Function Set prikaz

_delay_ms(1);

LCD&=~(1<<LCD_E); // pockame a cvakneme E signalem, to uz zname z posilani prikazu a znaku

_delay_ms(1);

LCD=0<<LCD_D7|0<<LCD_D6|1<<LCD_D5|1<<LCD_D4; //kvuli 4 bitove komunikaci musime poslat i dalsi 4 bity

LCD|=1<<LCD_E|0<<LCD_RS;

_delay_ms(1);

LCD&=~(1<<LCD_E);

_delay_ms(1);

// ted by mel byt display v 8-bitovem modu a definitivne ho prepneme do 4-bitoveho modu!

LCD=0<<LCD_D7|0<<LCD_D6|1<<LCD_D5|0<<LCD_D4;

LCD|=1<<LCD_E|0<<LCD_RS;

_delay_ms(1);

LCD&=~(1<<LCD_E);

_delay_ms(1);

// 2 radkovy displej

PosliPrikazLCD(0b00101000);

// zvedej sam adresu, posunuj kurzor

PosliPrikazLCD(0b00001110);

}




void VymazLCD(void) //nic se neposila

{

PosliPrikazLCD(0b00000001);

}



void KurzorPocatek(void) //nic se neposila

{

PosliPrikazLCD(0b00000010);

}




void main()

{

// nastavíme LCD

InicializujLCD();

VymazLCD();

PosliZnakLCD('A');

PosliZnakLCD('h');

PosliZnakLCD('o');

PosliZnakLCD('j');

while(1)

{

// nekonecna smycka

}

}

//konec programu



LCDLayout-full.gif
 Komentář:

Stáhnout
 Soubor:  LCDLayout-full.gif
 Velikost:  23.09 kB
 Staženo:  113 krát

Návrat nahoru
Zobrazit informace o autorovi Odeslat soukromou zprávu
Standa33



Založen: Nov 07, 2009
Příspěvky: 299

PříspěvekZaslal: so červen 26 2010, 6:53    Předmět: Citovat

Chyba bude v inicializaci LCD, máš dobře nastaveno po zapnutí napájení delay 15ms, ale po odeslání prvního příkazu (D7..D4 - 0011;8bitová komunikace) by mělo následovat delay 4,1ms. Pro další příkazy již stačí cca 40us. Jen pro příkaz Vymaž displej a Návrat na začátek by mělo být delay 1,64ms.

Takže pro příkazu VymazLCD by měl být delay 1,64ms. Pročti si datasheet pro ten LCD displej, najdeš tam jaké česování je nutné pro jednotlivé příkazy.
Návrat nahoru
Zobrazit informace o autorovi Odeslat soukromou zprávu
arbet



Založen: Oct 23, 2007
Příspěvky: 61

PříspěvekZaslal: so červen 26 2010, 7:42    Předmět: Citovat

Standa33 napsal(a):
Chyba bude v inicializaci LCD, máš dobře nastaveno po zapnutí napájení delay 15ms, ale po odeslání prvního příkazu (D7..D4 - 0011;8bitová komunikace) by mělo následovat delay 4,1ms. Pro další příkazy již stačí cca 40us. Jen pro příkaz Vymaž displej a Návrat na začátek by mělo být delay 1,64ms.

Takže pro příkazu VymazLCD by měl být delay 1,64ms. Pročti si datasheet pro ten LCD displej, najdeš tam jaké česování je nutné pro jednotlivé příkazy.


Dakujem velmi pekne...us mi to funguje na ten delay 4,1 sekundy som zabudol ...ja sa iba ucim ..toto su prve pokusy ...som velmi stastny ze sa mi to tam konecne rozsvietilo ...

AHOJ
Návrat nahoru
Zobrazit informace o autorovi Odeslat soukromou zprávu
procesor



Založen: Oct 02, 2009
Příspěvky: 5286
Bydliště: PO

PříspěvekZaslal: so červen 26 2010, 9:50    Předmět: Citovat

citace:
...ja sa iba ucim .

To sme tu takmer všetci až do smrti, iba poniektorí učia Wink
Návrat nahoru
Zobrazit informace o autorovi Odeslat soukromou zprávu
arbet



Založen: Oct 23, 2007
Příspěvky: 61

PříspěvekZaslal: so červen 26 2010, 20:10    Předmět: Citovat

ahoj, takze displej mi uz ide davno ..setkemu chapem ..vypisovat viem znaky v pohode ..ale trapim sa s pochopenim funkcie na vypisanie rovno textu (string) a nielen vypisovanie po pismenku ... zevraj to ma fungovat takto Razz

void VytiskniLCD(uint8_t* retezec, uint8_t nZnaku) //posílá se odkaz na řetězec a počet znaků

{

register uint8_t i;

// pro sichr si zkontrolujeme pointer

if (!retezec) return;



// print

for(i=0; i<nZnaku; i++)

{

PosliZnakLCD(retezec[i]);

}

}




void PosliZnakLCD(uint8_t cmd) //v proměnné cmd máme poslany znak na LCD

{

LCD=((cmd&0b11110000)>>4); // pro nastaveni pouzijeme jen 4-bity

LCD|=1<<LCD_RS;

LCD|=1<<LCD_E; // cvaknem E signalem

_delay_ms(1);

LCD&=~(1<<LCD_E);

LCD&=~(1<<LCD_RS);

_delay_ms(1); // pokazde pockame, displej ma pomaly procesor

LCD=(cmd&0b00001111); // nastavime zbyle 4-bity

LCD|=1<<LCD_RS;

LCD|=1<<LCD_E;

_delay_ms(1);

LCD&=~(1<<LCD_E);

LCD&=~(1<<LCD_RS);

_delay_ms(1); // a zase jsme zacvakali E signalem






funkciu som zavolal takymto sposobom

VytiskniLCD('MISKO',6);


Kompilator mi nevypisal ani jednu chybu .. ibaze na displeji nieje MISKO ..ale 4 cierne stvorceky ..preco ? Sad
Návrat nahoru
Zobrazit informace o autorovi Odeslat soukromou zprávu
Andrea



Založen: Sep 07, 2007
Příspěvky: 9340

PříspěvekZaslal: so červen 26 2010, 20:26    Předmět: Citovat

Zkus tam dát místo apostrofů uvozovky "MISKO".
Návrat nahoru
Zobrazit informace o autorovi Odeslat soukromou zprávu
arbet



Založen: Oct 23, 2007
Příspěvky: 61

PříspěvekZaslal: so červen 26 2010, 20:37    Předmět: Citovat

jj ide ...dakujeeeem ...a aky je v tom rozdiel ? medzi uvodzovkami a apostrofom ? + ak mozes ...

void VytiskniLCD(uint8_t* retezec, uint8_t nZnaku) preco je tam * ?
register uint8_t i; co to robi ?
if (!retezec) return; ...to je akoze negacia ci co ?

cyklu chapem ...

a nevies ako previest cislo (uint8_t) na string ?... potrebujem proste premennu vypisovat na displej a je to (integer) ..najlepsie podla mna previest na string do dakej premenej a tu rovno vypisat..lenze nevies teda ako ? Razz
Návrat nahoru
Zobrazit informace o autorovi Odeslat soukromou zprávu
Andrea



Založen: Sep 07, 2007
Příspěvky: 9340

PříspěvekZaslal: so červen 26 2010, 20:47    Předmět: Citovat

'X' je znaková konstanta, velikost je int
"XYZ" je řetězec
* značí pointer
register říká překladači, aby tu proměnnou umístil pokud možno do registru
! je negace
Na převod do stringu je funkce sprintf()

To nemáš nějakou učebnici C? Rolling Eyes
Návrat nahoru
Zobrazit informace o autorovi Odeslat soukromou zprávu
arbet



Založen: Oct 23, 2007
Příspěvky: 61

PříspěvekZaslal: so červen 26 2010, 20:54    Předmět: Citovat

nie nie nemam ...setko studujem z internetu ..ucim sa na zdrojakoch ..atd ... ale ak mas niaku fakt dobru knihu ..v pdf ..uvitam Razz
Návrat nahoru
Zobrazit informace o autorovi Odeslat soukromou zprávu
Andrea



Založen: Sep 07, 2007
Příspěvky: 9340

PříspěvekZaslal: so červen 26 2010, 20:56    Předmět: Citovat

V PDF ne, na papíře. Pavel Herout, Učebnice jazyka C.
Návrat nahoru
Zobrazit informace o autorovi Odeslat soukromou zprávu
Zobrazit příspěvky z předchozích:   
Přidat nové téma   Zaslat odpověď       Obsah fóra Diskuzní fórum Elektro Bastlírny -> Programování PIC, ATMEL, EEPROM a dalších obvodů Časy uváděny v GMT + 1 hodina
Jdi na stránku 1, 2  Další
Strana 1 z 2

 
Přejdi na:  
Nemůžete odesílat nové téma do tohoto fóra.
Nemůžete odpovídat na témata v tomto fóru.
Nemůžete upravovat své příspěvky v tomto fóru.
Nemůžete mazat své příspěvky v tomto fóru.
Nemůžete hlasovat v tomto fóru.
Nemůžete připojovat soubory k příspěvkům
Můžete stahovat a prohlížet přiložené soubory

Powered by phpBB © 2001, 2005 phpBB Group
Forums ©
Nuke - Elektro Bastlirna

Informace na portálu Elektro bastlírny jsou prezentovány za účelem vzdělání čtenářů a rozšíření zájmu o elektroniku. Autoři článků na serveru neberou žádnou zodpovědnost za škody vzniklé těmito zapojeními. Rovněž neberou žádnou odpovědnost za případnou újmu na zdraví vzniklou úrazem elektrickým proudem. Autoři a správci těchto stránek nepřejímají záruku za správnost zveřejněných materiálů. Předkládané informace a zapojení jsou zveřejněny bez ohledu na případné patenty třetích osob. Nároky na odškodnění na základě změn, chyb nebo vynechání jsou zásadně vyloučeny. Všechny registrované nebo jiné obchodní známky zde použité jsou majetkem jejich vlastníků. Uvedením nejsou zpochybněna z toho vyplývající vlastnická práva. Použití konstrukcí v rozporu se zákonem je přísně zakázáno. Vzhledem k tomu, že původ předkládaných materiálů nelze žádným způsobem dohledat, nelze je použít pro komerční účely! Tento nekomerční server nemá z uvedených zapojení či konstrukcí žádný zisk. Nezodpovídáme za pravost předkládaných materiálů třetími osobami a jejich původ. V případě, že zjistíte porušení autorského práva či jiné nesrovnalosti, kontaktujte administrátory na diskuzním fóru EB.


PHP-Nuke Copyright © 2005 by Francisco Burzi. This is free software, and you may redistribute it under the GPL. PHP-Nuke comes with absolutely no warranty, for details, see the license.
Čas potřebný ke zpracování stránky 0.17 sekund