Vítejte na Elektro Bastlírn?
Nuke - Elektro Bastlirna
  Vytvořit účet Hlavní · Fórum · DDump · Profil · Zprávy · Hledat na fóru · Příspěvky na provoz EB

Vlákno na téma KORONAVIRUS - nutná registrace


Nuke - Elektro Bastlirna: Diskuzní fórum

 FAQFAQ   HledatHledat   Uživatelské skupinyUživatelské skupiny   ProfilProfil   Soukromé zprávySoukromé zprávy   PřihlášeníPřihlášení 

Problém s můstovém zapojení TDA7293
Jdi na stránku 1, 2, 3  Další
 
Přidat nové téma   Zaslat odpověď       Obsah fóra Diskuzní fórum Elektro Bastlírny -> Audiotechnika
Zobrazit předchozí téma :: Zobrazit následující téma  
Autor Zpráva
Maty727



Založen: Nov 12, 2009
Příspěvky: 19

PříspěvekZaslal: čt únor 04 2010, 10:51    Předmět: Problém s můstovém zapojení TDA7293 Citovat

Problém s můstovém zapojení TDA7293
Takže původní myšlenka byla: oprava shořelého basového zesilovače v reproduktorech GENIUS 5.1 Home Theater 6000. Viz. obrázek 1

Technické parametry byli od výrobce woofer 100W RMS impedance reproduktoru 8 ohmů. Ale po nahlédnutí do bedny byla zkutečnost jiná, reproduktor byl 6 ohmový a měl 50W RMS a 100W spičkově. Na zesilovači pak podle zdroje vychazí výkon kolem 70W. Já už jsem tu o tomhle jednou psal, pravě když se mi to spalilo a ptal jsem se na opravu a všichni z vás mi řekli ať to zahodím a koupím si něco lepšího. Já jsem ale nakonec rozhodl o jíné řešení. Vyhodil jsem spálený zesilovač, zničený zdroj a nechal jsem tam jen trafo. Z trafa se da brat výkon kolem 150W, proto jsem zvolil následující náhradu: DMOS zesilovač 2x100W s TDA7293 http://www.stavebnice.richardvacula.com/select.php?link=PT006 a rozdl jsem se o jejich můstové zapojení. A reproduktor jsem vyměnil za http://eshop.prodance.cz/DetailPage.asp?DPG=78941 myslím si, že jsem vybral asi nejlepší 8 palcovej reprák co se dá do 3000kč koupit Very Happy Zdroj byl použitej ten samej co uváděli ve schématu pro 2x zesilovač viz. Výšše. Zesilovače jsem sestavil a přidělal na chladič, to musím říct, že horší práce než přidělat to na chladíč neníVery Happy byla to zhorzná pakárna ještě když je tam tak málo místa viz. Na fotce 2.

Každý zesilovač jsem vyzkoušel nejdříve vzlášť a vše fungovalo jak mělo.
Na další fotce 3 je vzlnění na reprodutoru při zapnuté hudbě.

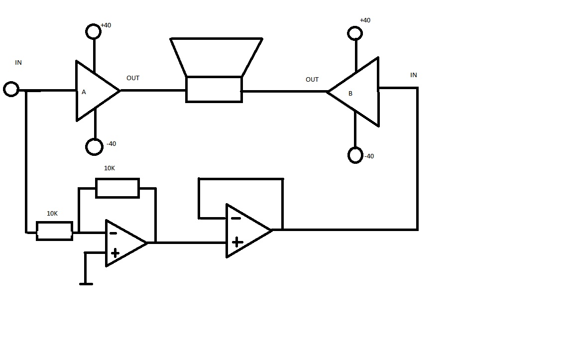
Oba zesilovače byli tedy fuknční a pustil jsem se do stavby můstku pro zapojení obou zesilovačů. Schéma vypadalo takto: obrázek 4

Napájení pro integráč dvojitého operáku bylo vzato ze zdroje pro výškové reproduktory, kde bylo symetrických 40V. Integráč ale potřebuje + - 12V až 18V, tak jsem hodil na každou větev 15Voltový stabilizátor a tím jsem srazil přebytečných pět voltů.

A problém vzniknul zde:

Po přivedení napětí vybouchnul stabilizátor na kladné napájecí větvi a A zesilovač ( který je A a B je videt na zvětšené fotce 4 ) viz. Foto 5
Zesilovač B prežil. Učitel pak po mé destrukci překontroloval správnost zapojení a všechno bylo správně, tak kde se sakra stala chyba??????? To mi hlava nebere, prosím tedy o radu.



1.JPG
 Komentář:
Fotka 1. Bedna GENIUS

Stáhnout
 Soubor:  1.JPG
 Velikost:  211.94 kB
 Staženo:  215 krát


2.jpg
 Komentář:
Fotka 2. Zesilovač na chladiči

Stáhnout
 Soubor:  2.jpg
 Velikost:  256.09 kB
 Staženo:  221 krát


5.jpg
 Komentář:
Fotka 3. vzlnení na reproduktoru

Stáhnout
 Soubor:  5.jpg
 Velikost:  89.79 kB
 Staženo:  188 krát


7.jpg
 Komentář:
Fotka 4. Schéma můstku

Stáhnout
 Soubor:  7.jpg
 Velikost:  55.06 kB
 Staženo:  202 krát


DSC02061.JPG
 Komentář:
Fotka 5. destrukce A zesilovače

Stáhnout
 Soubor:  DSC02061.JPG
 Velikost:  180.47 kB
 Staženo:  231 krát

Návrat nahoru
Zobrazit informace o autorovi Odeslat soukromou zprávu
BOBOBO
Doporučuje se dohled moderátorů


Založen: Feb 25, 2008
Příspěvky: 20552
Bydliště: Rychnovsko

PříspěvekZaslal: čt únor 04 2010, 11:16    Předmět: Citovat

A co jsi dal za typy ty stabiky ? Maximum mají většinou 35 V .
Návrat nahoru
Zobrazit informace o autorovi Odeslat soukromou zprávu
Andrea



Založen: Sep 07, 2007
Příspěvky: 9340

PříspěvekZaslal: čt únor 04 2010, 11:25    Předmět: Citovat

Proč jsou ty operáky dva za sebou?
Návrat nahoru
Zobrazit informace o autorovi Odeslat soukromou zprávu
EKKAR



Založen: Mar 16, 2005
Příspěvky: 34824
Bydliště: Česká Třebová, JN89FW21

PříspěvekZaslal: čt únor 04 2010, 11:43    Předmět: Citovat

Výjimečně souhlas s naší paní Vzteklou - PROČ JE TEN DRUHÝ OPERÁK VŮBEC PŘIPOJEN, KDYŽ TAM NEDĚLÁ VŮBEC NIC? Ten výkonový stupeň vpravo na schématu přece nemá tak malou vstupní impedanci, aby významně zatížil výstup fázového invertoru a tím zkreslil průběhy - nebo ano?
_________________
Nasliněný prst na svorkovnici domovního rozvaděče: Jó, paninko, máte tam ty Voltíky všecky...
A kutilmile - nelituju tě Mr. Green Mr. Green !!!
Návrat nahoru
Zobrazit informace o autorovi Odeslat soukromou zprávu Odeslat e-mail
Andrea



Založen: Sep 07, 2007
Příspěvky: 9340

PříspěvekZaslal: čt únor 04 2010, 12:04    Předmět: Citovat

EKKAR napsal(a):
Výjimečně souhlas s naší paní Vzteklou

Ty jseš vzteklej, ty tady KŘIČÍŠ.
Návrat nahoru
Zobrazit informace o autorovi Odeslat soukromou zprávu
mtajovsky



Založen: Sep 19, 2007
Příspěvky: 3720
Bydliště: Praha

PříspěvekZaslal: čt únor 04 2010, 12:11    Předmět: Citovat

Můstek z TDA7293/4 se podle výrobce doporučuje bez dalších zesilovačů. Samotný TDA7293 invertuje a z jeho výstupu se může krmit druhý v můstku. Mám to vyzkoušené a tak to funguje. Viz datový shit. Smile

Není vyloučeno, že se vám to celé rozkmitalo.
Návrat nahoru
Zobrazit informace o autorovi Odeslat soukromou zprávu Odeslat e-mail
EKKAR



Založen: Mar 16, 2005
Příspěvky: 34824
Bydliště: Česká Třebová, JN89FW21

PříspěvekZaslal: čt únor 04 2010, 12:29    Předmět: Citovat

Mtajovský - PŘESNĚ, vypadá to na hezké netlumené kmity...


Andrea - Pako Break dance Pako

_________________
Nasliněný prst na svorkovnici domovního rozvaděče: Jó, paninko, máte tam ty Voltíky všecky...
A kutilmile - nelituju tě Mr. Green Mr. Green !!!
Návrat nahoru
Zobrazit informace o autorovi Odeslat soukromou zprávu Odeslat e-mail
Maty727



Založen: Nov 12, 2009
Příspěvky: 19

PříspěvekZaslal: čt únor 04 2010, 12:46    Předmět: Citovat

Samotný TDA7293 invertuje a z jeho výstupu se může krmit druhý v můstku.
Tomu pak nerozumim jak to tam mam pripojit, vzdyt vystup jednoho zesilovace preci nemuzu bez nejakych opatreni pripojit na vstup druheho zesilovace, jak to mam tedy udelat?
Návrat nahoru
Zobrazit informace o autorovi Odeslat soukromou zprávu
Maty727



Založen: Nov 12, 2009
Příspěvky: 19

PříspěvekZaslal: čt únor 04 2010, 12:49    Předmět: Citovat

BOBOBO
Stabiky byli 78L18 a 79L18 a do kazdeho slo 21V takze to je v poho
Návrat nahoru
Zobrazit informace o autorovi Odeslat soukromou zprávu
EKKAR



Založen: Mar 16, 2005
Příspěvky: 34824
Bydliště: Česká Třebová, JN89FW21

PříspěvekZaslal: čt únor 04 2010, 13:09    Předmět: Citovat

Maty727 - vstupní napětí je jedna věc, odebíraný proud věc druhá - jestli Ti to začalo kmitat, jak správně usoudil kolega mtajovský, vyletěl odběr někam k nebesům a 100mA stábl to prostě výkonově neudejchal a taky odletěl. Vyhoď minimálně ten druhý operák, je tam úplně k prdu - a ten první je taky diskutabilní, pokud výkonový zes sám o sobě invertuje vstupní napětí. Stačí jen odporový dělič z výstupu prvního koncáku (dělicí poměr nastavit podle zesílení toho výkonového stupně vpravo na schématu - aby JEHO výsledné zesílení bylo -1) a pro subák to musí stačit...
_________________
Nasliněný prst na svorkovnici domovního rozvaděče: Jó, paninko, máte tam ty Voltíky všecky...
A kutilmile - nelituju tě Mr. Green Mr. Green !!!
Návrat nahoru
Zobrazit informace o autorovi Odeslat soukromou zprávu Odeslat e-mail
Andrea



Založen: Sep 07, 2007
Příspěvky: 9340

PříspěvekZaslal: čt únor 04 2010, 13:30    Předmět: Citovat

Podle zpětné vazby je zapojený jako neinvertující.
Návrat nahoru
Zobrazit informace o autorovi Odeslat soukromou zprávu
Maty727



Založen: Nov 12, 2009
Příspěvky: 19

PříspěvekZaslal: čt únor 04 2010, 13:39    Předmět: Citovat

no jezis to je mnohem slozitejsi se hrabat na vykonu nez to udelat hendka na zacatku, kdyz by jsme bral z toho vystupu tak by jsme si musel zmerit jaky tam je napeti pri plnem zesileni a kolik je na vstupu a to pak nastavit tim delicem. kdyz by jsme to obratil primo na vstupu tim operakem tak je snazsi, preci
Návrat nahoru
Zobrazit informace o autorovi Odeslat soukromou zprávu
mtajovsky



Založen: Sep 19, 2007
Příspěvky: 3720
Bydliště: Praha

PříspěvekZaslal: čt únor 04 2010, 13:41    Předmět: Citovat

Ale vůbec ne. Podívejte se konečně do dokumentace. Vyžaduje to jeden odpor navíc.

http://www.datasheetcatalog.com/datasheets_pdf/T/D/A/7/TDA7294.shtml


strana 13 dokumentace ST Microelectronics.


Naposledy upravil mtajovsky dne čt únor 04 2010, 13:54, celkově upraveno 2 krát.
Návrat nahoru
Zobrazit informace o autorovi Odeslat soukromou zprávu Odeslat e-mail
Maty727



Založen: Nov 12, 2009
Příspěvky: 19

PříspěvekZaslal: čt únor 04 2010, 13:47    Předmět: Citovat

no uz to vidim ale to je pro TDA7294, takze pro TDA7293 se to da pouzit stejne ju?
Návrat nahoru
Zobrazit informace o autorovi Odeslat soukromou zprávu
mtajovsky



Založen: Sep 19, 2007
Příspěvky: 3720
Bydliště: Praha

PříspěvekZaslal: čt únor 04 2010, 13:49    Předmět: Citovat

Ju.
Návrat nahoru
Zobrazit informace o autorovi Odeslat soukromou zprávu Odeslat e-mail
Zobrazit příspěvky z předchozích:   
Přidat nové téma   Zaslat odpověď       Obsah fóra Diskuzní fórum Elektro Bastlírny -> Audiotechnika Časy uváděny v GMT + 1 hodina
Jdi na stránku 1, 2, 3  Další
Strana 1 z 3

 
Přejdi na:  
Nemůžete odesílat nové téma do tohoto fóra.
Nemůžete odpovídat na témata v tomto fóru.
Nemůžete upravovat své příspěvky v tomto fóru.
Nemůžete mazat své příspěvky v tomto fóru.
Nemůžete hlasovat v tomto fóru.
Nemůžete připojovat soubory k příspěvkům
Můžete stahovat a prohlížet přiložené soubory

Powered by phpBB © 2001, 2005 phpBB Group
Forums ©
Nuke - Elektro Bastlirna

Informace na portálu Elektro bastlírny jsou prezentovány za účelem vzdělání čtenářů a rozšíření zájmu o elektroniku. Autoři článků na serveru neberou žádnou zodpovědnost za škody vzniklé těmito zapojeními. Rovněž neberou žádnou odpovědnost za případnou újmu na zdraví vzniklou úrazem elektrickým proudem. Autoři a správci těchto stránek nepřejímají záruku za správnost zveřejněných materiálů. Předkládané informace a zapojení jsou zveřejněny bez ohledu na případné patenty třetích osob. Nároky na odškodnění na základě změn, chyb nebo vynechání jsou zásadně vyloučeny. Všechny registrované nebo jiné obchodní známky zde použité jsou majetkem jejich vlastníků. Uvedením nejsou zpochybněna z toho vyplývající vlastnická práva. Použití konstrukcí v rozporu se zákonem je přísně zakázáno. Vzhledem k tomu, že původ předkládaných materiálů nelze žádným způsobem dohledat, nelze je použít pro komerční účely! Tento nekomerční server nemá z uvedených zapojení či konstrukcí žádný zisk. Nezodpovídáme za pravost předkládaných materiálů třetími osobami a jejich původ. V případě, že zjistíte porušení autorského práva či jiné nesrovnalosti, kontaktujte administrátory na diskuzním fóru EB.


PHP-Nuke Copyright © 2005 by Francisco Burzi. This is free software, and you may redistribute it under the GPL. PHP-Nuke comes with absolutely no warranty, for details, see the license.
Čas potřebný ke zpracování stránky 0.21 sekund