Vítejte na Elektro Bastlírn?
Nuke - Elektro Bastlirna
  Vytvořit účet
Hlavní · Fórum · DDump · Profil · Zprávy · Hledat na fóru


Nuke - Elektro Bastlirna: Diskuzní fórum

 FAQFAQ   HledatHledat   Uživatelské skupinyUživatelské skupiny   ProfilProfil   Soukromé zprávySoukromé zprávy   PřihlášeníPřihlášení 

HISENSE 50A6K

 
Přidat nové téma   Zaslat odpověď       Obsah fóra Diskuzní fórum Elektro Bastlírny -> Televizory, monitory a projektory - PORADNA pro amatéry a začátečníky
Zobrazit předchozí téma :: Zobrazit následující téma  
Autor Zpráva
patrikvarga



Založen: Apr 24, 2007
Příspěvky: 1297

PříspěvekZaslal: út duben 07 2026, 7:42    Předmět: HISENSE 50A6K Citovat

Ahoj, potreboval by som poradiť.
Po pripojení do siete sa rozsvieti červená LED. Po zapnutí diaľkovým preblikne LED, nabehne na doske (RSAG7.820.12903\ROH ) 12V a 5V, podsvietenie nesvieti, a ďalej už na DO asi minútu nereaguje. Po minúte sa vypne 5V a 12V a TV sa dá znova ,, zapnúť ,,. Podsvietenie na externý zdroj svieti, pri 80V odber 120mA.
Po odpojení T-con ( RSAG7.820.12570/ROH ) bliká LED, po minúte prestane.
Procesor MediaTek MT9602
eMMC THGBMTG5D1LBAIL
Kde mám hľadať chybu? Vďaka.
Návrat nahoru
Zobrazit informace o autorovi Odeslat soukromou zprávu
Lubanec



Založen: Jan 08, 2012
Příspěvky: 514
Bydliště: Moravská Třebová

PříspěvekZaslal: út duben 07 2026, 10:27    Předmět: Citovat

Podsvícení panelu jde?..Jinak tipuji podsvit v háji (ale pises,že nesvítí podsvit koukám)
_________________
Jaj..To byla pecka..no joo..Kondenzátor byl nabitý(tudy proud jde)
Návrat nahoru
Zobrazit informace o autorovi Odeslat soukromou zprávu
mi-ro



Založen: Feb 08, 2005
Příspěvky: 8762
Bydliště: rovina u Kolína

PříspěvekZaslal: út duben 07 2026, 11:03    Předmět: Citovat

Píše jasně že mu podsvit na ext zdroj SVÍTÍ!! Otázka je, zda je 80V přiměřené pro daný podsvit. Někdy vadné LED jen zvýší Uf a proudový zdroj vypne na overvoltage. A kolik naměříš na podsvitu po startu TV? Měří se to blbě, při poruše se napětí objeví na zlomek sekundy.
_________________
..to bude jen ňákej odpůrek
Návrat nahoru
Zobrazit informace o autorovi Odeslat soukromou zprávu Odeslat e-mail
patrikvarga



Založen: Apr 24, 2007
Příspěvky: 1297

PříspěvekZaslal: út duben 07 2026, 13:11    Předmět: Citovat

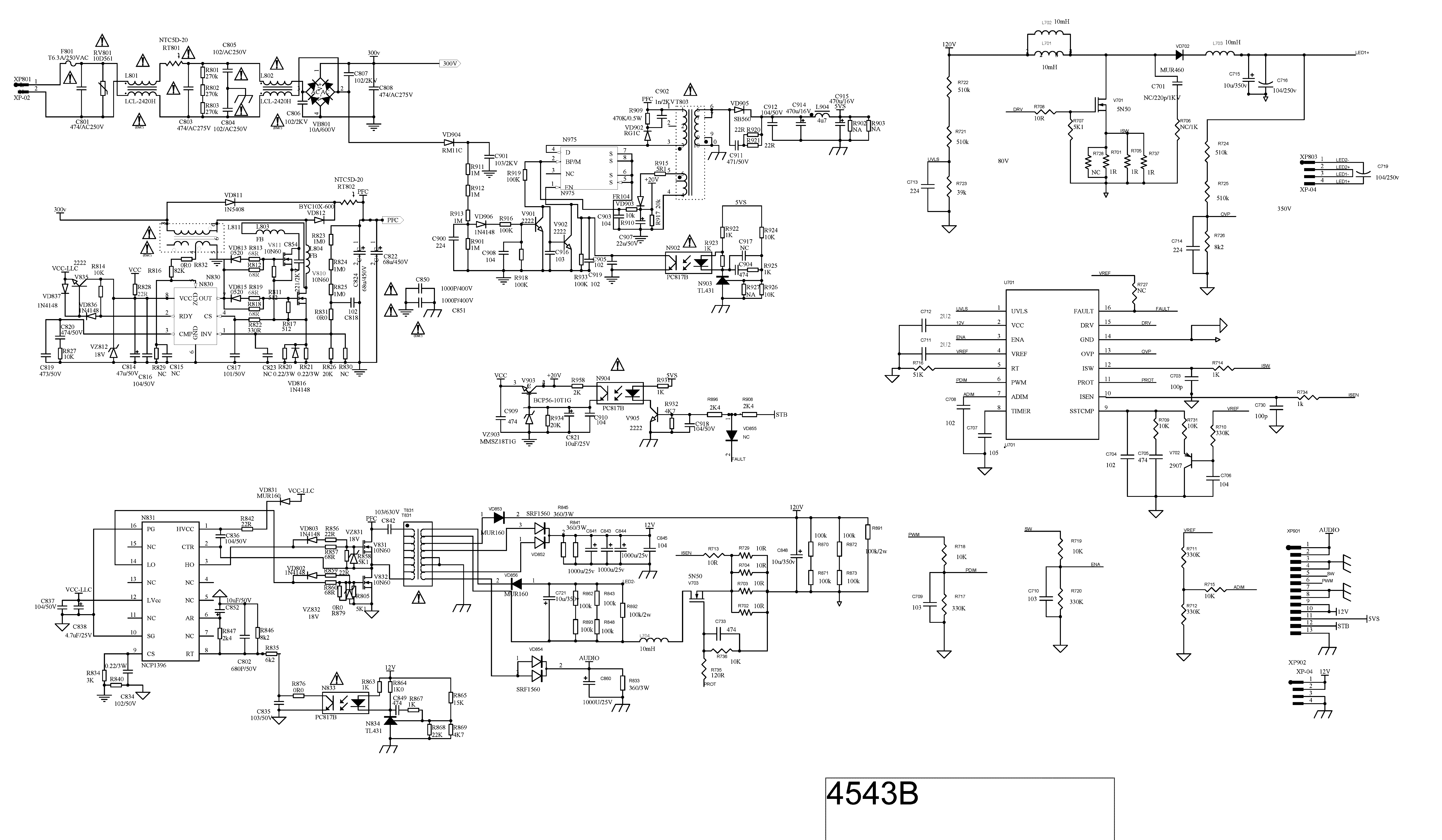
Tiež som rozmýšlal na OVP. Ono je to cele nejaké divné. Zo zdroja ide120V. Podľa https://www.aliexpress.com/item/1005009636150868.html tam je podsvit 32LED / 3V. Skrátka nezopne MOSET medzi LED 2- a zem. Tu je podobná schéma.


RSAG7.820.4543 c.png
 Komentář:
 Velikost:  208.45 kB
 Zobrazeno:  24 krát

RSAG7.820.4543 c.png


Návrat nahoru
Zobrazit informace o autorovi Odeslat soukromou zprávu
Zobrazit příspěvky z předchozích:   
Přidat nové téma   Zaslat odpověď       Obsah fóra Diskuzní fórum Elektro Bastlírny -> Televizory, monitory a projektory - PORADNA pro amatéry a začátečníky Časy uváděny v GMT + 1 hodina
Strana 1 z 1

 
Přejdi na:  
Nemůžete odesílat nové téma do tohoto fóra.
Nemůžete odpovídat na témata v tomto fóru.
Nemůžete upravovat své příspěvky v tomto fóru.
Nemůžete mazat své příspěvky v tomto fóru.
Nemůžete hlasovat v tomto fóru.
Nemůžete připojovat soubory k příspěvkům
Můžete stahovat a prohlížet přiložené soubory

Powered by phpBB © 2001, 2005 phpBB Group
Forums ©
Nuke - Elektro Bastlirna

Informace na portálu Elektro bastlírny jsou prezentovány za účelem vzdělání čtenářů a rozšíření zájmu o elektroniku. Autoři článků na serveru neberou žádnou zodpovědnost za škody vzniklé těmito zapojeními. Rovněž neberou žádnou odpovědnost za případnou újmu na zdraví vzniklou úrazem elektrickým proudem. Autoři a správci těchto stránek nepřejímají záruku za správnost zveřejněných materiálů. Předkládané informace a zapojení jsou zveřejněny bez ohledu na případné patenty třetích osob. Nároky na odškodnění na základě změn, chyb nebo vynechání jsou zásadně vyloučeny. Všechny registrované nebo jiné obchodní známky zde použité jsou majetkem jejich vlastníků. Uvedením nejsou zpochybněna z toho vyplývající vlastnická práva. Použití konstrukcí v rozporu se zákonem je přísně zakázáno. Vzhledem k tomu, že původ předkládaných materiálů nelze žádným způsobem dohledat, nelze je použít pro komerční účely! Tento nekomerční server nemá z uvedených zapojení či konstrukcí žádný zisk. Nezodpovídáme za pravost předkládaných materiálů třetími osobami a jejich původ. V případě, že zjistíte porušení autorského práva či jiné nesrovnalosti, kontaktujte administrátory na diskuzním fóru EB.


PHP-Nuke Copyright © 2005 by Francisco Burzi. This is free software, and you may redistribute it under the GPL. PHP-Nuke comes with absolutely no warranty, for details, see the license.
Čas potřebný ke zpracování stránky 0.16 sekund