Vítejte na Elektro Bastlírn?
Nuke - Elektro Bastlirna
  Vytvořit účet
Hlavní · Fórum · DDump · Profil · Zprávy · Hledat na fóru


Nuke - Elektro Bastlirna: Diskuzní fórum

 FAQFAQ   HledatHledat   Uživatelské skupinyUživatelské skupiny   ProfilProfil   Soukromé zprávySoukromé zprávy   PřihlášeníPřihlášení 

Řízení dvou SSR
Jdi na stránku Předchozí  1, 2, 3, 4  Další
 
Přidat nové téma   Zaslat odpověď       Obsah fóra Diskuzní fórum Elektro Bastlírny -> Poradna
Zobrazit předchozí téma :: Zobrazit následující téma  
Autor Zpráva
tomasjedno



Založen: Oct 11, 2008
Příspěvky: 6652
Bydliště: ZZ9 Plural Z Alpha

PříspěvekZaslal: po březen 23 2026, 0:04    Předmět: Citovat

Jistě že se to řešit dá. Já jen že jsi to schéma uváděl jako řešení (a nikoli jako ideový návrh k dopracování).
Návrat nahoru
Zobrazit informace o autorovi Odeslat soukromou zprávu
masar



Založen: Dec 03, 2005
Příspěvky: 14122

PříspěvekZaslal: po březen 23 2026, 10:37    Předmět: Citovat

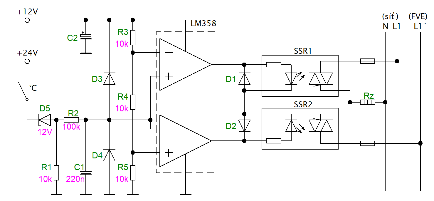
>tomasjedno: Díky za věcné připomínky a doplnění.
Jako ideový návrh to beru i teď, protože neznám všechny detaily a požadavky, přestože jsem uváděl některé hodnoty součástek.
Takjan si nakonec s výběrem jistě poradí.
Druhé zapojení považuji za lepší z těchto důvodů:
1. Antisériové zapojení dvou SSR již samo o sobě vylučuje možnost současného sepnutí.
2. Ani oba komparátory nemohou být současně ve stejném stavu.
3. Změnou hodnot děliče R3/R4/R5 lze upravovat dead-time pro každý stav.
Při výběru vhodných OZ/komparátorů a napájecího napětí je třeba zohlednit vstupní spínací parametry SSR a obě hodnoty saturačního napětí + úbytek na diodě D1/D2, o která budou vstupní napětí SSR menší, než napájecí.
Např. při použití LM358 se tak může "ztratit" i více než 3V z napájecího napětí. Pokud je pracovní rozsah vstupního napětí SSR 5÷12V, nemusí to vadit. Jinak je třeba buď zvýšit napájecí napětí nebo zvolit "rail-to-rail" OZ.
Uvádím ještě upravené zapojení tohoto obvodu, resp. vstupní části. Je zřejmé, že R1 zde zajišťuje nulovou vstupní úroveň při rozpojeném spínači a zvětšuje tak dead-time v tomto stavu o cca 10% (R1/R2) oproti sepnutému stavu spínače. Zmenšením R1 (vůči R2) se i tato odchylka zmenšuje.
Wink



deadtime2.png
 Komentář:
 Velikost:  42.31 kB
 Zobrazeno:  10 krát

deadtime2.png


Návrat nahoru
Zobrazit informace o autorovi Odeslat soukromou zprávu Odeslat e-mail
jova1



Založen: Dec 20, 2007
Příspěvky: 1376
Bydliště: Chýnov - to je kousek od Tábora

PříspěvekZaslal: po březen 23 2026, 11:43    Předmět: Citovat

Jen taková myšlenka: A co dá ještě na výstup těch dvou SSR spínačů optron, v zapojení se srážecím kondenzátorem, který by na výstupu signalizoval sepnutí jednoho z těch dvou SSR spínačů. To by byl signál pro logiku ve spínání, že se nesmí sepnout SSR spínač, dokud to napětí nebude nulové. Spínací obvod by byl sice složitější, ale zamezilo by se tím zkratu při proražení jednoho SSR spínače. Prostě vytvořit zpětnou vazbu, výstup je vypnutý, můžeš sepnout spínač.
Návrat nahoru
Zobrazit informace o autorovi Odeslat soukromou zprávu Zobrazit autorovy WWW stránky
TAKJAN



Založen: Nov 17, 2011
Příspěvky: 7160
Bydliště: U Litomyšle.

PříspěvekZaslal: po březen 23 2026, 18:09    Předmět: Citovat

Moje zapojení zahazuju. Zkusím to tím OZ, tam se dají dělat různé změny. Taky musím kouknout na to původní zapojení co funguje roky. Jsou tam dokonce tři relé, jedno přepíná stav a dvě spínají SSR. Zpětná vazba by byla hezká, ale to už by přesáhlo jednoduchost. Dík všem
_________________
Digitální technologie pracuje se dvěma stavy. Blbě nebo vůbec.
Návrat nahoru
Zobrazit informace o autorovi Odeslat soukromou zprávu
HF_Tech



Založen: Apr 25, 2022
Příspěvky: 2271

PříspěvekZaslal: po březen 23 2026, 18:59    Předmět: Citovat

Ještě se podívej jestli to SSR relé reaguje jenom na jednu polaritu.
Návrat nahoru
Zobrazit informace o autorovi Odeslat soukromou zprávu
TAKJAN



Založen: Nov 17, 2011
Příspěvky: 7160
Bydliště: U Litomyšle.

PříspěvekZaslal: po březen 23 2026, 19:21    Předmět: Citovat

Nějak nerozumím, jak na jednu polaritu.
_________________
Digitální technologie pracuje se dvěma stavy. Blbě nebo vůbec.
Návrat nahoru
Zobrazit informace o autorovi Odeslat soukromou zprávu
tomasjedno



Založen: Oct 11, 2008
Příspěvky: 6652
Bydliště: ZZ9 Plural Z Alpha

PříspěvekZaslal: po březen 23 2026, 19:56    Předmět: Citovat

Budicího napětí.
Návrat nahoru
Zobrazit informace o autorovi Odeslat soukromou zprávu
TAKJAN



Založen: Nov 17, 2011
Příspěvky: 7160
Bydliště: U Litomyšle.

PříspěvekZaslal: po březen 23 2026, 20:13    Předmět: Citovat

Jo, aha. Ne, mají označeno +
_________________
Digitální technologie pracuje se dvěma stavy. Blbě nebo vůbec.
Návrat nahoru
Zobrazit informace o autorovi Odeslat soukromou zprávu
masar



Založen: Dec 03, 2005
Příspěvky: 14122

PříspěvekZaslal: po březen 23 2026, 22:42    Předmět: Citovat

Ikdyby byla ssr obousměrná/bipolární, tak D1&D2 udělají, co je třeba.
Wink
Návrat nahoru
Zobrazit informace o autorovi Odeslat soukromou zprávu Odeslat e-mail
TAKJAN



Založen: Nov 17, 2011
Příspěvky: 7160
Bydliště: U Litomyšle.

PříspěvekZaslal: út březen 24 2026, 18:45    Předmět: Citovat

Tak s tím OZ to funguje hezky. S 1µF krásný mezičas. Ale je problém v tom, že operák mi nedal 15mA kolik bere SSR. Mám tam teda obyčejný 1458, ale ostatní by na tom asi nebyli líp. Takže spínat tranzistory, čímž ale zmizelo kouzlo dvojité kontroly sepnutí.
_________________
Digitální technologie pracuje se dvěma stavy. Blbě nebo vůbec.
Návrat nahoru
Zobrazit informace o autorovi Odeslat soukromou zprávu
martinkopp



Založen: Oct 12, 2023
Příspěvky: 1262

PříspěvekZaslal: út březen 24 2026, 18:59    Předmět: Citovat

Jsou operační zesilovače co dají i 10A, nevím proč by měl být jakýkoliv problém s 15mA.
Návrat nahoru
Zobrazit informace o autorovi Odeslat soukromou zprávu
TAKJAN



Založen: Nov 17, 2011
Příspěvky: 7160
Bydliště: U Litomyšle.

PříspěvekZaslal: út březen 24 2026, 19:09    Předmět: Citovat

Prostě LED rozsvítí, při pár mA. Pokud vložím odpovídající odpor, nedá to. Zkusím jiný OZ, mám jen fet, to asi nevadí.
_________________
Digitální technologie pracuje se dvěma stavy. Blbě nebo vůbec.
Návrat nahoru
Zobrazit informace o autorovi Odeslat soukromou zprávu
masar



Založen: Dec 03, 2005
Příspěvky: 14122

PříspěvekZaslal: út březen 24 2026, 19:23    Předmět: Citovat

Nevím, co to je "kouzlo dvojité kontroly sepnutí". O úbytku napětí na OZ jsem psal výše s tím, že zde není důležitá velikost proudu, ale hodnota minimálního vstupního pracovního napětí. To je potřebné měřit.
Wink
Návrat nahoru
Zobrazit informace o autorovi Odeslat soukromou zprávu Odeslat e-mail
martinkopp



Založen: Oct 12, 2023
Příspěvky: 1262

PříspěvekZaslal: út březen 24 2026, 19:24    Předmět: Citovat

Možná by nebylo úplně od věci se podívat do datasheetu kolik dá ten který na výstupu. Dřív než to budeš zkoušet.
Návrat nahoru
Zobrazit informace o autorovi Odeslat soukromou zprávu
HF_Tech



Založen: Apr 25, 2022
Příspěvky: 2271

PříspěvekZaslal: út březen 24 2026, 20:07    Předmět: Citovat

Ten 1458 by potřeboval alespoň 15V napájení, aby těch 15mA dal.
Je to strašná lemra. LM358 by to dát měl.
Návrat nahoru
Zobrazit informace o autorovi Odeslat soukromou zprávu
Zobrazit příspěvky z předchozích:   
Přidat nové téma   Zaslat odpověď       Obsah fóra Diskuzní fórum Elektro Bastlírny -> Poradna Časy uváděny v GMT + 1 hodina
Jdi na stránku Předchozí  1, 2, 3, 4  Další
Strana 3 z 4

 
Přejdi na:  
Nemůžete odesílat nové téma do tohoto fóra.
Nemůžete odpovídat na témata v tomto fóru.
Nemůžete upravovat své příspěvky v tomto fóru.
Nemůžete mazat své příspěvky v tomto fóru.
Nemůžete hlasovat v tomto fóru.
Nemůžete připojovat soubory k příspěvkům
Můžete stahovat a prohlížet přiložené soubory

Powered by phpBB © 2001, 2005 phpBB Group
Forums ©
Nuke - Elektro Bastlirna

Informace na portálu Elektro bastlírny jsou prezentovány za účelem vzdělání čtenářů a rozšíření zájmu o elektroniku. Autoři článků na serveru neberou žádnou zodpovědnost za škody vzniklé těmito zapojeními. Rovněž neberou žádnou odpovědnost za případnou újmu na zdraví vzniklou úrazem elektrickým proudem. Autoři a správci těchto stránek nepřejímají záruku za správnost zveřejněných materiálů. Předkládané informace a zapojení jsou zveřejněny bez ohledu na případné patenty třetích osob. Nároky na odškodnění na základě změn, chyb nebo vynechání jsou zásadně vyloučeny. Všechny registrované nebo jiné obchodní známky zde použité jsou majetkem jejich vlastníků. Uvedením nejsou zpochybněna z toho vyplývající vlastnická práva. Použití konstrukcí v rozporu se zákonem je přísně zakázáno. Vzhledem k tomu, že původ předkládaných materiálů nelze žádným způsobem dohledat, nelze je použít pro komerční účely! Tento nekomerční server nemá z uvedených zapojení či konstrukcí žádný zisk. Nezodpovídáme za pravost předkládaných materiálů třetími osobami a jejich původ. V případě, že zjistíte porušení autorského práva či jiné nesrovnalosti, kontaktujte administrátory na diskuzním fóru EB.


PHP-Nuke Copyright © 2005 by Francisco Burzi. This is free software, and you may redistribute it under the GPL. PHP-Nuke comes with absolutely no warranty, for details, see the license.
Čas potřebný ke zpracování stránky 0.17 sekund