Vítejte na Elektro Bastlírn?
Nuke - Elektro Bastlirna
  Vytvořit účet
Hlavní · Fórum · DDump · Profil · Zprávy · Hledat na fóru


Nuke - Elektro Bastlirna: Diskuzní fórum

 FAQFAQ   HledatHledat   Uživatelské skupinyUživatelské skupiny   ProfilProfil   Soukromé zprávySoukromé zprávy   PřihlášeníPřihlášení 

odhad funkce obvodu zo schémy - odděleno
Jdi na stránku Předchozí  1, 2
 
Přidat nové téma   Zaslat odpověď       Obsah fóra Diskuzní fórum Elektro Bastlírny -> Zapojení ze šuplíku
Zobrazit předchozí téma :: Zobrazit následující téma  
Autor Zpráva
samec



Založen: Dec 19, 2017
Příspěvky: 6623

PříspěvekZaslal: st únor 11 2026, 11:05    Předmět: Citovat

Zbrojovka Brno 140.216 , 211-140.316 , A-1-11 , RFT G 71656
211-140.316 , B-1

Tak teraz neviem, či zbrojovka, alebo RFT. A stále som sa nedozvedel, čo je to za formát zásuvných kariet. Gúgeľ pozná len Eurocard, PCI a ISA. O rozmere 14 x 15 cm ani zmienka. A pritom mám tie karty z rôznych zariadení, takže to akýsi štandard musel byť.

EDIT:
ešte niekoľko kľúčových slov
MHB2504 , MHB2505 , MHB2506 , MHB2507

EDIT2:
Na plošaku, aj v schéme som vyznačil ->?! skrat. Zámer, alebo nedbalosť? Umožňuje MH7404 takto spájať výstupy?



211_140-T-foto.jpg
 Komentář:
 Velikost:  128.67 kB
 Zobrazeno:  52 krát

211_140-T-foto.jpg



211_140-B-foto.jpg
 Komentář:
 Velikost:  149.69 kB
 Zobrazeno:  39 krát

211_140-B-foto.jpg



211_140-T-complete-info.png
 Komentář:
 Velikost:  26.68 kB
 Zobrazeno:  10 krát

211_140-T-complete-info.png



211_140-schematic.png
 Komentář:
 Velikost:  45.13 kB
 Zobrazeno:  19 krát

211_140-schematic.png




Naposledy upravil samec dne út březen 03 2026, 19:44, celkově upraveno 11 krát.
Návrat nahoru
Zobrazit informace o autorovi Odeslat soukromou zprávu
samec



Založen: Dec 19, 2017
Příspěvky: 6623

PříspěvekZaslal: ne únor 15 2026, 18:56    Předmět: Citovat

zásuvná karta z počítača
XB001 27/A - 2 STVA ? 70295
XB001 27/B - 2

Neviem, čo to je, ale ten, čo to vymyslel, musel vypiť veľmi veľa kávy. Rolling Eyes

Na sklenené diódy som sa pýtal tu.



XB001_27-T-foto.jpg
 Komentář:
 Velikost:  123.53 kB
 Zobrazeno:  59 krát

XB001_27-T-foto.jpg



XB001_27-B-foto.jpg
 Komentář:
 Velikost:  89.98 kB
 Zobrazeno:  36 krát

XB001_27-B-foto.jpg



XB001_27-T-complete.png
 Komentář:
 Velikost:  28.83 kB
 Zobrazeno:  16 krát

XB001_27-T-complete.png



XB001_27-schematic.png
 Komentář:
Neznáme diódy sú kremikové (0,7V).
 Velikost:  24.27 kB
 Zobrazeno:  132 krát

XB001_27-schematic.png



XB001_27-PCB_drawings_and_component_list.zip
 Komentář:
škice plošaku po vrstvách a zoznam súčiastok

Stáhnout
 Soubor:  XB001_27-PCB_drawings_and_component_list.zip
 Velikost:  78.56 kB
 Staženo:  17 krát

Návrat nahoru
Zobrazit informace o autorovi Odeslat soukromou zprávu
samec



Založen: Dec 19, 2017
Příspěvky: 6623

PříspěvekZaslal: so březen 07 2026, 9:36    Předmět: Citovat

MEZ Náchod MO0423
40259
25 754 A1
25 754 B1
ZAP

MZH115S



MO0423-T-foto.jpg
 Komentář:
 Velikost:  91.77 kB
 Zobrazeno:  13 krát

MO0423-T-foto.jpg



MO0423-B-foto.jpg
 Komentář:
 Velikost:  115.67 kB
 Zobrazeno:  5 krát

MO0423-B-foto.jpg



MO0423-T-complete.png
 Komentář:
 Velikost:  18.16 kB
 Zobrazeno:  9 krát

MO0423-T-complete.png


Návrat nahoru
Zobrazit informace o autorovi Odeslat soukromou zprávu
h_honza



Založen: Feb 01, 2020
Příspěvky: 166
Bydliště: Praha 1

PříspěvekZaslal: ne březen 08 2026, 0:23    Předmět: Citovat

XB001_27 mi hodně připomíná nizkoúrovňové karty řízení mechaniky z páskových jednotek MPM120(T) z Tesly Pardubice. Přes výkonové obvody to řídilo mohutné servomotory cívek s páskou a vakuové přisávání k pohonným kladkám. Data výroby na součástkách ukazují na dobu po roce 1974, a to je na MPM120 možná moc brzo. Tranzistory TR15 ovšem s projektem Tesla 200 souvisí. I podle stylu by to Tesla Pardubice být mohla. Že je to vymyšlené hlavou, se nedivím, v Pardubicích to bylo normální. Mimochodem na tyto desky jsme v provozu nemuseli ani sáhnout, dokonce ani dostavit trimry.
Návrat nahoru
Zobrazit informace o autorovi Odeslat soukromou zprávu
samec



Založen: Dec 19, 2017
Příspěvky: 6623

PříspěvekZaslal: ne březen 08 2026, 10:59    Předmět: Citovat

V tom XB001_27 je zaujímavý kondenzátor 39pF oddeľujúci posledný stupeň, ktorý má dosť malý vstupný odpor. Z toho usudzujem, že to spracováva asi dosť vysokú frekvenciu, respektívne krátke impulzy. Asi by tú schému bolo treba ešte nejako upratať, aby bolo na prvý pohľad jasné, na čo slúži a dalo sa v nej ľahko orientovať. Teraz mi však ide hlavne o zdokumentovanie historickej techniky pred tým, než sa jej zbavim.
Návrat nahoru
Zobrazit informace o autorovi Odeslat soukromou zprávu
kynolog07



Založen: Jan 30, 2009
Příspěvky: 88
Bydliště: Prostějov

PříspěvekZaslal: ne březen 08 2026, 11:41    Předmět: Citovat

Naprosto souhlasím se závěry h_honzy. Opravdu se jedná o desku s řízením mechaniky z páskových jednotek MPM120(T) z Tesly Pardubice. A jak dodává, na desky se opravdu v provozu nemuselo ani "šáhnout". A páskových jednotek na sále bylo 8.
_________________
„Na některé otázky je jedinou rozumnou odpovědí mlčení.“
Návrat nahoru
Zobrazit informace o autorovi Odeslat soukromou zprávu
samec



Založen: Dec 19, 2017
Příspěvky: 6623

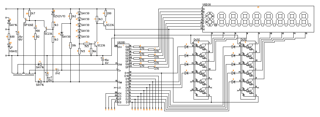
PříspěvekZaslal: ne březen 15 2026, 23:42    Předmět: Citovat

doska z kalkulačky
RFT konkret 200
4484.993 -02902
31561

U820D



4484_993-02902-T-foto.jpg
 Komentář:
 Velikost:  94.73 kB
 Zobrazeno:  11 krát

4484_993-02902-T-foto.jpg



4484_993-02902-B-foto.jpg
 Komentář:
 Velikost:  135.3 kB
 Zobrazeno:  5 krát

4484_993-02902-B-foto.jpg



4484_993-02902-T-complete-info.png
 Komentář:
 Velikost:  16.18 kB
 Zobrazeno:  7 krát

4484_993-02902-T-complete-info.png



4484_993-02902-Schematic.png
 Komentář:
 Velikost:  15.54 kB
 Zobrazeno:  20 krát

4484_993-02902-Schematic.png


Návrat nahoru
Zobrazit informace o autorovi Odeslat soukromou zprávu
samec



Založen: Dec 19, 2017
Příspěvky: 6623

PříspěvekZaslal: út březen 17 2026, 12:22    Předmět: Citovat

XB001 35/A - 1 , 70288 , RSTP
XB001 35/B - 2

zrejme stabizovaný zdroj s nastaviteľným napätím, nastaviteľným obmedzením prúdu a asi tyristorovým vybíjačom poistiek

Čarovať s troma tranzistormi v jednom integrovanom obvode MAA325 bolo vtedy asi pokrokové.



XB001_35-T-foto.jpg
 Komentář:
 Velikost:  84.28 kB
 Zobrazeno:  8 krát

XB001_35-T-foto.jpg



XB001_35-B-foto.jpg
 Komentář:
 Velikost:  97.28 kB
 Zobrazeno:  5 krát

XB001_35-B-foto.jpg



XB001_35-T-complete-info.png
 Komentář:
 Velikost:  19.84 kB
 Zobrazeno:  10 krát

XB001_35-T-complete-info.png



XB001_35-components.txt
 Komentář:

Stáhnout
 Soubor:  XB001_35-components.txt
 Velikost:  900 Bajtů
 Staženo:  10 krát

Návrat nahoru
Zobrazit informace o autorovi Odeslat soukromou zprávu
Lukas-Peca



Založen: May 06, 2007
Příspěvky: 4524
Bydliště: Zlín

PříspěvekZaslal: út březen 17 2026, 12:26    Předmět: Citovat

To obkresluješ ručně nebo přes AI?
Návrat nahoru
Zobrazit informace o autorovi Odeslat soukromou zprávu Zobrazit autorovy WWW stránky
samec



Založen: Dec 19, 2017
Příspěvky: 6623

PříspěvekZaslal: út březen 17 2026, 13:28    Předmět: Citovat

Ručne. Jak je plošak v rastri, tak je to relax podobný lúšteniu krížoviek, napríklad tých maľovaných. Začiatok je trochu zdĺhvejší, keď je potrebné si nájsť nejaký systém a pripraviť nejaké vzory, ale potom už je to zväčša len copy-paste. A jak nesledujem televízene noviny a televízor celkovo aj so vetkými reklamami, tak mám plno času na hentaké blbosti.
Nenažranec
Návrat nahoru
Zobrazit informace o autorovi Odeslat soukromou zprávu
Zobrazit příspěvky z předchozích:   
Přidat nové téma   Zaslat odpověď       Obsah fóra Diskuzní fórum Elektro Bastlírny -> Zapojení ze šuplíku Časy uváděny v GMT + 1 hodina
Jdi na stránku Předchozí  1, 2
Strana 2 z 2

 
Přejdi na:  
Nemůžete odesílat nové téma do tohoto fóra.
Nemůžete odpovídat na témata v tomto fóru.
Nemůžete upravovat své příspěvky v tomto fóru.
Nemůžete mazat své příspěvky v tomto fóru.
Nemůžete hlasovat v tomto fóru.
Nemůžete připojovat soubory k příspěvkům
Můžete stahovat a prohlížet přiložené soubory

Powered by phpBB © 2001, 2005 phpBB Group
Forums ©
Nuke - Elektro Bastlirna

Informace na portálu Elektro bastlírny jsou prezentovány za účelem vzdělání čtenářů a rozšíření zájmu o elektroniku. Autoři článků na serveru neberou žádnou zodpovědnost za škody vzniklé těmito zapojeními. Rovněž neberou žádnou odpovědnost za případnou újmu na zdraví vzniklou úrazem elektrickým proudem. Autoři a správci těchto stránek nepřejímají záruku za správnost zveřejněných materiálů. Předkládané informace a zapojení jsou zveřejněny bez ohledu na případné patenty třetích osob. Nároky na odškodnění na základě změn, chyb nebo vynechání jsou zásadně vyloučeny. Všechny registrované nebo jiné obchodní známky zde použité jsou majetkem jejich vlastníků. Uvedením nejsou zpochybněna z toho vyplývající vlastnická práva. Použití konstrukcí v rozporu se zákonem je přísně zakázáno. Vzhledem k tomu, že původ předkládaných materiálů nelze žádným způsobem dohledat, nelze je použít pro komerční účely! Tento nekomerční server nemá z uvedených zapojení či konstrukcí žádný zisk. Nezodpovídáme za pravost předkládaných materiálů třetími osobami a jejich původ. V případě, že zjistíte porušení autorského práva či jiné nesrovnalosti, kontaktujte administrátory na diskuzním fóru EB.


PHP-Nuke Copyright © 2005 by Francisco Burzi. This is free software, and you may redistribute it under the GPL. PHP-Nuke comes with absolutely no warranty, for details, see the license.
Čas potřebný ke zpracování stránky 0.59 sekund