Vítejte na Elektro Bastlírn?
Nuke - Elektro Bastlirna
  Vytvořit účet
Hlavní · Fórum · DDump · Profil · Zprávy · Hledat na fóru


Nuke - Elektro Bastlirna: Diskuzní fórum

 FAQFAQ   HledatHledat   Uživatelské skupinyUživatelské skupiny   ProfilProfil   Soukromé zprávySoukromé zprávy   PřihlášeníPřihlášení 

Regulace transduktorem (přesytkou)
Jdi na stránku Předchozí  1, 2
 
Přidat nové téma   Zaslat odpověď       Obsah fóra Diskuzní fórum Elektro Bastlírny -> Svářečky, UPS, nabíječe, měniče, zdroje, trafa a další
Zobrazit předchozí téma :: Zobrazit následující téma  
Autor Zpráva
workhard



Založen: Jul 07, 2006
Příspěvky: 5539
Bydliště: Plzeň

PříspěvekZaslal: st únor 18 2026, 22:50    Předmět: Citovat

danhard napsal(a):
workhard, nepiš sem nesmysly Rolling Eyes

To, že jsi to ještě neviděl, neznamená, že to nefunguje.

_________________
Věci,které fungují,se ZÁSADNĚ neopravují...
Návrat nahoru
Zobrazit informace o autorovi Odeslat soukromou zprávu
HF_Tech



Založen: Apr 25, 2022
Příspěvky: 2387

PříspěvekZaslal: čt únor 19 2026, 8:24    Předmět: Citovat

danhard napsal(a):
K tvrdému trafu musíš počítat s masivní tlumivkou.
Tyristorová regulace si regulaci proudu bez indukčnosti nevymyslí.

Tyristorové regulace pro galvanizační lázně jsem dělal pro Elektrodružstvo Praha někdy před 50-ti lety. Taky tam neměli žádnou pracovní indukčnost, tak jsme jí přidávali dodatečně na výstupní šíny.
Bylo tam na ně nasazeno asi 1m jádra EI25 s 2mm vzduchovou mezerou.
A hned se to chovalo jako beránek, 16V/600A Very Happy


Nedávno jsme něco podobného řešili a nakonec se dal před trafo obyčejný frekvenční měnič k motoru a nastavilo se ovládání napětí pomocí tlačítek přidat a ubrat na měniči. Nastavení proudu funguje velice dobře a stálo to relativně pár šupů a za dva dny to bylo hotové. Jediné mínus je, že trafo pěkně piští - muselo se zavřít do rozvaděče.
Návrat nahoru
Zobrazit informace o autorovi Odeslat soukromou zprávu
jaro1



Založen: Jul 22, 2025
Příspěvky: 22

PříspěvekZaslal: čt únor 19 2026, 20:34    Předmět: Citovat

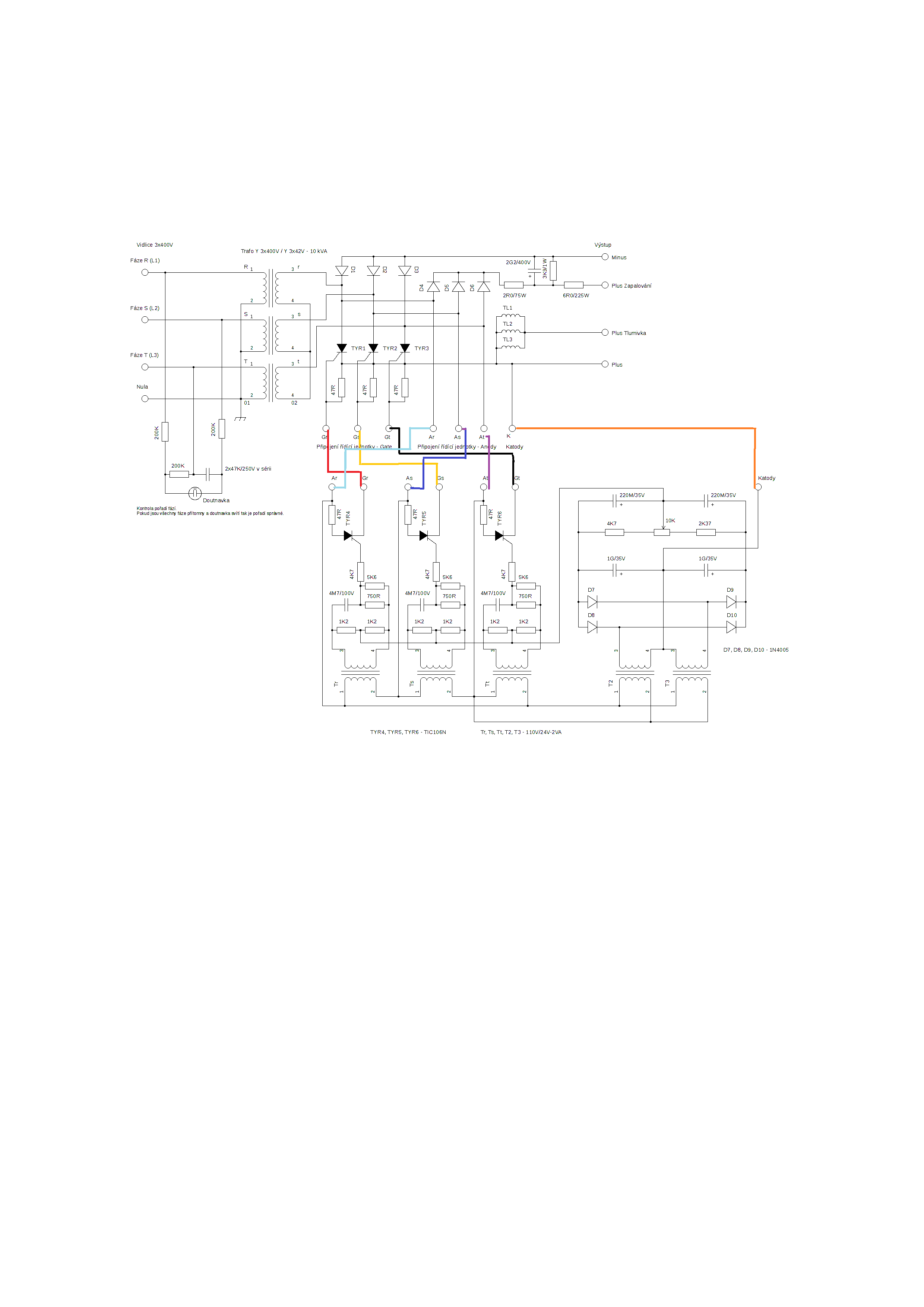
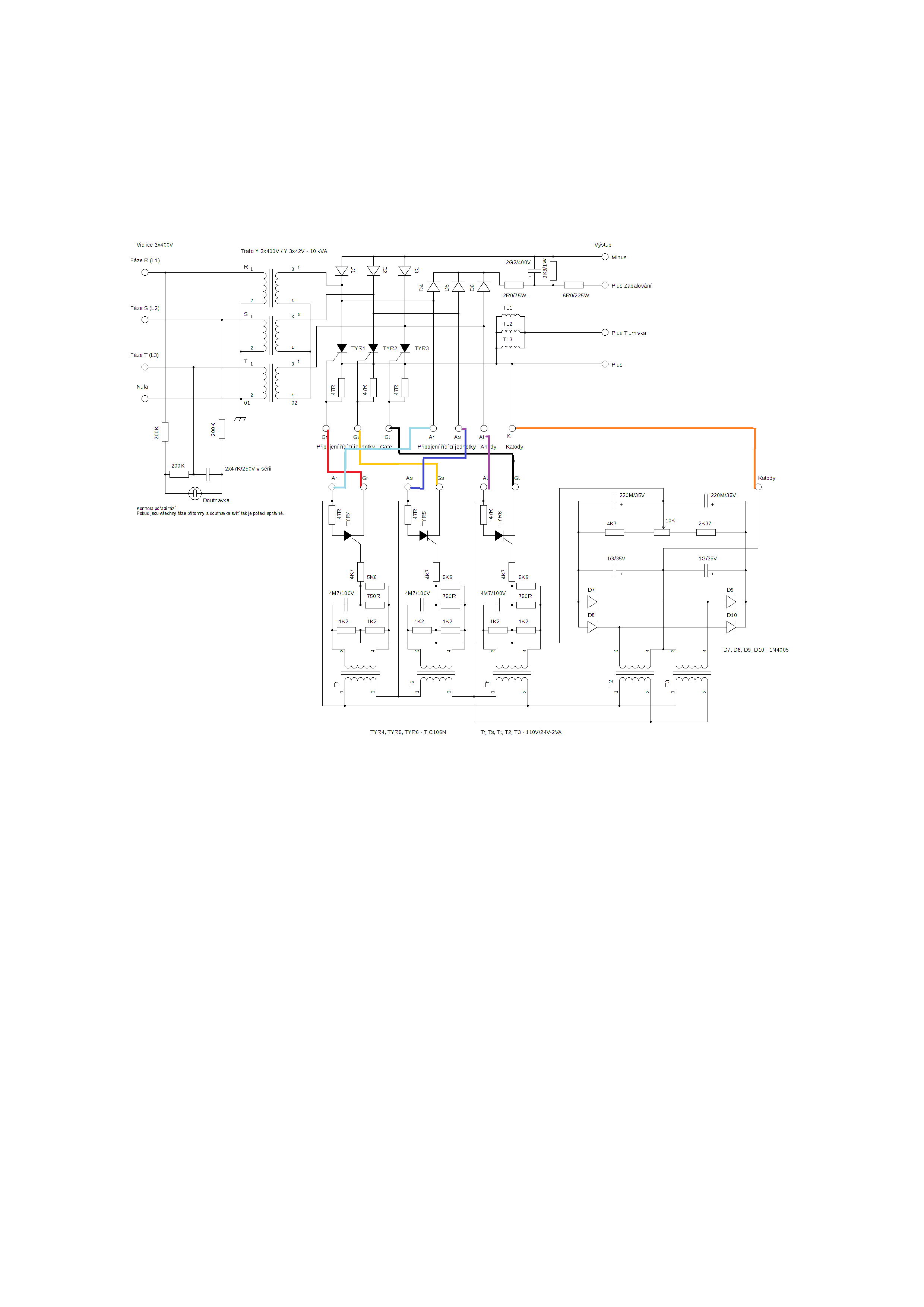
A tato schema by fungovala?


Untitled-1 copy.png
 Komentář:
 Velikost:  80.18 kB
 Zobrazeno:  55 krát

Untitled-1 copy.png


Návrat nahoru
Zobrazit informace o autorovi Odeslat soukromou zprávu
danhard



Založen: Mar 05, 2007
Příspěvky: 6676
Bydliště: Jesenice u Prahy

PříspěvekZaslal: ne únor 22 2026, 16:16    Předmět: Citovat

Silová část je v pořádku, regulaci musíš předělat a chce to regulaci proudu, s tvrdým trafem a tlumivkou proud nereguluješ, ale vyhladíš.
Svářecí trafo má regulovanou rozptylovou indukčnost - vazbu, trafo je měkký a regulací vazby reguluješ proud oblouku.
Stále nevím v jaké konfiguraci je to trafo, ale 42V sekudáry budou ve hvězdě, pak je třífázové usměrnění cca 72V a to je při tvrdém trafu ažaž.
Proto je tam regulace proudu.
Pokud je primár 3x230V, tak bude také ve hvězdě a musí být zapojený střed na nulák, pokud je tam vinutí na 3x400V, tak je to do trojúhelníku.


Naposledy upravil danhard dne ne únor 22 2026, 19:48, celkově upraveno 1 krát.
Návrat nahoru
Zobrazit informace o autorovi Odeslat soukromou zprávu Odeslat e-mail
jaro1



Založen: Jul 22, 2025
Příspěvky: 22

PříspěvekZaslal: ne únor 22 2026, 17:19    Předmět: Citovat

Asi som to zle napisal trafo je primar 3x230v zapojeny do hviezdy,sekundar 3x42v tiez zapojeny do hviezdy,vinutia su navinute najskor primar,na nom je navinute sekundarne vinutie
Návrat nahoru
Zobrazit informace o autorovi Odeslat soukromou zprávu
jaro1



Založen: Jul 22, 2025
Příspěvky: 22

PříspěvekZaslal: ne únor 22 2026, 17:22    Předmět: Citovat

V tejto scheme co treba prerobit? Toto zapojenie je napajane trafkami 110V/24V-2VA z rozvadzaca


Untitled-1 copy.png
 Komentář:
 Velikost:  80.18 kB
 Zobrazeno:  29 krát

Untitled-1 copy.png


Návrat nahoru
Zobrazit informace o autorovi Odeslat soukromou zprávu
danhard



Založen: Mar 05, 2007
Příspěvky: 6676
Bydliště: Jesenice u Prahy

PříspěvekZaslal: ne únor 22 2026, 18:27    Předmět: Citovat

Udělat jiné řízení s regulací proudu.
Spočítat a navinout tlumivku, ta bude asi tak poloviční, než trafo.
Návrat nahoru
Zobrazit informace o autorovi Odeslat soukromou zprávu Odeslat e-mail
jaro1



Založen: Jul 22, 2025
Příspěvky: 22

PříspěvekZaslal: po únor 23 2026, 5:52    Předmět: Citovat

Ako to riadenie prerobiť?nemá niekto schému?
Návrat nahoru
Zobrazit informace o autorovi Odeslat soukromou zprávu
Zobrazit příspěvky z předchozích:   
Přidat nové téma   Zaslat odpověď       Obsah fóra Diskuzní fórum Elektro Bastlírny -> Svářečky, UPS, nabíječe, měniče, zdroje, trafa a další Časy uváděny v GMT + 1 hodina
Jdi na stránku Předchozí  1, 2
Strana 2 z 2

 
Přejdi na:  
Nemůžete odesílat nové téma do tohoto fóra.
Nemůžete odpovídat na témata v tomto fóru.
Nemůžete upravovat své příspěvky v tomto fóru.
Nemůžete mazat své příspěvky v tomto fóru.
Nemůžete hlasovat v tomto fóru.
Nemůžete připojovat soubory k příspěvkům
Můžete stahovat a prohlížet přiložené soubory

Powered by phpBB © 2001, 2005 phpBB Group
Forums ©
Nuke - Elektro Bastlirna

Informace na portálu Elektro bastlírny jsou prezentovány za účelem vzdělání čtenářů a rozšíření zájmu o elektroniku. Autoři článků na serveru neberou žádnou zodpovědnost za škody vzniklé těmito zapojeními. Rovněž neberou žádnou odpovědnost za případnou újmu na zdraví vzniklou úrazem elektrickým proudem. Autoři a správci těchto stránek nepřejímají záruku za správnost zveřejněných materiálů. Předkládané informace a zapojení jsou zveřejněny bez ohledu na případné patenty třetích osob. Nároky na odškodnění na základě změn, chyb nebo vynechání jsou zásadně vyloučeny. Všechny registrované nebo jiné obchodní známky zde použité jsou majetkem jejich vlastníků. Uvedením nejsou zpochybněna z toho vyplývající vlastnická práva. Použití konstrukcí v rozporu se zákonem je přísně zakázáno. Vzhledem k tomu, že původ předkládaných materiálů nelze žádným způsobem dohledat, nelze je použít pro komerční účely! Tento nekomerční server nemá z uvedených zapojení či konstrukcí žádný zisk. Nezodpovídáme za pravost předkládaných materiálů třetími osobami a jejich původ. V případě, že zjistíte porušení autorského práva či jiné nesrovnalosti, kontaktujte administrátory na diskuzním fóru EB.


PHP-Nuke Copyright © 2005 by Francisco Burzi. This is free software, and you may redistribute it under the GPL. PHP-Nuke comes with absolutely no warranty, for details, see the license.
Čas potřebný ke zpracování stránky 0.24 sekund