Vítejte na Elektro Bastlírn?
Nuke - Elektro Bastlirna
  Vytvořit účet
Hlavní · Fórum · DDump · Profil · Zprávy · Hledat na fóru


Nuke - Elektro Bastlirna: Diskuzní fórum

 FAQFAQ   HledatHledat   Uživatelské skupinyUživatelské skupiny   ProfilProfil   Soukromé zprávySoukromé zprávy   PřihlášeníPřihlášení 

3 fazova regulacia
Jdi na stránku Předchozí  1, 2
 
Přidat nové téma   Zaslat odpověď       Obsah fóra Diskuzní fórum Elektro Bastlírny -> Svářečky, UPS, nabíječe, měniče, zdroje, trafa a další
Zobrazit předchozí téma :: Zobrazit následující téma  
Autor Zpráva
jaro1



Založen: Jul 22, 2025
Příspěvky: 19

PříspěvekZaslal: út únor 17 2026, 20:25    Předmět: Citovat

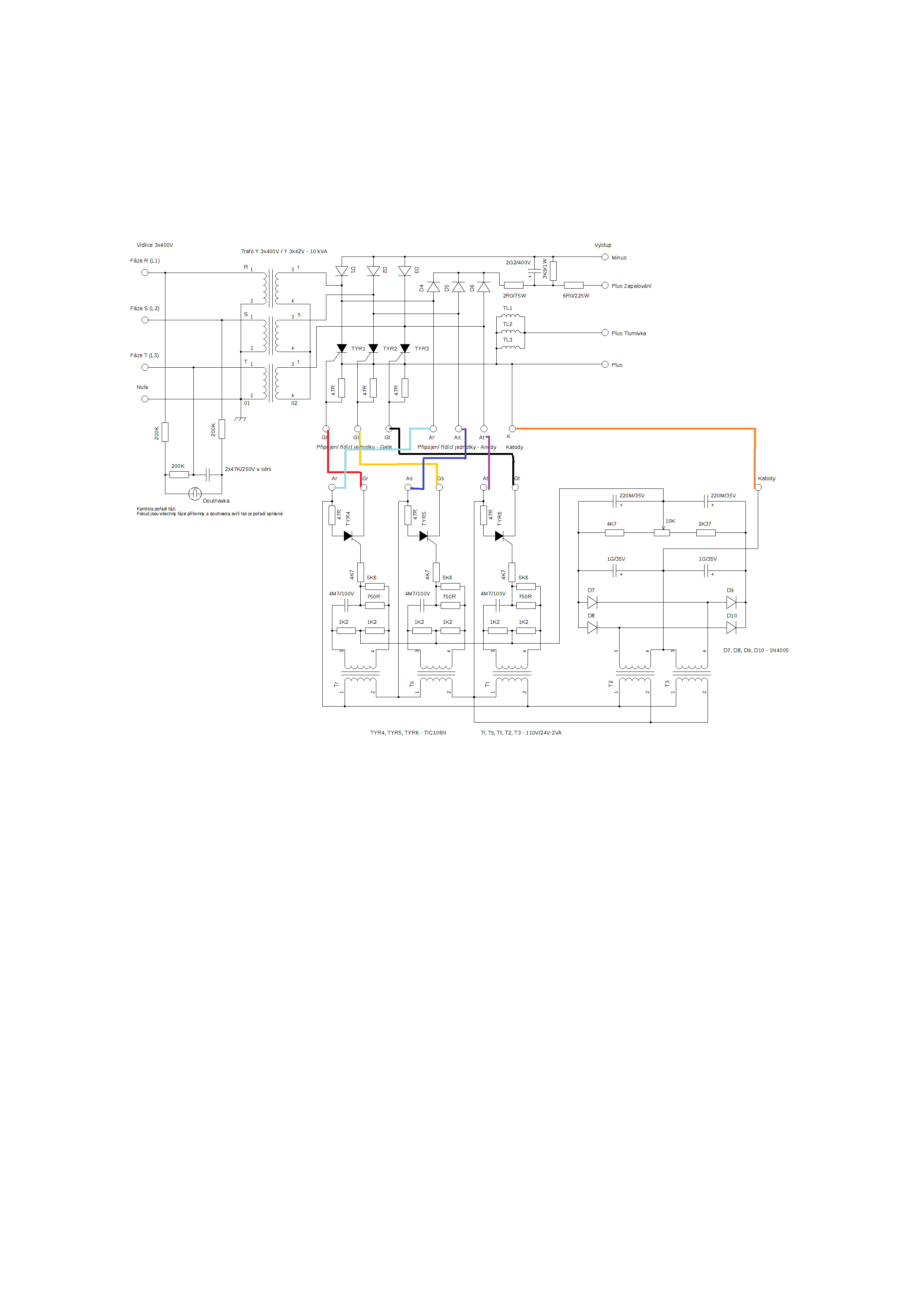
Dik za odpoved,vazim si rady,no ja som taky amater co sa tyka slaboprudu, aj ked podla schemy to dokazem postavit,ale ci je schema v poriadku to nedokazem posudit,a ta spodna schema je pouzitelna ?
Návrat nahoru
Zobrazit informace o autorovi Odeslat soukromou zprávu
kulikus



Založen: Dec 10, 2009
Příspěvky: 3188

PříspěvekZaslal: čt únor 19 2026, 19:24    Předmět: Citovat

jaro1 napsal(a):
Takze k 680nf paralelne pripojit 1uF kond.Ok dakujem,a tato druha schema je pouzitelna?

Myslel jsem další 1mF za LM7812 pro vyhlazení 12V.

Děkuji za bdělost, v předchozím jsem použil nesprávně termín ´udržovací proud´, míněno zapalovací proud.

_________________
pro mládež a lektory - Hamíkův koutek
Návrat nahoru
Zobrazit informace o autorovi Odeslat soukromou zprávu Zobrazit autorovy WWW stránky
kulikus



Založen: Dec 10, 2009
Příspěvky: 3188

PříspěvekZaslal: čt únor 19 2026, 19:28    Předmět: Citovat

jaro1 napsal(a):

Takze k 680nf paralelne pripojit 1uF kond.Ok dakujem,a tato druha schema je pouzitelna?

Ne, myslel jsem další 1mF za LM7812 pro vyhlazení 12V.

Barnodaj: ano, díky. V předchozím jsem použil nesprávně termín ´udržovací proud´, míněno zapalovací proud do G.

_________________
pro mládež a lektory - Hamíkův koutek
Návrat nahoru
Zobrazit informace o autorovi Odeslat soukromou zprávu Zobrazit autorovy WWW stránky
Zobrazit příspěvky z předchozích:   
Přidat nové téma   Zaslat odpověď       Obsah fóra Diskuzní fórum Elektro Bastlírny -> Svářečky, UPS, nabíječe, měniče, zdroje, trafa a další Časy uváděny v GMT + 1 hodina
Jdi na stránku Předchozí  1, 2
Strana 2 z 2

 
Přejdi na:  
Nemůžete odesílat nové téma do tohoto fóra.
Nemůžete odpovídat na témata v tomto fóru.
Nemůžete upravovat své příspěvky v tomto fóru.
Nemůžete mazat své příspěvky v tomto fóru.
Nemůžete hlasovat v tomto fóru.
Nemůžete připojovat soubory k příspěvkům
Můžete stahovat a prohlížet přiložené soubory

Powered by phpBB © 2001, 2005 phpBB Group
Forums ©
Nuke - Elektro Bastlirna

Informace na portálu Elektro bastlírny jsou prezentovány za účelem vzdělání čtenářů a rozšíření zájmu o elektroniku. Autoři článků na serveru neberou žádnou zodpovědnost za škody vzniklé těmito zapojeními. Rovněž neberou žádnou odpovědnost za případnou újmu na zdraví vzniklou úrazem elektrickým proudem. Autoři a správci těchto stránek nepřejímají záruku za správnost zveřejněných materiálů. Předkládané informace a zapojení jsou zveřejněny bez ohledu na případné patenty třetích osob. Nároky na odškodnění na základě změn, chyb nebo vynechání jsou zásadně vyloučeny. Všechny registrované nebo jiné obchodní známky zde použité jsou majetkem jejich vlastníků. Uvedením nejsou zpochybněna z toho vyplývající vlastnická práva. Použití konstrukcí v rozporu se zákonem je přísně zakázáno. Vzhledem k tomu, že původ předkládaných materiálů nelze žádným způsobem dohledat, nelze je použít pro komerční účely! Tento nekomerční server nemá z uvedených zapojení či konstrukcí žádný zisk. Nezodpovídáme za pravost předkládaných materiálů třetími osobami a jejich původ. V případě, že zjistíte porušení autorského práva či jiné nesrovnalosti, kontaktujte administrátory na diskuzním fóru EB.


PHP-Nuke Copyright © 2005 by Francisco Burzi. This is free software, and you may redistribute it under the GPL. PHP-Nuke comes with absolutely no warranty, for details, see the license.
Čas potřebný ke zpracování stránky 0.19 sekund