Vítejte na Elektro Bastlírn?
Nuke - Elektro Bastlirna
  Vytvořit účet
Hlavní · Fórum · DDump · Profil · Zprávy · Hledat na fóru


Nuke - Elektro Bastlirna: Diskuzní fórum

 FAQFAQ   HledatHledat   Uživatelské skupinyUživatelské skupiny   ProfilProfil   Soukromé zprávySoukromé zprávy   PřihlášeníPřihlášení 

3 fazova regulacia

 
Přidat nové téma   Zaslat odpověď       Obsah fóra Diskuzní fórum Elektro Bastlírny -> Svářečky, UPS, nabíječe, měniče, zdroje, trafa a další
Zobrazit předchozí téma :: Zobrazit následující téma  
Autor Zpráva
jaro1



Založen: Jul 22, 2025
Příspěvky: 13

PříspěvekZaslal: ne únor 08 2026, 11:44    Předmět: 3 fazova regulacia Citovat

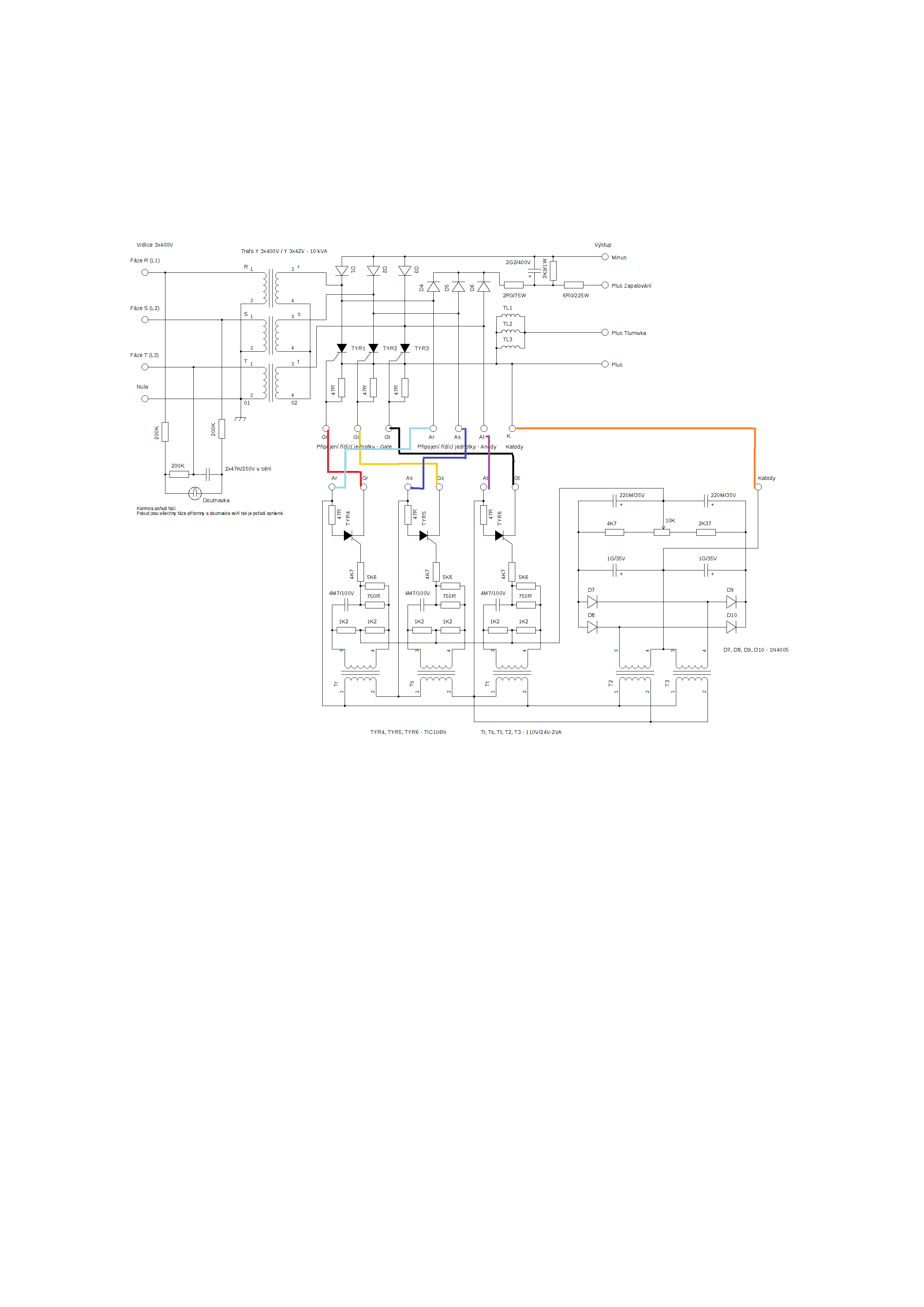
ahojte ,staval uz niekto toto zapojenie? potrebujem regulovat 3 fazove trafo ,sekundar 3x 42v , zvladlo by toto zapojenie regulovat tyristory CKD 250A ? nemam skusenosti s tyristormi ,tak sa bojim aby som ich neodpalil,dakujem pekne za radu


schema 3 fazovy regulator.png
 Komentář:
 Velikost:  16.07 kB
 Zobrazeno:  169 krát

schema 3 fazovy regulator.png


Návrat nahoru
Zobrazit informace o autorovi Odeslat soukromou zprávu
BOBOBO
Doporučuje se dohled statného moderátora


Založen: Feb 25, 2008
Příspěvky: 21012
Bydliště: Rychnovsko

PříspěvekZaslal: ne únor 08 2026, 16:58    Předmět: Citovat

Jo tys vlastně přeběh ze svarfora sem . Laughing Laughing
Návrat nahoru
Zobrazit informace o autorovi Odeslat soukromou zprávu
jaro1



Založen: Jul 22, 2025
Příspěvky: 13

PříspěvekZaslal: po únor 09 2026, 11:43    Předmět: Citovat

Ahoj,som tu pretože to potrebujem nejak doriešiť, trocha sa tých tyristorov aj bojím,nemám s nimi nejaké skúsenosti.Nasiel som túto schému, vyzerá to jednoduchšie než tá na svarfore,autor sa mi tam ani neozval,chcel som sa okolo toho niečo opýtať, nech nespravím chybu
Návrat nahoru
Zobrazit informace o autorovi Odeslat soukromou zprávu
kulikus



Založen: Dec 10, 2009
Příspěvky: 3181

PříspěvekZaslal: čt únor 12 2026, 7:15    Předmět: Citovat

Ano. Řízení má rezervu. Dle typu tyristoru bude možná potřeba vyšší přídržný proud do G (stávající zapojení dodává Ig asi 220mA). Možná bude třeba zmenšit odpor rezistorů 51R - musíš zde uvést přesný typ tyristoru.
_________________
pro mládež a lektory - Hamíkův koutek
Návrat nahoru
Zobrazit informace o autorovi Odeslat soukromou zprávu Zobrazit autorovy WWW stránky
jaro1



Založen: Jul 22, 2025
Příspěvky: 13

PříspěvekZaslal: so únor 14 2026, 21:11    Předmět: Citovat

Ahoj tyristory mam CKD a mam este jednu schemu,ktoru zvazujem pouzit,len neviem ci by nebolo lepsie sekundare napajania Tr Ts Tt T2 T3 navinut na zvaracie trafo ,kolko zavitov ,akeho priemeru ?


tyristor T955 -250-10 LKO.jpg
 Komentář:
 Velikost:  143.18 kB
 Zobrazeno:  2 krát

tyristor T955 -250-10 LKO.jpg



Untitled-1 copy.png
 Komentář:
 Velikost:  80.18 kB
 Zobrazeno:  27 krát

Untitled-1 copy.png




Naposledy upravil jaro1 dne ne únor 15 2026, 14:11, celkově upraveno 1 krát.
Návrat nahoru
Zobrazit informace o autorovi Odeslat soukromou zprávu
BOBOBO
Doporučuje se dohled statného moderátora


Založen: Feb 25, 2008
Příspěvky: 21012
Bydliště: Rychnovsko

PříspěvekZaslal: so únor 14 2026, 21:57    Předmět: Citovat

Tak si namaluj , odkud je to nyní ????????????


3ftr nap.jpg
 Komentář:
 Velikost:  77.27 kB
 Zobrazeno:  31 krát

3ftr nap.jpg


Návrat nahoru
Zobrazit informace o autorovi Odeslat soukromou zprávu
BOBOBO
Doporučuje se dohled statného moderátora


Založen: Feb 25, 2008
Příspěvky: 21012
Bydliště: Rychnovsko

PříspěvekZaslal: so únor 14 2026, 22:09    Předmět: Citovat

To je ten rozdíl od řízení primáru , co sem cpeš . Zde jede trafo stále na 100% a ty si vezmeš , co chceš .
Návrat nahoru
Zobrazit informace o autorovi Odeslat soukromou zprávu
barnodaj



Založen: Apr 16, 2011
Příspěvky: 1030
Bydliště: Vodňansko

PříspěvekZaslal: so únor 14 2026, 22:36    Předmět: Citovat

T955 je rychlý tyristor, má nižší odpor hradla a potřebuje větší výkon zapalovacího impulzu (větší proud)!
Návrat nahoru
Zobrazit informace o autorovi Odeslat soukromou zprávu
BOBOBO
Doporučuje se dohled statného moderátora


Založen: Feb 25, 2008
Příspěvky: 21012
Bydliště: Rychnovsko

PříspěvekZaslal: so únor 14 2026, 23:43    Předmět: Citovat

Díval ses vůbec do schema ? Rolling Eyes Rolling Eyes Rolling Eyes
Návrat nahoru
Zobrazit informace o autorovi Odeslat soukromou zprávu
kulikus



Založen: Dec 10, 2009
Příspěvky: 3181

PříspěvekZaslal: ne únor 15 2026, 11:24    Předmět: Citovat

kulikus napsal(a):
Ano. Řízení má rezervu. Dle typu tyristoru bude možná potřeba vyšší přídržný proud do G ...

T955-250-12 potřebuje Ugt 3V a Igt 300mA.
51R nahraď 28R/5W, přidej další kond 1mF paralelně k původnímu.
LM7812 na 1A a pokud bude hřát, na chladič.

Kup si nejaký malý tyristor a vyzkoušej si na jednoduchém obvodu se žárovkou a při bezpečném napětí jak se chová, ať máš jasno v jeho funkci a katalogových termínech.

Prosím také velká písmena na začátku vět! Nejsi-li ochoten ztratit chvilku volbou velkého písmene na začátku věty, proč čekáš ochotu ostatních ztrácet čas psaním odpovědí?

_________________
pro mládež a lektory - Hamíkův koutek
Návrat nahoru
Zobrazit informace o autorovi Odeslat soukromou zprávu Zobrazit autorovy WWW stránky
barnodaj



Založen: Apr 16, 2011
Příspěvky: 1030
Bydliště: Vodňansko

PříspěvekZaslal: ne únor 15 2026, 12:21    Předmět: Citovat

Přídržný proud neteče do G!!!

Katalogové údaje rychlých tyristorů ČKD (v roce 2009 označené v katalogu jako výběhové typy):



TR.png
 Komentář:
 Velikost:  48.86 kB
 Zobrazeno:  3 krát

TR.png



TR1.png
 Komentář:
 Velikost:  30.4 kB
 Zobrazeno:  1 krát

TR1.png



TR2.png
 Komentář:
 Velikost:  15.81 kB
 Zobrazeno:  4 krát

TR2.png


Návrat nahoru
Zobrazit informace o autorovi Odeslat soukromou zprávu
jaro1



Založen: Jul 22, 2025
Příspěvky: 13

PříspěvekZaslal: ne únor 15 2026, 14:19    Předmět: Citovat

kulikus napsal(a):
kulikus napsal(a):
Ano. Řízení má rezervu. Dle typu tyristoru bude možná potřeba vyšší přídržný proud do G ...

T955-250-12 potřebuje Ugt 3V a Igt 300mA.
51R nahraď 28R/5W, přidej další kond 1mF paralelně k původnímu.
LM7812 na 1A a pokud bude hřát, na chladič.

Kup si nejaký malý tyristor a vyzkoušej si na jednoduchém obvodu se žárovkou a při bezpečném napětí jak se chová, ať máš jasno v jeho funkci a katalogových termínech.

Prosím také velká písmena na začátku vět! Nejsi-li ochoten ztratit chvilku volbou velkého písmene na začátku věty, proč čekáš ochotu ostatních ztrácet čas psaním odpovědí?


Sorry,prehliadol som male pismeno na zaciatku vety,pisem z mobilu,tak preto.Takze k 680nf paralelne pripojit 1uF kond.Ok dakujem,a tato druha schema je pouzitelna?Co je lepsie ridit tyristory cez optocleny,alebo impulznymi trafkami? pytam sa preto ,lebo s tyristormi som nikdy nic nerobil,ani sa s nimi nezaoberal,tak sa v tom nevyznam,Kulikus dakujem


Naposledy upravil jaro1 dne ne únor 15 2026, 17:28, celkově upraveno 1 krát.
Návrat nahoru
Zobrazit informace o autorovi Odeslat soukromou zprávu
danhard



Založen: Mar 05, 2007
Příspěvky: 6585
Bydliště: Jesenice u Prahy

PříspěvekZaslal: ne únor 15 2026, 16:44    Předmět: Citovat

BOBOBO napsal(a):
To je ten rozdíl od řízení primáru , co sem cpeš . Zde jede trafo stále na 100% a ty si vezmeš , co chceš .

Dyť sem žádný řízení v primáru nedává ?
Ty BOBOBO, rozumíš tomu aspoň trochu ? Laughing
Návrat nahoru
Zobrazit informace o autorovi Odeslat soukromou zprávu Odeslat e-mail
Zobrazit příspěvky z předchozích:   
Přidat nové téma   Zaslat odpověď       Obsah fóra Diskuzní fórum Elektro Bastlírny -> Svářečky, UPS, nabíječe, měniče, zdroje, trafa a další Časy uváděny v GMT + 1 hodina
Strana 1 z 1

 
Přejdi na:  
Nemůžete odesílat nové téma do tohoto fóra.
Nemůžete odpovídat na témata v tomto fóru.
Nemůžete upravovat své příspěvky v tomto fóru.
Nemůžete mazat své příspěvky v tomto fóru.
Nemůžete hlasovat v tomto fóru.
Nemůžete připojovat soubory k příspěvkům
Můžete stahovat a prohlížet přiložené soubory

Powered by phpBB © 2001, 2005 phpBB Group
Forums ©
Nuke - Elektro Bastlirna

Informace na portálu Elektro bastlírny jsou prezentovány za účelem vzdělání čtenářů a rozšíření zájmu o elektroniku. Autoři článků na serveru neberou žádnou zodpovědnost za škody vzniklé těmito zapojeními. Rovněž neberou žádnou odpovědnost za případnou újmu na zdraví vzniklou úrazem elektrickým proudem. Autoři a správci těchto stránek nepřejímají záruku za správnost zveřejněných materiálů. Předkládané informace a zapojení jsou zveřejněny bez ohledu na případné patenty třetích osob. Nároky na odškodnění na základě změn, chyb nebo vynechání jsou zásadně vyloučeny. Všechny registrované nebo jiné obchodní známky zde použité jsou majetkem jejich vlastníků. Uvedením nejsou zpochybněna z toho vyplývající vlastnická práva. Použití konstrukcí v rozporu se zákonem je přísně zakázáno. Vzhledem k tomu, že původ předkládaných materiálů nelze žádným způsobem dohledat, nelze je použít pro komerční účely! Tento nekomerční server nemá z uvedených zapojení či konstrukcí žádný zisk. Nezodpovídáme za pravost předkládaných materiálů třetími osobami a jejich původ. V případě, že zjistíte porušení autorského práva či jiné nesrovnalosti, kontaktujte administrátory na diskuzním fóru EB.


PHP-Nuke Copyright © 2005 by Francisco Burzi. This is free software, and you may redistribute it under the GPL. PHP-Nuke comes with absolutely no warranty, for details, see the license.
Čas potřebný ke zpracování stránky 0.16 sekund