Vítejte na Elektro Bastlírn?
Nuke - Elektro Bastlirna
  Vytvořit účet
Hlavní · Fórum · DDump · Profil · Zprávy · Hledat na fóru


Nuke - Elektro Bastlirna: Diskuzní fórum

 FAQFAQ   HledatHledat   Uživatelské skupinyUživatelské skupiny   ProfilProfil   Soukromé zprávySoukromé zprávy   PřihlášeníPřihlášení 

Co jste přinesli zajímavého ze sběrného dvora 5
Jdi na stránku Předchozí  1, 2, 3 ... , 30, 31, 32  Další
 
Přidat nové téma   Zaslat odpověď       Obsah fóra Diskuzní fórum Elektro Bastlírny -> Nezařaditelné
Zobrazit předchozí téma :: Zobrazit následující téma  
Autor Zpráva
RayeR



Založen: Aug 02, 2009
Příspěvky: 1721
Bydliště: Praha

PříspěvekZaslal: ne únor 08 2026, 3:33    Předmět: Citovat

Jj, to je problem rady akupacku, i treba Parkside baterek z lidlu...
Nejhorsi je, kdyz to po takovem rozbalancovani naky "chytry" cip odstavi uplne (nekdy i prepali nevratnou pojistku) a nepomuze ani dobiti - je treba resetovat cip...
Návrat nahoru
Zobrazit informace o autorovi Odeslat soukromou zprávu Zobrazit autorovy WWW stránky
rnbw



Založen: Mar 21, 2006
Příspěvky: 37145
Bydliště: Bratislava

PříspěvekZaslal: ne únor 08 2026, 10:36    Předmět: Citovat

Tu je tiez nejaky procesor, ale typ neviem - je zalakovane a nechcem to oskrabavat. Jednym vyvodom komunikuje s hlavnym procesorom - na displeji ukazuje stav baterie este presnejsie a vraj dokaze zobrazit aj rozne chyby nabijania. Prepalovaciu poistku nema, snad ani permanentne blokovanie.

[edit]
Nabija to asi pokym nejaky clanok nedosiahne 4,1V. Vtedy ostanu svietit vsetky LED a po chvili zhasnu. Vtedy sa nabijanie nevypne uplne, ale do clankov to pusta nejake pulzy. Snad na vyrovnanie.



atvel_bateria_1.jpg
 Komentář:
 Velikost:  134.64 kB
 Zobrazeno:  12 krát

atvel_bateria_1.jpg



atvel_bateria_2.jpg
 Komentář:
 Velikost:  279.62 kB
 Zobrazeno:  17 krát

atvel_bateria_2.jpg


Návrat nahoru
Zobrazit informace o autorovi Odeslat soukromou zprávu
RayeR



Založen: Aug 02, 2009
Příspěvky: 1721
Bydliště: Praha

PříspěvekZaslal: po únor 09 2026, 0:17    Předmět: Citovat

Predloni sem reverzoval ten parkside aku, byla tu o tom rec v jinem vlakne, a ten nema ani balancing, jen ochranu, ktera to odpoji pri dosazeni Umax na prvnim clanku, takze ostatni se nedobijou naplno a casem se to rozbalancuje...
http://rayer.g6.cz/elektro/liionchg.htm#BAT_PARKSIDE_X20V

Jeste sem zkoumal jeden starsi HDD WD VelociRaptor, ktery se choval trochu podivne. Pri prvnim pohledu na SMART OK, zadne BB ani pending. Quicktest OK. Zacal sem formatovat oddily a najednou tuk tuk recoverying... a udalo se na nem par bedaru. Ve SMARTu se objevily 4 pending sektory. Tak jsem zkousel dat ve Victorii plny R/W test a este selftest a bedary zahadne mizely, formatovani oddilu probehlo hladce. Ve SMARTu je aktualne zas 0 realloc, 0 pending. Predpokladam, ze se asi realokovaly z nake rezervy, ale z nakeho duvodu je to nezapocetlo. Nebo ze by se tim R/W testem zahadne vzpamatovaly?
Návrat nahoru
Zobrazit informace o autorovi Odeslat soukromou zprávu Zobrazit autorovy WWW stránky
rnbw



Založen: Mar 21, 2006
Příspěvky: 37145
Bydliště: Bratislava

PříspěvekZaslal: po únor 09 2026, 8:37    Předmět: Citovat

Niekedy byvaju sektory necitatelne ale po novom zapise su OK.
Windowsacky format z neznameho dovodu sektory najprv cita.
Kazdy "novy" disk najprv prepisem (dd if=/dev/zero ... ), az potom spustam smart short a nasledne long test.
Návrat nahoru
Zobrazit informace o autorovi Odeslat soukromou zprávu
judeware



Založen: Aug 04, 2009
Příspěvky: 1854
Bydliště: okres Písek

PříspěvekZaslal: út únor 10 2026, 21:47    Předmět: Citovat

• [1] BK156. Vzadu je dodatečně vrtané řešeto pro malý interní reproduktor.

• [2, 3, 4] Transiwatt 140P. Po ručním odkrytování (chyběly šrouby, poslední cm ohybu je pomuchlaný) jsem se ušklíbl, anžto deska je motivem nahoru a tudížžž se nedají střeva snadno fotit. Žádné hnědavé tam zřejmě nejsou a převažují "novější" el. TF. Nemá žádné korekčníky.

• [5] Neznámý vojín "rr". Možná je i gramopotentní. Nevím



IMG_0713.JPG
 Komentář:
BK156
 Velikost:  288.05 kB
 Zobrazeno:  14 krát

IMG_0713.JPG



IMG_0712.JPG
 Komentář:
Transiwatt 140P
 Velikost:  202.78 kB
 Zobrazeno:  21 krát

IMG_0712.JPG



IMG_0714.JPG
 Komentář:
Hnízdo na DINu je "originál"?
 Velikost:  268.15 kB
 Zobrazeno:  19 krát

IMG_0714.JPG



IMG_0715.JPG
 Komentář:
Na malé straně jen dva dráty?
 Velikost:  281.7 kB
 Zobrazeno:  19 krát

IMG_0715.JPG



IMG_0711.JPG
 Komentář:
Co je zač?
 Velikost:  227.17 kB
 Zobrazeno:  42 krát

IMG_0711.JPG




Naposledy upravil judeware dne st únor 11 2026, 21:49, celkově upraveno 1 krát.
Návrat nahoru
Zobrazit informace o autorovi Odeslat soukromou zprávu Odeslat e-mail
judeware



Založen: Aug 04, 2009
Příspěvky: 1854
Bydliště: okres Písek

PříspěvekZaslal: út únor 10 2026, 21:57    Předmět: Citovat

Střeva neznámého. Takto nemožně rozšroubované to bylo. Obal je dřevěný kvádr se vzdušným předním a zadním čelem. Kostra a elektrostřeva se do něj zasouvají, teoreticky stačí za účelem demontážžž povolit jeden šroub (nebyl tam). Skříňka nemá žádné nožky. 2+2+1 tr., (lichý je KD503), svíčkové diody russké. Minimum hnědavých (min. dva naprasklé). Výrazně složitější zapojení oproti TW140P.


IMG_0710.JPG
 Komentář:
Co je to za typ?
 Velikost:  271.01 kB
 Zobrazeno:  80 krát

IMG_0710.JPG


Návrat nahoru
Zobrazit informace o autorovi Odeslat soukromou zprávu Odeslat e-mail
EKKAR



Založen: Mar 16, 2005
Příspěvky: 35142
Bydliště: Česká Třebová, JN89FW21

PříspěvekZaslal: st únor 11 2026, 2:38    Předmět: Citovat

Korekční preamp připomíná Zetawatt nebo obdobnej nf preamp z RK tuším ze 74.roku.
_________________
Nasliněný prst na svorkovnici domovního rozvaděče: Jó, paninko, máte tam ty Voltíky všecky...
A kutilmile - nelituju tě Mr. Green Mr. Green !!!
Návrat nahoru
Zobrazit informace o autorovi Odeslat soukromou zprávu Odeslat e-mail
ZVUK2000



Založen: Apr 22, 2012
Příspěvky: 4459
Bydliště: Karvinsko

PříspěvekZaslal: st únor 11 2026, 7:46    Předmět: Citovat

Nějak mi ve své době uniklo že už se dělaly dvoubarevné LEDky. Ta úplně vpravo bude asi VQA70 nebo 80.
Návrat nahoru
Zobrazit informace o autorovi Odeslat soukromou zprávu Odeslat e-mail
EKKAR



Založen: Mar 16, 2005
Příspěvky: 35142
Bydliště: Česká Třebová, JN89FW21

PříspěvekZaslal: st únor 11 2026, 7:54    Předmět: Citovat

Jo, dělaly se - třívývodová červená+zelená, když se zapojily oba "systémy", svítila oranžově. A pak trojvývodová žlutá+zelená, která při společnýmn svícení měla zelenožlutou barvu. Vím, že se dovážely dvojvývodový červeno-zelený, který svítily jednou barvou podle přivedený polarity (čipy byly zapojený antiparalelně). Tohle platilo zhruba do začátku 90.let. Pak se objevily první (samozřejmě dovozový) trojbarevný (červená, žlutá a zelená) a během "devadesátek" se s rozvojem výroby modře svítících LED začaly objevovat na trhu i RGB LED. To už ale ve Vrchlabí výroba dávno neběžela ...
_________________
Nasliněný prst na svorkovnici domovního rozvaděče: Jó, paninko, máte tam ty Voltíky všecky...
A kutilmile - nelituju tě Mr. Green Mr. Green !!!
Návrat nahoru
Zobrazit informace o autorovi Odeslat soukromou zprávu Odeslat e-mail
Celeron



Založen: Apr 02, 2011
Příspěvky: 20342
Bydliště: Nový Bydžov

PříspěvekZaslal: čt únor 12 2026, 15:53    Předmět: Citovat

EKKAR napsal(a):
Korekční preamp připomíná Zetawatt nebo obdobnej nf preamp z RK tuším ze 74.roku.

Ten tranzistorovej korekčák alá Zetawatt jsem měl v zesáku, co jsem stavěl v roce 1979. Takže rok jsi asi trefil. Ale koncák u toho byl jinej, jedna velká deska a na konci měly být 4 KD-čka. Ale matně vzpomínám, že KD50x byl úzkej profil a tak tam byly KU605. Pak to ze mě někdo vykručel i s bednama.

_________________
Jirka

Proč mi nemůže všechno chodit hned ?!!
Návrat nahoru
Zobrazit informace o autorovi Odeslat soukromou zprávu
PavelFF



Založen: Feb 18, 2008
Příspěvky: 5329
Bydliště: Brno

PříspěvekZaslal: čt únor 12 2026, 17:09    Předmět: Citovat

Předzesilovač je Transiwat TW40.
Návrat nahoru
Zobrazit informace o autorovi Odeslat soukromou zprávu
EKKAR



Založen: Mar 16, 2005
Příspěvky: 35142
Bydliště: Česká Třebová, JN89FW21

PříspěvekZaslal: čt únor 12 2026, 18:37    Předmět: Citovat

Celeron napsal(a):
EKKAR napsal(a):
Korekční preamp připomíná Zetawatt nebo obdobnej nf preamp z RK tuším ze 74.roku.

Ten tranzistorovej korekčák alá Zetawatt jsem měl v zesáku, co jsem stavěl v roce 1979. Takže rok jsi asi trefil. ... .
I hovnajs, velebnosti - Zetawatt měl korekce od samýho začátku s operákama, nejdřív s MAA741 a následně s piešťanskou pomstou audiofilům MA1458. Ale má podobně rozmístěný kondíky a odpory kolem tandemovejch poťáků řady TP280 jako ten tady popisovanej.
_________________
Nasliněný prst na svorkovnici domovního rozvaděče: Jó, paninko, máte tam ty Voltíky všecky...
A kutilmile - nelituju tě Mr. Green Mr. Green !!!
Návrat nahoru
Zobrazit informace o autorovi Odeslat soukromou zprávu Odeslat e-mail
ransom



Založen: Jul 19, 2020
Příspěvky: 3828
Bydliště: Náchod

PříspěvekZaslal: čt únor 12 2026, 20:46    Předmět: Citovat

Jenomže ten na obrázku je tranzistorovej s KC149. Takže rozhodně není à la Zettawatt.
_________________
Nepoužívám smajlíky. Pobavený nebo ironický tón si laskavě domyslete sami.
Návrat nahoru
Zobrazit informace o autorovi Odeslat soukromou zprávu
PavelFF



Založen: Feb 18, 2008
Příspěvky: 5329
Bydliště: Brno

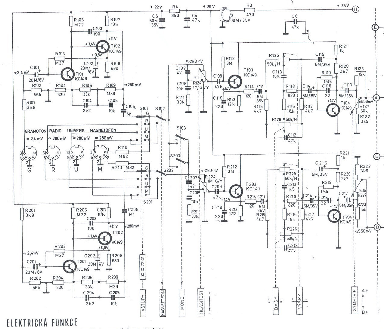
PříspěvekZaslal: čt únor 12 2026, 22:30    Předmět: Citovat

Tady je od něj schéma. To jsem zpětně odvodil z fotky desky Smile


tw40_3.jpg
 Komentář:
 Velikost:  262.44 kB
 Zobrazeno:  13 krát

tw40_3.jpg


Návrat nahoru
Zobrazit informace o autorovi Odeslat soukromou zprávu
judeware



Založen: Aug 04, 2009
Příspěvky: 1854
Bydliště: okres Písek

PříspěvekZaslal: čt únor 12 2026, 23:17    Předmět: Citovat

Já našel jen od TW140P. Ono to opravdu slaboproudě třídrátové není. Embarassed Zato je gramoimpotentní. Sad Na papíře to nevypadá složitě. Ovšem že by se mi chtělo (do důchodu času dost, napočítal jsem 3292) zahájit restaurátorštinu zrenovováním předku... Nevím Jak a čím tam ty nápisy dělali? Napadla mě v prvním momentu jen taková šílenost - použít řešení, které se používá u firemních pomalovanců, tj. vozidel, která jsou polepená dle řemeslníka-zadavatele, např. "DERADO - deratizace Novák" apod. Samozřejmě malými písmenky (pokud by něco takovéího šlo provést). Nebo snad nějakými štítky? A lakýra taky nejsem. Embarassed


TW140P.PDF
 Komentář:
Raději ke stažení

Stáhnout
 Soubor:  TW140P.PDF
 Velikost:  54.04 kB
 Staženo:  9 krát

Návrat nahoru
Zobrazit informace o autorovi Odeslat soukromou zprávu Odeslat e-mail
Zobrazit příspěvky z předchozích:   
Přidat nové téma   Zaslat odpověď       Obsah fóra Diskuzní fórum Elektro Bastlírny -> Nezařaditelné Časy uváděny v GMT + 1 hodina
Jdi na stránku Předchozí  1, 2, 3 ... , 30, 31, 32  Další
Strana 31 z 32

 
Přejdi na:  
Nemůžete odesílat nové téma do tohoto fóra.
Nemůžete odpovídat na témata v tomto fóru.
Nemůžete upravovat své příspěvky v tomto fóru.
Nemůžete mazat své příspěvky v tomto fóru.
Nemůžete hlasovat v tomto fóru.
Nemůžete připojovat soubory k příspěvkům
Můžete stahovat a prohlížet přiložené soubory

Powered by phpBB © 2001, 2005 phpBB Group
Forums ©
Nuke - Elektro Bastlirna

Informace na portálu Elektro bastlírny jsou prezentovány za účelem vzdělání čtenářů a rozšíření zájmu o elektroniku. Autoři článků na serveru neberou žádnou zodpovědnost za škody vzniklé těmito zapojeními. Rovněž neberou žádnou odpovědnost za případnou újmu na zdraví vzniklou úrazem elektrickým proudem. Autoři a správci těchto stránek nepřejímají záruku za správnost zveřejněných materiálů. Předkládané informace a zapojení jsou zveřejněny bez ohledu na případné patenty třetích osob. Nároky na odškodnění na základě změn, chyb nebo vynechání jsou zásadně vyloučeny. Všechny registrované nebo jiné obchodní známky zde použité jsou majetkem jejich vlastníků. Uvedením nejsou zpochybněna z toho vyplývající vlastnická práva. Použití konstrukcí v rozporu se zákonem je přísně zakázáno. Vzhledem k tomu, že původ předkládaných materiálů nelze žádným způsobem dohledat, nelze je použít pro komerční účely! Tento nekomerční server nemá z uvedených zapojení či konstrukcí žádný zisk. Nezodpovídáme za pravost předkládaných materiálů třetími osobami a jejich původ. V případě, že zjistíte porušení autorského práva či jiné nesrovnalosti, kontaktujte administrátory na diskuzním fóru EB.


PHP-Nuke Copyright © 2005 by Francisco Burzi. This is free software, and you may redistribute it under the GPL. PHP-Nuke comes with absolutely no warranty, for details, see the license.
Čas potřebný ke zpracování stránky 0.26 sekund