Vítejte na Elektro Bastlírn?
Nuke - Elektro Bastlirna
  Vytvořit účet
Hlavní · Fórum · DDump · Profil · Zprávy · Hledat na fóru


Nuke - Elektro Bastlirna: Diskuzní fórum

 FAQFAQ   HledatHledat   Uživatelské skupinyUživatelské skupiny   ProfilProfil   Soukromé zprávySoukromé zprávy   PřihlášeníPřihlášení 

Zatlumení vstupu starých zesilovačů

 
Přidat nové téma   Zaslat odpověď       Obsah fóra Diskuzní fórum Elektro Bastlírny -> Audiotechnika
Zobrazit předchozí téma :: Zobrazit následující téma  
Autor Zpráva
ransom



Založen: Jul 19, 2020
Příspěvky: 4005
Bydliště: Náchod

PříspěvekZaslal: čt únor 05 2026, 21:49    Předmět: Zatlumení vstupu starých zesilovačů Citovat

Už jsem tuhle věc rozebíral před pár lety jinde. Ale že jsem zase restauroval nějaké vintage zesilovače, vyrobil jsem si do foroty udělátka. Je možné, že se to bude hodit i někomu jinému.

Zesilovače z vintage éry mívaly na linkových vstupech (Tuner, Line, Aux, Tape...) poměrně velkou citlivost. Typicky nějakých 150mV. Pokud dnes takový zesilovač chcete nakrmit výstupem nějakého moderního zařízení (zvuková karta, DAC, streamer, DVD player) s výstupním napětím 1-2V, nastane hned několik problémů.

První problém je ten, že pokud zesilovač má fyziologický regulátor, pak fyziologická korekce nasazuje při nesmyslně velké úrovni.

Druhý problém je, že ztratíte komfortní průběh regulace hlasitosti. Správně by měl být zesilovač plně vybuzený na horním konci dráhy potenciometru Volume, nebo kousek před ním. V dolní polovině dráhy by mělo být možné pohodlně nastavit tichý poslech, což při silném vstupním signálu jde dost špatně, a zesilovač může být vybuzený naplno klidně už kolem poloviny dráhy. Navíc mohou být problémy se souběhem kanálů u dolního konce dráhy.

Poslední problém není častý, ale setkal jsem se s ním už. Vstupní obvody některých zesilovačů neměly velkou přebuditelnost. Můžete se tak setkat i se zkreslením nezávislým na poloze regulace hlasitosti.

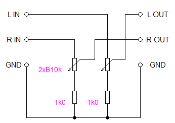
Nabízí se možnost u některého vybraného vstupu snížit citlivost děličem. Vstup pro gramofon je použitelný stále stejně - výstupní úroveň přenosky je i dnes stejná. Některé vstupy se mohou hodit pro připojení dobového tuneru nebo magnetofonu, tam úrovně budou většinou sedět. Není ale problém zatlumit jeden univerzální vstup. Dělal jsem to dřív pevným odporovým děličem s útlumem kolem 10-15dB, podle potřeby. teď jsem se ale dohodl s majiteli nějakých Japonců na útlumu regulovaném.
Na to vyhoví běžný a laciný dvojitý lineární potenciometr 10k s dolním koncem podepřeným rezistorem 1k. Vstupní odpor těch cca 10 kiloohmů pro moderní zdroje signálu vyhovuje. Průběh je přibližně lineární, rozsah 0 až cca -20dB. Nastavování je snadné a dostatečně jemné. Pro pohodlnou montáž je potenciometr i s rezistory na miniaturním plošňáčku. Stačí na zadním panelu zesilovače někde poblíž konektorů vyvrtat díru a potenciometr namontovat maticí. Zapojí se do přerušené cesty na DPS, nebo vydrátuje podle potřeby.

Aktuálně to mám zprovozněné na dvou kusech Sansui A-60, které nový DAC budil nesmyslně moc (takže s tím byly právě zmíněné první dva problémy). Se vstupním signálem staženým kousek pod polovinu dráhy přidaného potenciometru je zesilovač plně vybuzený právě při Volume nadoraz.

Není to žádný můj objev ani patent, jde o známou věc. Ale kdyby někdo měl dojem, že se mu to hodí, tak je k dispozici podklad pro DPS (ve Sprint Layoutu) a nějaký kus mi i zbude. Potenciometr i s knoflíkem vyjde na 15 korun na Hadexu. Potenciometry neharaší a mají použitelnou toleranci i souběh.

https://hadex.cz/o014-pristrojovy-knoflik-15x17mm-hridel-6mm-cerno-bily/

https://hadex.cz/u759-10kn-hridel-6x13mm-potenciometr-otocny-tandemovy/




2026-02-05_21h03_05.png
 Komentář:
 Velikost:  20.6 kB
 Zobrazeno:  12 krát

2026-02-05_21h03_05.png



POT 20dB.png
 Komentář:
 Velikost:  3.97 kB
 Zobrazeno:  33 krát

POT 20dB.png



_________________
Nepoužívám smajlíky. Pobavený nebo ironický tón si laskavě domyslete sami.
Návrat nahoru
Zobrazit informace o autorovi Odeslat soukromou zprávu
Ivan_01



Založen: Sep 15, 2018
Příspěvky: 1512
Bydliště: BB SK

PříspěvekZaslal: pá únor 06 2026, 8:16    Předmět: Citovat

ak to je pre vlastnú potrebu tak OK, ale keby mi niekto navŕtal dieru a dal takýto gombík do nejakého vymazleného vintage zariadenia, tak neviem, neviem. Nebolo by to vhodnejšie zabudovať do nejakej krabičky na prepojovacej šnúre ?
Návrat nahoru
Zobrazit informace o autorovi Odeslat soukromou zprávu
mi-ro



Založen: Feb 08, 2005
Příspěvky: 8774
Bydliště: rovina u Kolína

PříspěvekZaslal: pá únor 06 2026, 8:57    Předmět: Citovat

Nelze než souhlasit. Lepší by ale byla varianta snížit zisk preampu. Snížil by se tím i jeho základní šum. Ale ano, poměry vstupního signálu a zesílení je docela alchymie. Pouze jejich ideálním přizpůsobení lze získat max. nezkreslený výkon a odstup. Jak už napsal ransom i komfort při ovládání pomocí potencometrů. Potkávám "umělce" co tvrdí že hrají na 1/4 výkonu zesilovače páč potenciometr je v 1/4 dráhy.
_________________
..to bude jen ňákej odpůrek
Návrat nahoru
Zobrazit informace o autorovi Odeslat soukromou zprávu Odeslat e-mail
Hill
Administrátor


Založen: Sep 10, 2004
Příspěvky: 21283
Bydliště: Jičín, Český ráj

PříspěvekZaslal: pá únor 06 2026, 9:12    Předmět: Citovat

Ivan_01 napsal(a):
...Nebolo by to vhodnejšie zabudovať do nejakej krabičky na prepojovacej šnúre ?

To běžně dělám, ale samotný zesilovač je pak přenositelný jinam jen s tou šňůrou. A knoflík na zadní stěně neruší ani u vintage zařízení, stejně se jednou nastaví pro dané použití a pak už se na něj dlouho nesahá, takže se dá udělat jen nenápadná díra pro šroubovák, kterým se ten poťák nastaví, a díra se zakryje nábytkářskou záslepkou.
Ještě méně nápadné můžou být posuvné přepínače 0 / -10 / -20 dB pro každý vstup, jen to komplikují obdélníkové díry bez záslepky.

Mimochodem - potenciometry na srovnání citlivosti vstupů (někde jim říkají vstupní tlumič) měly všechny slušné mixpulty, aby při mixáži vycházely šavle přibližne do ¾ dráhy. A některé měly knoflík v rovině panelu, jen v něm byla drážka pro minci.


Naposledy upravil Hill dne pá únor 06 2026, 9:14, celkově upraveno 2 krát.
Návrat nahoru
Zobrazit informace o autorovi Odeslat soukromou zprávu
vaclavpe



Založen: May 16, 2007
Příspěvky: 150
Bydliště: Rožnov p.R.

PříspěvekZaslal: pá únor 06 2026, 9:13    Předmět: Citovat

Já vpájel dělič z SMD rezistorů přímo do jacka. Doporučuji to udělat jako T článek, ať nemusíte řešit, který konec je který.
Návrat nahoru
Zobrazit informace o autorovi Odeslat soukromou zprávu
ZVUK2000



Založen: Apr 22, 2012
Příspěvky: 4499
Bydliště: Karvinsko

PříspěvekZaslal: pá únor 06 2026, 9:32    Předmět: Citovat

ransom napsal(a):


Není to žádný můj objev ani patent, jde o známou věc.

Ano některé přístroje to mají od výroby. A je to na šroubovák jak píše Hill.



linka.jpg
 Komentář:
 Velikost:  82.51 kB
 Zobrazeno:  29 krát

linka.jpg


Návrat nahoru
Zobrazit informace o autorovi Odeslat soukromou zprávu Odeslat e-mail
ZVUK2000



Založen: Apr 22, 2012
Příspěvky: 4499
Bydliště: Karvinsko

PříspěvekZaslal: pá únor 06 2026, 10:00    Předmět: Citovat

Hill napsal(a):


Mimochodem - potenciometry na srovnání citlivosti vstupů (někde jim říkají vstupní tlumič) měly všechny slušné mixpulty, aby při mixáži vycházely šavle přibližne do ¾ dráhy. A některé měly knoflík v rovině panelu, jen v něm byla drážka pro minci.

Nebo rozhlasové ústředny. Třeba tady od mikrofonu až po linku. Jen nezapínat při lince FANTOM Very Happy



stredna.jpg
 Komentář:
 Velikost:  97.76 kB
 Zobrazeno:  8 krát

stredna.jpg


Návrat nahoru
Zobrazit informace o autorovi Odeslat soukromou zprávu Odeslat e-mail
mi-ro



Založen: Feb 08, 2005
Příspěvky: 8774
Bydliště: rovina u Kolína

PříspěvekZaslal: pá únor 06 2026, 12:09    Předmět: Citovat

Gain je potenciometr ve zpětné vazbě předzesilovače. Určuje zisk-zesílení. Dělič upravuje úroveň vstupního signálu. Dá se i takto Very Happy


66023660_2845246492183756_8316295624207106048_n.jpg
 Komentář:
 Velikost:  117.2 kB
 Zobrazeno:  53 krát

66023660_2845246492183756_8316295624207106048_n.jpg



_________________
..to bude jen ňákej odpůrek
Návrat nahoru
Zobrazit informace o autorovi Odeslat soukromou zprávu Odeslat e-mail
ZVUK2000



Založen: Apr 22, 2012
Příspěvky: 4499
Bydliště: Karvinsko

PříspěvekZaslal: pá únor 06 2026, 12:19    Předmět: Citovat

Ano jsou dva jiné způsoby, ale výsledek je stejný.
Návrat nahoru
Zobrazit informace o autorovi Odeslat soukromou zprávu Odeslat e-mail
ransom



Založen: Jul 19, 2020
Příspěvky: 4005
Bydliště: Náchod

PříspěvekZaslal: pá únor 06 2026, 17:46    Předmět: Citovat

Všecky připomínky jsou samozřejmě relevantní.
Žádné řešení není univerzální, každé se hodí do jiné situace.
1) Ano, v případě sbírkového kusu by takový zásah mohl být chápán jako svatokrádež. Dělám takové věci pouze na výslovné přání majitele.
2) Ne vždycky se dá operovat s předzesilovačem. On často žádný ani není, cesta až po koncák je pasivní. Navíc by to v konkrétních případech znamenalo snížit zisk pro všechny vstupy, což není cílem.
3) Gain vstupní jednotky mixu zpravidla reguluje v oblasti kladného zisku (mění citlivost v rozmezí od mikrofonu po linku), jen málokdy reguluje až do útlumu. Získat útlum je mnohem jednodušší pasivně, nač tam dodělávat další aktivní stupně.
4) Odstup šumu je od výrobce definovaný pro jmenovité vstupní napětí. Snížením vstupního napětí na jmenovitou úroveň se tedy nezhorší.

Dělal jsem podobné čuňárny vícekrát, hlavně u všelijakých AZS217, Transiwattů a všelijakých levných vintage zázraků na druhotné použití. Majitelé ze svých vlastních důvodů nechtěli vestavovat děliče do kabelů, ani dávat za přístroj další krabičky. Pravda je, že si s tím nikdy hlavu moc nelámu. Buď ta věc bude fubgovat dobře s úpravou, nebo špatně v originálním stavu.

Svůj příspěvek jsem směřoval spíš k tomu, že je k dispozici podklad pro tu miniaturní DPS, eventuelně že mi něco bude ležet i v šufleti, kdyby někdo náhodou hrozně moc potřeboval. Tedy než to zase spotřebuju. (To samé mám naplánované na vstupní citlivost samotných koncových zesilovačů.)

Ještě jsem si vzpomněl na jedno udělátko, ale to je jenom na zkoušení. Když potřebuju rychle zkusit funkčnost PHONO vstupu a nechci zesilovač stěhovat ke gramofonu a všecko přepojovat, mám v malé kovové krabičce pasivní dělič/filtr pro buzení PHONO vstupu běžným linkovým signálem. Není to hifi, jenom na zkoušku funguje-nefunguje. Vlivem výstupní impedance zdroje signálu se malinko zvlní horní konec pásma, ale nic dramatického. Kdyby to nebyl principielní nesmysl, normálně by se to dalo poslouchat. Ale to by člověk musel bejt fakt divnej.



RIAA sim.png
 Komentář:
 Velikost:  14.1 kB
 Zobrazeno:  13 krát

RIAA sim.png



RIAA out.jpg
 Komentář:
 Velikost:  148.17 kB
 Zobrazeno:  9 krát

RIAA out.jpg



_________________
Nepoužívám smajlíky. Pobavený nebo ironický tón si laskavě domyslete sami.
Návrat nahoru
Zobrazit informace o autorovi Odeslat soukromou zprávu
TheLastUnicorn



Založen: Jan 17, 2018
Příspěvky: 545
Bydliště: Trenčín

PříspěvekZaslal: pá únor 06 2026, 18:35    Předmět: Citovat

A já asi jako jediný vlastním zvukové karty, přehrávače a magnetofony s tak nízkou výstupní úrovní, že jsem s výjimkou jednoho případu nikdy nemusel vstupní citlivost upravovat. Poslední dobou o tomhle slýchám často, ale u mně je 1V asi nějaký jiný, než u ostatních. Zesilovače s citlivostí 500mV jaksi pak s ničím neumím vybudit do slyšitelné limitace.
Ono to patrně bude tím, že pokud má magnetofon výstupní napětí 1V pří výchylce indikátorů na 0dB, tak nějaká střední hodnota v běné nahrávce je většinou 5-10dB pod touto úrovní...čili pod 500mV. Citlivost zesilovače kolem 200mV je pak naprosto adekvátní. U zvukové karty je to podobné - maximální hlasitost mám na ní obvykle nastavenou -6dB pod maximem, takže už nedá víc, než 700-800mV. Když zase vezmu v úvahu střední úroveň nahrávky...jsem na polovině...a jsem rád, že pak umím vybudit do limitace i ten zesák s citlivostí 200mV.
Proč i moderní zesilovače jako Luxman L-505uX maj pořád vstupní citlivost 180mV/47k?
Návrat nahoru
Zobrazit informace o autorovi Odeslat soukromou zprávu
ransom



Založen: Jul 19, 2020
Příspěvky: 4005
Bydliště: Náchod

PříspěvekZaslal: pá únor 06 2026, 19:31    Předmět: Citovat

Na rovinu - nevím.
Zvukovky jo, ty většinou mají výstupní napětí menší. Lidi kolem mě už ale většinou jedou v nějakým SMSL nebo Topping DACu, a tam ty 2V reálně jsou. Totéž mám i doma na výstupu BT audio transmitteru (Xduoo XP 50, výstup 2,5V).
Jakože ano, při patřičném převzorkování se dá třeba ve Foobaru stáhnout výstupní úroveň až o 20 dB bez obav z nějakých artefaktů. Ale zase někomu je proti srsti stahovat to v digitální cestě. I když pak za tím je nějakej podřadnej zesilovač, takže by to mohlo de facto bejt fuk. Zrovna u BT přenosu bych pak na úroveň radši nesahal a jel v plné úrovni. Tam už nějaká degradace hrozí i při lepším kodeku.

_________________
Nepoužívám smajlíky. Pobavený nebo ironický tón si laskavě domyslete sami.
Návrat nahoru
Zobrazit informace o autorovi Odeslat soukromou zprávu
Zobrazit příspěvky z předchozích:   
Přidat nové téma   Zaslat odpověď       Obsah fóra Diskuzní fórum Elektro Bastlírny -> Audiotechnika Časy uváděny v GMT + 1 hodina
Strana 1 z 1

 
Přejdi na:  
Nemůžete odesílat nové téma do tohoto fóra.
Nemůžete odpovídat na témata v tomto fóru.
Nemůžete upravovat své příspěvky v tomto fóru.
Nemůžete mazat své příspěvky v tomto fóru.
Nemůžete hlasovat v tomto fóru.
Nemůžete připojovat soubory k příspěvkům
Můžete stahovat a prohlížet přiložené soubory

Powered by phpBB © 2001, 2005 phpBB Group
Forums ©
Nuke - Elektro Bastlirna

Informace na portálu Elektro bastlírny jsou prezentovány za účelem vzdělání čtenářů a rozšíření zájmu o elektroniku. Autoři článků na serveru neberou žádnou zodpovědnost za škody vzniklé těmito zapojeními. Rovněž neberou žádnou odpovědnost za případnou újmu na zdraví vzniklou úrazem elektrickým proudem. Autoři a správci těchto stránek nepřejímají záruku za správnost zveřejněných materiálů. Předkládané informace a zapojení jsou zveřejněny bez ohledu na případné patenty třetích osob. Nároky na odškodnění na základě změn, chyb nebo vynechání jsou zásadně vyloučeny. Všechny registrované nebo jiné obchodní známky zde použité jsou majetkem jejich vlastníků. Uvedením nejsou zpochybněna z toho vyplývající vlastnická práva. Použití konstrukcí v rozporu se zákonem je přísně zakázáno. Vzhledem k tomu, že původ předkládaných materiálů nelze žádným způsobem dohledat, nelze je použít pro komerční účely! Tento nekomerční server nemá z uvedených zapojení či konstrukcí žádný zisk. Nezodpovídáme za pravost předkládaných materiálů třetími osobami a jejich původ. V případě, že zjistíte porušení autorského práva či jiné nesrovnalosti, kontaktujte administrátory na diskuzním fóru EB.


PHP-Nuke Copyright © 2005 by Francisco Burzi. This is free software, and you may redistribute it under the GPL. PHP-Nuke comes with absolutely no warranty, for details, see the license.
Čas potřebný ke zpracování stránky 0.18 sekund