Vítejte na Elektro Bastlírn?
Nuke - Elektro Bastlirna
  Vytvořit účet
Hlavní · Fórum · DDump · Profil · Zprávy · Hledat na fóru


Nuke - Elektro Bastlirna: Diskuzní fórum

 FAQFAQ   HledatHledat   Uživatelské skupinyUživatelské skupiny   ProfilProfil   Soukromé zprávySoukromé zprávy   PřihlášeníPřihlášení 

kmitání nf zesilovače - motorování
Jdi na stránku 1, 2  Další
 
Přidat nové téma   Zaslat odpověď       Obsah fóra Diskuzní fórum Elektro Bastlírny -> Audiotechnika
Zobrazit předchozí téma :: Zobrazit následující téma  
Autor Zpráva
ok1mkx



Založen: Jun 08, 2020
Příspěvky: 6

PříspěvekZaslal: út leden 27 2026, 17:34    Předmět: kmitání nf zesilovače - motorování Citovat

při nastavení vyšší hlasitosti nf zesilovač podobný TRANSIWATTu silně kmitá cca 1 Hz - motoruje a silně zatěžuje koncový zesilovač i zdroj - motoruje. Kde je závada? Díky Jaro
Návrat nahoru
Zobrazit informace o autorovi Odeslat soukromou zprávu
teufel



Založen: Feb 09, 2017
Příspěvky: 502
Bydliště: Na dohled od Spolany

PříspěvekZaslal: út leden 27 2026, 17:39    Předmět: Citovat

Vyschlý kondenzátor filtrující napájení předzesilovače
Návrat nahoru
Zobrazit informace o autorovi Odeslat soukromou zprávu
AdamVarga



Založen: Nov 04, 2018
Příspěvky: 475

PříspěvekZaslal: čt leden 29 2026, 10:41    Předmět: Citovat

Nieje tu ani schéma, ani typ zesu aby som schéma dohladal. Varíme z vody, nič neviem iba závadu.. no na to aby sme vedeli ako odstrániť závadu musíme aj vedieť čo je to za vadné zariadenie. Typ, foto, schéma...hocičo.

"Podobný transiwatu" a ktorému??????
Návrat nahoru
Zobrazit informace o autorovi Odeslat soukromou zprávu
Keszeg



Založen: Nov 24, 2006
Příspěvky: 110
Bydliště: Pardubice

PříspěvekZaslal: čt leden 29 2026, 17:28    Předmět: Citovat

Transiwatt-ů je možná přes 10 typů, který typ máte? Na vině můžou být filtrační kondy, nedej Bože prasklé "hovňáky" nebo jiný vyschlý kondenzátor.
Návrat nahoru
Zobrazit informace o autorovi Odeslat soukromou zprávu Odeslat e-mail
ok1mkx



Založen: Jun 08, 2020
Příspěvky: 6

PříspěvekZaslal: pá leden 30 2026, 10:09    Předmět: Citovat

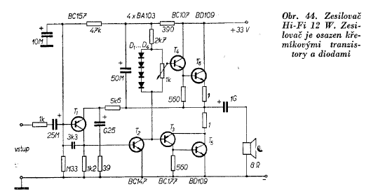
Děkuji všem za podněty na opravu "motorujícího" zesilovače alias TRANSIWATT. Jde o "home made" stereozesilovač 2x15W (asi něco podle RK 3/69/25 s KU601), kerý jsem postavil asi před více jak 40 lety, takže si už toho moc nepamatuji. Mám v tužce jeho shéma. Prověřil jsem všechny elektrolyty a zdají se OK. Motorování přestalo (studeňák?), ale max. výkon před omezením jen 4W. To by snad tak nevadilo, ale stejně budu pátrat dál.
Původně dával skutečně 2x15W.

73! Jaro (84)
Návrat nahoru
Zobrazit informace o autorovi Odeslat soukromou zprávu
ransom



Založen: Jul 19, 2020
Příspěvky: 3797
Bydliště: Náchod

PříspěvekZaslal: pá leden 30 2026, 11:47    Předmět: Citovat

Nejdůležitější otázka: Dělají to oba kanály?
_________________
Nepoužívám smajlíky. Pobavený nebo ironický tón si laskavě domyslete sami.
Návrat nahoru
Zobrazit informace o autorovi Odeslat soukromou zprávu
barnodaj



Založen: Apr 16, 2011
Příspěvky: 1025
Bydliště: Vodňansko

PříspěvekZaslal: pá leden 30 2026, 11:55    Předmět: Citovat

Toto???
Před tím je zesilovač s germaniem v konci.



Bez názvu.png
 Komentář:
 Velikost:  20.37 kB
 Zobrazeno:  36 krát

Bez názvu.png


Návrat nahoru
Zobrazit informace o autorovi Odeslat soukromou zprávu
patrikvarga



Založen: Apr 24, 2007
Příspěvky: 1280

PříspěvekZaslal: pá leden 30 2026, 16:26    Předmět: Citovat

Baza T1 a kondenzátor 10M na zem?
Návrat nahoru
Zobrazit informace o autorovi Odeslat soukromou zprávu
ok1mkx



Založen: Jun 08, 2020
Příspěvky: 6

PříspěvekZaslal: pá leden 30 2026, 16:35    Předmět: Citovat

Dobrý den, schema koncového stupně stereo zesilovače TRANSIWATT jsem nakreslil v programu NI Multisim, ale nevím jak to exportovat do JPG. Tak posílám foto. Doufám, že bude čitelné. Nyní zesilovač dává před limitací signálu jen 2x4W. Původně, před cca 50 lety měl 2x15W Very Happy
73! Jaro



TRANSIWATT 2x15W zmenšený.jpg
 Komentář:
 Velikost:  34.4 kB
 Zobrazeno:  25 krát

TRANSIWATT 2x15W zmenšený.jpg


Návrat nahoru
Zobrazit informace o autorovi Odeslat soukromou zprávu
masar



Založen: Dec 03, 2005
Příspěvky: 14015

PříspěvekZaslal: pá leden 30 2026, 18:18    Předmět: Citovat

ok1mkx napsal(a):
Nyní zesilovač dává před limitací signálu jen 2x4W. Původně, před cca 50 lety měl 2x15W...
A ta limitace je symetrická?
A napájecí napětí je uvedeno kde?
Vypadá to, že měříš osciloskopem, tak proč ty tajnosti?
Wink
Návrat nahoru
Zobrazit informace o autorovi Odeslat soukromou zprávu Odeslat e-mail
ransom



Založen: Jul 19, 2020
Příspěvky: 3797
Bydliště: Náchod

PříspěvekZaslal: pá leden 30 2026, 19:54    Předmět: Citovat

A co odpověď na mou otázku? Dělají to oba kanály stejně????
Pokud ano, jdu po napájení. Kde je schéma zdrojové části?
Jak chceš pomoct, když šetříš informacemi?

_________________
Nepoužívám smajlíky. Pobavený nebo ironický tón si laskavě domyslete sami.
Návrat nahoru
Zobrazit informace o autorovi Odeslat soukromou zprávu
ok1mkx



Založen: Jun 08, 2020
Příspěvky: 6

PříspěvekZaslal: so leden 31 2026, 8:30    Předmět: Citovat

Ano dělají to oba kanály. Napájení je "tvrdé" OK 30V. Na koncových tranzistorech je po 15V. Limitace je perfektně symetrická. Měřím vším co mám po ruce. Znova půjdu po tom kde limitace vzniká....Součástky stárnou (a blbnou) stejně jako my, tomu se nelze vyhnout.
J.
Návrat nahoru
Zobrazit informace o autorovi Odeslat soukromou zprávu
masar



Založen: Dec 03, 2005
Příspěvky: 14015

PříspěvekZaslal: so leden 31 2026, 8:55    Předmět: Citovat

Takže chyba měření. Wink
Návrat nahoru
Zobrazit informace o autorovi Odeslat soukromou zprávu Odeslat e-mail
ok1mkx



Založen: Jun 08, 2020
Příspěvky: 6

PříspěvekZaslal: so leden 31 2026, 9:04    Předmět: Citovat

Možná. Jak jsou součástky po dlouhé době nečinosti pod napětím, tak mění hodnoty. Nyní se naměřené hodnoty snad ustálily...Je to "Čihošť".
J.
Návrat nahoru
Zobrazit informace o autorovi Odeslat soukromou zprávu
HF_Tech



Založen: Apr 25, 2022
Příspěvky: 2052

PříspěvekZaslal: so leden 31 2026, 9:49    Předmět: Citovat

Hádal bych, že to dělá svodový proud u některého menšího elytu. Docela blbě se to hledá a pokud je jich jen pár tak bych je vyměnil za nové rovnou všechny.
Na vyzkoušení bych zkratoval vstup a nechal to zapnuté bez připojeného repráku celý den. Jestli se to zlepší.
Návrat nahoru
Zobrazit informace o autorovi Odeslat soukromou zprávu
Zobrazit příspěvky z předchozích:   
Přidat nové téma   Zaslat odpověď       Obsah fóra Diskuzní fórum Elektro Bastlírny -> Audiotechnika Časy uváděny v GMT + 1 hodina
Jdi na stránku 1, 2  Další
Strana 1 z 2

 
Přejdi na:  
Nemůžete odesílat nové téma do tohoto fóra.
Nemůžete odpovídat na témata v tomto fóru.
Nemůžete upravovat své příspěvky v tomto fóru.
Nemůžete mazat své příspěvky v tomto fóru.
Nemůžete hlasovat v tomto fóru.
Nemůžete připojovat soubory k příspěvkům
Můžete stahovat a prohlížet přiložené soubory

Powered by phpBB © 2001, 2005 phpBB Group
Forums ©
Nuke - Elektro Bastlirna

Informace na portálu Elektro bastlírny jsou prezentovány za účelem vzdělání čtenářů a rozšíření zájmu o elektroniku. Autoři článků na serveru neberou žádnou zodpovědnost za škody vzniklé těmito zapojeními. Rovněž neberou žádnou odpovědnost za případnou újmu na zdraví vzniklou úrazem elektrickým proudem. Autoři a správci těchto stránek nepřejímají záruku za správnost zveřejněných materiálů. Předkládané informace a zapojení jsou zveřejněny bez ohledu na případné patenty třetích osob. Nároky na odškodnění na základě změn, chyb nebo vynechání jsou zásadně vyloučeny. Všechny registrované nebo jiné obchodní známky zde použité jsou majetkem jejich vlastníků. Uvedením nejsou zpochybněna z toho vyplývající vlastnická práva. Použití konstrukcí v rozporu se zákonem je přísně zakázáno. Vzhledem k tomu, že původ předkládaných materiálů nelze žádným způsobem dohledat, nelze je použít pro komerční účely! Tento nekomerční server nemá z uvedených zapojení či konstrukcí žádný zisk. Nezodpovídáme za pravost předkládaných materiálů třetími osobami a jejich původ. V případě, že zjistíte porušení autorského práva či jiné nesrovnalosti, kontaktujte administrátory na diskuzním fóru EB.


PHP-Nuke Copyright © 2005 by Francisco Burzi. This is free software, and you may redistribute it under the GPL. PHP-Nuke comes with absolutely no warranty, for details, see the license.
Čas potřebný ke zpracování stránky 0.15 sekund