Vítejte na Elektro Bastlírn?
Nuke - Elektro Bastlirna
  Vytvořit účet
Hlavní · Fórum · DDump · Profil · Zprávy · Hledat na fóru


Nuke - Elektro Bastlirna: Diskuzní fórum

 FAQFAQ   HledatHledat   Uživatelské skupinyUživatelské skupiny   ProfilProfil   Soukromé zprávySoukromé zprávy   PřihlášeníPřihlášení 

Identifikace součástek na Z-139 ze SAPI-1
Jdi na stránku Předchozí  1, 2
 
Přidat nové téma   Zaslat odpověď       Obsah fóra Diskuzní fórum Elektro Bastlírny -> Poradna
Zobrazit předchozí téma :: Zobrazit následující téma  
Autor Zpráva
ec1045



Založen: Nov 28, 2010
Příspěvky: 294
Bydliště: Šlapanice

PříspěvekZaslal: ne leden 25 2026, 20:00    Předmět: Citovat

K desce Z-139 co byla součástí CH3000 z Chemoprojektu Brno asi nic v AR nebude aneb jde o čistě průmyslovou věc … něco jiného je vlastní SAPI-1 a „základní“ desky sestav ale to neřeším aneb to co je v AR tak to mám už vše překresleno.

Jediné, co vím, co se objevilo z CH3000 ?? v časopise, a to v ELEKTRONIKA, a to jen fotky. Mám pocit čtyř desek s obecnými kecy.

_________________
Ne všichni jsme měli z češtiny za jedna. Jsem dysgrafik a dyslektik.
Návrat nahoru
Zobrazit informace o autorovi Odeslat soukromou zprávu Zobrazit autorovy WWW stránky
Celeron



Založen: Apr 02, 2011
Příspěvky: 20536
Bydliště: Nový Bydžov

PříspěvekZaslal: ne leden 25 2026, 20:02    Předmět: Citovat

V AR vyšlo kolem SAPI1 všeho všudy kolem 8 desek který jsou všeobecně známý. Ale celej systém má Petrem zatím zdokumentovaných asi 125 desek. Podívej se na http://www.sapi.cz/sapi/desky.php#odkaz1

edit: Petr byl rychlejší

_________________
Jirka

Proč mi nemůže všechno chodit hned ?!!
Návrat nahoru
Zobrazit informace o autorovi Odeslat soukromou zprávu
grrrrrrrr



Založen: Jun 15, 2010
Příspěvky: 517
Bydliště: Olomouc

PříspěvekZaslal: po leden 26 2026, 18:49    Předmět: Citovat

Sandal napsal(a):
Ohledně SAPI kontaktuj Zdenka Houšku. Na youtube kanál "tech story". Na tyhle starý věci je odborník za slovo vzatej.


Zrovna sapi Zdenka moc nebere soustredi se na jine typy pocitacu.
Návrat nahoru
Zobrazit informace o autorovi Odeslat soukromou zprávu
grrrrrrrr



Založen: Jun 15, 2010
Příspěvky: 517
Bydliště: Olomouc

PříspěvekZaslal: út leden 27 2026, 13:46    Předmět: Citovat

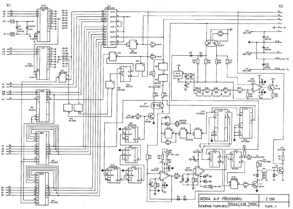
Prohledal jsem svoje skeny a mam k te desce dokumentaci.


brd.JPG
 Komentář:
 Velikost:  260.38 kB
 Zobrazeno:  26 krát

brd.JPG



souc.JPG
 Komentář:
 Velikost:  207.07 kB
 Zobrazeno:  32 krát

souc.JPG



sch.jpg
 Komentář:
 Velikost:  186.31 kB
 Zobrazeno:  54 krát

sch.jpg


Návrat nahoru
Zobrazit informace o autorovi Odeslat soukromou zprávu
ec1045



Založen: Nov 28, 2010
Příspěvky: 294
Bydliště: Šlapanice

PříspěvekZaslal: út leden 27 2026, 18:43    Předmět: Citovat

Super Pray , mohl bych poprosit o celou dokumentaci … že bych ji prohnal OCR a vyvěsil na web spolu s deskou.

Náhodou nenašla by se dokumentace i pro desky Z-186, Z-174, Z-160, Z-142, Z-140, Z-136, X-52, … těch desek bez dokumentace mám na webu více, případně i dokumentace k deskám co nemám na webu.

_________________
Ne všichni jsme měli z češtiny za jedna. Jsem dysgrafik a dyslektik.
Návrat nahoru
Zobrazit informace o autorovi Odeslat soukromou zprávu Zobrazit autorovy WWW stránky
lesana87



Založen: Sep 20, 2014
Příspěvky: 4353

PříspěvekZaslal: út leden 27 2026, 19:22    Předmět: Citovat

10 MHz krystal? No, to jsem to trochu podcenila. Smile
Návrat nahoru
Zobrazit informace o autorovi Odeslat soukromou zprávu
grrrrrrrr



Založen: Jun 15, 2010
Příspěvky: 517
Bydliště: Olomouc

PříspěvekZaslal: út leden 27 2026, 22:10    Předmět: Citovat

ec1045 napsal(a):
Super Pray , mohl bych poprosit o celou dokumentaci … že bych ji prohnal OCR a vyvěsil na web spolu s deskou.

Náhodou nenašla by se dokumentace i pro desky Z-186, Z-174, Z-160, Z-142, Z-140, Z-136, X-52, … těch desek bez dokumentace mám na webu více, případně i dokumentace k deskám co nemám na webu.


pisnu ti na OC
Návrat nahoru
Zobrazit informace o autorovi Odeslat soukromou zprávu
ec1045



Založen: Nov 28, 2010
Příspěvky: 294
Bydliště: Šlapanice

PříspěvekZaslal: út leden 27 2026, 23:26    Předmět: Citovat

Díky
_________________
Ne všichni jsme měli z češtiny za jedna. Jsem dysgrafik a dyslektik.
Návrat nahoru
Zobrazit informace o autorovi Odeslat soukromou zprávu Zobrazit autorovy WWW stránky
Zobrazit příspěvky z předchozích:   
Přidat nové téma   Zaslat odpověď       Obsah fóra Diskuzní fórum Elektro Bastlírny -> Poradna Časy uváděny v GMT + 1 hodina
Jdi na stránku Předchozí  1, 2
Strana 2 z 2

 
Přejdi na:  
Nemůžete odesílat nové téma do tohoto fóra.
Nemůžete odpovídat na témata v tomto fóru.
Nemůžete upravovat své příspěvky v tomto fóru.
Nemůžete mazat své příspěvky v tomto fóru.
Nemůžete hlasovat v tomto fóru.
Nemůžete připojovat soubory k příspěvkům
Můžete stahovat a prohlížet přiložené soubory

Powered by phpBB © 2001, 2005 phpBB Group
Forums ©
Nuke - Elektro Bastlirna

Informace na portálu Elektro bastlírny jsou prezentovány za účelem vzdělání čtenářů a rozšíření zájmu o elektroniku. Autoři článků na serveru neberou žádnou zodpovědnost za škody vzniklé těmito zapojeními. Rovněž neberou žádnou odpovědnost za případnou újmu na zdraví vzniklou úrazem elektrickým proudem. Autoři a správci těchto stránek nepřejímají záruku za správnost zveřejněných materiálů. Předkládané informace a zapojení jsou zveřejněny bez ohledu na případné patenty třetích osob. Nároky na odškodnění na základě změn, chyb nebo vynechání jsou zásadně vyloučeny. Všechny registrované nebo jiné obchodní známky zde použité jsou majetkem jejich vlastníků. Uvedením nejsou zpochybněna z toho vyplývající vlastnická práva. Použití konstrukcí v rozporu se zákonem je přísně zakázáno. Vzhledem k tomu, že původ předkládaných materiálů nelze žádným způsobem dohledat, nelze je použít pro komerční účely! Tento nekomerční server nemá z uvedených zapojení či konstrukcí žádný zisk. Nezodpovídáme za pravost předkládaných materiálů třetími osobami a jejich původ. V případě, že zjistíte porušení autorského práva či jiné nesrovnalosti, kontaktujte administrátory na diskuzním fóru EB.


PHP-Nuke Copyright © 2005 by Francisco Burzi. This is free software, and you may redistribute it under the GPL. PHP-Nuke comes with absolutely no warranty, for details, see the license.
Čas potřebný ke zpracování stránky 0.15 sekund