Vítejte na Elektro Bastlírn?
Nuke - Elektro Bastlirna
  Vytvořit účet
Hlavní · Fórum · DDump · Profil · Zprávy · Hledat na fóru


Nuke - Elektro Bastlirna: Diskuzní fórum

 FAQFAQ   HledatHledat   Uživatelské skupinyUživatelské skupiny   ProfilProfil   Soukromé zprávySoukromé zprávy   PřihlášeníPřihlášení 

Lab. zdroj 0-18V 0,5-500mA
Jdi na stránku Předchozí  1, 2, 3  Další
 
Přidat nové téma   Zaslat odpověď       Obsah fóra Diskuzní fórum Elektro Bastlírny -> Zapojení ze šuplíku
Zobrazit předchozí téma :: Zobrazit následující téma  
Autor Zpráva
rnbw



Založen: Mar 21, 2006
Příspěvky: 37285
Bydliště: Bratislava

PříspěvekZaslal: st leden 21 2026, 9:43    Předmět: Citovat

Vypina to asi isticom.
Návrat nahoru
Zobrazit informace o autorovi Odeslat soukromou zprávu
jenicek



Založen: Dec 28, 2022
Příspěvky: 759
Bydliště: Krakonošovo

PříspěvekZaslal: st leden 21 2026, 9:45    Předmět: Citovat

Hele a neslouží k vypínání jistič? Já bych to teda tak dělal...
edit: rnbw máš asi rychlejší připojení k netu Laughing
Návrat nahoru
Zobrazit informace o autorovi Odeslat soukromou zprávu
Victronix



Založen: Nov 23, 2007
Příspěvky: 980
Bydliště: Vážany

PříspěvekZaslal: st leden 21 2026, 12:27    Předmět: Citovat

Sice to není k tématu, ale jak píší kolegové. Jako vypínač používám jistič.
_________________
Hledám ideální řešení...
Návrat nahoru
Zobrazit informace o autorovi Odeslat soukromou zprávu
samec



Založen: Dec 19, 2017
Příspěvky: 6379

PříspěvekZaslal: st leden 21 2026, 13:12    Předmět: Citovat

Pokiaľ sú tie prepínače len na voľbu napätia, potom je prostredná nulová poloha jaksi nadbytočná.

Ale naspäť k téme. Prečo len 18V a len 500mA? LM317 predsa dokáže podstatne viac.
Návrat nahoru
Zobrazit informace o autorovi Odeslat soukromou zprávu
Mahoney



Založen: Oct 26, 2019
Příspěvky: 776

PříspěvekZaslal: st leden 21 2026, 14:04    Předmět: Citovat

Odpověď je zřejmá hned z prvního příspěvku, Mlho.
Návrat nahoru
Zobrazit informace o autorovi Odeslat soukromou zprávu
superpsoun2



Založen: Jan 21, 2026
Příspěvky: 4

PříspěvekZaslal: st leden 21 2026, 15:22    Předmět: Citovat

Ahoj!

No, co dododat Victronixi,
triviální zadání, triviální řešení.

Dělal bych to dost podobně Wink


Naposledy upravil superpsoun2 dne st leden 21 2026, 15:26, celkově upraveno 1 krát.
Návrat nahoru
Zobrazit informace o autorovi Odeslat soukromou zprávu
samec



Založen: Dec 19, 2017
Příspěvky: 6379

PříspěvekZaslal: st leden 21 2026, 15:23    Předmět: Citovat

Question
Návrat nahoru
Zobrazit informace o autorovi Odeslat soukromou zprávu
Victronix



Založen: Nov 23, 2007
Příspěvky: 980
Bydliště: Vážany

PříspěvekZaslal: st leden 21 2026, 18:42    Předmět: Citovat

Fotky zdroje:
(Kdyby si někdo všiml rozdílu ve fotkách, tak jen podotknu, že zdroje jsou dva.)




_________________
Hledám ideální řešení...
Návrat nahoru
Zobrazit informace o autorovi Odeslat soukromou zprávu
Victronix



Založen: Nov 23, 2007
Příspěvky: 980
Bydliště: Vážany

PříspěvekZaslal: st leden 21 2026, 18:53    Předmět: Citovat

samec napsal(a):
... Prečo len 18V a len 500mA? LM317 predsa dokáže podstatne viac.

Áno, podstatně viac.
Důvody:
Jemnost nastavení napětí a proudu na 10 otáček.
Vrcholové napětí transformátorů omezuje výběr součástek.
Velikost transformátorů kvůli výkonu zdroje,
potažmo zvlnění napětí na vyhlazovacích kondenzátorech se zvyšuje při vyšším odebíraném proudu.
Výkonová ztráta na LM317HV při nízkém nastaveném napětí a maximálním proudu už je hraniční.
Zkrátka šlo mi o zdroj, kterým můžu vyzkoušet například IR LED v optočlenu bez přidaných rezistorů, a tak podobně. Můžu nastavit nízké napětí, nízký proud.
Znáte někdo nějakou konstrukci zdroje, která by měla podobné vlastnosti?

_________________
Hledám ideální řešení...
Návrat nahoru
Zobrazit informace o autorovi Odeslat soukromou zprávu
HF_Tech



Založen: Apr 25, 2022
Příspěvky: 2234

PříspěvekZaslal: st leden 21 2026, 20:23    Předmět: Citovat

Kdyby se našel sponzor na dodělání, tak by se něco našlo.
Podobný zdroj s LM317 a spínaným předregulátorem.
Původně jsem to chtěl dát do vykuchané aritmy, ale ještě jsem se nedokopal k tomu dodělat omezení proudu, aby to chodilo od 1mA.
Při 1A proudu na výstupu to má ztrátu max. 6W. Ta LM317ka by se asi uchladila i přišroubovná jenom na plošnáku.
Návrat nahoru
Zobrazit informace o autorovi Odeslat soukromou zprávu
Victronix



Založen: Nov 23, 2007
Příspěvky: 980
Bydliště: Vážany

PříspěvekZaslal: st leden 21 2026, 21:00    Předmět: Citovat

HF_Tech napsal(a):
Při 1A proudu na výstupu to má ztrátu max. 6W.

Opravdu?
Pokud na výstup zdroje dám odpor 1Ω, tak při proudu 1A je na něm úbytek 1V.
A na té LM317 se musí vyzářit 23V 1A, pokud na vstupu LM317 bude napětí 24V. Takže jestli dobře počítám, tak 23x1=23W.

_________________
Hledám ideální řešení...
Návrat nahoru
Zobrazit informace o autorovi Odeslat soukromou zprávu
Kvicala_r



Založen: Jan 19, 2005
Příspěvky: 3550
Bydliště: Haná / N.J.

PříspěvekZaslal: st leden 21 2026, 21:51    Předmět: Citovat

se spínaným předregulátorem....
Návrat nahoru
Zobrazit informace o autorovi Odeslat soukromou zprávu
vaclavpe



Založen: May 16, 2007
Příspěvky: 150
Bydliště: Rožnov p.R.

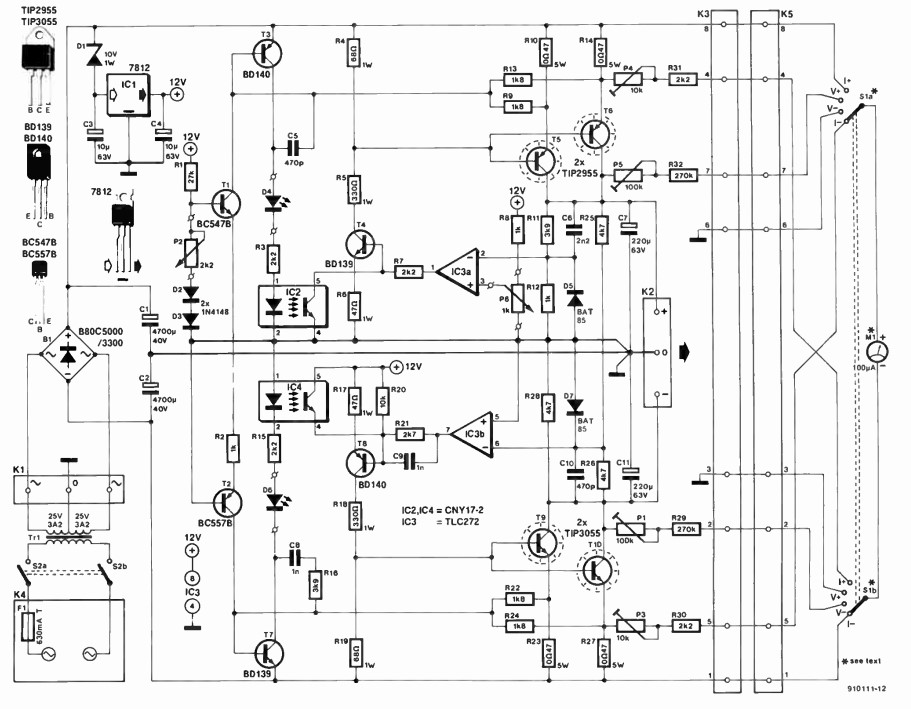
PříspěvekZaslal: čt leden 22 2026, 11:58    Předmět: Citovat

PavelFF napsal(a):
Řízení výkonového prvku optočlenem je nevšední způsob.

S optočleny jsem viděl jedno schéma zdroje v Elektoru 12/1991



elektor_12_1992.jpg
 Komentář:
Economy power supply
 Velikost:  140.58 kB
 Zobrazeno:  68 krát

elektor_12_1992.jpg


Návrat nahoru
Zobrazit informace o autorovi Odeslat soukromou zprávu
Victronix



Založen: Nov 23, 2007
Příspěvky: 980
Bydliště: Vážany

PříspěvekZaslal: pá leden 23 2026, 22:27    Předmět: Citovat

Pěkný zdroj. Možná si ho někdy postavím.
_________________
Hledám ideální řešení...
Návrat nahoru
Zobrazit informace o autorovi Odeslat soukromou zprávu
Dumitru



Založen: Dec 11, 2015
Příspěvky: 253
Bydliště: Slovensko,Bratislava

PříspěvekZaslal: pá leden 23 2026, 22:51    Předmět: Citovat

V čom je výhoda takého riešenia?
Návrat nahoru
Zobrazit informace o autorovi Odeslat soukromou zprávu Odeslat e-mail Zobrazit autorovy WWW stránky
Zobrazit příspěvky z předchozích:   
Přidat nové téma   Zaslat odpověď       Obsah fóra Diskuzní fórum Elektro Bastlírny -> Zapojení ze šuplíku Časy uváděny v GMT + 1 hodina
Jdi na stránku Předchozí  1, 2, 3  Další
Strana 2 z 3

 
Přejdi na:  
Nemůžete odesílat nové téma do tohoto fóra.
Nemůžete odpovídat na témata v tomto fóru.
Nemůžete upravovat své příspěvky v tomto fóru.
Nemůžete mazat své příspěvky v tomto fóru.
Nemůžete hlasovat v tomto fóru.
Nemůžete připojovat soubory k příspěvkům
Můžete stahovat a prohlížet přiložené soubory

Powered by phpBB © 2001, 2005 phpBB Group
Forums ©
Nuke - Elektro Bastlirna

Informace na portálu Elektro bastlírny jsou prezentovány za účelem vzdělání čtenářů a rozšíření zájmu o elektroniku. Autoři článků na serveru neberou žádnou zodpovědnost za škody vzniklé těmito zapojeními. Rovněž neberou žádnou odpovědnost za případnou újmu na zdraví vzniklou úrazem elektrickým proudem. Autoři a správci těchto stránek nepřejímají záruku za správnost zveřejněných materiálů. Předkládané informace a zapojení jsou zveřejněny bez ohledu na případné patenty třetích osob. Nároky na odškodnění na základě změn, chyb nebo vynechání jsou zásadně vyloučeny. Všechny registrované nebo jiné obchodní známky zde použité jsou majetkem jejich vlastníků. Uvedením nejsou zpochybněna z toho vyplývající vlastnická práva. Použití konstrukcí v rozporu se zákonem je přísně zakázáno. Vzhledem k tomu, že původ předkládaných materiálů nelze žádným způsobem dohledat, nelze je použít pro komerční účely! Tento nekomerční server nemá z uvedených zapojení či konstrukcí žádný zisk. Nezodpovídáme za pravost předkládaných materiálů třetími osobami a jejich původ. V případě, že zjistíte porušení autorského práva či jiné nesrovnalosti, kontaktujte administrátory na diskuzním fóru EB.


PHP-Nuke Copyright © 2005 by Francisco Burzi. This is free software, and you may redistribute it under the GPL. PHP-Nuke comes with absolutely no warranty, for details, see the license.
Čas potřebný ke zpracování stránky 0.18 sekund