Vítejte na Elektro Bastlírn?
Nuke - Elektro Bastlirna
  Vytvořit účet
Hlavní · Fórum · DDump · Profil · Zprávy · Hledat na fóru


Nuke - Elektro Bastlirna: Diskuzní fórum

 FAQFAQ   HledatHledat   Uživatelské skupinyUživatelské skupiny   ProfilProfil   Soukromé zprávySoukromé zprávy   PřihlášeníPřihlášení 

Věnuji GD608/GD618
Jdi na stránku Předchozí  1, 2, 3  Další
 
Toto fórum je zamknuto, nemůžete zde psát ani upravovat příspěvky!   Toto téma je zamknuto, nemůžete zde přidávat odpovědi ani upravovat své příspěvky!       Obsah fóra Diskuzní fórum Elektro Bastlírny -> Koš
Zobrazit předchozí téma :: Zobrazit následující téma  
Autor Zpráva
Lancer



Založen: Nov 21, 2019
Příspěvky: 63
Bydliště: Strašnice, nebo Brnky

PříspěvekZaslal: út leden 13 2026, 15:59    Předmět: Citovat

Tak si asi z toho jen tak ze zvědavosti zkusím ubastlit ten modul zesilovače z Bajkalu, starý KáCéčka 148 se mi tu válej.
Návrat nahoru
Zobrazit informace o autorovi Odeslat soukromou zprávu
ransom



Založen: Jul 19, 2020
Příspěvky: 3772
Bydliště: Náchod

PříspěvekZaslal: st leden 14 2026, 19:23    Předmět: Citovat

Kdyby to někoho zajímalo, tak tady zrovna mám Konstrukční katalog germaniových tranzistorů Tesla. GD607...619 jsou uváděné jako výroba Tesly a ke konci katalogu v oddílu dovážených typů z RVHP je aj stránka věnovaná odlišnostem GD607...619 dovážených z Maďarska. AD zmíněné nejsou.
_________________
Nepoužívám smajlíky. Pobavený nebo ironický tón si laskavě domyslete sami.
Návrat nahoru
Zobrazit informace o autorovi Odeslat soukromou zprávu
BOBOBO
Doporučuje se dohled statného moderátora


Založen: Feb 25, 2008
Příspěvky: 20824
Bydliště: Rychnovsko

PříspěvekZaslal: st leden 14 2026, 19:36    Předmět: Citovat

Tu stránku to zde asi unese .
Návrat nahoru
Zobrazit informace o autorovi Odeslat soukromou zprávu
ransom



Založen: Jul 19, 2020
Příspěvky: 3772
Bydliště: Náchod

PříspěvekZaslal: st leden 14 2026, 20:35    Předmět: Citovat

Tak až budu mít náladu, naskenuju. Ale hodím to do odpovídajícího vlákna.
_________________
Nepoužívám smajlíky. Pobavený nebo ironický tón si laskavě domyslete sami.
Návrat nahoru
Zobrazit informace o autorovi Odeslat soukromou zprávu
BOBOBO
Doporučuje se dohled statného moderátora


Založen: Feb 25, 2008
Příspěvky: 20824
Bydliště: Rychnovsko

PříspěvekZaslal: st leden 14 2026, 20:58    Předmět: Citovat

Já mám náladu , když chci . Teď třeba chci .
Návrat nahoru
Zobrazit informace o autorovi Odeslat soukromou zprávu
feliz_navidad



Založen: Oct 15, 2009
Příspěvky: 909

PříspěvekZaslal: st leden 14 2026, 22:01    Předmět: Citovat

To je takový problém si to najít?

https://datasheet.datasheetarchive.com/originals/scans/Scans-026/ScansUX7096.pdf
Návrat nahoru
Zobrazit informace o autorovi Odeslat soukromou zprávu
ZVUK2000



Založen: Apr 22, 2012
Příspěvky: 4444
Bydliště: Karvinsko

PříspěvekZaslal: čt leden 15 2026, 6:30    Předmět: Citovat

EKKAR napsal(a):
Já mám takovej neblahej pocit, že GD607/617 a 608/618 byly dederónským klonem typů AD161/162.

Tak nakonec je to uherské. Dnes tady dal katalog němciových tranzistorů "feliz_navidad". Kde je příloha že později se dovážely GC507-9, GC515-519, GD607-609a GD617-619 z MLR.
Návrat nahoru
Zobrazit informace o autorovi Odeslat soukromou zprávu Odeslat e-mail
zdenoeddie



Založen: Oct 31, 2007
Příspěvky: 2561
Bydliště: uz len Presov :)

PříspěvekZaslal: čt leden 15 2026, 7:59    Předmět: Citovat

Lancer napsal(a):
Rudolf02 dnes odřekl svůj zájem o tranzistory......


Ak by doslo k tomu ze je to volne, mal by som zaujem. Packeta na SR ok?
Návrat nahoru
Zobrazit informace o autorovi Odeslat soukromou zprávu Odeslat e-mail Zobrazit autorovy WWW stránky
Lancer



Založen: Nov 21, 2019
Příspěvky: 63
Bydliště: Strašnice, nebo Brnky

PříspěvekZaslal: čt leden 15 2026, 20:25    Předmět: Citovat

Ano, bylo by to k mání, za každou cenu z toho bastlit nemusím. Ale poprosím, všechno zařiď a pošli mi jen štítek, kterej nalepim na balíček a strčim to do ňákýho boxu za barákem....
Návrat nahoru
Zobrazit informace o autorovi Odeslat soukromou zprávu
vaclavpe



Založen: May 16, 2007
Příspěvky: 139
Bydliště: Rožnov p.R.

PříspěvekZaslal: čt leden 22 2026, 11:33    Předmět: Citovat

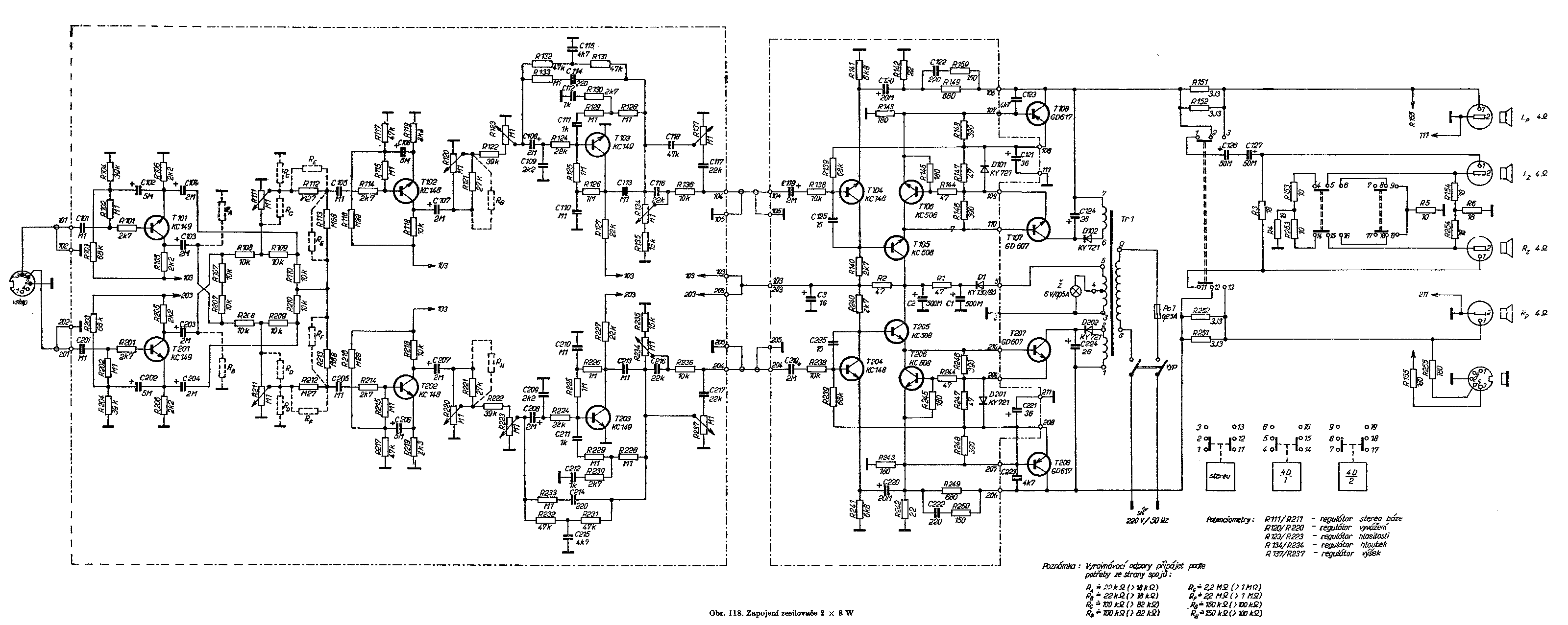
Jen mimochodem, Sinclair kdysi zmiňoval jeden zesilovač v Bozděchovi, topologie je raritní, jen pro zajímavost přikládám. Reproduktorem poteče nějaký ss proud. Kompletní podrobný popis je v knize.

EDIT: Smazán zkrat mezi B a E u T208
EDIT2: A ještě jedna chyba - odstraněn zkrat mezi C220 a R243

PS. schéma je jen ilustrační, důležitý je popis v knize



Bozdech_2x8W.jpg
 Komentář:
Zesilovač z knihy Stavba doplňků pro mgf
 Velikost:  192.8 kB
 Zobrazeno:  26 krát

Bozdech_2x8W.jpg




Naposledy upravil vaclavpe dne čt leden 22 2026, 14:21, celkově upraveno 2 krát.
Návrat nahoru
Zobrazit informace o autorovi Odeslat soukromou zprávu
Kremik



Založen: Mar 30, 2012
Příspěvky: 3675
Bydliště: Havířov

PříspěvekZaslal: čt leden 22 2026, 13:00    Předmět: Citovat

T208 má zkratovaný emitor s bází.
Návrat nahoru
Zobrazit informace o autorovi Odeslat soukromou zprávu Odeslat e-mail
vaclavpe



Založen: May 16, 2007
Příspěvky: 139
Bydliště: Rožnov p.R.

PříspěvekZaslal: čt leden 22 2026, 13:35    Předmět: Citovat

Aha, zkratu jsem si v rychlosti nevšiml, dobrá práce, ten tam být nemá, stačí ten rezistor 390Ω.
Návrat nahoru
Zobrazit informace o autorovi Odeslat soukromou zprávu
ok1hga



Založen: Nov 28, 2006
Příspěvky: 12638
Bydliště: Česká Třebová

PříspěvekZaslal: čt leden 22 2026, 13:57    Předmět: Citovat

ten zesík je hodně divný . . .
. . . hlavně potřebuje dva samostatné zdroje.



konec z Bozdecha principy.jpg
 Komentář:
 Velikost:  125.71 kB
 Zobrazeno:  7 krát

konec z Bozdecha principy.jpg



obr_118.png
 Komentář:
. . . opravdu tam ta chyba je !
 Velikost:  215.19 kB
 Zobrazeno:  31 krát

obr_118.png


Návrat nahoru
Zobrazit informace o autorovi Odeslat soukromou zprávu
vaclavpe



Založen: May 16, 2007
Příspěvky: 139
Bydliště: Rožnov p.R.

PříspěvekZaslal: čt leden 22 2026, 14:12    Předmět: Citovat

Já udělal výřez, protože celé schéma je na můj vkus poněkud chaotické. Princip je v textu ovšem popsán dobře.
Návrat nahoru
Zobrazit informace o autorovi Odeslat soukromou zprávu
danhard



Založen: Mar 05, 2007
Příspěvky: 6569
Bydliště: Jesenice u Prahy

PříspěvekZaslal: čt leden 22 2026, 16:07    Předmět: Citovat

Tesla Ge tranzistory
https://datasheet.datasheetarchive.com/originals/scans/Scans-026/ScansUX7096.pdf
Návrat nahoru
Zobrazit informace o autorovi Odeslat soukromou zprávu Odeslat e-mail
Zobrazit příspěvky z předchozích:   
Toto fórum je zamknuto, nemůžete zde psát ani upravovat příspěvky!   Toto téma je zamknuto, nemůžete zde přidávat odpovědi ani upravovat své příspěvky!       Obsah fóra Diskuzní fórum Elektro Bastlírny -> Koš Časy uváděny v GMT + 1 hodina
Jdi na stránku Předchozí  1, 2, 3  Další
Strana 2 z 3

 
Přejdi na:  
Nemůžete odesílat nové téma do tohoto fóra.
Nemůžete odpovídat na témata v tomto fóru.
Nemůžete upravovat své příspěvky v tomto fóru.
Nemůžete mazat své příspěvky v tomto fóru.
Nemůžete hlasovat v tomto fóru.
Nemůžete připojovat soubory k příspěvkům
Můžete stahovat a prohlížet přiložené soubory

Powered by phpBB © 2001, 2005 phpBB Group
Forums ©
Nuke - Elektro Bastlirna

Informace na portálu Elektro bastlírny jsou prezentovány za účelem vzdělání čtenářů a rozšíření zájmu o elektroniku. Autoři článků na serveru neberou žádnou zodpovědnost za škody vzniklé těmito zapojeními. Rovněž neberou žádnou odpovědnost za případnou újmu na zdraví vzniklou úrazem elektrickým proudem. Autoři a správci těchto stránek nepřejímají záruku za správnost zveřejněných materiálů. Předkládané informace a zapojení jsou zveřejněny bez ohledu na případné patenty třetích osob. Nároky na odškodnění na základě změn, chyb nebo vynechání jsou zásadně vyloučeny. Všechny registrované nebo jiné obchodní známky zde použité jsou majetkem jejich vlastníků. Uvedením nejsou zpochybněna z toho vyplývající vlastnická práva. Použití konstrukcí v rozporu se zákonem je přísně zakázáno. Vzhledem k tomu, že původ předkládaných materiálů nelze žádným způsobem dohledat, nelze je použít pro komerční účely! Tento nekomerční server nemá z uvedených zapojení či konstrukcí žádný zisk. Nezodpovídáme za pravost předkládaných materiálů třetími osobami a jejich původ. V případě, že zjistíte porušení autorského práva či jiné nesrovnalosti, kontaktujte administrátory na diskuzním fóru EB.


PHP-Nuke Copyright © 2005 by Francisco Burzi. This is free software, and you may redistribute it under the GPL. PHP-Nuke comes with absolutely no warranty, for details, see the license.
Čas potřebný ke zpracování stránky 0.20 sekund