Vítejte na Elektro Bastlírn?
Nuke - Elektro Bastlirna
  Vytvořit účet
Hlavní · Fórum · DDump · Profil · Zprávy · Hledat na fóru


Nuke - Elektro Bastlirna: Diskuzní fórum

 FAQFAQ   HledatHledat   Uživatelské skupinyUživatelské skupiny   ProfilProfil   Soukromé zprávySoukromé zprávy   PřihlášeníPřihlášení 

Posouzení obvodového řešení stabilizovaného zdroje
Jdi na stránku Předchozí  1, 2, 3, 4, 5  Další
 
Přidat nové téma   Zaslat odpověď       Obsah fóra Diskuzní fórum Elektro Bastlírny -> Svářečky, UPS, nabíječe, měniče, zdroje, trafa a další
Zobrazit předchozí téma :: Zobrazit následující téma  
Autor Zpráva
EKKAR



Založen: Mar 16, 2005
Příspěvky: 35599
Bydliště: Česká Třebová, JN89FW21

PříspěvekZaslal: čt prosinec 25 2025, 20:47    Předmět: Citovat

dred napsal(a):
Môj niekdajší výtvor bol založený na schéme z A12/85 - teda dva regulované samostatné zdroje 0-40V .. ostatné sú so stabíkmi MA78xx s úpravou.
Zdroje sú čiastočne po sekciách galvanicky oddelené - čiže "vyskladanie" pevného či reg. vyššieho napätia do 1A nie je problém.. Je to o použití...
A už sis taky vyzkoušel, co taková kombinace sériově spojenejch výstupů integrovanejch stabců 78xx/79xx učuní v momentě, kdy ten spojenej výstup byť i jen mžikově přetížíš resp. v momentě, kdy jednomu z těch stabců vyletí tepelka?
_________________
Nasliněný prst na svorkovnici domovního rozvaděče: Jó, paninko, máte tam ty Voltíky všecky...
A kutilmile - nelituju tě Mr. Green Mr. Green !!!
Návrat nahoru
Zobrazit informace o autorovi Odeslat soukromou zprávu Odeslat e-mail
ransom



Založen: Jul 19, 2020
Příspěvky: 4041
Bydliště: Náchod

PříspěvekZaslal: čt prosinec 25 2025, 22:00    Předmět: Citovat

Pokud máš na všech výstupech ochrannou diodu katodou k plusu a dimenzovanou na zkratovej proud zdroje, nestane se NIC.
_________________
Nepoužívám smajlíky. Pobavený nebo ironický tón si laskavě domyslete sami.
Návrat nahoru
Zobrazit informace o autorovi Odeslat soukromou zprávu
EKKAR



Založen: Mar 16, 2005
Příspěvky: 35599
Bydliště: Česká Třebová, JN89FW21

PříspěvekZaslal: čt prosinec 25 2025, 23:10    Předmět: Citovat

Spíš si Tome představ takový zapojení jako 3-svorkovej stabec "podepřenej" ve svým COMM vývodu dalším - co to učuní, když jednomu z nich vypne ochrana ...
_________________
Nasliněný prst na svorkovnici domovního rozvaděče: Jó, paninko, máte tam ty Voltíky všecky...
A kutilmile - nelituju tě Mr. Green Mr. Green !!!
Návrat nahoru
Zobrazit informace o autorovi Odeslat soukromou zprávu Odeslat e-mail
Milan



Založen: Apr 02, 2012
Příspěvky: 1452
Bydliště: Vysočina

PříspěvekZaslal: ne leden 11 2026, 17:02    Předmět: Citovat

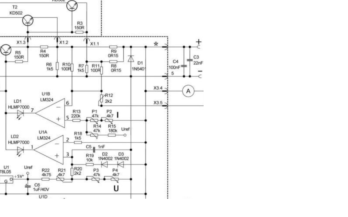
Prohlížím si v těch mrazivých dnech schemata různých zdrojů . Dostal jsem se také ke schematu Startronu od Barnodaje , jehož celé schema je na str.2
tohoto příspěvku. Pár věcí mi není jasných z hlediska jejich funkce viz obrázek / výřez ze schematu .

1. Odpor R13 220K v + vstupu OZ U1B. Nevadí již tato hodnota z hlediska proudové nesymetrie vstupů ( druhý vstup je připojen na impedanci stovky ohmů. Nebo tvoří se vst.kapacitou OZ (odhadem 5 pF) dolní propust pro frekvence vyšší než cca 150kHz , tj. podílí se na stabilitě smyčky ?

2. K čemu slouží sériová kombinace dvou diod D2,D3 a R13 10K ve vstupu
OZ U1A ? Kdyby ta dioda byla jedna , myslel bych si, že zamezuje toku proudu z Uref zátěží v obráceném směru přes potenciometry , jsou-li dvě,
spíš bych to tipoval na nějakou tepelnou kompenzaci , ale čeho ? Zdroje Uref 78L05 ?

Díky za názory .



Výřez schematu Statron - regulátory.jpg
 Komentář:
 Velikost:  106.84 kB
 Zobrazeno:  52 krát

Výřez schematu Statron - regulátory.jpg


Návrat nahoru
Zobrazit informace o autorovi Odeslat soukromou zprávu
lesana87



Založen: Sep 20, 2014
Příspěvky: 4370

PříspěvekZaslal: ne leden 11 2026, 17:44    Předmět: Citovat

Za normálních okolností těma diodama a odporem nic neteče, je na nich nulové napětí. Budou tam kvůli nějakému dynamickému ději, možná prudké změně požadovaného nebo výstupního napětí.

Na tom přepínání odbočky z trafa se ti nic divného nezdá? Já se nějak nemohla dopočítat, při jakém výstupním napětí se to přepíná, přišlo mi to nějak nízko.
Návrat nahoru
Zobrazit informace o autorovi Odeslat soukromou zprávu
Milan



Založen: Apr 02, 2012
Příspěvky: 1452
Bydliště: Vysočina

PříspěvekZaslal: ne leden 11 2026, 18:36    Předmět: Citovat

Když pominu vliv 1M hystereze v kladné zpětné vazbě , vychází mi to přepínací napětí kolem 10,5V - to není moc. Vstup + je připojen na napětí U výst zdroje(proti výst. minusu zdroje) , vstup - je připojen na dělič 330k a 130k z napětí Uvýst zdroje + Uref 5V , opět proti výst.minusu zdroje . Když se má U + a U- rovnat, vychází mi z toho těch cca 10,5V , pokud se ovšem nepletu , což bych při asi 5 různých "zemích" ve zdroji úplně nevyloučil Very Happy .
Návrat nahoru
Zobrazit informace o autorovi Odeslat soukromou zprávu
barnodaj



Založen: Apr 16, 2011
Příspěvky: 1074
Bydliště: Vodňansko

PříspěvekZaslal: ne leden 11 2026, 19:16    Předmět: Citovat

Měl jsem v práci dva tyto zdroje na stole a oba přepínaly zhruba kolem 19V.
Tedy všechny čtyři, proto že je to dvojitý zdroj.
Návrat nahoru
Zobrazit informace o autorovi Odeslat soukromou zprávu
lesana87



Založen: Sep 20, 2014
Příspěvky: 4370

PříspěvekZaslal: ne leden 11 2026, 21:23    Předmět: Citovat

Mně vychází, že na odporu R30 je 5V, teče jím tedy 5/330k mA. Při jakém napětí poteče stejný proud odporem R27, který má 130k? Při 2V.
Návrat nahoru
Zobrazit informace o autorovi Odeslat soukromou zprávu
PavelFF



Založen: Feb 18, 2008
Příspěvky: 5345
Bydliště: Brno

PříspěvekZaslal: ne leden 11 2026, 21:49    Předmět: Citovat

Je taky možné, že schéma není úplně správně překlesené. Proto některé věci vypadají divně.
Návrat nahoru
Zobrazit informace o autorovi Odeslat soukromou zprávu
masar



Založen: Dec 03, 2005
Příspěvky: 14324

PříspěvekZaslal: ne leden 11 2026, 22:29    Předmět: Citovat

Tohle nevypadá na 330kΩ. Já vidím 33k.
Wink



rezistor.png
 Komentář:
 Velikost:  109.71 kB
 Zobrazeno:  20 krát

rezistor.png


Návrat nahoru
Zobrazit informace o autorovi Odeslat soukromou zprávu Odeslat e-mail
Milan



Založen: Apr 02, 2012
Příspěvky: 1452
Bydliště: Vysočina

PříspěvekZaslal: po leden 12 2026, 7:41    Předmět: Citovat

Lesano, druhý konec toho zdroje Uref není připojen na výstupní minus zdroje, nýbrž na jeho výstupní + . Takže na tom odporu ( 330K nebo nověji 33K) není napětí 5V , ale napětí U výst. zdroje a k tomu těch 5V . Pro výpočet je dobré brát to plus jako " vnitřní zem " , protože proti ní pracují i operační zesilovače . Minus zdroje pak v chodu plave oproti plusu podle nastavené velikosti výstupního napětí zdroje.
Zdánlivá obvodová komplikace přináší úsporu energie v buzení výkon.tranzistorů a možnost vybudit je do skoro saturace bez zbytečného maření výkonu v buzení , jak je tomu v případech , kdy se budí ze stejného zdroje . Pár W tepla se ušetří nehledě na možnost napájet operáky malým napětím (zde 8,3V a - 5,1V ).
Návrat nahoru
Zobrazit informace o autorovi Odeslat soukromou zprávu
lesana87



Založen: Sep 20, 2014
Příspěvky: 4370

PříspěvekZaslal: po leden 12 2026, 8:23    Předmět: Citovat

Já si nemohu pomoci, ale na jednom konci R30 je Uref a druhý konec je na vstupu OZ, přičemž druhý vstup OZ je na zemi Uref a protože je mezi vstupy OZ 0V, je na R30 Uref, tj. 5V. Pokud je 33k, tak to vychází necelých 20V přepínací napětí a to odpovídá tomu, co píše barnodaj.
Návrat nahoru
Zobrazit informace o autorovi Odeslat soukromou zprávu
Milan



Založen: Apr 02, 2012
Příspěvky: 1452
Bydliště: Vysočina

PříspěvekZaslal: po leden 12 2026, 8:45    Předmět: Citovat

Ale já nerozporuji těch necelých 20V s odporem 33K , to vychází i mně , asi to počítáme každý z " jiné strany " Smile .
Nějaký názor na bod 1 mého dotazu bys neměla ?
Návrat nahoru
Zobrazit informace o autorovi Odeslat soukromou zprávu
masar



Založen: Dec 03, 2005
Příspěvky: 14324

PříspěvekZaslal: po leden 12 2026, 9:10    Předmět: Citovat

Tak to by mě zase zajímal tvůj postup výpočtu, když ti s 330k vycházelo 10,5V a nyní s 33k 20V.
Wink
Návrat nahoru
Zobrazit informace o autorovi Odeslat soukromou zprávu Odeslat e-mail
lesana87



Založen: Sep 20, 2014
Příspěvky: 4370

PříspěvekZaslal: po leden 12 2026, 9:11    Předmět: Citovat

Rozporoval jsi 5V na R30.
Ten odpor 220k na vstupu OZ mi taky není jasný, kdo ví, jakou má skutečně hodnotu.
Návrat nahoru
Zobrazit informace o autorovi Odeslat soukromou zprávu
Zobrazit příspěvky z předchozích:   
Přidat nové téma   Zaslat odpověď       Obsah fóra Diskuzní fórum Elektro Bastlírny -> Svářečky, UPS, nabíječe, měniče, zdroje, trafa a další Časy uváděny v GMT + 1 hodina
Jdi na stránku Předchozí  1, 2, 3, 4, 5  Další
Strana 4 z 5

 
Přejdi na:  
Nemůžete odesílat nové téma do tohoto fóra.
Nemůžete odpovídat na témata v tomto fóru.
Nemůžete upravovat své příspěvky v tomto fóru.
Nemůžete mazat své příspěvky v tomto fóru.
Nemůžete hlasovat v tomto fóru.
Nemůžete připojovat soubory k příspěvkům
Můžete stahovat a prohlížet přiložené soubory

Powered by phpBB © 2001, 2005 phpBB Group
Forums ©
Nuke - Elektro Bastlirna

Informace na portálu Elektro bastlírny jsou prezentovány za účelem vzdělání čtenářů a rozšíření zájmu o elektroniku. Autoři článků na serveru neberou žádnou zodpovědnost za škody vzniklé těmito zapojeními. Rovněž neberou žádnou odpovědnost za případnou újmu na zdraví vzniklou úrazem elektrickým proudem. Autoři a správci těchto stránek nepřejímají záruku za správnost zveřejněných materiálů. Předkládané informace a zapojení jsou zveřejněny bez ohledu na případné patenty třetích osob. Nároky na odškodnění na základě změn, chyb nebo vynechání jsou zásadně vyloučeny. Všechny registrované nebo jiné obchodní známky zde použité jsou majetkem jejich vlastníků. Uvedením nejsou zpochybněna z toho vyplývající vlastnická práva. Použití konstrukcí v rozporu se zákonem je přísně zakázáno. Vzhledem k tomu, že původ předkládaných materiálů nelze žádným způsobem dohledat, nelze je použít pro komerční účely! Tento nekomerční server nemá z uvedených zapojení či konstrukcí žádný zisk. Nezodpovídáme za pravost předkládaných materiálů třetími osobami a jejich původ. V případě, že zjistíte porušení autorského práva či jiné nesrovnalosti, kontaktujte administrátory na diskuzním fóru EB.


PHP-Nuke Copyright © 2005 by Francisco Burzi. This is free software, and you may redistribute it under the GPL. PHP-Nuke comes with absolutely no warranty, for details, see the license.
Čas potřebný ke zpracování stránky 0.32 sekund