Vítejte na Elektro Bastlírn?
Nuke - Elektro Bastlirna
  Vytvořit účet
Hlavní · Fórum · DDump · Profil · Zprávy · Hledat na fóru


Nuke - Elektro Bastlirna: Diskuzní fórum

 FAQFAQ   HledatHledat   Uživatelské skupinyUživatelské skupiny   ProfilProfil   Soukromé zprávySoukromé zprávy   PřihlášeníPřihlášení 

zapojení regulátoru dobíjení ve voze Škoda 100L

 
Přidat nové téma   Zaslat odpověď       Obsah fóra Diskuzní fórum Elektro Bastlírny -> Auto - Moto technika
Zobrazit předchozí téma :: Zobrazit následující téma  
Autor Zpráva
radioelectrum



Založen: Nov 11, 2011
Příspěvky: 2309
Bydliště: Oslavany

PříspěvekZaslal: čt prosinec 18 2025, 7:38    Předmět: zapojení regulátoru dobíjení ve voze Škoda 100L Citovat

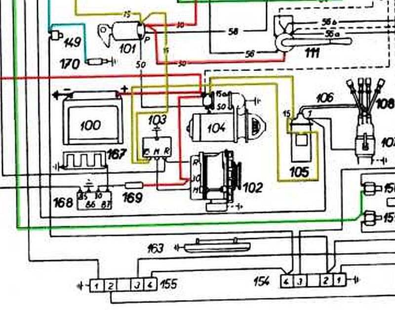
Potřebuji poradit jak zapojit regulátor dobíjení ve voze Škoda 100L. Ve voze bude alternátor stejný s pozdějšími vozy Škoda 105/120 Podle schématu i když u modelu 73 má být již alternátor tak tam je pořád značení jako bylo pro dynamo. Regulátor bude jako u vozů 105/120 viz foto.


schema model73.jpg
 Komentář:
 Velikost:  107.28 kB
 Zobrazeno:  17 krát

schema model73.jpg



dobijeni.jpg
 Komentář:
 Velikost:  96.58 kB
 Zobrazeno:  17 krát

dobijeni.jpg



regulator-dobijeni-skoda-105-120-orig-114-907040-0.jpg.big.jpg
 Komentář:
 Velikost:  53.98 kB
 Zobrazeno:  11 krát

regulator-dobijeni-skoda-105-120-orig-114-907040-0.jpg.big.jpg


Návrat nahoru
Zobrazit informace o autorovi Odeslat soukromou zprávu Odeslat e-mail Zobrazit autorovy WWW stránky
Zaky



Založen: Oct 30, 2010
Příspěvky: 6996
Bydliště: Praha

PříspěvekZaslal: čt prosinec 18 2025, 8:43    Předmět: Citovat

https://www.poradte.cz/auto-moto/3269-zapojeni-alternatoru.html
_________________
Krátce před tím, než se to rozbilo, tak to ještě fungovalo...
Návrat nahoru
Zobrazit informace o autorovi Odeslat soukromou zprávu
jardafiala



Založen: Jun 20, 2010
Příspěvky: 2533
Bydliště: Česká Lípa

PříspěvekZaslal: čt prosinec 18 2025, 8:47    Předmět: Citovat

Podle obrázku ..... regulátor stál krvavé peníze a dal se postavit velice snadno, to už je historie.


reg.jpg
 Komentář:
 Velikost:  63.44 kB
 Zobrazeno:  43 krát

reg.jpg




Naposledy upravil jardafiala dne čt prosinec 18 2025, 8:57, celkově upraveno 5 krát.
Návrat nahoru
Zobrazit informace o autorovi Odeslat soukromou zprávu Odeslat e-mail
radioelectrum



Založen: Nov 11, 2011
Příspěvky: 2309
Bydliště: Oslavany

PříspěvekZaslal: čt prosinec 18 2025, 8:50    Předmět: Citovat

Zaky doufám že to tak je, tam se píše o Favoritu, ale ten má regulátor přímo v alternátoru. To schémátko by ale mohlo odpovídat alternátoru Škoda 105/120.
Návrat nahoru
Zobrazit informace o autorovi Odeslat soukromou zprávu Odeslat e-mail Zobrazit autorovy WWW stránky
EKKAR



Založen: Mar 16, 2005
Příspěvky: 35098
Bydliště: Česká Třebová, JN89FW21

PříspěvekZaslal: čt prosinec 18 2025, 9:29    Předmět: Citovat

"Regec" do alťasu fáčka/feliny jsem měl otevřenej - byl v něm kromě několika diod už jen LM317 a pár odporů ...
_________________
Nasliněný prst na svorkovnici domovního rozvaděče: Jó, paninko, máte tam ty Voltíky všecky...
A kutilmile - nelituju tě Mr. Green Mr. Green !!!
Návrat nahoru
Zobrazit informace o autorovi Odeslat soukromou zprávu Odeslat e-mail
jardafiala



Založen: Jun 20, 2010
Příspěvky: 2533
Bydliště: Česká Lípa

PříspěvekZaslal: čt prosinec 18 2025, 11:39    Předmět: Citovat

Ten do 120 měl tři tranzistory (KF npn a pnp a výkonový NPN). Tenkrát jsem ho napasoval do krabičky od původního s drátovým potencimetrem pro drobnou změnu napětí baterky. Záměrem bylo o pár desetin zvednout napětí nabíjení baterky v zimě, nakonec se ukázalo, že zbytečně, bylo nastaveno jednou a nafurt. Dlouhá léta to spolehlivě chodilo.
Návrat nahoru
Zobrazit informace o autorovi Odeslat soukromou zprávu Odeslat e-mail
EKKAR



Založen: Mar 16, 2005
Příspěvky: 35098
Bydliště: Česká Třebová, JN89FW21

PříspěvekZaslal: čt prosinec 18 2025, 14:46    Předmět: Citovat

Já si vzpomínám, že v nějakým čísle Amára tuším někdy kolem roku 85 vyšel i plánek na stavbu polovodičovýho regleru pro 9-diodovej alternátor ... Bylo to s MAA723, tudíž tepelně dost fest stabilní (myšlený v porovnání s regulátorem s referencí tvořenou jen B-E přechodem trandu nebo jednou Zenerkou)
_________________
Nasliněný prst na svorkovnici domovního rozvaděče: Jó, paninko, máte tam ty Voltíky všecky...
A kutilmile - nelituju tě Mr. Green Mr. Green !!!
Návrat nahoru
Zobrazit informace o autorovi Odeslat soukromou zprávu Odeslat e-mail
feliz_navidad



Založen: Oct 15, 2009
Příspěvky: 922

PříspěvekZaslal: čt prosinec 18 2025, 16:41    Předmět: Citovat

Regulátor s MAA723 jsem stavěl, chodil dobře, ale matně si vzpomínám, že jsem dělal nějakou úpravu. Ještě ho někde ve sklepě mám, i když auto už je 20 let sešrotovaný.

EDIT: Tak to bylo v AR A5/89.
Návrat nahoru
Zobrazit informace o autorovi Odeslat soukromou zprávu
sis2



Založen: Oct 07, 2012
Příspěvky: 1481
Bydliště: JN89GF

PříspěvekZaslal: čt prosinec 18 2025, 17:40    Předmět: Citovat

Výše uvedený regulátor PAL a jeho zapojení ve Š105/120 je na přiloženém obrázku - je to stejně jak na obrázku od Jardy.


Regulátor PAL.jpg
 Komentář:
 Velikost:  63.85 kB
 Zobrazeno:  37 krát

Regulátor PAL.jpg


Návrat nahoru
Zobrazit informace o autorovi Odeslat soukromou zprávu
BOBOBO
Doporučuje se dohled statného moderátora


Založen: Feb 25, 2008
Příspěvky: 20897
Bydliště: Rychnovsko

PříspěvekZaslal: čt prosinec 18 2025, 19:46    Předmět: Citovat

Co chceš poradit ? Dej ty dráty tam , co patří .
Návrat nahoru
Zobrazit informace o autorovi Odeslat soukromou zprávu
Zobrazit příspěvky z předchozích:   
Přidat nové téma   Zaslat odpověď       Obsah fóra Diskuzní fórum Elektro Bastlírny -> Auto - Moto technika Časy uváděny v GMT + 1 hodina
Strana 1 z 1

 
Přejdi na:  
Nemůžete odesílat nové téma do tohoto fóra.
Nemůžete odpovídat na témata v tomto fóru.
Nemůžete upravovat své příspěvky v tomto fóru.
Nemůžete mazat své příspěvky v tomto fóru.
Nemůžete hlasovat v tomto fóru.
Nemůžete připojovat soubory k příspěvkům
Můžete stahovat a prohlížet přiložené soubory

Powered by phpBB © 2001, 2005 phpBB Group
Forums ©
Nuke - Elektro Bastlirna

Informace na portálu Elektro bastlírny jsou prezentovány za účelem vzdělání čtenářů a rozšíření zájmu o elektroniku. Autoři článků na serveru neberou žádnou zodpovědnost za škody vzniklé těmito zapojeními. Rovněž neberou žádnou odpovědnost za případnou újmu na zdraví vzniklou úrazem elektrickým proudem. Autoři a správci těchto stránek nepřejímají záruku za správnost zveřejněných materiálů. Předkládané informace a zapojení jsou zveřejněny bez ohledu na případné patenty třetích osob. Nároky na odškodnění na základě změn, chyb nebo vynechání jsou zásadně vyloučeny. Všechny registrované nebo jiné obchodní známky zde použité jsou majetkem jejich vlastníků. Uvedením nejsou zpochybněna z toho vyplývající vlastnická práva. Použití konstrukcí v rozporu se zákonem je přísně zakázáno. Vzhledem k tomu, že původ předkládaných materiálů nelze žádným způsobem dohledat, nelze je použít pro komerční účely! Tento nekomerční server nemá z uvedených zapojení či konstrukcí žádný zisk. Nezodpovídáme za pravost předkládaných materiálů třetími osobami a jejich původ. V případě, že zjistíte porušení autorského práva či jiné nesrovnalosti, kontaktujte administrátory na diskuzním fóru EB.


PHP-Nuke Copyright © 2005 by Francisco Burzi. This is free software, and you may redistribute it under the GPL. PHP-Nuke comes with absolutely no warranty, for details, see the license.
Čas potřebný ke zpracování stránky 0.21 sekund