Vítejte na Elektro Bastlírn?
Nuke - Elektro Bastlirna
  Vytvořit účet Hlavní · Fórum · DDump · Profil · Zprávy · Hledat na fóru · Příspěvky na provoz EB

Vlákno na téma KORONAVIRUS - nutná registrace


Nuke - Elektro Bastlirna: Diskuzní fórum

 FAQFAQ   HledatHledat   Uživatelské skupinyUživatelské skupiny   ProfilProfil   Soukromé zprávySoukromé zprávy   PřihlášeníPřihlášení 

Magnetofonová nostalgie (odděleno)
Jdi na stránku Předchozí  1, 2, 3 ... 45, 46, 47
 
Přidat nové téma   Zaslat odpověď       Obsah fóra Diskuzní fórum Elektro Bastlírny -> Audiotechnika
Zobrazit předchozí téma :: Zobrazit následující téma  
Autor Zpráva
EL34



Založen: Sep 21, 2009
Příspěvky: 647
Bydliště: Chrast u Chrudimi

PříspěvekZaslal: pá září 05 2025, 9:46    Předmět: Citovat

Hill napsal(a):
Zajímavé ale je, že TP18 nějak nabobtnal a o fous přesahuje okraj cívky, a to i při rychlém převíjení. S tahy unašečů to tedy asi nemá, co dělat.


Porovnával jsem Agfu PE36, 46, 66 na stejných 15cm modrých cívkách a nejmenší návin je u 36, u 46 je střední a u 66 už návin lícuje s okrajem cívky. Všechny pásky jsou navinuty správným tahem. Není to tím, že se na stejný průměr cívky musely vejít různé metráže pásku a taky nějaké výrobní tolerance síly pásku atd.?
Návrat nahoru
Zobrazit informace o autorovi Odeslat soukromou zprávu
Hill
Administrátor


Založen: Sep 10, 2004
Příspěvky: 20919
Bydliště: Jičín, Český ráj

PříspěvekZaslal: pá září 05 2025, 10:09    Předmět: Citovat

Patrně ano, ale na nové cívce po vybalení ještě byl pásek spolehlivě pod obvodem čel. To až po několikerém převinutí narostl průměr návinu.
Návrat nahoru
Zobrazit informace o autorovi Odeslat soukromou zprávu
EL34



Založen: Sep 21, 2009
Příspěvky: 647
Bydliště: Chrast u Chrudimi

PříspěvekZaslal: pá září 05 2025, 10:11    Předmět: Citovat

Beru zpět, bude to tím, že tenčího pásku tam je více závitů, tedy i více vrstev a více vzduchových mezer mezi nimi. Tenčí pásek bude mít horší činitel plnění na cívce a tím průměr návinu oproti silnějšímu pásku naroste.
Návrat nahoru
Zobrazit informace o autorovi Odeslat soukromou zprávu
TheLastUnicorn



Založen: Jan 17, 2018
Příspěvky: 515
Bydliště: Trenčín

PříspěvekZaslal: pá září 05 2025, 14:25    Předmět: Citovat

Měl jsem i pásky BASF koupené v DE a byl s nima úplně stejný problém. Spíš mi to přijde jako nějaký problém určitých sérií...
Návrat nahoru
Zobrazit informace o autorovi Odeslat soukromou zprávu
EL34



Založen: Sep 21, 2009
Příspěvky: 647
Bydliště: Chrast u Chrudimi

PříspěvekZaslal: ne září 07 2025, 20:22    Předmět: Citovat

TheLastUnicorn napsal(a):
Měl jsem i pásky BASF koupené v DE a byl s nima úplně stejný problém. Spíš mi to přijde jako nějaký problém určitých sérií...


Já s tím mám zkušenost takovou, že mi ty BASFy začaly špinit po přestěhování celé fonotéky do jinéhu prostředí (Nepatrně vyšší vlhkost a více kolísající teplota). Pak začaly špinit i ty pásky, které to nikdy nedělaly. Bude to tedy také o kvalitě skladování a tak jako tak u těch pásků nikdo nepředpokládal živostnost až do dneška. AGFA a Maxell měly prostě ten výrobní proces co se týká mechanických vlastností pásků natolik vymakaný, že byla jedna šarže jako druhá. V Ludwigshafenu se třeba někdy ve výrobě něco nepovedlo a projevilo se to až po letech.
Návrat nahoru
Zobrazit informace o autorovi Odeslat soukromou zprávu
ronoda



Založen: Dec 12, 2017
Příspěvky: 825
Bydliště: Pardubice

PříspěvekZaslal: út prosinec 09 2025, 20:25    Předmět: Citovat

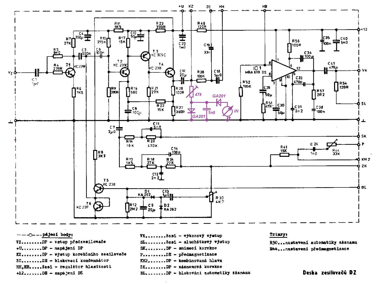
Poradí mi tady někdo? Kam připojit indikátor na SP210 (K10)
Aby ukazoval při nahrávání i při reprodukci. O žádné hodnoty nejde, jen aby bylo vidět, že to pracuje. Dík



IMG_20251208_184111.jpg
 Komentář:
 Velikost:  295.57 kB
 Zobrazeno:  7 krát

IMG_20251208_184111.jpg


Návrat nahoru
Zobrazit informace o autorovi Odeslat soukromou zprávu Odeslat e-mail
Hill
Administrátor


Založen: Sep 10, 2004
Příspěvky: 20919
Bydliště: Jičín, Český ráj

PříspěvekZaslal: út prosinec 09 2025, 21:46    Předmět: Citovat

Vezmi signál z výstupu korekčního zesilovače. Tam je při záznamu i snímání.
Bude to pořád něco ukazovat, i zesílený šum, protože SP210 má nevypínatelnou záznamovou automatiku. Ale rozdíl vidět bude.
Co tak si vypůjčit třeba zapojení z B100?
S tím čtvercovým indikátorem to chodit bude, prostě trimrem nastavíš citlivost tak, aby ručka se signálem ukazovala 0 dB.
O tom profilovém měřáku nevím, jakou má citlivost, třeba tam bude něco ukazovat taky i v tomto zapojení.



SP210-DZ.png
 Komentář:
 Velikost:  205.44 kB
 Zobrazeno:  40 krát

SP210-DZ.png


Návrat nahoru
Zobrazit informace o autorovi Odeslat soukromou zprávu
Ingwarr



Založen: Jun 08, 2023
Příspěvky: 108
Bydliště: Trnavský, Ružindol,

PříspěvekZaslal: st prosinec 10 2025, 15:54    Předmět: Citovat

Dva nové potenciometre do magnetofonu B54 a podobných, je to TP320. Odpadol bežec a časom sa stratil celý potenciometer. Laughing dám sem fotky ako som opravil potenciometer pre nahrávanie. Lacná konštrukcia, to Panasonic kazetak má podobný potenciometer, pekne rozoberatelny.


Resizer_17653780857591.jpeg
 Komentář:
Dva nové TP320 10k/G
 Velikost:  273.14 kB
 Zobrazeno:  9 krát

Resizer_17653780857591.jpeg



Resizer_17653781360971.jpeg
 Komentář:
Pred opravou
 Velikost:  234.08 kB
 Zobrazeno:  10 krát

Resizer_17653781360971.jpeg



Resizer_17653781690441.jpeg
 Komentář:
TP 320 M1/G diely ktoré som vyrábal okrem skrutiek, na foto chýba uhlík na bežci, po fotení bol daný na pôvodné miesto.
 Velikost:  199.98 kB
 Zobrazeno:  13 krát

Resizer_17653781690441.jpeg



Resizer_17653782028301.jpeg
 Komentář:
 Velikost:  180.62 kB
 Zobrazeno:  9 krát

Resizer_17653782028301.jpeg



Resizer_17653782448411.jpeg
 Komentář:
 Velikost:  158.67 kB
 Zobrazeno:  12 krát

Resizer_17653782448411.jpeg


Návrat nahoru
Zobrazit informace o autorovi Odeslat soukromou zprávu
ronoda



Založen: Dec 12, 2017
Příspěvky: 825
Bydliště: Pardubice

PříspěvekZaslal: st prosinec 10 2025, 23:38    Předmět: Citovat

Hill*** děkuji za řešení...
Návrat nahoru
Zobrazit informace o autorovi Odeslat soukromou zprávu Odeslat e-mail
Mysteri



Založen: Mar 12, 2008
Příspěvky: 3153
Bydliště: Považie - Vorošilovo

PříspěvekZaslal: pá prosinec 12 2025, 22:12    Předmět: Citovat

Hill napsal(a):
BASFky provezené z Bavorska nešpoiní dodnes, zatímco ty prodávané u nás měly horší soudržnost aktivní vrstvy s podložkou, začalo to okrajovými stopami...

Môžem potvrdiť. Keď mi brácha v 70" rokoch odovzdal, po spárení s švagrinou, na krk kopírovanie LP, tak som zistil, že sa tie BASFy nejak ,,olupujú". Mal som šťastie, že som vtedy žil v PB, kde v PRIORe a v Elektre nebol problém kúpiť 15cm kotúče AGFA a BASF a to dokonca v oboch modifikáciach a ešte občas, bielo modré papierové krabičky pások SCOTCH. Už po pár mesiacoch som zistil, že ešte do nedávna kvalitné BASFy sa začali hneď z kraja olupovať a zostávala čistá priehladna fólia. Našťastie, bol som naučený začínať nahrávky až po 1 minúte od návinu. Niečo podobné sa už stávalo u pások SCOTCH (vymizli práve koncom 70" rokov, stáli tiež 155 Kčs), ktoré, mimochodom, podľa mňa, hrali na našich mgf B100 najlepšie (predmagnetizácia im sedela), boli iba tenšie a náchylné na ,,podmotanie sa" medzi návin a cievku pri zle fungujúcich brzdách magiča. Často mávali z toho hlavu v smútku majitelia B400 v mojom okolí...
Skrátka, začal som nakupovať už iba AGFA, tam nebol žiadny problém, ale aj tá aj iné značky po r. 1982 nejak postupne z Elektra a Prioru vykapali a stali sa podpulťákmi...
Návrat nahoru
Zobrazit informace o autorovi Odeslat soukromou zprávu
Hill
Administrátor


Založen: Sep 10, 2004
Příspěvky: 20919
Bydliště: Jičín, Český ráj

PříspěvekZaslal: pá prosinec 12 2025, 22:50    Předmět: Citovat

Hlavní potíž byla v tom, že jednomotorové cívkáče vyžadovaly pravidelnou kontrolu a údržbu častěji, než třímotorové. To platí pro řadu B4, jako pro všechny ostatní. Ale kdo by to dával pravidelně servisovat, že?
Návrat nahoru
Zobrazit informace o autorovi Odeslat soukromou zprávu
Zobrazit příspěvky z předchozích:   
Přidat nové téma   Zaslat odpověď       Obsah fóra Diskuzní fórum Elektro Bastlírny -> Audiotechnika Časy uváděny v GMT + 1 hodina
Jdi na stránku Předchozí  1, 2, 3 ... 45, 46, 47
Strana 47 z 47

 
Přejdi na:  
Nemůžete odesílat nové téma do tohoto fóra.
Nemůžete odpovídat na témata v tomto fóru.
Nemůžete upravovat své příspěvky v tomto fóru.
Nemůžete mazat své příspěvky v tomto fóru.
Nemůžete hlasovat v tomto fóru.
Nemůžete připojovat soubory k příspěvkům
Můžete stahovat a prohlížet přiložené soubory

Powered by phpBB © 2001, 2005 phpBB Group
Forums ©
Nuke - Elektro Bastlirna

Informace na portálu Elektro bastlírny jsou prezentovány za účelem vzdělání čtenářů a rozšíření zájmu o elektroniku. Autoři článků na serveru neberou žádnou zodpovědnost za škody vzniklé těmito zapojeními. Rovněž neberou žádnou odpovědnost za případnou újmu na zdraví vzniklou úrazem elektrickým proudem. Autoři a správci těchto stránek nepřejímají záruku za správnost zveřejněných materiálů. Předkládané informace a zapojení jsou zveřejněny bez ohledu na případné patenty třetích osob. Nároky na odškodnění na základě změn, chyb nebo vynechání jsou zásadně vyloučeny. Všechny registrované nebo jiné obchodní známky zde použité jsou majetkem jejich vlastníků. Uvedením nejsou zpochybněna z toho vyplývající vlastnická práva. Použití konstrukcí v rozporu se zákonem je přísně zakázáno. Vzhledem k tomu, že původ předkládaných materiálů nelze žádným způsobem dohledat, nelze je použít pro komerční účely! Tento nekomerční server nemá z uvedených zapojení či konstrukcí žádný zisk. Nezodpovídáme za pravost předkládaných materiálů třetími osobami a jejich původ. V případě, že zjistíte porušení autorského práva či jiné nesrovnalosti, kontaktujte administrátory na diskuzním fóru EB.


PHP-Nuke Copyright © 2005 by Francisco Burzi. This is free software, and you may redistribute it under the GPL. PHP-Nuke comes with absolutely no warranty, for details, see the license.
Čas potřebný ke zpracování stránky 0.20 sekund