Vítejte na Elektro Bastlírn?
Nuke - Elektro Bastlirna
  Vytvořit účet
Hlavní · Fórum · DDump · Profil · Zprávy · Hledat na fóru


Nuke - Elektro Bastlirna: Diskuzní fórum

 FAQFAQ   HledatHledat   Uživatelské skupinyUživatelské skupiny   ProfilProfil   Soukromé zprávySoukromé zprávy   PřihlášeníPřihlášení 

odhad funkce obvodu zo schémy - odděleno
Jdi na stránku 1, 2  Další
 
Přidat nové téma   Zaslat odpověď       Obsah fóra Diskuzní fórum Elektro Bastlírny -> Zapojení ze šuplíku
Zobrazit předchozí téma :: Zobrazit následující téma  
Autor Zpráva
samec



Založen: Dec 19, 2017
Příspěvky: 6623

PříspěvekZaslal: út prosinec 02 2025, 15:07    Předmět: Citovat

Vidím, že ste tu odborníci na navrhovanie hardvérových počitadiel. Vedel by niekto z vás naopak zo schémy určiť, alebo aspoň odhadnúť funkciu obvodu? Mám plnú igelitku kariet z nejakého starého stroja. Jednu som prekreslil, ale pozerám na ňu jak analfabet na čínske znaky. Možno oko skúseného odborníka na logické obvody skôr odhalí význam rôznych zhlukov hradiel.
doska
plošak
schéma
Vie niekto, čo je to za formát kariet? Gúgeľ netuší. Rozmer je 13,5 x 17 cm presne.
Návrat nahoru
Zobrazit informace o autorovi Odeslat soukromou zprávu
asdf



Založen: Oct 06, 2022
Příspěvky: 699

PříspěvekZaslal: út prosinec 02 2025, 17:31    Předmět: Citovat

Na tom schématu vpravo uprostřed ten malý kousek bude asi generovat /reset. Ale jinak zatím nevím, a asi ani potom vědět nebudu. Smile
Návrat nahoru
Zobrazit informace o autorovi Odeslat soukromou zprávu Zobrazit autorovy WWW stránky
Kremik



Založen: Mar 30, 2012
Příspěvky: 3784
Bydliště: Havířov

PříspěvekZaslal: út prosinec 02 2025, 18:02    Předmět: Citovat

Tohle už jsem taky párkrát zažil. Člověk si zkreslí "fakt zajímavou" desku a pak řekne -Hmm...
V poslední době - deska pravděpodobně z mincového telefonu, asi 10 logických švábů a v podstatě jen po určité době, možno zvolit dva časy, dle nastavení jednoho z klopáků, udělá jen píp píp píp píp a zastaví se.
Druhá deska - vůbec netuším z čeho ale mám jich víc - asi 30 číslicových švábů - vysílá kód jako by člověk točil kódovým kolečkem tam a zpět, ovšem do těch průběhů vpašovává ještě nějaké úrovně jinak a k tomu postupně se zvětšující binární číslo. To celé proběhne asi 128 krát, pokaždé s vyšším číslem. Celé to trvá asi necelou sekundu. Když to zpomalím, ať se to dá sledovat na LEDkách, trvá skoro půl hodiny, než si to "poběhá" tam a zpět a zastaví se.
Člověk sice zjistí co deska dělá, zjistit pak ale k čemu je to dobré už je mnohem těžší.

Danhardova deska: 3 MKO plus trocha logiky. No a ten "reset". Sympatické je, že nenutí hradla fungovat v analogovém režimu. Kde je to potřeba, pomůžou si trandem. To hradla mojí desky (té z telefonu) si analogu užily dost Smile
Návrat nahoru
Zobrazit informace o autorovi Odeslat soukromou zprávu Odeslat e-mail
danhard



Založen: Mar 05, 2007
Příspěvky: 6687
Bydliště: Jesenice u Prahy

PříspěvekZaslal: st prosinec 03 2025, 20:24    Předmět: Citovat

Samcova deska Very Happy
Návrat nahoru
Zobrazit informace o autorovi Odeslat soukromou zprávu Odeslat e-mail
samec



Založen: Dec 19, 2017
Příspěvky: 6623

PříspěvekZaslal: čt prosinec 04 2025, 17:06    Předmět: Citovat

Tak som prekreslil ešte jeden plošak a asi to vzdávam, lebo hentakú ezoteriku mi hlava neberie. Neštandardné symboly v schéme pripomínajúce vetvičky, či antény symbolizujú nejaké prázdne spoje rozťahané po plošaku bez osadených súčiastok, teda v lufte. Tak neviem, či to mal byť nejaký random generátor? Divný je aj rezistor W12. Kolega vravel, že ten kryštalografický difraktometer, z ktorého tie plošaky pochádzajú, bol extrémne nespoľahlivý. Tak asi to nebolo len zoxidovanými kontaktmi v konektoroch a prepínačoch. S týmto museli dosahovať vskutku prekvapivé vedecké výsledky.

EDIT:
Pridaná fotka rezistoru W12.
Je to obyčajný rezistor, alebo niečo špeciálnejšie?



363681-151(T-foto).jpg
 Komentář:
 Velikost:  172.58 kB
 Zobrazeno:  100 krát

363681-151(T-foto).jpg



363681-151(schematic).png
 Komentář:
 Velikost:  13.64 kB
 Zobrazeno:  88 krát

363681-151(schematic).png



W12.jpg
 Komentář:
 Velikost:  127.97 kB
 Zobrazeno:  67 krát

W12.jpg




Naposledy upravil samec dne čt prosinec 04 2025, 20:21, celkově upraveno 2 krát.
Návrat nahoru
Zobrazit informace o autorovi Odeslat soukromou zprávu
Kremik



Založen: Mar 30, 2012
Příspěvky: 3784
Bydliště: Havířov

PříspěvekZaslal: čt prosinec 04 2025, 19:53    Předmět: Citovat

Tesla tuším dělala, musel bych pohledat, nějaké snad HIO, které fungovaly jako indikátory "metastabilních stavů", nebo s nimi nějak pracovaly. Vždy měly nějaké vstupy v luftě.
Návrat nahoru
Zobrazit informace o autorovi Odeslat soukromou zprávu Odeslat e-mail
Kremik



Založen: Mar 30, 2012
Příspěvky: 3784
Bydliště: Havířov

PříspěvekZaslal: čt prosinec 04 2025, 19:55    Předmět: Citovat

danhard napsal(a):
Samcova deska Very Happy
Aha, tak jsem to asi zkonil Very Happy
Ale v tom původním vlákně - no, asi jsem nepozorně četl.
Návrat nahoru
Zobrazit informace o autorovi Odeslat soukromou zprávu Odeslat e-mail
Zaky



Založen: Oct 30, 2010
Příspěvky: 7053
Bydliště: Praha

PříspěvekZaslal: pá prosinec 05 2025, 9:35    Předmět: Citovat

Otázka je, jestli ten W12 nemůže být třeba termistor, chtělo by to zkusit měřit.
_________________
Krátce před tím, než se to rozbilo, tak to ještě fungovalo...
Návrat nahoru
Zobrazit informace o autorovi Odeslat soukromou zprávu
Hill
Administrátor


Založen: Sep 10, 2004
Příspěvky: 21333
Bydliště: Jičín, Český ráj

PříspěvekZaslal: pá prosinec 05 2025, 10:01    Předmět: Citovat

Widerstand, tedy odpor, W12 je součástí děliče na vstupu Schmittova klopného obvodu udělanáho z IC13. Kompenzuje teplotní nestabilitu, aby obvod fungoval ve větším rozsahu teplot okolí s minimální chybou prahových úrovní napětí sledovaného na horním konci trimru W22.
Samotným termistorem by byl obvod překompenzovaný, proto okolní rezistory W10 a W13 omezují vliv jeho charakteristiky jak odporem, tak vlastní teplotní závislostí. Prostě jedno z klasických zapojení teplotní kompenzace používaných možná ještě dnes.
Ale to naměříš i s tím paralelně připojeným W13, stačí W12 ohřát i prstem.
Návrat nahoru
Zobrazit informace o autorovi Odeslat soukromou zprávu
samec



Založen: Dec 19, 2017
Příspěvky: 6623

PříspěvekZaslal: pá prosinec 05 2025, 12:11    Předmět: Citovat

To sledované napätie je spoločné napájanie dosky. Žiaden extra samostatný vstupný signál. Takže zmysel toho obvodu stále nevidím. Ak by to mala byť kontrola napájania, tak potom čo tá následná komplikovaná logika? Aj keď sa na to pozerám z opačnej strany, že čo by navrhol bežný inžinier, keby dostal za úlohu navrhnúť nejakú predpokladanú funkciu, tak mi najviac vychádza ten random generátor, alebo že to navrhoval inžinier, čo doštudoval len vďaka marxizmu-leninizmu.

Informáciu o napájaní vyžaduje iná doska, ale tá má vlastný komparátor.
Návrat nahoru
Zobrazit informace o autorovi Odeslat soukromou zprávu
samec



Založen: Dec 19, 2017
Příspěvky: 6623

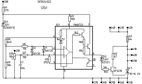
PříspěvekZaslal: pá prosinec 05 2025, 12:20    Předmět: Citovat

Vybíjač poistiek


Z365624-022(T-foto).jpg
 Komentář:
 Velikost:  92.65 kB
 Zobrazeno:  70 krát

Z365624-022(T-foto).jpg



Z365624-022(T-complete).png
 Komentář:
 Velikost:  31.66 kB
 Zobrazeno:  61 krát

Z365624-022(T-complete).png



Z365624-022(scheme).png
 Komentář:
 Velikost:  6.01 kB
 Zobrazeno:  67 krát

Z365624-022(scheme).png


Návrat nahoru
Zobrazit informace o autorovi Odeslat soukromou zprávu
samec



Založen: Dec 19, 2017
Příspěvky: 6623

PříspěvekZaslal: ne leden 18 2026, 12:56    Předmět: Citovat

Vie niekto, z čoho je toto?
271.2-615.661



271_2-615_661__2-1.jpg
 Komentář:
 Velikost:  87.15 kB
 Zobrazeno:  71 krát

271_2-615_661__2-1.jpg



271_2-615_661__1-1.jpg
 Komentář:
 Velikost:  86.96 kB
 Zobrazeno:  37 krát

271_2-615_661__1-1.jpg



271_2-615_661_T-complete.png
 Komentář:
 Velikost:  12.06 kB
 Zobrazeno:  23 krát

271_2-615_661_T-complete.png




Naposledy upravil samec dne st únor 11 2026, 1:31, celkově upraveno 1 krát.
Návrat nahoru
Zobrazit informace o autorovi Odeslat soukromou zprávu
Habesan



Založen: Jan 12, 2009
Příspěvky: 7407
Bydliště: Plzeňsko

PříspěvekZaslal: ne leden 18 2026, 13:10    Předmět: Citovat

Consul 2711-2714
Destička pro připojení tiskárny
Buď Kuře nebo Krtek
Návrat nahoru
Zobrazit informace o autorovi Odeslat soukromou zprávu Zobrazit autorovy WWW stránky
EKKAR



Založen: Mar 16, 2005
Příspěvky: 35591
Bydliště: Česká Třebová, JN89FW21

PříspěvekZaslal: ne leden 18 2026, 13:43    Předmět: Citovat

Habesan napsal(a):
...
Buď Kuře nebo Krtek
Kdopak to asi bude???


271_2-615_661__2-1_116.jpg
 Komentář:
 Velikost:  145.54 kB
 Zobrazeno:  56 krát

271_2-615_661__2-1_116.jpg



_________________
Nasliněný prst na svorkovnici domovního rozvaděče: Jó, paninko, máte tam ty Voltíky všecky...
A kutilmile - nelituju tě Mr. Green Mr. Green !!!
Návrat nahoru
Zobrazit informace o autorovi Odeslat soukromou zprávu Odeslat e-mail
samec



Založen: Dec 19, 2017
Příspěvky: 6623

PříspěvekZaslal: ne leden 18 2026, 13:55    Předmět: Citovat

Stěrače a ostříkovače nemusíš hlásit, to vidím.
Návrat nahoru
Zobrazit informace o autorovi Odeslat soukromou zprávu
Zobrazit příspěvky z předchozích:   
Přidat nové téma   Zaslat odpověď       Obsah fóra Diskuzní fórum Elektro Bastlírny -> Zapojení ze šuplíku Časy uváděny v GMT + 1 hodina
Jdi na stránku 1, 2  Další
Strana 1 z 2

 
Přejdi na:  
Nemůžete odesílat nové téma do tohoto fóra.
Nemůžete odpovídat na témata v tomto fóru.
Nemůžete upravovat své příspěvky v tomto fóru.
Nemůžete mazat své příspěvky v tomto fóru.
Nemůžete hlasovat v tomto fóru.
Nemůžete připojovat soubory k příspěvkům
Můžete stahovat a prohlížet přiložené soubory

Powered by phpBB © 2001, 2005 phpBB Group
Forums ©
Nuke - Elektro Bastlirna

Informace na portálu Elektro bastlírny jsou prezentovány za účelem vzdělání čtenářů a rozšíření zájmu o elektroniku. Autoři článků na serveru neberou žádnou zodpovědnost za škody vzniklé těmito zapojeními. Rovněž neberou žádnou odpovědnost za případnou újmu na zdraví vzniklou úrazem elektrickým proudem. Autoři a správci těchto stránek nepřejímají záruku za správnost zveřejněných materiálů. Předkládané informace a zapojení jsou zveřejněny bez ohledu na případné patenty třetích osob. Nároky na odškodnění na základě změn, chyb nebo vynechání jsou zásadně vyloučeny. Všechny registrované nebo jiné obchodní známky zde použité jsou majetkem jejich vlastníků. Uvedením nejsou zpochybněna z toho vyplývající vlastnická práva. Použití konstrukcí v rozporu se zákonem je přísně zakázáno. Vzhledem k tomu, že původ předkládaných materiálů nelze žádným způsobem dohledat, nelze je použít pro komerční účely! Tento nekomerční server nemá z uvedených zapojení či konstrukcí žádný zisk. Nezodpovídáme za pravost předkládaných materiálů třetími osobami a jejich původ. V případě, že zjistíte porušení autorského práva či jiné nesrovnalosti, kontaktujte administrátory na diskuzním fóru EB.


PHP-Nuke Copyright © 2005 by Francisco Burzi. This is free software, and you may redistribute it under the GPL. PHP-Nuke comes with absolutely no warranty, for details, see the license.
Čas potřebný ke zpracování stránky 0.63 sekund