Vítejte na Elektro Bastlírn?
Nuke - Elektro Bastlirna
  Vytvořit účet
Hlavní · Fórum · DDump · Profil · Zprávy · Hledat na fóru


Nuke - Elektro Bastlirna: Diskuzní fórum

 FAQFAQ   HledatHledat   Uživatelské skupinyUživatelské skupiny   ProfilProfil   Soukromé zprávySoukromé zprávy   PřihlášeníPřihlášení 

Odčerpávanie občasnej vody v pivnici
Jdi na stránku Předchozí  1, 2
 
Přidat nové téma   Zaslat odpověď       Obsah fóra Diskuzní fórum Elektro Bastlírny -> Poradna
Zobrazit předchozí téma :: Zobrazit následující téma  
Autor Zpráva
BOBOBO
Doporučuje se dohled statného moderátora


Založen: Feb 25, 2008
Příspěvky: 21143
Bydliště: Rychnovsko

PříspěvekZaslal: so prosinec 07 2024, 15:42    Předmět: Citovat

A znovu . Píši ti , že můj servisák má to čerpadlo s elektronikou několik let a OK .
Píši , ža ta klapka by byla ve šroubovém spojení tělesa a vývodu na hadici . Takže ji můžeš odstranit .
Pokud bude hladina pod úrovní vrchu tělesa nemá se co v zaplavení motoru stát .
Kolik bude čerpadlo čerpat vidíš na diagramech u čerpadel - máš tam výkony po metrech , mají to tam v l/hod , takže 11000 bude na 6m dávat 0,5l sec , to je stále frčák .
Psal si pivnice 2m .
Vlastní ucpávka není co určí životnost , ale materiál hřídele , pokud je nerezová , není co řešit . Zase u ní pozor , NESMÍ běhat nasucho .
Návrat nahoru
Zobrazit informace o autorovi Odeslat soukromou zprávu
adakar



Založen: Sep 16, 2020
Příspěvky: 739

PříspěvekZaslal: so prosinec 07 2024, 16:23    Předmět: Citovat

No vidíš, a ja som to bral stále tak že on si dal, a ak mám vôľu tak si spätnú klapku môžem bez problému dať tiež -tak už jj, ok..

Dúfam teda že aj tá keramická (zrejme ako zubný mostík pokeramizovaná) hriadeľ je vyšší level.. Vidím že ju má aj tá Gardena s elektronikou -tak je to asi ok.. Skúsim teda ísť do toho -tú elektronickú variantu by som musel ošahať, plus čo som písal -ale určite veľké dík..
==

Už len že ako by sa dali jednoducho zrealizovať tie dve signalizácie popísané vyššie? Alebo aspoň čiastočne niečo v tom duchu.. Za najjednoduchšie považujem kúpiť niečo final a len to pospojovať, nejakú výrobu DPS atď si teraz dovoliť nemôžem (tiež programovanie švába a pod. ide mimo mňa) -jedine že by to niekto vyrobil..
Návrat nahoru
Zobrazit informace o autorovi Odeslat soukromou zprávu
BOBOBO
Doporučuje se dohled statného moderátora


Založen: Feb 25, 2008
Příspěvky: 21143
Bydliště: Rychnovsko

PříspěvekZaslal: so prosinec 07 2024, 18:25    Předmět: Citovat

Koupíš mimo čerpadla škatulku , hlídací relé , plovák se šňůrou dle potřeby , zásuvku , do které zapojíš vidlici čerpadla . Toť vsjo .
relé např. https://www.rele.cz/p/pri-34#3904



ERPADLO.jpg
 Komentář:
 Velikost:  43.36 kB
 Zobrazeno:  53 krát

ERPADLO.jpg


Návrat nahoru
Zobrazit informace o autorovi Odeslat soukromou zprávu
adakar



Založen: Sep 16, 2020
Příspěvky: 739

PříspěvekZaslal: ne prosinec 08 2024, 23:36    Předmět: Citovat

Super ďakujem, len princíp som upravil pre tie moje požiadavky: čiže pri priesaku ak čerpadlo stíha tak zopne kontrolka chodu čerpadla, ak je toho viac tak zopne plavák č.2 ďalšiu kontrolku-bzučiak, ešte skôr než voda vystúpi zo šachty. Zbytok rieši podľa situácie obsluha. Predpokladám že pripojenie L a N je ľubovoľné, pripojil by som dľa obr.

Nie je niečo na podržanie zopnutého stavu kontrolky toho chodu čerpadla na DIN lištu Question Čiže ak raz kontrolka zasvieti, tak vypnúť ju dokáže iba obsluha, a to nezávisle na samovypnutí či samoznovuzapnutí čerpadla? A to isté bez-DIN-lištové? Nenašiel som nič, iba modul oneskoreného vypnutia pod vypínač a akýsi max. 30-hodinový na DIN..

Sám totiž neviem ešte ako to budem konštrukčne riešiť, šachta je na jednom konci miestnosti 3x3m pivnice, elektrina pod stropom (t.j. cca 0,5m nad úrovňou zeme) na opačnom konci, signalizácia minimálne tá svetelná, by mala ísť niekde hore predo dvere nad tou elektrinou.. Riešenie sa bude odvíjať od možností materiálových..

Je nejaký slušný bzučiak 230V na DIN lištu (ako kontrolka zaplavenia) Question Ak by som to riešil panelovo, zaujalo ma toto -a do obvodu vypínač..

Potrebná dĺžka plavákového prívodu bude taktiež podľa konštrukčného riešenia -ktoré bude podľa dostupnosti konkrétnych súčastí, námatkovo som našiel 10-15m plaváky v sigmashop.sk, predpokladám že tu by nemali mať nekvalitné? -len tá cena. Niekde som na bastlírne nedávno videl odporučenie na plaváky -neviem to už nájsť -sú spoľahlivé plaváky aj v nižších cenách Question



cerpadlo_369_upravene.jpg
 Komentář:
 Velikost:  27.41 kB
 Zobrazeno:  54 krát

cerpadlo_369_upravene.jpg


Návrat nahoru
Zobrazit informace o autorovi Odeslat soukromou zprávu
BOBOBO
Doporučuje se dohled statného moderátora


Založen: Feb 25, 2008
Příspěvky: 21143
Bydliště: Rychnovsko

PříspěvekZaslal: po prosinec 09 2024, 7:48    Předmět: Citovat

To s tím plovákem nepřeháněj , nebo navař nějaký s krátkým kabelem . Tady u nás https://www.cerpadlo-cerpadla.cz/PUMPA-plovakovy-spinac-10m-H07RNF-d7582.htm#

Paralelně ke kontrolce dáš nejmenší-nejlevnější bistabilní relé 230v , koupil bych na bazoši i plovák .
Ale znamená to reset tlačítko , aby jsi ho vrátil .
Anebo dáš ze šuplíka zdarma dvě relata . První sepne to druhé a to zůstane sepnuté samodržným kontaktem . Zase je nutné reset tlačítko . Relata bývají i zdarma u mikrovlnek s displejem , nebo mám z nějakých likvidovaných rozvaděčů , nebo bazoš myslím jsem kupoval do DIN použitá za 2. € i s držákem . Kdybys byl v Čechách , tak ti pošlu relata zdarma .
Návrat nahoru
Zobrazit informace o autorovi Odeslat soukromou zprávu
kbulda



Založen: Oct 23, 2007
Příspěvky: 1603
Bydliště: u Mělníku

PříspěvekZaslal: po prosinec 09 2024, 17:21    Předmět: Citovat

adakar napsal
" Takže znovu prosba na tých, čo čerpadlá vidia aj zvnútra: Je tá keramická hriadeľ s trojitým tesnením u tej Gardena 11000 argument Question Keďže ja som ponorku nikdy nerozoberal, nemám páru ako to vnútri vyzerá..."

Nevím jak kalová ponorná čerpadla mají řešenou keramickou hřídel. Vím ale, že čerpadla s keramickou hřídelí, používaná u zahradních jezírek měla problém s tím, že když si s ním klepnul, nebo ti upadlo, tak hřídel praskla. Pracoval jsem při prodeji a montáži těchto čerpadel, proto to vím. V případě záruky se reklamace zákazníkovi neuznávala. Mám dojem , že na to bylo i upozorněno v návodu k obsluze. Kotva motoru s keramickou hřídelí se u těchto čerpadel , z tohoto důvodu běžně dodávala jako náhradní díl.
Návrat nahoru
Zobrazit informace o autorovi Odeslat soukromou zprávu
BOBOBO
Doporučuje se dohled statného moderátora


Založen: Feb 25, 2008
Příspěvky: 21143
Bydliště: Rychnovsko

PříspěvekZaslal: po prosinec 09 2024, 18:00    Předmět: Citovat

Až nyní jsem si všiml , že jsi vyřadil blokaci čerpadla při zaplavení , a nahradil to vypínačem , takže přeloženo na obsluhu . Pokud si chceš ponechat tuto možnost , tak to nech původní a vypinačem přemosti plovák .
Návrat nahoru
Zobrazit informace o autorovi Odeslat soukromou zprávu
adakar



Založen: Sep 16, 2020
Příspěvky: 739

PříspěvekZaslal: st prosinec 11 2024, 15:35    Předmět: Citovat

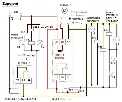
BOBOBO ak si myslel takto (obr.), je to ozaj lepšie -trocha som to ešte zahustil..

Čerpadlo je doma, skúsim dať na tú keramiku pozor -snáď sa časom nerozpraskne sama..

Nakoniec som zistil, že tie DIN zvončeky/bzučiaky sa pripájajú na 230V cez tlačítko -čo mi vyhovuje -mal som za to, že sú natvrdo s vyvedeným spínaním (a takto sa to pri neznalosti konkrétneho materiálu vždy komplikuje..).

Schéma na obr. by mala byť kompletná, vo východzom stave, požiadavky od zapojenia:

Čerpadlo Gardena 11000 nastavené na hraničné hodnoty zap. 23cm, vyp. 5 cm. V šachte začne pribúdať voda. Pri dosiahnutí hladiny 23 cm zopne plavák 1 čerpadlo, rozsvieti sa kontrolka chodu čerpadla [2]. Pri poklese hladiny na 5cm plavák 1 čerpadlo vypne, kontrolka chodu [2] zhasne, a súčasne začne kontrolka [3] blikaním upozorňovať, že síce je ticho, ale niečo sa dialo.

Ak by po dočerpaní voda zasa stúpala, čerpadlo aj kontrolka [2] zopne znovu -vyčerpá, a tak dookola.
Kontrolka [3] však už bliká nezávisle od stavov stále, až do zatlačenia tlačítka "Reset kontr.3" obsluhou, čím upozorňuje, že toto nie je čerpanie prvé, a že to s tou vodou asi bude na dlhšie. Zatlačenie "Reset kontr.3" počas čerpania nemá vplyv na ďalšiu riadnu funkciu kontrolky [3], tá začne blikaním upozorňovať na každé dočerpanie.

Po dočerpaní môže obsluha dvihnutím plaváka vynútiť spustenie čerpadla a tak vyčerpať zvyšných 5cm vody v šachte až na výšku hladiny 2mm (dľa tech. dok).

V prípade, ak pribúdanie vody prevyšuje odčerpávaciu kapacitu idúceho čerpadla, po dosiahnutí hladiny napr. 28 cm, čo je trebárs v šachte hlbokej 35cm ešte 7cm pred rozliatím vody na podlahu pivnice, zopne plavák zaplavenia [2] kontrolku [1a] spolu so zvukovou signalizáciou [1b].

Privolaná obsluha môže vypnúť zvukovú signalizáciu [1b] (zvonček, bzučiak) tlačítkom "Reset zvon.1b", a obhliadkou situácie zváži, či je vhodné tento silnejší priesak priebežne odčerpávať, a tým ho tlmiť, alebo či pri veľmi silnom alebo dlhom priesaku radšej pivnicu nechať zaplaviť, čo povolí vypínačom "Povolenie zaplavenia". Zmeniť zvolený stav môže zasa len obsluha.

Samotná signalizácia zaplavenia sa však po vyčerpaní, a teda vypnutí plaváka 2, automaticky zresetuje do východzieho stavu.

Je to v poriadku, aj z pohľadu bezpečnosti ??

Do prívodu N a L mienim zaradiť nejaký dvojpólový vypínač. Prívodný vodič PE pripojiť na zásuvku pre čerpadlo na kolík.



cerpadlo_uprava_02.jpg
 Komentář:
 Velikost:  47.48 kB
 Zobrazeno:  48 krát

cerpadlo_uprava_02.jpg


Návrat nahoru
Zobrazit informace o autorovi Odeslat soukromou zprávu
Lukar



Založen: Jun 18, 2009
Příspěvky: 464
Bydliště: Karviná

PříspěvekZaslal: st prosinec 11 2024, 21:46    Předmět: Citovat

Máš to zajímavě elektricky překombinované, ale vžij se do situace kdy elektrikář nebude doma, v ovládačce se něco po...e a voda pomalu stoupá. Udělej ještě pro zicher vedle zásuvku pro chod čerpadla pouze s kontrolou obsluhy do doby kdy nastoupí opravář (samozřejmost je použití chrániče).
Návrat nahoru
Zobrazit informace o autorovi Odeslat soukromou zprávu
witt



Založen: Apr 01, 2018
Příspěvky: 570

PříspěvekZaslal: pá prosinec 27 2024, 20:42    Předmět: Citovat

Jen bacha čerpání spodní vody ze sklepa zatěžuje základy, voda tlačí jak ze spodu, tak ze stran. Pokud hladina vody vystoupá vysoko hrozí i zřícení stavby - tak jak se to stalo v roce 2002 v Praze na Florenci. Kde se majitel po opadnití vody rozhodl odčerpat sklep a stěny ten tlak okolní vody nevydržely.
Návrat nahoru
Zobrazit informace o autorovi Odeslat soukromou zprávu
adakar



Založen: Sep 16, 2020
Příspěvky: 739

PříspěvekZaslal: pá listopad 14 2025, 12:09    Předmět: Citovat

Betónovanie šachty som pre mrazy musel odložiť, potom práce jarné, letné, atď, konečne by to teraz šlo. Mám vo veci prosbu k elektroinštalácii:

Pivnica je napájaná zo starej centrálnej rozvodnice vedľajšieho starého RD 4-žil. káblom uloženým v zemi, isteným keramickými bajonetmi 3x 20A. Všetko v RD aj pivnici je min. 50r. inštalácia TN-C. Bez hromozvodu.

Prívod slúžil pre 3f motor vodárne, osvetlenie pivnice, neskôr bola pripojená štyrmi žilami aj vedľajšia garáž. Motor vodárne časom vymenili za 1f na zásuvku.

Z pivnice chcem ešte ako dočasné riešenie napojiť kábel do záhrady (natiahnutý CYKY 3x2,5) pre tamojšie studničné 1f čerpadlo spolu so zásuvkou pre kosačku, a tiež pripojiť v tomto vlákne diskutované čerpanie zatopenia pivnice, možno aj plánované el. ovládanie príjazdovej brány RD.

Vyriešenie, minimálne tohto hlavného pivničného uzla, nechám na elektrikára - keďže na troch výstupných vetvách pôjde o prácu s vodou. Predpokladám nejakú rozvodnicu, v nej rozdelenie potrebných vetiev na TN-S. Tiež uzemnenie bodu rozdelenia. A o toto uzemnenie mi teraz ide - ak teda v tomto prípade vôbec môže byť:

Pivnica je polozapustená, t.j. s podlahou cca 1m pod úrovňou zeme, miestnosť je murovaná cca 3x3m, s 10cm podlahovým betónom.

Šachta pre ponorné čerpadlo zaplavenia je zatiaľ len do podlahy pivnice vyrúbaný otvor cca 50x60, a vykopaná zemina asi do hĺbky 50 cm - čiže teraz najnižší bod je cca 1,5m pod povrchom zeme. Hladina v neďalekej studni je odhadom 2,5 až 3m pod povrchom zeme (samozrejme dľa výkyvov počasia, v suchách klesne aj o meter, no a minuloročné záplavy bola iba 0,5m pod povrchom).

Šachta je na opačnej strane miestnosti pivnice, než je prívod 400V (400V hneď za Ľ rohom ako je vyznačené na obr. pivnice, šachta v rohu náprotivnej steny doľava)

Nebolo by vhodné pred zabetónovaním šachty (výsledný rozmer bude 35x50cm x40cm hĺbka) využiť tento najnižší bod, ktorý bude vďaka budúcemu betónovému dnu možno aj najvlhkejší (mierim na rosenie vzlínaním vlhkosti pod betónom - vlhkejšie miesto už asi inde nebude), a predpripraviť tam nejaké to uzemnenie? S tým že elektrikár by si ho potom zmeral, a ak by nevyhovovalo tak by sa zariadil inak? Ako na to?



pivnica.jpg
 Komentář:
 Velikost:  76.93 kB
 Zobrazeno:  37 krát

pivnica.jpg



sachta.jpg
 Komentář:
 Velikost:  138.25 kB
 Zobrazeno:  28 krát

sachta.jpg


Návrat nahoru
Zobrazit informace o autorovi Odeslat soukromou zprávu
adakar



Založen: Sep 16, 2020
Příspěvky: 739

PříspěvekZaslal: po listopad 24 2025, 18:06    Předmět: Citovat

Podľa predpovede vyzerá oteplenie a že by sa mohlo ešte betónovať, vetrať,

nenájde sa nikto znalý ochotný poradiť?
Návrat nahoru
Zobrazit informace o autorovi Odeslat soukromou zprávu
Zobrazit příspěvky z předchozích:   
Přidat nové téma   Zaslat odpověď       Obsah fóra Diskuzní fórum Elektro Bastlírny -> Poradna Časy uváděny v GMT + 1 hodina
Jdi na stránku Předchozí  1, 2
Strana 2 z 2

 
Přejdi na:  
Nemůžete odesílat nové téma do tohoto fóra.
Nemůžete odpovídat na témata v tomto fóru.
Nemůžete upravovat své příspěvky v tomto fóru.
Nemůžete mazat své příspěvky v tomto fóru.
Nemůžete hlasovat v tomto fóru.
Nemůžete připojovat soubory k příspěvkům
Můžete stahovat a prohlížet přiložené soubory

Powered by phpBB © 2001, 2005 phpBB Group
Forums ©
Nuke - Elektro Bastlirna

Informace na portálu Elektro bastlírny jsou prezentovány za účelem vzdělání čtenářů a rozšíření zájmu o elektroniku. Autoři článků na serveru neberou žádnou zodpovědnost za škody vzniklé těmito zapojeními. Rovněž neberou žádnou odpovědnost za případnou újmu na zdraví vzniklou úrazem elektrickým proudem. Autoři a správci těchto stránek nepřejímají záruku za správnost zveřejněných materiálů. Předkládané informace a zapojení jsou zveřejněny bez ohledu na případné patenty třetích osob. Nároky na odškodnění na základě změn, chyb nebo vynechání jsou zásadně vyloučeny. Všechny registrované nebo jiné obchodní známky zde použité jsou majetkem jejich vlastníků. Uvedením nejsou zpochybněna z toho vyplývající vlastnická práva. Použití konstrukcí v rozporu se zákonem je přísně zakázáno. Vzhledem k tomu, že původ předkládaných materiálů nelze žádným způsobem dohledat, nelze je použít pro komerční účely! Tento nekomerční server nemá z uvedených zapojení či konstrukcí žádný zisk. Nezodpovídáme za pravost předkládaných materiálů třetími osobami a jejich původ. V případě, že zjistíte porušení autorského práva či jiné nesrovnalosti, kontaktujte administrátory na diskuzním fóru EB.


PHP-Nuke Copyright © 2005 by Francisco Burzi. This is free software, and you may redistribute it under the GPL. PHP-Nuke comes with absolutely no warranty, for details, see the license.
Čas potřebný ke zpracování stránky 0.15 sekund