Vítejte na Elektro Bastlírn?
Nuke - Elektro Bastlirna
  Vytvořit účet Hlavní · Fórum · DDump · Profil · Zprávy · Hledat na fóru · Příspěvky na provoz EB

Vlákno na téma KORONAVIRUS - nutná registrace


Nuke - Elektro Bastlirna: Diskuzní fórum

 FAQFAQ   HledatHledat   Uživatelské skupinyUživatelské skupiny   ProfilProfil   Soukromé zprávySoukromé zprávy   PřihlášeníPřihlášení 

Proxima SR 2420
Jdi na stránku Předchozí  1, 2
 
Přidat nové téma   Zaslat odpověď       Obsah fóra Diskuzní fórum Elektro Bastlírny -> Audiotechnika
Zobrazit předchozí téma :: Zobrazit následující téma  
Autor Zpráva
elektrosvit



Založen: Jun 27, 2016
Příspěvky: 2515

PříspěvekZaslal: pá květen 11 2018, 23:11    Předmět: Citovat

Hmmm, a navíc ty hmatníky nevypadají na stavebnici ELTRA-Isostat, viz obrázek ze zdejšího vlákna. Němci používali své přepínače. Hmatníky jsou vypuklé dovnitř, jsou delší a navíc z nich ještě vyčnívá krček, kterým se nasouvají na vlastní přepínač. S hmatníky ze soupravy Isostat je shodný jen průměr- 12 mm. Spíše se jedná o zákaznický díl.
Návrat nahoru
Zobrazit informace o autorovi Odeslat soukromou zprávu
ronoda



Založen: Dec 12, 2017
Příspěvky: 825
Bydliště: Pardubice

PříspěvekZaslal: út květen 22 2018, 18:30    Předmět: Citovat

Hmm, hmm, tak ho tady poslouchám cca 14 dní, cca 10 hodin denně a jeho přednes se mi líbí čím dál víc. Na to jak je to starý, to hraje velice příjemně.
Návrat nahoru
Zobrazit informace o autorovi Odeslat soukromou zprávu Odeslat e-mail
Ian



Založen: Sep 20, 2023
Příspěvky: 150
Bydliště: Brno venkov

PříspěvekZaslal: ne říjen 26 2025, 20:52    Předmět: Citovat

Rád bych oživil toto téma - dostal se mě do ruky tento stroj. Uvnitř ale už někdo něco kutil.

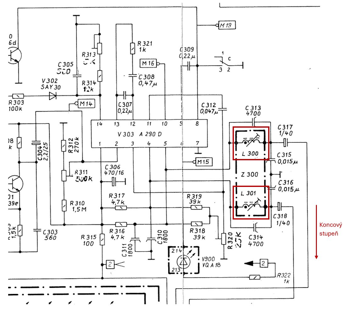
1) na horní plechový kryt byl zespodu nalepen kus plechu, který upadl a ulomil obě cívky za stereodekodérem. Rádio hraje, i stereo, ale zatím netuším kvalitu zvuku - neposlouchal jsem na sluchátka. Viz foto a označené cívky ve schématu. Otázka zní - čím je nahradit - musely by se převinout (prostřední vývod je utržený) a následně ještě "naladit" (indukčnost nebude totožná?). Je to dost pracné. K čemu je tam ten LC člen?

2) CCIR stupnice má být nastavena 88-104MHz. Hrubým poslechem se mě to nezdálo - 88 cca sedí, pak se postupně rozjíždí, např radio čas 94,6 ukazuje na stupnici skoro 98 a horní konec je někde kolem 102MHz. Zjistil jsem, že se někdo ještě vrtal v desce ve schématu označené jako "OIRT - leiterplatte". Originál trandy V700-701 SC236/7d jsou oba nahrazené za KC507, taktéž nahrazen trimr R705, ale zdá se mě že za stejnou hodnotu 22k. Otáčením trimru se celá stupnice posouvá směrem nahoru/dolů, maximum je pak 104, ale minimum je pak kolem 90. Dále OIRT pásmo je divné, naladím na něm např. radio Čas také ve stereu, ale se slabším signálem + také nějaké rakouské stanice občas ve stereu - měl jsem pocit, že v OIRT se nevysílalo stereo, ale možná se pletu. Zajímalo by mě, jestli se dá FM sladit, aby pasoval začátek i konec - nemám s tím zatím žádnou zkušenost.

Schema je případně zde.

Díky za rady.



Cívky1.jpg
 Komentář:
 Velikost:  178.6 kB
 Zobrazeno:  14 krát

Cívky1.jpg



Cívky2.jpg
 Komentář:
 Velikost:  95.36 kB
 Zobrazeno:  10 krát

Cívky2.jpg



Schema.jpg
 Komentář:
 Velikost:  142.21 kB
 Zobrazeno:  17 krát

Schema.jpg



Schema2.jpg
 Komentář:
 Velikost:  41.2 kB
 Zobrazeno:  15 krát

Schema2.jpg


Návrat nahoru
Zobrazit informace o autorovi Odeslat soukromou zprávu
Hill
Administrátor


Založen: Sep 10, 2004
Příspěvky: 21015
Bydliště: Jičín, Český ráj

PříspěvekZaslal: ne říjen 26 2025, 22:30    Předmět: Citovat

1) Ty cívky jsou zádrž zbytku pilotního kmitočtu 19 kHz, tedy mají 15 mH každá.
Ten kmitočet by při záznamu na magnetofon mohl způsobovat interferencí s předmagnetizační frekvencí magnetofonu vznik neladících tónů v záznamu a oblbovat případnou záznamovou automatiku. Co by udělal se vzorkovací frekvencí při digitálním záznamu, si netroufám odhadnout.
Ale vychází mi, že hlasitost bude asi o 12 dB nižší, a pak - skrz ty kondíky C313/C314 (4n7) zrovna moc ochotně hloubky neprojdou, na průběhu deemfáze a té zádrže se podílejí i C315 a C316 (15n), ty tam musí zůstat. Když každou z cívek nahradíš drátovou propojkou (zkratuješ C313 a C314 každý), bude to hrát hloubky líp a v plné úrovni.
Jak z toho půjde nahrávat, se uvidí, tedy uslyší. Podle toho se pak rozhodni, jestli ty cívky zase složit a opravit to, nebo se obejít bez nich.

2) Tam se někdo vyblbnul s ladicím napětím, asi se pokoušel o úpravu, kdy pro pásmo CCIR není třeba stisknout dvě tlačítka (FM + KW) najednou: ta deska OIRT Leiterplatte je přepínatelný stabilizátor ladicího napětí (rozsah přepíná jeden segment tlačítka KW) a zesilovač odchylky AFC: v pásmu CCIR kdy jsou stisknutá tlačítka FM+KW, tedy v tom dnes používaném, by se mělo ladicí napětí na běžcích ladicích potenciometrů pohybovat v rozsahu asi 6,5 až 28 V pro 88 MHz (R708 a R707) - 104 MHz (R705). To maximální napětí bude asi poněkud nižší.
Se zvednutím maximálního napětí se posune i dolní konec stupnice, takže to budeš muset zase trimrem R707 vrátit na místo.
Jestli se ale budeš pokoušet "natáhnout" rozsah do 108 MHz, mysli na to, že varikapům se nemusí víc, než 30 V, líbit. Tedy, jestli zjistíš, že potřebuješ ladit výše, ale nejde to, budeš muset sáhnout na kapacitní trimry ve vstupní jednotce.

A, abych nezapomněl: v OIRT se stereo vysílalo, ta zkratka znamená jen "východní" pásmo 65,5 - 74 MHz, to pásmo se už nepoužívá (a na Proximě na něj stačilo jediné tlačítko FM).
Návrat nahoru
Zobrazit informace o autorovi Odeslat soukromou zprávu
Ian



Založen: Sep 20, 2023
Příspěvky: 150
Bydliště: Brno venkov

PříspěvekZaslal: ne říjen 26 2025, 22:52    Předmět: Citovat

Díky za rady.
Nyní hraje opravdu divně. Zkusím dát propojky, tušil jsem, že to bude asi filtr na těch 19 kHz, z rádia se pravděpodobně nebude nikdy nahrávat, spíš na poslech. Jedna cívka má oba vývody, ta by se dala při troše štěstí vrátit, druhá má utržený vnitřní přívod, ta by se musela převinout.

S tím štelováním stupnice - zkusím proměřit ladící napětí a uvidím, jestli se mě to povede trochu lépe seřídit, zběžně jsem koukal do katalogu a ty KC by parametrově měly zhruba odpovídat SC, otázka proč to někdo měnil, také ten trimr. Možná se mě tu i někde budou válet ty SCčka, za mlada jsem rozebíral nějaké NDR stroje.

Zbytek funguje relativně dobře - poťáky po vyčištění nechrastí, stereodekodér funguje, ukazatel vyladění s a277 také.
Návrat nahoru
Zobrazit informace o autorovi Odeslat soukromou zprávu
xsc



Založen: Sep 25, 2014
Příspěvky: 8448

PříspěvekZaslal: ne říjen 26 2025, 22:58    Předmět: Citovat

To, že něco naladíš v OIRT je při silném signálu normální. Je to zrcadlový příjem, kdy se od přijímané frekvence odečte frekvence oscilátoru (normálně se má od frekvence oscilátoru odečíst ta přijímaná) a vznikne 10,7MHz, tedy normální FM mezifrekvence. jen je to slabší, protože vstupní filtr je naladěn na příjem toho správného kmitočtu o 20MHz níž.
Příklad - naladíš OIRT na 70MHz, to znamená oscilátor kmitá na 70+10,7, to je 80,7. No a přijímáš 80,7+10,7, tedy 91,4, což je CCIR.
KC za SC není důvod měnit, jen kdybys to dělal kvůli vzhledu Smile
Návrat nahoru
Zobrazit informace o autorovi Odeslat soukromou zprávu
BOBOBO
Doporučuje se dohled statného moderátora


Založen: Feb 25, 2008
Příspěvky: 20684
Bydliště: Rychnovsko

PříspěvekZaslal: ne říjen 26 2025, 23:34    Předmět: Citovat

Ty cívkové filtry jsem nahrazoval RC filtry od asi Belzy . Mělo to přes -40dB a štelovalo se to Rtrimrem . Stavěl jsem několikrát .
Návrat nahoru
Zobrazit informace o autorovi Odeslat soukromou zprávu
Hill
Administrátor


Založen: Sep 10, 2004
Příspěvky: 21015
Bydliště: Jičín, Český ráj

PříspěvekZaslal: po říjen 27 2025, 5:33    Předmět: Citovat

Jestli z toho nebudeš nahrávat, tak ty propojky úplně stačí.
A do zdroje ladicího napětí můžeš dát KC507 nebo KC147, ty vydrží přes 45 V. Největší odběr ladicího kombajnu je při CCIR pásmu těsně kolem 2 mA, to se ty tranzistory ani neohřejí.
Až si budeš hrát s ladicím napětím, nezapomeň, že pro současné pásmo se stisknou dvě tlačítka současně (KW+FM), teda, jestli to tam už někdo předtím nevyřadil natvrdo. To ale zjistíš, jestli ladicí napětí přimáčknutím tlačítka KW stoupne.
Návrat nahoru
Zobrazit informace o autorovi Odeslat soukromou zprávu
Ian



Založen: Sep 20, 2023
Příspěvky: 150
Bydliště: Brno venkov

PříspěvekZaslal: út říjen 28 2025, 0:13    Předmět: Citovat

Cívky za stereodekodérem jsem přemostil drátem a hraje to mnohem lépe.

Stupnici se mě zatím sladit nepodařilo. Spodních 88 MHz má odpovídat cca 10,5V na ladícím R (zde mě zrovna hraje silná stanice) - tam není problém. Horní se dá trimrem nastavit max na 28,3V, ale to neodpovídá ani těm 104 MHz, mám na 103,5 nějaké silnější rakousko a to nenaladím - chybí tomu ještě něco navíc. Znamená to, že si ještě budu muset pohrát s odporovým děličem R704-R706 je to tak?

Si říkám, jestli to není tím, že byl přijímač stavěn na 220V. Nicméně ladící část je napájena z větve s MAA550 a tam jsem naměřil 33V. Vyšší je pouze napájecí napětí konců, naměřil jsem 19V, je to teda na hraně + žárovička podsvětlení stupnice asi bude taky trochu trpět.
Návrat nahoru
Zobrazit informace o autorovi Odeslat soukromou zprávu
Hill
Administrátor


Založen: Sep 10, 2004
Příspěvky: 21015
Bydliště: Jičín, Český ráj

PříspěvekZaslal: út říjen 28 2025, 7:40    Předmět: Citovat

Ty konce i žárovička by to měly normálně skousnout, předepsaná tolerance napětí, kterému musí přístroj odolat, byla už tehdy ±10 % kolem jmenovitého. Ty přístroje tedy musely mít ještě nějakou tu rezervu navíc, aby spolehlivě přežily dlouhodobý provoz při napájení napětím na mezích tolerance. A koncáky s A210K si nechaly líbit neuvěřitelné namáhání.
To by mě neděsilo.
Potíž je s ladicím napětím: maximum je 33 V, ale to nejde v daném zapojení využít, protože by nefungovalo AFC. Vždycky tam potřebuješ o pár voltů méně, aby to podle AFC mělo "kam chodit". A ten rozdíl zůstane jako úbytek napětí na tranzistoru V700.
Ale ono by ani zvýšení z těch 28,5 V na 33 V příliš rozsah nenatáhlo, při takto velkých napětích už strmost závislosti kmitočtu na ladicím napětí klesá k nule, jinak řečeno - zatím, co při změně ladicího napětí z 8 V na 9 V se posune začátek rozsahu řekněme o 2 MHz, při změně z 28,5 V na 29,5 V se "natáhne" rozsah jen o asi 200 kHz.
Ale ta jednotka je určená k příjmu v obou rozsazích, t.j. 65,5 - 104 MHz.
Rozsah OIRT (65,5 - 74 MHz) nepotřebuješ, takže je jednodušší použít nižší ladicí napětí:
Nezbude ti, než vyjít z maximálního napětí, které máš při vypnutém AFC k dispozici, tedy z těch 28,5 V, a dostat maximální přijímanou frekvenci 108 MHz na stupnici právě při tomto napětí: kapacitním trimrem C123 ve vstupní jednotce se snaž dosáhnout k těm 108 MHz.
Na jadýrka cívek zatím nesahej.
Pak nalaď nějakou slabší stanici okolo 106 MHz a trimry C101 a C108 vstupní jednotku doladit na maximální citlivost. Na stupnici stejně nemůžeš koukat, ručička už teď ukazuje hausnumera, musíš ladit podle známé frekvence vysílače.
A nakonec odporovým trimrem R707 na desce OIRT upravíš rozsah ladění, aby stupnice začínala na 87,5 MHz, horní konec už se neposune.
Tento proces nevyžaduje opakování, leda bys k té požadované stanici na nejvyšší frekvenci ještě nedosáhl. Ale o tom až pak.
Návrat nahoru
Zobrazit informace o autorovi Odeslat soukromou zprávu
Ian



Založen: Sep 20, 2023
Příspěvky: 150
Bydliště: Brno venkov

PříspěvekZaslal: út říjen 28 2025, 13:52    Předmět: Citovat

Díky za rady, moc si toho vážím. V téhle oblasti se teprve vzdělávám.
Vstupní díl je samozřejmě zakrytovaný. Vidím tam 3 kapacitní trimry, odpovídá to schéma, nicméně nevím, který je který. Ten vlevo je jiný typ než ty ostatní.
Co se může stát? Maximálně to úplně rozšteluju. Teďka je to ladění úplně špatně, i když citlivost je relativně dobrá. Chytám i slabší stanice, které na digitálním rádiu v kuchyni ani nenaladím.
Asi si poznačím aktuální polohu na krytu, abych to případně mohl vrátit.



IMG_3811.jpeg
 Komentář:
 Velikost:  27.71 kB
 Zobrazeno:  11 krát

IMG_3811.jpeg


Návrat nahoru
Zobrazit informace o autorovi Odeslat soukromou zprávu
Hill
Administrátor


Založen: Sep 10, 2004
Příspěvky: 21015
Bydliště: Jičín, Český ráj

PříspěvekZaslal: út říjen 28 2025, 16:58    Předmět: Citovat

Vypni AFC a nalaď vysílač, který je nejblíž k hornímu konci stupnice.
Opatrně protoč ten trimr, co je nejblíž cívce s hliníkovým jádrem.
Ten trimr omezuje horní konec pásma, ostatní dva trimry mají vliv jen na citlivost, se stupnicí nehýbají.
Tu stanici se snaž sestěhovat dál od konce stupnice. Když se ti na horním konci objeví stanice další, zkus ji posunout taky "dolů".
Až se zase dalším otáčením trimru začnou ty stanice zase posouvat ke konci stupnice, znamená to, žes přejel minimální kapacitu trimru, a ta zase roste. Tak ho vrať tam, kde byly ty stanice nejdál od konce stupnice.
Pak přelaď ručičkou na nějakou slabší stanici, která je "o kousek níž", asi tak ve ¾ stupnice, a zbývajícími dvěma trimry dolaď na maximální citlivost.
Nakonec už jen odporovým trimrem R707 nastav dolní konec pásma.
Horní konec stupnice přitom zůstane na místě, o to se stará stabilizátor.
Návrat nahoru
Zobrazit informace o autorovi Odeslat soukromou zprávu
Ian



Založen: Sep 20, 2023
Příspěvky: 150
Bydliště: Brno venkov

PříspěvekZaslal: st říjen 29 2025, 23:27    Předmět: Citovat

Tak stupnici se mě podařilo nakonec nastavit - horní konec až na 108, byl to ten kapacitní trimr úplně vpravo. Spodek jsem pak donastavil, aby to odpovídalo cca 88 pomocí odporových trimrů na desce OIRT.

Citlivost - trimr úplně vlevo neměl žádný vliv a tak jsem jej ponechal tak jak byl nastaven. Ten prostřední citlivost měnil a tak jsem ji trochu přenastavil u slabší stanice na cca 106.5 MHz. Ukazatel síly pak ukazoval 1z 5 (předtím 0). Pak jsem citlivost ještě zkoušel i na stanici u 88 a jak jsem s tím kroutil, tak se uvnitř asi něco utrhlo a zůstalo to nastavené špatně :-/ Když teď najedu na 106.5, tak mám 0 z 5 a otáčení trimru nemá žádný vliv. Je to docela nemilé, protože dostat se dovnitř bude pěkný opruz - modul se bude muset nejdřív odpojit od hlavní desky (odpájet několik propojů zespodu PS). Pak celou kovovou krabičku rozletovat, trimr vyměnit (nejsem si jistý, jestli budu mít adekvátní náhradu) a celé to zase zaplechovat a vrátit zpět. Tak nevím, jestli do toho vůbec mám jít, nebo se spokojit s tím, že to má prostě horší citlivost.

Projdu zítra šuplíkové zásoby, jestli objevím nějaký podobný trimr, nebo budu muset počkat, až se objeví na SD nějaká starší telka nebo rádio.
Návrat nahoru
Zobrazit informace o autorovi Odeslat soukromou zprávu
Hill
Administrátor


Založen: Sep 10, 2004
Příspěvky: 21015
Bydliště: Jičín, Český ráj

PříspěvekZaslal: so listopad 01 2025, 8:35    Předmět: Citovat

Zásada je:
1. dosáhnout takového přeladění oscilátoru, aby pokrylo celé přijímané pásmo. A na cívku ani na trimr oscilátoru už pak nesahat!
2. poblíž dolního konce pásma jádrem cívky (případně jádry cívek) vstupních obvodů naladit maximální citlivost
3. poblíž horního konce pásma kapacitním trimrem (kapacitními trimry) laděných obvodů naladit maximální citlivost. Tím se o trochu posune optimální naladění v dolní čtvrtině rozsahu, takže opakovat body 2 a 3, dokud postupné dolaďování něco zlepší.

Když už trimrem nastavíš největší citlivost na horním konci pásma, je blbost tím samým trimrem nastavovat souběh na dolním konci, protože si tím zase rozladíš souběh na horním konci, to snad dá rozum. Na dolním konci pásma je na to jádro cívky.
Ale, než na ty cívky sáhneš, je lepší je vyzkoušet tyčkou, na jejímž jednom konci je kousek feritového jádra, a na druhém kousek hliníku. Přiblížením jednoho či druhého konce k cívce zjistíš, jestli se příjem zlepší, nebo zhorší: když se přiblížením jednoho z materálů příjem zlepší, je čas na jádro cívky sáhnout. Ale hodně opatrně a po troškách.
Jinak bych na ta jádra radši nesahal.
Návrat nahoru
Zobrazit informace o autorovi Odeslat soukromou zprávu
Ian



Založen: Sep 20, 2023
Příspěvky: 150
Bydliště: Brno venkov

PříspěvekZaslal: pá listopad 07 2025, 11:28    Předmět: Citovat

Díky za info, to jsou pro mě cenné informace.

Tento tuner jsem prozatím už zakrytoval, protože aktuálně se musím věnovat jinému projektu. Citlivost není optimální, ale zase ne úplně špatná.
Může to být objekt dalších experimentů do budoucna.
Návrat nahoru
Zobrazit informace o autorovi Odeslat soukromou zprávu
Zobrazit příspěvky z předchozích:   
Přidat nové téma   Zaslat odpověď       Obsah fóra Diskuzní fórum Elektro Bastlírny -> Audiotechnika Časy uváděny v GMT + 1 hodina
Jdi na stránku Předchozí  1, 2
Strana 2 z 2

 
Přejdi na:  
Nemůžete odesílat nové téma do tohoto fóra.
Nemůžete odpovídat na témata v tomto fóru.
Nemůžete upravovat své příspěvky v tomto fóru.
Nemůžete mazat své příspěvky v tomto fóru.
Nemůžete hlasovat v tomto fóru.
Nemůžete připojovat soubory k příspěvkům
Můžete stahovat a prohlížet přiložené soubory

Powered by phpBB © 2001, 2005 phpBB Group
Forums ©
Nuke - Elektro Bastlirna

Informace na portálu Elektro bastlírny jsou prezentovány za účelem vzdělání čtenářů a rozšíření zájmu o elektroniku. Autoři článků na serveru neberou žádnou zodpovědnost za škody vzniklé těmito zapojeními. Rovněž neberou žádnou odpovědnost za případnou újmu na zdraví vzniklou úrazem elektrickým proudem. Autoři a správci těchto stránek nepřejímají záruku za správnost zveřejněných materiálů. Předkládané informace a zapojení jsou zveřejněny bez ohledu na případné patenty třetích osob. Nároky na odškodnění na základě změn, chyb nebo vynechání jsou zásadně vyloučeny. Všechny registrované nebo jiné obchodní známky zde použité jsou majetkem jejich vlastníků. Uvedením nejsou zpochybněna z toho vyplývající vlastnická práva. Použití konstrukcí v rozporu se zákonem je přísně zakázáno. Vzhledem k tomu, že původ předkládaných materiálů nelze žádným způsobem dohledat, nelze je použít pro komerční účely! Tento nekomerční server nemá z uvedených zapojení či konstrukcí žádný zisk. Nezodpovídáme za pravost předkládaných materiálů třetími osobami a jejich původ. V případě, že zjistíte porušení autorského práva či jiné nesrovnalosti, kontaktujte administrátory na diskuzním fóru EB.


PHP-Nuke Copyright © 2005 by Francisco Burzi. This is free software, and you may redistribute it under the GPL. PHP-Nuke comes with absolutely no warranty, for details, see the license.
Čas potřebný ke zpracování stránky 0.21 sekund