Vítejte na Elektro Bastlírn?
Nuke - Elektro Bastlirna
  Vytvořit účet Hlavní · Fórum · DDump · Profil · Zprávy · Hledat na fóru · Příspěvky na provoz EB

Vlákno na téma KORONAVIRUS - nutná registrace


Nuke - Elektro Bastlirna: Diskuzní fórum

 FAQFAQ   HledatHledat   Uživatelské skupinyUživatelské skupiny   ProfilProfil   Soukromé zprávySoukromé zprávy   PřihlášeníPřihlášení 

brouk TEA 19161 problém

 
Přidat nové téma   Zaslat odpověď       Obsah fóra Diskuzní fórum Elektro Bastlírny -> Součástky
Zobrazit předchozí téma :: Zobrazit následující téma  
Autor Zpráva
jardafiala



Založen: Jun 20, 2010
Příspěvky: 2449
Bydliště: Česká Lípa

PříspěvekZaslal: ne říjen 26 2025, 14:41    Předmět: brouk TEA 19161 problém Citovat

Zdar, vyoral jsme nějaký rest co mi přinesl synek, jakási USB nabíječka (od zeleného z..da), bylo to docela drahý a při výměně nechtěli vadnou zpátky. Brunátným násilím (je to neotvíratelné a zatavené bez dělicí roviny) jsem to otevřel a odložil, teď jsem se k tomu vrátil. Byly tam nafouklé elyty (proto to nejspíš vydávalo slyšitelné kňučení), ty jsem vyměnil ale při rozebírání jsem poničil kondenzátor CSUPHS, viz foto. Nepodařilo se mi najít ani přibližně hodnotu předmětného kondenzátoru (podle úplně jiného DC-DC zdroje s jiným broukem snad 100nF/50V?????), neviděl jste někdo schema zdroje s tímto broukem? Ať zadám co zadám všude na mě vyleze datashit od NXP. Snad někdo kdo se zabývá spínanými zdroji by mohl napovědět, co tam aspoň velice přibližně dát a jak je hodnota kritická.


TEA19161.jpg
 Komentář:
 Velikost:  220.89 kB
 Zobrazeno:  20 krát

TEA19161.jpg



TEA19161 CSUPHS.jpg
 Komentář:
 Velikost:  79.88 kB
 Zobrazeno:  97 krát

TEA19161 CSUPHS.jpg


Návrat nahoru
Zobrazit informace o autorovi Odeslat soukromou zprávu Odeslat e-mail
KUBO



Založen: Oct 30, 2005
Příspěvky: 3870
Bydliště: VT SLOVAKIA

PříspěvekZaslal: ne říjen 26 2025, 15:24    Předmět: Citovat

Niekde je 330nF, inde 470nF

https://www.nxp.com/docs/en/nxp/user-guides/UM10972.pdf

https://bbs.21dianyuan.com/thread-300523-1-1.html

_________________
„Hľadáme nepoznané, spoznávame nehľadané. Strácame to cenné, ceníme si až stratené. Milujeme všetko zradné a zrádzame milované.”
Pozdravuje Vás Martin
Návrat nahoru
Zobrazit informace o autorovi Odeslat soukromou zprávu Odeslat e-mail
JirkaZ



Založen: Feb 26, 2021
Příspěvky: 3737

PříspěvekZaslal: ne říjen 26 2025, 20:22    Předmět: Citovat

Pokud nestačí od daného obvodu datasheet, tak se podívej do appnote.
_________________
Kdo chce, hledá způsob;
kdo ne - hledá důvod.

Ze dvou možností často volím tu třetí.
Návrat nahoru
Zobrazit informace o autorovi Odeslat soukromou zprávu
jardafiala



Založen: Jun 20, 2010
Příspěvky: 2449
Bydliště: Česká Lípa

PříspěvekZaslal: ne říjen 26 2025, 21:02    Předmět: Citovat

V datashitu nenalezeno, v appnote nalezeno (dík, znamenám si pro příště), nevím kde KUBO (dík) našel to co našel, já jsem tomu věnoval dost času ale bez výsledku.
Návrat nahoru
Zobrazit informace o autorovi Odeslat soukromou zprávu Odeslat e-mail
HF_Tech



Založen: Apr 25, 2022
Příspěvky: 1877

PříspěvekZaslal: po říjen 27 2025, 19:10    Předmět: Citovat

Ta hodnota moc kritická není, když tam bude o trochu víc, tak je to lepší. 470nF nebo 1u na 25V nebo 50V je v pohodě.
Ale je potřeba hmota X7R nebo X5R. Nesmí tam přijít Y5V.
Za provozu je tam 10 až 17V.
Návrat nahoru
Zobrazit informace o autorovi Odeslat soukromou zprávu
martinkopp



Založen: Oct 12, 2023
Příspěvky: 1124

PříspěvekZaslal: po říjen 27 2025, 23:02    Předmět: Citovat

Je to bootstrap kondenzátor sloužící k napájení high-side mosfetu. V datasheetu hodnota nebude, protože závisí především na kapacitě gate mosfetu a trochu na spínané frekvenci. Zjednodušeně by se dalo říct, že když bude kondík moc velký, bude hřát driver protože se bude přetěžovat nabíjecí obvod kondíku, když moc malý, tak mosfet protože se nebude plně otvírat. U integrovaných meničů bývá hodnota v řádech desítek nF, s externími mosfety víc, kolik ale se nedá střelit od pasu, protože nikdo neví co tam máš za mosfety. Mrkni na internet jak funguje bootstrap kondenzátor ve spínaných zdrojích, asi nemá význam to tu kopírovat.
Návrat nahoru
Zobrazit informace o autorovi Odeslat soukromou zprávu
HF_Tech



Založen: Apr 25, 2022
Příspěvky: 1877

PříspěvekZaslal: út říjen 28 2025, 11:09    Předmět: Citovat

Nic topit nebude. V každém cyklu se do kondíku dobije jen to, co z něj odebralo sepnutí MOSFETU. A tady ten MOSFET ani napětí nejsou moc velké...
Je docela pravděpodobné, že tento kondík je úplně stejný, jako ten, co je k němu připojen přes diodu.
Návrat nahoru
Zobrazit informace o autorovi Odeslat soukromou zprávu
jardafiala



Založen: Jun 20, 2010
Příspěvky: 2449
Bydliště: Česká Lípa

PříspěvekZaslal: út říjen 28 2025, 11:47    Předmět: Citovat

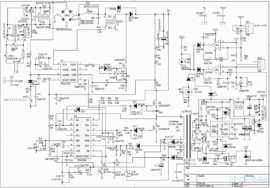
Až to někdo bude hledat tak se třeba hodí obrázek.


TE19161 PSU .JPG
 Komentář:
 Velikost:  103.65 kB
 Zobrazeno:  41 krát

TE19161 PSU  .JPG



TE19161 PSU.JPG
 Komentář:
 Velikost:  119.55 kB
 Zobrazeno:  33 krát

TE19161 PSU.JPG


Návrat nahoru
Zobrazit informace o autorovi Odeslat soukromou zprávu Odeslat e-mail
Zobrazit příspěvky z předchozích:   
Přidat nové téma   Zaslat odpověď       Obsah fóra Diskuzní fórum Elektro Bastlírny -> Součástky Časy uváděny v GMT + 1 hodina
Strana 1 z 1

 
Přejdi na:  
Nemůžete odesílat nové téma do tohoto fóra.
Nemůžete odpovídat na témata v tomto fóru.
Nemůžete upravovat své příspěvky v tomto fóru.
Nemůžete mazat své příspěvky v tomto fóru.
Nemůžete hlasovat v tomto fóru.
Nemůžete připojovat soubory k příspěvkům
Můžete stahovat a prohlížet přiložené soubory

Powered by phpBB © 2001, 2005 phpBB Group
Forums ©
Nuke - Elektro Bastlirna

Informace na portálu Elektro bastlírny jsou prezentovány za účelem vzdělání čtenářů a rozšíření zájmu o elektroniku. Autoři článků na serveru neberou žádnou zodpovědnost za škody vzniklé těmito zapojeními. Rovněž neberou žádnou odpovědnost za případnou újmu na zdraví vzniklou úrazem elektrickým proudem. Autoři a správci těchto stránek nepřejímají záruku za správnost zveřejněných materiálů. Předkládané informace a zapojení jsou zveřejněny bez ohledu na případné patenty třetích osob. Nároky na odškodnění na základě změn, chyb nebo vynechání jsou zásadně vyloučeny. Všechny registrované nebo jiné obchodní známky zde použité jsou majetkem jejich vlastníků. Uvedením nejsou zpochybněna z toho vyplývající vlastnická práva. Použití konstrukcí v rozporu se zákonem je přísně zakázáno. Vzhledem k tomu, že původ předkládaných materiálů nelze žádným způsobem dohledat, nelze je použít pro komerční účely! Tento nekomerční server nemá z uvedených zapojení či konstrukcí žádný zisk. Nezodpovídáme za pravost předkládaných materiálů třetími osobami a jejich původ. V případě, že zjistíte porušení autorského práva či jiné nesrovnalosti, kontaktujte administrátory na diskuzním fóru EB.


PHP-Nuke Copyright © 2005 by Francisco Burzi. This is free software, and you may redistribute it under the GPL. PHP-Nuke comes with absolutely no warranty, for details, see the license.
Čas potřebný ke zpracování stránky 0.13 sekund