Vítejte na Elektro Bastlírn?
Nuke - Elektro Bastlirna
  Vytvořit účet Hlavní · Fórum · DDump · Profil · Zprávy · Hledat na fóru · Příspěvky na provoz EB

Vlákno na téma KORONAVIRUS - nutná registrace


Nuke - Elektro Bastlirna: Diskuzní fórum

 FAQFAQ   HledatHledat   Uživatelské skupinyUživatelské skupiny   ProfilProfil   Soukromé zprávySoukromé zprávy   PřihlášeníPřihlášení 

Oprava věže Philips MCM 11/22
Jdi na stránku Předchozí  1, 2, 3
 
Přidat nové téma   Zaslat odpověď       Obsah fóra Diskuzní fórum Elektro Bastlírny -> Audiotechnika
Zobrazit předchozí téma :: Zobrazit následující téma  
Autor Zpráva
mi-ro



Založen: Feb 08, 2005
Příspěvky: 8624
Bydliště: rovina u Kolína

PříspěvekZaslal: po červen 10 2024, 6:50    Předmět: Citovat

Jojo, takový závady-nezávady dají nejvíc pokouřit. Co já se nahledal problémů ve VHS videách. A co všechno jsem pak našel uvnitř by dalo na slušnou sbírku. Plastový kousky Lega a hračky z Kinder vejce byly OK. Horší to bývalo s kovovými mincemi.
_________________
..to bude jen ňákej odpůrek
Návrat nahoru
Zobrazit informace o autorovi Odeslat soukromou zprávu Odeslat e-mail
Ivan_01



Založen: Sep 15, 2018
Příspěvky: 1408
Bydliště: BB SK

PříspěvekZaslal: út červen 11 2024, 8:06    Předmět: Citovat

jj, nejedny gaťky sme vybrali z videa a najlepšie boli zamuchlané porno kazety, chlapíci sa v servise triasli, či to pôjde vybrať bez poškodenia a hlavne tak, aby o tom nevedela polovička Smile
Návrat nahoru
Zobrazit informace o autorovi Odeslat soukromou zprávu
fredis



Založen: Nov 17, 2004
Příspěvky: 5447
Bydliště: Třebíčsko

PříspěvekZaslal: út červen 11 2024, 15:20    Předmět: Citovat

Použitý? Wink Laughing Laughing Laughing
_________________
Rotor rotuje a stator stagnuje...
Návrat nahoru
Zobrazit informace o autorovi Odeslat soukromou zprávu
patrikvarga



Založen: Apr 24, 2007
Příspěvky: 1272

PříspěvekZaslal: pá říjen 24 2025, 14:14    Předmět: Citovat

Nechcem zakladať novú tému.
Zo SD som si doniesol Philips FW-C505/22, vnútrajškom podobný ako ten v názve témy. Po výmene tranzistora v zdroji všetko OK. Rádio ukladá stanice do pamäte, ale po odpojení kábla od siete ( stačí aj 1 sek. ) sa stanice vymažú. Po pripojení kábla do siete sa asi na sekundu zobrazí ,, NEW ,,. Test 24C02, podľa manuálu neukáže žiadnu chybu. Chcem sa spýtať, či je to chyba, alebo vlastnosť?



test.png
 Komentář:
 Velikost:  44.64 kB
 Zobrazeno:  17 krát

test.png


Návrat nahoru
Zobrazit informace o autorovi Odeslat soukromou zprávu
Celeron



Založen: Apr 02, 2011
Příspěvky: 20146
Bydliště: Nový Bydžov

PříspěvekZaslal: pá říjen 24 2025, 21:24    Předmět: Citovat

Než nad tím bádat, tak bych rovnou vyměnil tu 24C02. Já je měl v regulátoru teploty a po asi pěti letech skoro pokaždý nevyšel kontrolní součet po restartu. Deklarují ji sice milión zápisů ale pokud je FW blbě napsanej, tak už může být špatná. Stojí dvacku, kup Atmela nebo Microchip podle toho, co tam bylo původně.
_________________
Jirka

Proč mi nemůže všechno chodit hned ?!!
Návrat nahoru
Zobrazit informace o autorovi Odeslat soukromou zprávu
patrikvarga



Založen: Apr 24, 2007
Příspěvky: 1272

PříspěvekZaslal: so říjen 25 2025, 17:46    Předmět: Citovat

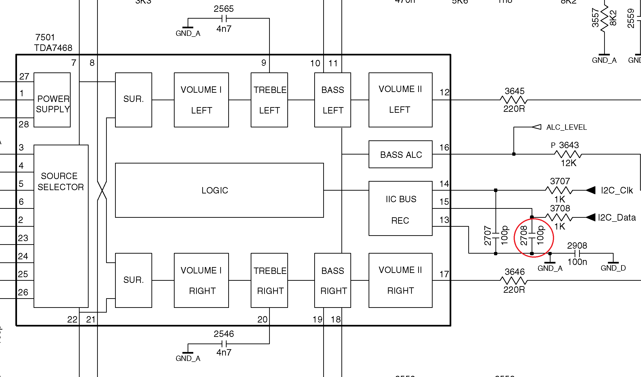
Opravené ( možno ). Výmena 24c02 nepomohla. Zistil som zvod C2708/100pF. Po jeho výmene je všetko OK.


2402.png
 Komentář:
 Velikost:  34.35 kB
 Zobrazeno:  28 krát

2402.png



TDA7468.png
 Komentář:
 Velikost:  60.31 kB
 Zobrazeno:  25 krát

TDA7468.png


Návrat nahoru
Zobrazit informace o autorovi Odeslat soukromou zprávu
Zobrazit příspěvky z předchozích:   
Přidat nové téma   Zaslat odpověď       Obsah fóra Diskuzní fórum Elektro Bastlírny -> Audiotechnika Časy uváděny v GMT + 1 hodina
Jdi na stránku Předchozí  1, 2, 3
Strana 3 z 3

 
Přejdi na:  
Nemůžete odesílat nové téma do tohoto fóra.
Nemůžete odpovídat na témata v tomto fóru.
Nemůžete upravovat své příspěvky v tomto fóru.
Nemůžete mazat své příspěvky v tomto fóru.
Nemůžete hlasovat v tomto fóru.
Nemůžete připojovat soubory k příspěvkům
Můžete stahovat a prohlížet přiložené soubory

Powered by phpBB © 2001, 2005 phpBB Group
Forums ©
Nuke - Elektro Bastlirna

Informace na portálu Elektro bastlírny jsou prezentovány za účelem vzdělání čtenářů a rozšíření zájmu o elektroniku. Autoři článků na serveru neberou žádnou zodpovědnost za škody vzniklé těmito zapojeními. Rovněž neberou žádnou odpovědnost za případnou újmu na zdraví vzniklou úrazem elektrickým proudem. Autoři a správci těchto stránek nepřejímají záruku za správnost zveřejněných materiálů. Předkládané informace a zapojení jsou zveřejněny bez ohledu na případné patenty třetích osob. Nároky na odškodnění na základě změn, chyb nebo vynechání jsou zásadně vyloučeny. Všechny registrované nebo jiné obchodní známky zde použité jsou majetkem jejich vlastníků. Uvedením nejsou zpochybněna z toho vyplývající vlastnická práva. Použití konstrukcí v rozporu se zákonem je přísně zakázáno. Vzhledem k tomu, že původ předkládaných materiálů nelze žádným způsobem dohledat, nelze je použít pro komerční účely! Tento nekomerční server nemá z uvedených zapojení či konstrukcí žádný zisk. Nezodpovídáme za pravost předkládaných materiálů třetími osobami a jejich původ. V případě, že zjistíte porušení autorského práva či jiné nesrovnalosti, kontaktujte administrátory na diskuzním fóru EB.


PHP-Nuke Copyright © 2005 by Francisco Burzi. This is free software, and you may redistribute it under the GPL. PHP-Nuke comes with absolutely no warranty, for details, see the license.
Čas potřebný ke zpracování stránky 0.15 sekund