Založen: Aug 04, 2009 Příspěvky: 1707 Bydliště: okres Písek
Zaslal: ne září 21 2025, 15:54 Předmět:
Zkusil jsem ověřit teplotu IO v Didaktikovi, který prošel letošním servisem (měřeno citlivým bříškem levého prsteníku).
• CPU -> okolo 40°C
• MC1377 -> mírně "pálí", odhaduju mezi 45..50°C
• 27C128 -> vlažná, 36..40°C
• russký ASIC -> vlažný, 36..40°C
• 2ks 64K×4 -> ne více než 40°C
• 7ks TTL -> jak který, 36..40°C
No, bude to "věc zajímavá". Tazatelův počítač dorazí do Prahy (za pomoci jeho příbuzného), kde ho převezmu v den konání Bytefestu.
Založen: Aug 04, 2009 Příspěvky: 1707 Bydliště: okres Písek
Zaslal: po říjen 06 2025, 18:20 Předmět:
Čeká mě ještě 6ks dvojdesčí (multifrekvenční proudový injektor), tj. voměřit, voživit, Xilinx + TMS320 3× naplnit, atd. Takže se k tomu v klidu dostanu až v úterý po obědě (pokud se nějaká chvíle v práci ovšem najde). Po dnešním rozbalení jsem akorát jedním pohledem ohodnotil "zásilku" a konstatuju, že má napájecí DIN válcový kryt trochu poničený a kabel je pájen velmi nepěkně. Více po otevření stroje.
Založen: Aug 04, 2009 Příspěvky: 1707 Bydliště: okres Písek
Zaslal: út říjen 07 2025, 18:37 Předmět:
Zdroj měl odstřižené vodiče pro výstup "12" voltůch. Dále jsem ho v tuto chvíli nezkoumal. S lab. zdrojem (jen na větvi 5V, odběr 0,35A) hodiny na 6/Z80 běží, 26/Z80 (reset non) je v HIGH, při manipulaci s klávesnicovým resetohmatem reaguje. Nic extrémně netopí. Nechal jsem si doma cinčemonitor a tištěné schéma. Pokračování tedy v PI, ve středu, ovšem decentně. Přivezl jsem si z Prahy nečekané nachlazení. Na Z80, PLA a EPROM, se toho moc nehejbá. Vypařil se jeden tantal, ale protože na desce není popis, zatím netufím, jaký C to je. UCY7407 má na 1&3&5 hejbavý průběh, ale na odpovídajících výstupech stálé LOW. Zatím hledám ty nejčitelnější papíry, takže ani nevím, zda jsem zbytečně neověřoval neaktivní hradla.
Založen: Aug 04, 2009 Příspěvky: 1707 Bydliště: okres Písek
Zaslal: pá říjen 10 2025, 22:32 Předmět:
Ve středu jsem ulehl, takže jen pár informací věcí diagnostikovaných...
Vnitřní stabilizace na 12V není OK, defacto propouští z DINu až na 14/MC1377 téměř bez úbytku a to je na desce KZ260/13 (Rkat./stř./Z). Ta je (papírově) správným kusem, byť internetčíci všude píší o dvanáctivoltové. Zdroj je ale v tuto chvíli vedlejší.
CPU stojí, na WR non a RD non je 1,5V. Yfík v režimu sonda neukazuje v zakázaném pásmu nic (jinak v HIGH ▲ / v LOW ▼ a navíc píská), ovšem po přiložení prstu na plastové pouzdro Z80 se začne dít to, co bych čekal (▲ i ▼). Na CE non (EPROM) je trvale LOW. Mezi PLA a EPROM je člen OR, vnucením HIGH na 2/IC9 74LS32 se hodnota na EPROM změní v HIGH. Na vadný bitový port v PLA to nevypadá, ve vypnutém stavu Yfík ukazuje megaohmy mezi 36/PLA a GND. TAkže další "zábavná" věc.
Jeden z klávesnicových drátů na kšandě je utržený, humus po vystřeleném C jsem zatím nečistil. Zenerka byla pájená, stejně jako dva C nedaleko.
K obvodu ASIC jsem nečekaně našel něco málo "nových" informací (samozřejmě v russáčtině).
Založen: May 13, 2009 Příspěvky: 5773 Bydliště: BA-Petržalka :(
Zaslal: pá říjen 10 2025, 23:06 Předmět:
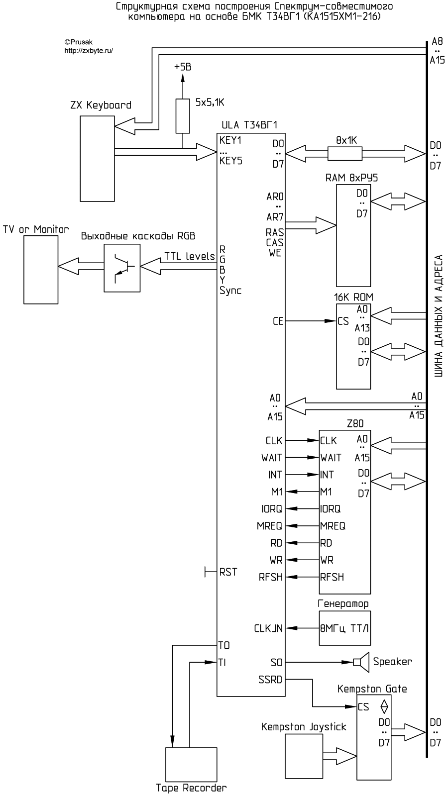
V tom nákrese im chýba oddelenie D0~D7 od zbernice odpormi. V eMku ide Data-bus priamo iba do RAM, od zvyšku systému je oddelený 1k odpormi.
Vlastne to je iba k tomu ich PLA, nie k eMku... tak nič. _________________ Globálne otepľovanie je spôsobené masívnou zástavbou a rúbaním storočných stromov. Kamene namiesto trávy tiež prispievajú k otepľovaniu.
Naposledy upravil PotPalo dne pá říjen 10 2025, 23:12, celkově upraveno 1 krát.
Založen: May 13, 2009 Příspěvky: 5773 Bydliště: BA-Petržalka :(
Zaslal: pá říjen 10 2025, 23:19 Předmět:
Naozaj. Nejako som to prehliadol. Azbučtinu moc neovládam. _________________ Globálne otepľovanie je spôsobené masívnou zástavbou a rúbaním storočných stromov. Kamene namiesto trávy tiež prispievajú k otepľovaniu.
Časy uváděny v GMT + 1 hodina Jdi na stránku Předchozí1, 2, 3, 4
Strana 4 z 4
Nemůžete odesílat nové téma do tohoto fóra. Nemůžete odpovídat na témata v tomto fóru. Nemůžete upravovat své příspěvky v tomto fóru. Nemůžete mazat své příspěvky v tomto fóru. Nemůžete hlasovat v tomto fóru. Nemůžete připojovat soubory k příspěvkům Můžete stahovat a prohlížet přiložené soubory
Informace na portálu Elektro bastlírny jsou prezentovány za účelem vzdělání čtenářů a rozšíření zájmu o elektroniku. Autoři článků na serveru neberou žádnou zodpovědnost za škody vzniklé těmito zapojeními. Rovněž neberou žádnou odpovědnost za případnou újmu na zdraví vzniklou úrazem elektrickým proudem. Autoři a správci těchto stránek nepřejímají záruku za správnost zveřejněných materiálů. Předkládané informace a zapojení jsou zveřejněny bez ohledu na případné patenty třetích osob. Nároky na odškodnění na základě změn, chyb nebo vynechání jsou zásadně vyloučeny. Všechny registrované nebo jiné obchodní známky zde použité jsou majetkem jejich vlastníků. Uvedením nejsou zpochybněna z toho vyplývající vlastnická práva. Použití konstrukcí v rozporu se zákonem je přísně zakázáno. Vzhledem k tomu, že původ předkládaných materiálů nelze žádným způsobem dohledat, nelze je použít pro komerční účely! Tento nekomerční server nemá z uvedených zapojení či konstrukcí žádný zisk. Nezodpovídáme za pravost předkládaných materiálů třetími osobami a jejich původ. V případě, že zjistíte porušení autorského práva či jiné nesrovnalosti, kontaktujte administrátory na diskuzním fóru EB.