Vítejte na Elektro Bastlírn?
Nuke - Elektro Bastlirna
  Vytvořit účet Hlavní · Fórum · DDump · Profil · Zprávy · Hledat na fóru · Příspěvky na provoz EB

Vlákno na téma KORONAVIRUS - nutná registrace


Nuke - Elektro Bastlirna: Diskuzní fórum

 FAQFAQ   HledatHledat   Uživatelské skupinyUživatelské skupiny   ProfilProfil   Soukromé zprávySoukromé zprávy   PřihlášeníPřihlášení 

Napájanie LED z výstupu 4093 od 3V do 15V
Jdi na stránku 1, 2  Další
 
Přidat nové téma   Zaslat odpověď       Obsah fóra Diskuzní fórum Elektro Bastlírny -> Řešení problémů s různými konstrukcemi
Zobrazit předchozí téma :: Zobrazit následující téma  
Autor Zpráva
PotPalo



Založen: May 13, 2009
Příspěvky: 5897
Bydliště: BA

PříspěvekZaslal: so září 27 2025, 0:40    Předmět: Napájanie LED z výstupu 4093 od 3V do 15V Citovat

Riešim tento problémik. Mám CMOS 4093 a na jeho výstup potrebujem nejakú signalizačnú zelenú LED diódu. Na tom by nebolo nič zložité, ale napájanie 4093 bude od 3V do 15V, a LEDka by mala svietiť približne rovnako, nie aby na 15V horela a na 3V ledva žhavila. Tiež sa dá použiť iba jeden výstup z 4093. Nezáleží či bude svietiť pri log.1 a log.0 tma, alebo naopak. Nejaké nápady?
_________________
Globálne otepľovanie je spôsobené masívnou zástavbou a rúbaním storočných stromov. Kamene namiesto trávy tiež prispievajú k otepľovaniu.
Návrat nahoru
Zobrazit informace o autorovi Odeslat soukromou zprávu Odeslat e-mail
EKKAR



Založen: Mar 16, 2005
Příspěvky: 34927
Bydliště: Česká Třebová, JN89FW21

PříspěvekZaslal: so září 27 2025, 1:01    Předmět: Citovat

Dát k samotný vysokoefektivní (aby viditelně svítila i s minimálním proudem) LED sériovej odpor jen na těch 5V - a pak dvojici odpor+LEDka "obejít" zenerkou na 5,5V - a před to všecko vrznout odpor požírající výkonovou ztrátu plynoucí z rozdílu napětí 9,5V. Prostě parametrickej stabilizátor s 1 zenerkou.
_________________
Nasliněný prst na svorkovnici domovního rozvaděče: Jó, paninko, máte tam ty Voltíky všecky...
A kutilmile - nelituju tě Mr. Green Mr. Green !!!
Návrat nahoru
Zobrazit informace o autorovi Odeslat soukromou zprávu Odeslat e-mail
DukeNuke



Založen: Apr 02, 2018
Příspěvky: 1845

PříspěvekZaslal: so září 27 2025, 1:52    Předmět: Citovat

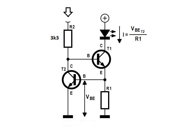
Mohl by stačit obyčejný zdroj proudu. Na R2 připojíš výstup z 4093. R1 si dopočítáš podle vzorce a velikosti proudu pro LED. Velikost R2 jsem jen tak nastřelil, ale +- by to mohlo chodit. A pokud propojíš (+) s vstupem R2, tak to na výstup 4093 můžeš připojit rovnou.
Pokud bude mít zelená LED Uf 2,2V - resp. do 2,5V - tak by to fungovat mělo.



LEDconstat.jpg
 Komentář:
 Velikost:  26.13 kB
 Zobrazeno:  28 krát

LEDconstat.jpg


Návrat nahoru
Zobrazit informace o autorovi Odeslat soukromou zprávu
Kvicala_r



Založen: Jan 19, 2005
Příspěvky: 3524
Bydliště: Haná / N.J.

PříspěvekZaslal: so září 27 2025, 2:18    Předmět: Citovat

Na 3V už je to málo - ale existují i dvousvorkové regulátory proudu např.AL5809
Tento má drop 2,5V.
Onsemi NSI5xxx drop typicky "jen" 1,8V.
Návrat nahoru
Zobrazit informace o autorovi Odeslat soukromou zprávu
DukeNuke



Založen: Apr 02, 2018
Příspěvky: 1845

PříspěvekZaslal: so září 27 2025, 2:40    Předmět: Citovat

Ono by třeba šlo i T1 nahradit 2N7000 nebo BS170, ale musel by se vybrat takový, co má Vgs pod 2V. Případně dát ještě místo T2 germaniový tranzistor.
Návrat nahoru
Zobrazit informace o autorovi Odeslat soukromou zprávu
Olchor



Založen: Nov 18, 2009
Příspěvky: 1771
Bydliště: Blansko

PříspěvekZaslal: so září 27 2025, 6:23    Předmět: Citovat

JFET BF245A, G spojit s S. Funguje jako stabilizátor proudu okolo 2mA. Je tříděný do kategorií A, B, C. B a C mají ten proud vyšší.
Návrat nahoru
Zobrazit informace o autorovi Odeslat soukromou zprávu
masar



Založen: Dec 03, 2005
Příspěvky: 13900

PříspěvekZaslal: so září 27 2025, 10:14    Předmět: Citovat

Ano, použití J-Fet je nejjednodušší. Ale ne ideální. Jejich "stabilizující" oblast je až nad úrovní cca 1V Uds, jak dokládá datasheet.
Wink



BF245.png
 Komentář:
 Velikost:  39.54 kB
 Zobrazeno:  40 krát

BF245.png


Návrat nahoru
Zobrazit informace o autorovi Odeslat soukromou zprávu Odeslat e-mail
HF_Tech



Založen: Apr 25, 2022
Příspěvky: 1908

PříspěvekZaslal: so září 27 2025, 16:40    Předmět: Citovat

LDO s výstupem 2,5V a odpor.
Návrat nahoru
Zobrazit informace o autorovi Odeslat soukromou zprávu
PotPalo



Založen: May 13, 2009
Příspěvky: 5897
Bydliště: BA

PříspěvekZaslal: so září 27 2025, 18:32    Předmět: Citovat

Existuje LDO na 2,5V ktoré znesie vstup 15V?
_________________
Globálne otepľovanie je spôsobené masívnou zástavbou a rúbaním storočných stromov. Kamene namiesto trávy tiež prispievajú k otepľovaniu.
Návrat nahoru
Zobrazit informace o autorovi Odeslat soukromou zprávu Odeslat e-mail
HF_Tech



Založen: Apr 25, 2022
Příspěvky: 1908

PříspěvekZaslal: so září 27 2025, 19:36    Předmět: Citovat

Parametrické vyhledávání na tme nebo mouseru snad použít umíš Rolling Eyes
Návrat nahoru
Zobrazit informace o autorovi Odeslat soukromou zprávu
Valdano



Založen: Jan 01, 2023
Příspěvky: 2814
Bydliště: Česká Lípa

PříspěvekZaslal: so září 27 2025, 20:52    Předmět: Citovat

U TME mají třeba LP2950-33LPRE3 pro vstupní napětí 2 až 30V. Tady je k tomu datasheet.
Návrat nahoru
Zobrazit informace o autorovi Odeslat soukromou zprávu
workhard



Založen: Jul 07, 2006
Příspěvky: 5471
Bydliště: Plzeň

PříspěvekZaslal: po září 29 2025, 10:12    Předmět: Citovat

Asi bych to místo vymýšlení orlojů vyzkoušel s nějakou moderní LEDkou a vyšší hodnotou odporu, tam rozdíl ve svitu nebude moc výrazný.
_________________
Věci,které fungují,se ZÁSADNĚ neopravují...
Návrat nahoru
Zobrazit informace o autorovi Odeslat soukromou zprávu
HF_Tech



Založen: Apr 25, 2022
Příspěvky: 1908

PříspěvekZaslal: po září 29 2025, 12:56    Předmět: Citovat

Když on neřekl jak moc hi-end ta vopičárna má být.
Já bych tam dal AP2205 v SOT25 a výstup 4093 připojil na ENable vstup a vím, že to bude fungovat na 100procent bez nějakého přemýšlení.
Nechalo by se to udělat i pomocí jednoho tranzistoru a 4 odporů, ale to už je moc přemýšlení...
Návrat nahoru
Zobrazit informace o autorovi Odeslat soukromou zprávu
PotPalo



Založen: May 13, 2009
Příspěvky: 5897
Bydliště: BA

PříspěvekZaslal: po září 29 2025, 15:19    Předmět: Citovat

Uvažujem o tých regulátoroch:

Riešenie 1:
Výstup z 4093 bude napájať LDO, z neho LED+odpor (1=svieti).
Problém: výstup 4093 môže mať aj vyššiu frekvenciu, LDO zasa vyžaduje kondenzátor na vstupe. Kondenzátor na výstupe 4093 pri zmene úrovní moc zaťažuje výstup. Oddeliť diódou to nieje možné.

Riešenie 2:
LDO bude napájané z Vcc, z neho LED+odpor do 4093 (0=svieti).
Problém: pri Vcc 15V bude pri nesvietení na LED v závernom smere 12V. To by LEDka mala zniesť, teda ako ktorá.

Bolo spomenuté riešenie s "modernou" LEDkou, ktorá "to dá". Takže dajme tomu že LED má úbytok 2,5V. Odpor dáme 330 Ohm. Pri Vcc 3V by diódou tieklo 1,5 mA, pri Vcc 15V by to už bolo 37,8 mA. Ktorá dióda svieti pri takýchto rozdieloch v prúde skoro rovnako? Navyše zaťažovať výstup z 4093 skoro 48 mA neviem či je dobrý nápad.

Riešenie s klasickou LEDkou, odpormi, a zenerkou by spotrebou bolo zrejme to isté ako predošlé riešenie.

_________________
Globálne otepľovanie je spôsobené masívnou zástavbou a rúbaním storočných stromov. Kamene namiesto trávy tiež prispievajú k otepľovaniu.
Návrat nahoru
Zobrazit informace o autorovi Odeslat soukromou zprávu Odeslat e-mail
Valdano



Založen: Jan 01, 2023
Příspěvky: 2814
Bydliště: Česká Lípa

PříspěvekZaslal: po září 29 2025, 15:55    Předmět: Citovat

PotPalo napsal(a):
Riešenie 1:
Výstup z 4093 bude napájať LDO, z neho LED+odpor (1=svieti).
Problém: výstup 4093 môže mať aj vyššiu frekvenciu, LDO zasa vyžaduje kondenzátor na vstupe. Kondenzátor na výstupe 4093 pri zmene úrovní moc zaťažuje výstup. Oddeliť diódou to nieje možné.

Nebo to oddělit tak, že výstup 4093 bude přes diodu a nějaký odpor nabíjet malý kondenzátor, který díky odporu bude zatěžovat ten výstup 4093 jen minimálně a z kondenzátoru za diodou pak ovládat přes tranzistor napájení z Vcc vůči vstupu LDO. Na výstupu LDO LP2950-33LPRE3 bude jen 3,3V. Na výstup LDO tedy připojit LED+odpor (1=svítí).
Návrat nahoru
Zobrazit informace o autorovi Odeslat soukromou zprávu
Zobrazit příspěvky z předchozích:   
Přidat nové téma   Zaslat odpověď       Obsah fóra Diskuzní fórum Elektro Bastlírny -> Řešení problémů s různými konstrukcemi Časy uváděny v GMT + 1 hodina
Jdi na stránku 1, 2  Další
Strana 1 z 2

 
Přejdi na:  
Nemůžete odesílat nové téma do tohoto fóra.
Nemůžete odpovídat na témata v tomto fóru.
Nemůžete upravovat své příspěvky v tomto fóru.
Nemůžete mazat své příspěvky v tomto fóru.
Nemůžete hlasovat v tomto fóru.
Nemůžete připojovat soubory k příspěvkům
Můžete stahovat a prohlížet přiložené soubory

Powered by phpBB © 2001, 2005 phpBB Group
Forums ©
Nuke - Elektro Bastlirna

Informace na portálu Elektro bastlírny jsou prezentovány za účelem vzdělání čtenářů a rozšíření zájmu o elektroniku. Autoři článků na serveru neberou žádnou zodpovědnost za škody vzniklé těmito zapojeními. Rovněž neberou žádnou odpovědnost za případnou újmu na zdraví vzniklou úrazem elektrickým proudem. Autoři a správci těchto stránek nepřejímají záruku za správnost zveřejněných materiálů. Předkládané informace a zapojení jsou zveřejněny bez ohledu na případné patenty třetích osob. Nároky na odškodnění na základě změn, chyb nebo vynechání jsou zásadně vyloučeny. Všechny registrované nebo jiné obchodní známky zde použité jsou majetkem jejich vlastníků. Uvedením nejsou zpochybněna z toho vyplývající vlastnická práva. Použití konstrukcí v rozporu se zákonem je přísně zakázáno. Vzhledem k tomu, že původ předkládaných materiálů nelze žádným způsobem dohledat, nelze je použít pro komerční účely! Tento nekomerční server nemá z uvedených zapojení či konstrukcí žádný zisk. Nezodpovídáme za pravost předkládaných materiálů třetími osobami a jejich původ. V případě, že zjistíte porušení autorského práva či jiné nesrovnalosti, kontaktujte administrátory na diskuzním fóru EB.


PHP-Nuke Copyright © 2005 by Francisco Burzi. This is free software, and you may redistribute it under the GPL. PHP-Nuke comes with absolutely no warranty, for details, see the license.
Čas potřebný ke zpracování stránky 0.15 sekund