Vítejte na Elektro Bastlírn?
Nuke - Elektro Bastlirna
  Vytvořit účet Hlavní · Fórum · DDump · Profil · Zprávy · Hledat na fóru · Příspěvky na provoz EB

Vlákno na téma KORONAVIRUS - nutná registrace


Nuke - Elektro Bastlirna: Diskuzní fórum

 FAQFAQ   HledatHledat   Uživatelské skupinyUživatelské skupiny   ProfilProfil   Soukromé zprávySoukromé zprávy   PřihlášeníPřihlášení 

Samovolný reset Aiwa LCX133 (vyřešeno)

 
Přidat nové téma   Zaslat odpověď       Obsah fóra Diskuzní fórum Elektro Bastlírny -> Audiotechnika
Zobrazit předchozí téma :: Zobrazit následující téma  
Autor Zpráva
Kvicala_r



Založen: Jan 19, 2005
Příspěvky: 3504
Bydliště: Haná / N.J.

PříspěvekZaslal: pá březen 09 2012, 8:54    Předmět: Samovolný reset Aiwa LCX133 (vyřešeno) Citovat

Ahoj. Mám teď na stole mikrosystém LCX133, ale malinko si s ním lámu zuby. Původní závada: po krátké době od zapnutí vytuhl a našel zapnout ani po vypojení z elektriky. Zabrala až delší odstávka a pak zase chvíli běžel.
Pomohla oprava napájení, kontrola spojů, vařazení podezřelých ESR kondů a hlavně 5V pro procesor, kde někdo srazil napětí výměnou zenerky na 4V Evil or Very Mad Dále však systém občas zablbl a resetl se. Pomohla vypnout/zapnout, citlivost na teplo hodiny 32k. Výměna za druhý krystal se zdá OK. Ale stejně se pořád ta věžička občas resetne, z funkce spadne do STB a vymaže uložené pozice na rádiu.
Zálohovací kond, ani články zde nejsou, takže paměti si zřejmě drží procák. Po vypnutí z elektriky si paměť drží více jak tři hodiny, takže výpadek procák nesmázne.
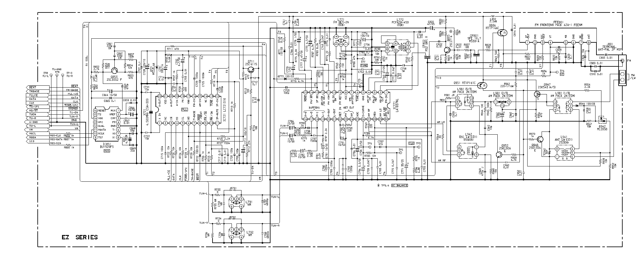
Napadají mě ještě dvě věci: svody na tlačítkách - zkusím změřit dnes a nakřápnutý krystal 5,76M. Měřil jsem škopkem jak vypadají hodiny na 5,76M i 32K a stabilita i amplituda OK. Jen bude problém ten stav, kdy dojde k resetu zachytit, protože to udělá tak jednou/dvakrát za den. Zatím sem nijak nekontroloval obvody tuneru (je to EZ verze).

Řešil jste někdo u aiwy podobný problém?



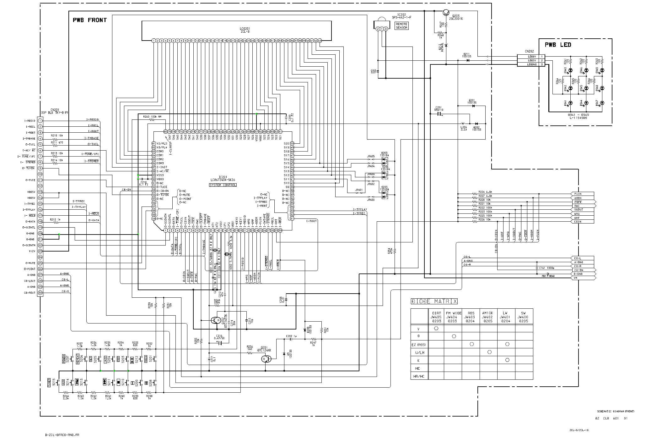
front panel.png
 Komentář:
Schema front panel

Stáhnout
 Soubor:  front panel.png
 Velikost:  247.19 kB
 Staženo:  180 krát


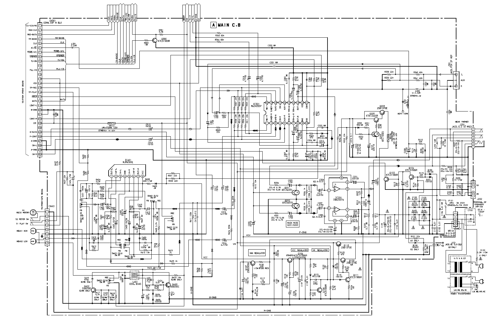
main.png
 Komentář:
main board

Stáhnout
 Soubor:  main.png
 Velikost:  282.82 kB
 Staženo:  147 krát


tuner.png
 Komentář:
tuner

Stáhnout
 Soubor:  tuner.png
 Velikost:  261.58 kB
 Staženo:  140 krát



Naposledy upravil Kvicala_r dne ne březen 11 2012, 17:26, celkově upraveno 1 krát.
Návrat nahoru
Zobrazit informace o autorovi Odeslat soukromou zprávu
Kvicala_r



Založen: Jan 19, 2005
Příspěvky: 3504
Bydliště: Haná / N.J.

PříspěvekZaslal: ne březen 11 2012, 15:30    Předmět: Citovat

Tak oříšek sem snad finálně rozlousk. Tlačítka svody nevykazují. Výměna rezonátoru X202 za klasický krystal 4,9152M. Výměna podezřelého C202 a zablokování báze Q201 odporem 10k proti zemi. Tento resetující obvod asi občas sepl i když neměl, napětí na bázi podezřele plavalo na pár set mV. Teď už dva dny aiwa šlape bez výpadků a kupodivu čte i CD, které původně fungovat nemělo... asi mu nestačily 4V místo 5 Twisted Evil Snad uvedená úprava někdy někomu pomůže..
Návrat nahoru
Zobrazit informace o autorovi Odeslat soukromou zprávu
rnbw



Založen: Mar 21, 2006
Příspěvky: 36701
Bydliště: Bratislava

PříspěvekZaslal: pá září 26 2025, 21:51    Předmět: Citovat

Mam tu LCX-130. Po pripojeni napajania fungovala normalne, ale po nejakej dobe sa zacal dokola resetovat procesor.

Nasiel som pripaleny Q405 na vykonovej doske - je to regulator 5V vetvy. Podla schemy 2SB1318, ale realne 2SA1318-S. Aj po prespajkovani sa to resetovalo pri dotyku na Q405 - takze na vymenu.

Navyse som zistil, ze procesor ma asi zvyseny odber - dost sa zohrieva. Ale normalne funguje, radio ladi a hra, reaguje na DO. Ale Q405 hori.

Takze som Q405 odstranil a nahradil modulom s LM2596S nastavenym na 5,6V. Na procesor som nalepil tenky chladic. Snad este chvilu vydrzi.

Mikrospinace su vadne, casto spustia inu funkciu ako by mali.

CD necita - vsade je plno prachu, aj vnutri optiky.

Na kazetaku sa neda spustit PLAY - tlacidlo nedotlaci mechaniku do spravnej polohy. Po rozobrati predneho panelu som zistil, ze ulozenie tlacidiel PLAY a RECORD je vylomene a uz to niekto v minulosti opravoval vlozenim vytvarovanych kusov hrubeho drotu. Ked ich tam vlepim, tak by to mohlo fungovat.
Návrat nahoru
Zobrazit informace o autorovi Odeslat soukromou zprávu
rnbw



Založen: Mar 21, 2006
Příspěvky: 36701
Bydliště: Bratislava

PříspěvekZaslal: so září 27 2025, 16:16    Předmět: Citovat

Optiku KSS-213B som vycistil ultrazvukom a CD normalne funguje.
Mikrospinace som vymenil a teraz funguju spolahlivo.
Kazetak po prilepeni tych kusov drotu funguje tiez. Dokonca sa to stlacenim PLAY zapne zo standby.
Takze procesor vyzera byt plne funkcny, len nadmerne zerie.

Ostal uz len jeden problem - po odlezani nehra pravy kanal CD. Po chvili zacne fungovat.

[edit]
Asi prasknuty cin na nulovom SMD odpore JR56 (nie je v scheme). Schema je celkovo dost ilustracna, nesedia ani hodnoty R154 a R160.
Návrat nahoru
Zobrazit informace o autorovi Odeslat soukromou zprávu
Zobrazit příspěvky z předchozích:   
Přidat nové téma   Zaslat odpověď       Obsah fóra Diskuzní fórum Elektro Bastlírny -> Audiotechnika Časy uváděny v GMT + 1 hodina
Strana 1 z 1

 
Přejdi na:  
Nemůžete odesílat nové téma do tohoto fóra.
Nemůžete odpovídat na témata v tomto fóru.
Nemůžete upravovat své příspěvky v tomto fóru.
Nemůžete mazat své příspěvky v tomto fóru.
Nemůžete hlasovat v tomto fóru.
Nemůžete připojovat soubory k příspěvkům
Můžete stahovat a prohlížet přiložené soubory

Powered by phpBB © 2001, 2005 phpBB Group
Forums ©
Nuke - Elektro Bastlirna

Informace na portálu Elektro bastlírny jsou prezentovány za účelem vzdělání čtenářů a rozšíření zájmu o elektroniku. Autoři článků na serveru neberou žádnou zodpovědnost za škody vzniklé těmito zapojeními. Rovněž neberou žádnou odpovědnost za případnou újmu na zdraví vzniklou úrazem elektrickým proudem. Autoři a správci těchto stránek nepřejímají záruku za správnost zveřejněných materiálů. Předkládané informace a zapojení jsou zveřejněny bez ohledu na případné patenty třetích osob. Nároky na odškodnění na základě změn, chyb nebo vynechání jsou zásadně vyloučeny. Všechny registrované nebo jiné obchodní známky zde použité jsou majetkem jejich vlastníků. Uvedením nejsou zpochybněna z toho vyplývající vlastnická práva. Použití konstrukcí v rozporu se zákonem je přísně zakázáno. Vzhledem k tomu, že původ předkládaných materiálů nelze žádným způsobem dohledat, nelze je použít pro komerční účely! Tento nekomerční server nemá z uvedených zapojení či konstrukcí žádný zisk. Nezodpovídáme za pravost předkládaných materiálů třetími osobami a jejich původ. V případě, že zjistíte porušení autorského práva či jiné nesrovnalosti, kontaktujte administrátory na diskuzním fóru EB.


PHP-Nuke Copyright © 2005 by Francisco Burzi. This is free software, and you may redistribute it under the GPL. PHP-Nuke comes with absolutely no warranty, for details, see the license.
Čas potřebný ke zpracování stránky 0.27 sekund