Vítejte na Elektro Bastlírn?
Nuke - Elektro Bastlirna
  Vytvořit účet Hlavní · Fórum · DDump · Profil · Zprávy · Hledat na fóru · Příspěvky na provoz EB

Vlákno na téma KORONAVIRUS - nutná registrace


Nuke - Elektro Bastlirna: Diskuzní fórum

 FAQFAQ   HledatHledat   Uživatelské skupinyUživatelské skupiny   ProfilProfil   Soukromé zprávySoukromé zprávy   PřihlášeníPřihlášení 

becker_BE1100

 
Přidat nové téma   Zaslat odpověď       Obsah fóra Diskuzní fórum Elektro Bastlírny -> Autorádia
Zobrazit předchozí téma :: Zobrazit následující téma  
Autor Zpráva
david69



Založen: Jan 04, 2007
Příspěvky: 419

PříspěvekZaslal: čt září 25 2025, 16:45    Předmět: becker_BE1100 Citovat

Dobry den,
Je mozne nekde prohlednout schema k tomuto radiu? Procesor je neco
podobne k 8051 s EEPROM 8582 nebo 24C02. Funkcni naplne do EEPROM
nemaji vliv na sbernici I2C ? ze ktere je rizen audio procesor TDA7300.
Kody nejsou problem, ale hlavni chyba je v I2C sbernici, kdy chci regulovat
hlasitost a sbernice je bez hodin i bez dat, ostatni zadavani z klavesnice
funguje i kdyz klavesnice prohodim. Nefunguje tlacitko MUTE a ovladani hlasitosti.
Jinak obe klavesnice posilaji kod na procesor, jeste nemam precteno, ale
rizeni audioprocesoru je neaktivni, funguje pouze balance a barva zvuku.
Nevim proc je ovladani hlasitosti disable, kdyz TDA7300 je prijemce SLAVE.
Nemate s tim nekdo zkusenost? Zdroj 5V a 8,5V je opraveny.
Diky
Návrat nahoru
Zobrazit informace o autorovi Odeslat soukromou zprávu
dj_Paul



Založen: Sep 19, 2004
Příspěvky: 2643
Bydliště: Laškov

PříspěvekZaslal: čt září 25 2025, 18:22    Předmět: Citovat

https://www.radiomuseum.org/r/becker_europa_2000_be_1100.html
Návrat nahoru
Zobrazit informace o autorovi Odeslat soukromou zprávu Odeslat e-mail
david69



Založen: Jan 04, 2007
Příspěvky: 419

PříspěvekZaslal: čt září 25 2025, 19:00    Předmět: Citovat

neni to uplne to spravny schema, variant bude vice, podobne schema s 2x LP2951
mam, ttoto schema ma jedno LDO pro RESET a druhe +5V napajeni.
moje radio ma jedno LP2951, RESET funguje, je tranzistorovy
Návrat nahoru
Zobrazit informace o autorovi Odeslat soukromou zprávu
david69



Založen: Jan 04, 2007
Příspěvky: 419

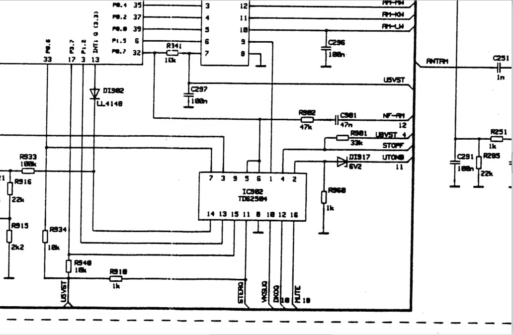
PříspěvekZaslal: pá říjen 24 2025, 9:44    Předmět: Citovat

posilam obdobne schema radia, ale neni to uplne totozne mojemu radiu.
PIN6 procesoru ma napeti 0.1V a ovlada drivery TD62703 a TD62504,
a z nich vede signal MUTE vypinajici koncovy stupen, to je ve schematu
na konektoru propojeni desek PIN18.
Moje radio ma vse stejne zapojeno, az na ten PIN18 konektoru propojujici
desky, prijde me ze je nezapojen. Koncovy stupen se neshoduje se schematem.
Urcite je vice variant radii 1100 a nemam spravne schema
konektor spojujici desky byl pricinou spatneho napajeni, mozna chyba je i u
PINU18, ale pohledove nemuzu nic najit, mozna je deska vicevrstva?
PA ma zapojeno TDA7360 a to zesiluje. Audio procesor 7300 nedostava
povel pres I2C k zesilovani Sad



Snímek obrazovky pořízený 2025-10-24 10-27-13.png
 Komentář:
 Velikost:  295.97 kB
 Zobrazeno:  30 krát

Snímek obrazovky pořízený 2025-10-24 10-27-13.png



Snímek obrazovky pořízený 2025-10-24 10-25-35.png
 Komentář:
 Velikost:  240.8 kB
 Zobrazeno:  25 krát

Snímek obrazovky pořízený 2025-10-24 10-25-35.png



Snímek obrazovky pořízený 2025-10-24 10-39-06.png
 Komentář:
 Velikost:  162.04 kB
 Zobrazeno:  31 krát

Snímek obrazovky pořízený 2025-10-24 10-39-06.png


Návrat nahoru
Zobrazit informace o autorovi Odeslat soukromou zprávu
david69



Založen: Jan 04, 2007
Příspěvky: 419

PříspěvekZaslal: st prosinec 03 2025, 14:44    Předmět: Citovat

I2c sbernice nastavuje vyvazeni reproduktoru i hloubky a vysky, nejde nastavovat MUTE
DK, a hlasitost.
V zapojeni radia je jeste obvod TDA1579 pro dopravni zpravy, ktery pinem 1 a 2 ridi
procesor. Mozna pricina je v tomto obvodu, mate tuseni jak obvod pracuje?
Dekuju
Návrat nahoru
Zobrazit informace o autorovi Odeslat soukromou zprávu
david69



Založen: Jan 04, 2007
Příspěvky: 419

PříspěvekZaslal: út prosinec 16 2025, 13:56    Předmět: Citovat

Chip pro dopravni rozhlas jsem vymenil, na pasmu V namacknu DK MUTE a
radio se zacne automaticky ladit, stanice zacne hrat na maximalni hlasitost a
nelze regulovat, na rozsahu U je minimalni hlasitost a nelze zesilit.
Pred vymenout chipu nesla hlasitost ani na pasmu V. Kde hledat pricinu v
chipu pro dopravni rozhlas?
Návrat nahoru
Zobrazit informace o autorovi Odeslat soukromou zprávu
Zobrazit příspěvky z předchozích:   
Přidat nové téma   Zaslat odpověď       Obsah fóra Diskuzní fórum Elektro Bastlírny -> Autorádia Časy uváděny v GMT + 1 hodina
Strana 1 z 1

 
Přejdi na:  
Nemůžete odesílat nové téma do tohoto fóra.
Nemůžete odpovídat na témata v tomto fóru.
Nemůžete upravovat své příspěvky v tomto fóru.
Nemůžete mazat své příspěvky v tomto fóru.
Nemůžete hlasovat v tomto fóru.
Nemůžete připojovat soubory k příspěvkům
Můžete stahovat a prohlížet přiložené soubory

Powered by phpBB © 2001, 2005 phpBB Group
Forums ©
Nuke - Elektro Bastlirna

Informace na portálu Elektro bastlírny jsou prezentovány za účelem vzdělání čtenářů a rozšíření zájmu o elektroniku. Autoři článků na serveru neberou žádnou zodpovědnost za škody vzniklé těmito zapojeními. Rovněž neberou žádnou odpovědnost za případnou újmu na zdraví vzniklou úrazem elektrickým proudem. Autoři a správci těchto stránek nepřejímají záruku za správnost zveřejněných materiálů. Předkládané informace a zapojení jsou zveřejněny bez ohledu na případné patenty třetích osob. Nároky na odškodnění na základě změn, chyb nebo vynechání jsou zásadně vyloučeny. Všechny registrované nebo jiné obchodní známky zde použité jsou majetkem jejich vlastníků. Uvedením nejsou zpochybněna z toho vyplývající vlastnická práva. Použití konstrukcí v rozporu se zákonem je přísně zakázáno. Vzhledem k tomu, že původ předkládaných materiálů nelze žádným způsobem dohledat, nelze je použít pro komerční účely! Tento nekomerční server nemá z uvedených zapojení či konstrukcí žádný zisk. Nezodpovídáme za pravost předkládaných materiálů třetími osobami a jejich původ. V případě, že zjistíte porušení autorského práva či jiné nesrovnalosti, kontaktujte administrátory na diskuzním fóru EB.


PHP-Nuke Copyright © 2005 by Francisco Burzi. This is free software, and you may redistribute it under the GPL. PHP-Nuke comes with absolutely no warranty, for details, see the license.
Čas potřebný ke zpracování stránky 0.23 sekund