Vítejte na Elektro Bastlírn?
Nuke - Elektro Bastlirna
  Vytvořit účet Hlavní · Fórum · DDump · Profil · Zprávy · Hledat na fóru · Příspěvky na provoz EB

Vlákno na téma KORONAVIRUS - nutná registrace


Nuke - Elektro Bastlirna: Diskuzní fórum

 FAQFAQ   HledatHledat   Uživatelské skupinyUživatelské skupiny   ProfilProfil   Soukromé zprávySoukromé zprávy   PřihlášeníPřihlášení 

Světla Superb

 
Přidat nové téma   Zaslat odpověď       Obsah fóra Diskuzní fórum Elektro Bastlírny -> Auto - Moto technika
Zobrazit předchozí téma :: Zobrazit následující téma  
Autor Zpráva
BOBOBO
Doporučuje se dohled moderátorů


Založen: Feb 25, 2008
Příspěvky: 20346
Bydliště: Rychnovsko

PříspěvekZaslal: so srpen 30 2025, 5:34    Předmět: Světla Superb Citovat

Zdravím přispívající . Poskytl by někdo schema hlavních světel , třeba přes mail . Kolega důchodce má starší šrot a odešly mu xenony . Na vrakáči sehnal světla s klasikou žárovky . Proto bych rád viděl schema , jestli to jde jen místním předrátováním nebo je to problém . Děkuji
hodilo by se i typové označení .....
Návrat nahoru
Zobrazit informace o autorovi Odeslat soukromou zprávu
GeorgeB



Založen: Nov 21, 2005
Příspěvky: 1246
Bydliště: Pardubice

PříspěvekZaslal: so srpen 30 2025, 7:50    Předmět: Citovat

Rád bych pomohl,ale Superbů je několik generací. Doplňte tedy prosím generaci, rok výroby a motorizaci (objem motoru, palivo, výkon, kód motoru).
Návrat nahoru
Zobrazit informace o autorovi Odeslat soukromou zprávu Zobrazit autorovy WWW stránky
BOBOBO
Doporučuje se dohled moderátorů


Založen: Feb 25, 2008
Příspěvky: 20346
Bydliště: Rychnovsko

PříspěvekZaslal: so srpen 30 2025, 7:54    Předmět: Citovat

Jiří děkuji , zkusím zjistit , je to rachotina a nevím , zda to zjistím . Obecně mohu přívodních 12V do starteru tlumených zapojit přímo do patice žárovky ? Je tam asi H7 .
Návrat nahoru
Zobrazit informace o autorovi Odeslat soukromou zprávu
GeorgeB



Založen: Nov 21, 2005
Příspěvky: 1246
Bydliště: Pardubice

PříspěvekZaslal: so srpen 30 2025, 8:04    Předmět: Citovat

Hlavní problém konverze hlavních světel Xenon-> Halogen je nivelace.
U výbojkových světel je sklon světel řízen automaticky (na základě senzorů světlé výšky na nápravách a rychlosti vozu řídící jednotkou), u standardních světel (halogen) je sklon světel řízený manuálně ovladačem u spínače světel.

Takže výměna předních světel by vyžadovala dodatečnou montáž potenciometru-regulátoru sklonu světel a natáhnout kabeláž.
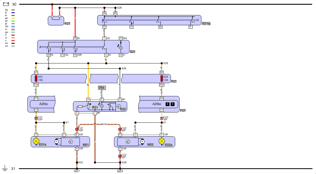
Pro příklad uvádím el. schéma na Superb první generace.



skoda superb-I hlavni svetlomety-xenon.png
 Komentář:
Škoda Superb-I el.schéma xenon předních světel.
A01 Řídicí jednotka xenonového světla vlevo
A01p Zapalovací přístroj xenonového světla vlevo
A02 Řídicí jednotka xenonového světla vpravo
A02p Zapalovací přístroj xenonového světla vpravo
A14e Řídicí je
 Velikost:  108.14 kB
 Zobrazeno:  40 krát

skoda superb-I hlavni svetlomety-xenon.png



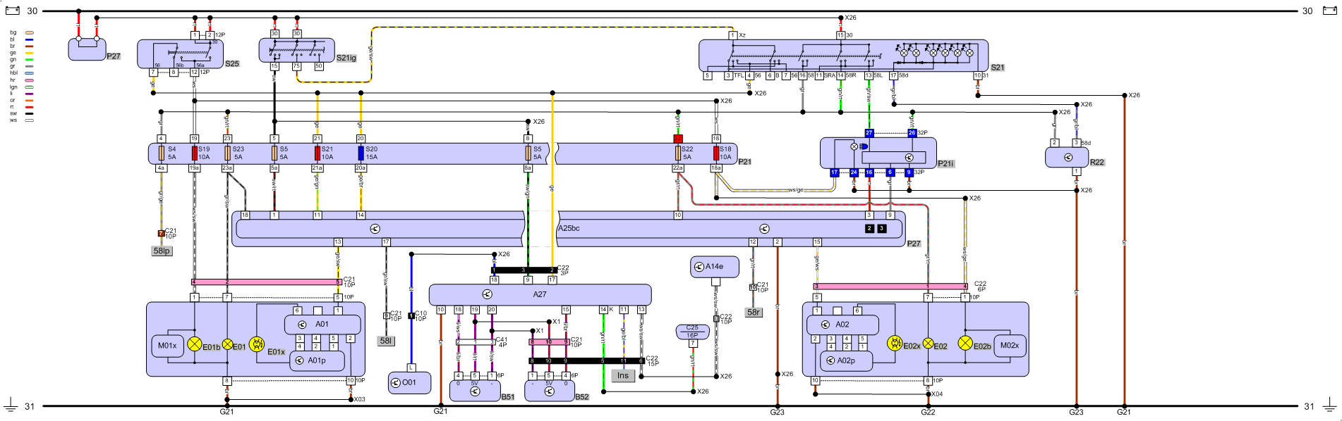
skoda superb-I hlavni svetlomety-standard.png
 Komentář:
Škoda Superb-B el.schéma standard (halogen) předních světel - nivelace
A25bc Kontrolní modul žárovek (2)
C21 Konektor u levého sloupku A (2)
C22 Konektor u pravého sloupku A (3)
E01a Žárovka tlumeného světla vlevo
E02a Světelný zdroj tlumeného světlo
 Velikost:  45.18 kB
 Zobrazeno:  37 krát

skoda superb-I hlavni svetlomety-standard.png


Návrat nahoru
Zobrazit informace o autorovi Odeslat soukromou zprávu Zobrazit autorovy WWW stránky
BOBOBO
Doporučuje se dohled moderátorů


Založen: Feb 25, 2008
Příspěvky: 20346
Bydliště: Rychnovsko

PříspěvekZaslal: so srpen 30 2025, 8:07    Předmět: Citovat

Něco jsem o tom čet na skodahome . Asi tak , že se žádná regulace nebude zapojovat . Pokud to technicky , ne předpisově jde . Prostuduji schema od Tebe a kdyžtak se Tě doptám po zjištění více údajů o samohybu . Děkuji
Návrat nahoru
Zobrazit informace o autorovi Odeslat soukromou zprávu
BOBOBO
Doporučuje se dohled moderátorů


Založen: Feb 25, 2008
Příspěvky: 20346
Bydliště: Rychnovsko

PříspěvekZaslal: so srpen 30 2025, 8:11    Předmět: Citovat

Hrubě napsáno , mohu ty přívody 5 u xenonů nadrátovat přímo na žárovku ? Díky
Návrat nahoru
Zobrazit informace o autorovi Odeslat soukromou zprávu
BOBOBO
Doporučuje se dohled moderátorů


Založen: Feb 25, 2008
Příspěvky: 20346
Bydliště: Rychnovsko

PříspěvekZaslal: so srpen 30 2025, 8:20    Předmět: Citovat

Šlo by sem dát zapojení všech drátů do xensvětlometu ? Předpokládám , že jich bude více než 4 ?
Návrat nahoru
Zobrazit informace o autorovi Odeslat soukromou zprávu
GeorgeB



Založen: Nov 21, 2005
Příspěvky: 1246
Bydliště: Pardubice

PříspěvekZaslal: út září 02 2025, 5:27    Předmět: Citovat

Stále čekám na upřesnění identifikace vozu.
Návrat nahoru
Zobrazit informace o autorovi Odeslat soukromou zprávu Zobrazit autorovy WWW stránky
BOBOBO
Doporučuje se dohled moderátorů


Založen: Feb 25, 2008
Příspěvky: 20346
Bydliště: Rychnovsko

PříspěvekZaslal: út září 02 2025, 10:33    Předmět: Citovat

Vím , sorry . Nehovořím s ním každý den . A on mne zatím nebombarduje . Až přijede z práce dám dotaz , není na žádné digisíti , nic mi za to nedá a musím platit i telefon . Musím se zeptat , zda bude souhlas i bez naklápění atd ...... Děkuji
Návrat nahoru
Zobrazit informace o autorovi Odeslat soukromou zprávu
Zobrazit příspěvky z předchozích:   
Přidat nové téma   Zaslat odpověď       Obsah fóra Diskuzní fórum Elektro Bastlírny -> Auto - Moto technika Časy uváděny v GMT + 1 hodina
Strana 1 z 1

 
Přejdi na:  
Nemůžete odesílat nové téma do tohoto fóra.
Nemůžete odpovídat na témata v tomto fóru.
Nemůžete upravovat své příspěvky v tomto fóru.
Nemůžete mazat své příspěvky v tomto fóru.
Nemůžete hlasovat v tomto fóru.
Nemůžete připojovat soubory k příspěvkům
Můžete stahovat a prohlížet přiložené soubory

Powered by phpBB © 2001, 2005 phpBB Group
Forums ©
Nuke - Elektro Bastlirna

Informace na portálu Elektro bastlírny jsou prezentovány za účelem vzdělání čtenářů a rozšíření zájmu o elektroniku. Autoři článků na serveru neberou žádnou zodpovědnost za škody vzniklé těmito zapojeními. Rovněž neberou žádnou odpovědnost za případnou újmu na zdraví vzniklou úrazem elektrickým proudem. Autoři a správci těchto stránek nepřejímají záruku za správnost zveřejněných materiálů. Předkládané informace a zapojení jsou zveřejněny bez ohledu na případné patenty třetích osob. Nároky na odškodnění na základě změn, chyb nebo vynechání jsou zásadně vyloučeny. Všechny registrované nebo jiné obchodní známky zde použité jsou majetkem jejich vlastníků. Uvedením nejsou zpochybněna z toho vyplývající vlastnická práva. Použití konstrukcí v rozporu se zákonem je přísně zakázáno. Vzhledem k tomu, že původ předkládaných materiálů nelze žádným způsobem dohledat, nelze je použít pro komerční účely! Tento nekomerční server nemá z uvedených zapojení či konstrukcí žádný zisk. Nezodpovídáme za pravost předkládaných materiálů třetími osobami a jejich původ. V případě, že zjistíte porušení autorského práva či jiné nesrovnalosti, kontaktujte administrátory na diskuzním fóru EB.


PHP-Nuke Copyright © 2005 by Francisco Burzi. This is free software, and you may redistribute it under the GPL. PHP-Nuke comes with absolutely no warranty, for details, see the license.
Čas potřebný ke zpracování stránky 0.13 sekund