Vítejte na Elektro Bastlírn?
Nuke - Elektro Bastlirna
  Vytvořit účet Hlavní · Fórum · DDump · Profil · Zprávy · Hledat na fóru · Příspěvky na provoz EB

Vlákno na téma KORONAVIRUS - nutná registrace


Nuke - Elektro Bastlirna: Diskuzní fórum

 FAQFAQ   HledatHledat   Uživatelské skupinyUživatelské skupiny   ProfilProfil   Soukromé zprávySoukromé zprávy   PřihlášeníPřihlášení 

PC zdroj 620w Seasonic - tlumivka
Jdi na stránku Předchozí  1, 2, 3  Další
 
Přidat nové téma   Zaslat odpověď       Obsah fóra Diskuzní fórum Elektro Bastlírny -> Svářečky, UPS, nabíječe, měniče, zdroje, trafa a další
Zobrazit předchozí téma :: Zobrazit následující téma  
Autor Zpráva
Behemot
Doporučuje se dohled moderátorů


Založen: Nov 01, 2013
Příspěvky: 2416

PříspěvekZaslal: so červenec 12 2025, 21:46    Předmět: Citovat

lesana87 napsal(a):

A kde má druhý vinutí ty diferenciální kravino? Diferenciální tlumivka je ta na rohu s dvojicí bindrpásek na odizolování vinutí.

Tvl Rolling Eyes naštuduj si základní termity, tam to čo trepeš je společná (common-mode) tlumifka, která vodfitrovává rušení kerý teče voběma směry, a díky tomu, že ten proud teče tam a zase zpátky, tak se na té tlumivce vodečte (indukovaný magnetický toky mají opačnej směr); diferenciální je právě vod toho rozdílu, takže je tam jenom vinutí na jednom vodiču.

rnbw: votázka je, esli tam eště neco zbude Smile je to zuhelnatělý kvalitně.

PCmaniac99: je to na filtraci, esli maličko změníš parametry je asi jedno. Já bych tam narval tlumivku z demontu, mám jich dost a ve zdrojích na stejným místě budou +- parametrově stejný, pže to filtruje +- to samý rušení. Pokud nemáš demont, blbý no Laughing


Naposledy upravil Behemot dne ne červenec 13 2025, 0:29, celkově upraveno 1 krát.
Návrat nahoru
Zobrazit informace o autorovi Odeslat soukromou zprávu Zobrazit autorovy WWW stránky
lesana87



Založen: Sep 20, 2014
Příspěvky: 4112

PříspěvekZaslal: so červenec 12 2025, 22:54    Předmět: Citovat

Behemot napsal(a):
tam to čo trepeš je společná (common-mode) tlumifka, která vodfitrovává rušení kerý teče voběma směry, a díky tomu, že ten proud teče tam a zase zpátky, tak se na té tlumivce vodečte

Vodečítá - takže se uplatňuje na rozdíl (diferenci) vstupního a výstupního proudu, to cívka s jedním vinutím neumí. Akorát amíci to nazvali podle rušení, na které se ta tlumivka uplatňuje, tj. na rušení které teče jedním směrem, oběma vodiči stejným. No dobře, tak hlavně, že jsme si to ve slušnosti vysvětlili.
Návrat nahoru
Zobrazit informace o autorovi Odeslat soukromou zprávu
PCmaniac99



Založen: Feb 07, 2008
Příspěvky: 886
Bydliště: Jablonec nad Nisou

PříspěvekZaslal: ne červenec 13 2025, 19:41    Předmět: Citovat

Ta cívka co jsem umotal má po asi 30 minutách normálního běhu pc (windows + memtest) 80°C, ostatní díly ve zdroji kolem 40°C. Někdo tu měl podezření na tu "věc" ve smršťovačce. Tak je to Varistor TVR 14471 který je puklý a jediné co na něm naměřím je kapacita 271pF. Tak vyměním varistor a snad už to bude ok.
Návrat nahoru
Zobrazit informace o autorovi Odeslat soukromou zprávu Odeslat e-mail
Behemot
Doporučuje se dohled moderátorů


Založen: Nov 01, 2013
Příspěvky: 2416

PříspěvekZaslal: ne červenec 13 2025, 21:15    Předmět: Citovat

to bude mít solidní svod
Návrat nahoru
Zobrazit informace o autorovi Odeslat soukromou zprávu Zobrazit autorovy WWW stránky
PCmaniac99



Založen: Feb 07, 2008
Příspěvky: 886
Bydliště: Jablonec nad Nisou

PříspěvekZaslal: ne červenec 13 2025, 22:53    Předmět: Citovat

Ten žlutej foliak X2 ma označení 684 což by mělo byt 0,68uF = 680nF. Naměřil jsem mu 1,1nF. Ten zdroj normálně fungoval, otevřel jsem ho jen preventivně....
Návrat nahoru
Zobrazit informace o autorovi Odeslat soukromou zprávu Odeslat e-mail
dred



Založen: Apr 08, 2007
Příspěvky: 2591
Bydliště: Handlová

PříspěvekZaslal: po červenec 14 2025, 12:01    Předmět: Citovat

Nie je náhodou vadný usmerňovač ? Veď ten "veľký" prúd je len medzi vstupom L a usmerňovačom (resp v tlmivke )... Možno tam vzniká nejaká "harmonická" poruchou niektorej diódy v mostíku.

(V robote sme mali DC/DC meniče (300/12V) - vstup bol len cez jednu oddelovaciu diódu v priepustnom smere, za ňou sym. udrušovacia tlmivka na EE jadre a kond.
Keď tú diódu prerazilo, tak vykúrilo aj tlmivku ...menič pri tom normálne išiel).



obrázok_2025-07-14_125641859.png
 Komentář:
 Velikost:  74.59 kB
 Zobrazeno:  15 krát

obrázok_2025-07-14_125641859.png


Návrat nahoru
Zobrazit informace o autorovi Odeslat soukromou zprávu
PCmaniac99



Založen: Feb 07, 2008
Příspěvky: 886
Bydliště: Jablonec nad Nisou

PříspěvekZaslal: po červenec 14 2025, 12:39    Předmět: Citovat

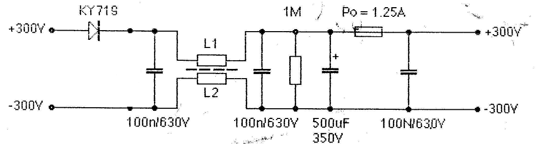
Kondenzátor jsem doma měl jen 420nF a varistor na méně J ale zdroj běžel jen asi 40minut a nepříjde mi že by se přehříval jako před tím. Dnes odpoledne poběží několik hodin tak uvidím.. Pokud by problém nezmizel tak vyletuju můstek a přeměřím.Ještě můžu zkusit změřit odběr ze sítě, mám tam nějakej spotřebometr..

EDIT: sorry za kvalitu výkresu - rychlomalování v práci..



Bez názvu.png
 Komentář:
 Velikost:  10.72 kB
 Zobrazeno:  29 krát

Bez názvu.png


Návrat nahoru
Zobrazit informace o autorovi Odeslat soukromou zprávu Odeslat e-mail
jezevec
Hlavní moderátor


Založen: Jun 13, 2004
Příspěvky: 6107
Bydliště: Břeclavsko

PříspěvekZaslal: út červenec 15 2025, 11:23    Předmět: Citovat

Myslím, že vysvětlení je jednoduché, z nějaké příčiny vzniklo přepětí v síti a varistor zareagoval, napálil tlumivku, vyhřál cín na přívodech a pak další provoz udělal své.
Vyměň varistor a místo tlumivky můžeš dát propoj.
Návrat nahoru
Zobrazit informace o autorovi Odeslat soukromou zprávu Zobrazit autorovy WWW stránky
samec



Založen: Dec 19, 2017
Příspěvky: 6039

PříspěvekZaslal: út červenec 15 2025, 12:28    Předmět: Citovat

PCmaniac99 napsal(a):
Naměřil jsem 100uH.
samec napsal(a):
Spolu s žltým kockatým kondenzátorom (vedľa poistky) a kapacitou vedenia (či kapacitou v iných spotrebičoch) vytvorila tá cievka seriový rezonančný obvod naladený na nejakú vyššiu harmonickú pracovnej frekvencie toho, alebo iného blízkeho zdroja? To chce nápad
PCmaniac99 napsal(a):
Namotal jsem 110uH silnějším drátem ale na o trochu menší jádro, průměr stejnej ale o par mm užší.
PCmaniac99 napsal(a):
Ta cívka co jsem umotal má po asi 30 minutách normálního běhu pc (windows + memtest) 80°C, ostatní díly ve zdroji kolem 40°C.
PCmaniac99 napsal(a):
Ten žlutej foliak X2 ma označení 684 což by mělo byt 0,68uF = 680nF. Naměřil jsem mu 1,1nF.
Je to jasné
f=1/(2π√(LC))=1/2π√(100uH·1nF)=500kHz

pôvodne
f=1/(2π√(LC))=1/2π√(100uH·680nF)=19kHz

cca 25x viac magnetizačných strát
Návrat nahoru
Zobrazit informace o autorovi Odeslat soukromou zprávu
PCmaniac99



Založen: Feb 07, 2008
Příspěvky: 886
Bydliště: Jablonec nad Nisou

PříspěvekZaslal: út červenec 15 2025, 15:31    Předmět: Citovat

SAMEC Děkuji za výpočty, taky jsem tak uvažoval že změnou C v LC článku může být ta tlumivka namáhána více, žel neznám konkrétní vzorce a vztahy - jsem jen hobby elektrikář. Zdroj běží tak jak je teď bez problémů - 420nF + 110uH. Včera jsem taktoval ddr3 ramky a i5 4670k a testoval v zátěži a teplota zdroje byla ok..
Návrat nahoru
Zobrazit informace o autorovi Odeslat soukromou zprávu Odeslat e-mail
PavelFF



Založen: Feb 18, 2008
Příspěvky: 5290
Bydliště: Brno

PříspěvekZaslal: út červenec 15 2025, 17:20    Předmět: Citovat

To co píše samec jsou nesmysly. Vzorečky sice platí, ale to je všechno. Není tam zdroj kmitočtu který by způsobil ničivou sériovou rezonanci.
Prostě se poškodil varistor a zvětšil se proud spálenou tlumivkou. Napětí za tlumivkou kleslo a pro potřebný výkon se úměrně zvětšil i celkový proud zdroje. To vstupní tlumivku spálilo. Celé se to dělo na kmitočtu 50Hz. Magnetizační ztráty s tím nemají nic společného.
Návrat nahoru
Zobrazit informace o autorovi Odeslat soukromou zprávu
dred



Založen: Apr 08, 2007
Příspěvky: 2591
Bydliště: Handlová

PříspěvekZaslal: út červenec 15 2025, 19:12    Předmět: Citovat

Chcel by som sa priučiť..
Ten Varistor je tam v podstate "zbytočný", pokiaľ by tam nebol, hrozí len prepätie..a napäťové odpálenie ďaľších komponentov.. čiže teoreticky - keď prepätie nevznikne, ani tam nemusí byť..
V tých "našich" DC/DC zdrojoch nič také nebolo a predsa tá vstupná tlmivka po prieraze diódy začala "kúriť"... mám dojem, že vstupný filter sa snažil po prieraze diódy to trolejové napätie - usmernené z "bežného" trojfázoveho rozvodu nejako filtrovať, ale vzhľadom na 100+A požiadavky to skrátka bez oddelovacej diódy nedal...
Ako to vlastne je... Trojfázové usmernenie v meniarni (do 300V)... za ním je menič DC/DC 300/12V a vstupný filter bez oddelovacej diódy/ resp. v skrate horí...? Ale menič ide v pohode...?
Návrat nahoru
Zobrazit informace o autorovi Odeslat soukromou zprávu
samec



Založen: Dec 19, 2017
Příspěvky: 6039

PříspěvekZaslal: út červenec 15 2025, 19:51    Předmět: Citovat

PavelFF napsal(a):
To co píše samec jsou nesmysly. Vzorečky sice platí, ale to je všechno...
No poď, daj aspoň Ohmov zákon, že ako sa tam tá cievka ohriala do čierna päťdesiatími hertzami cez varistor a 5A rýchlu poistku. Elektrotechnika je exaktná veda. Ak sa cheš hádať, tak to podlož výpočtom. Povery a pranostiky si nechaj pre seba.
Návrat nahoru
Zobrazit informace o autorovi Odeslat soukromou zprávu
PavelFF



Založen: Feb 18, 2008
Příspěvky: 5290
Bydliště: Brno

PříspěvekZaslal: út červenec 15 2025, 20:03    Předmět: Citovat

Cívka by se byla bývala byla ohřála do černa i proudem o kmitočtu 0Hz. Ohřál se jednoduše vodič nadproudem (o kmitočtu 50Hz). V jádru (skoro) žádné teplo nevznikalo.
Chceš vzoreček? P = RI²
Návrat nahoru
Zobrazit informace o autorovi Odeslat soukromou zprávu
samec



Založen: Dec 19, 2017
Příspěvky: 6039

PříspěvekZaslal: út červenec 15 2025, 20:17    Předmět: Citovat

To je ten Ohmov zákon? Laughing
Návrat nahoru
Zobrazit informace o autorovi Odeslat soukromou zprávu
Zobrazit příspěvky z předchozích:   
Přidat nové téma   Zaslat odpověď       Obsah fóra Diskuzní fórum Elektro Bastlírny -> Svářečky, UPS, nabíječe, měniče, zdroje, trafa a další Časy uváděny v GMT + 1 hodina
Jdi na stránku Předchozí  1, 2, 3  Další
Strana 2 z 3

 
Přejdi na:  
Nemůžete odesílat nové téma do tohoto fóra.
Nemůžete odpovídat na témata v tomto fóru.
Nemůžete upravovat své příspěvky v tomto fóru.
Nemůžete mazat své příspěvky v tomto fóru.
Nemůžete hlasovat v tomto fóru.
Nemůžete připojovat soubory k příspěvkům
Můžete stahovat a prohlížet přiložené soubory

Powered by phpBB © 2001, 2005 phpBB Group
Forums ©
Nuke - Elektro Bastlirna

Informace na portálu Elektro bastlírny jsou prezentovány za účelem vzdělání čtenářů a rozšíření zájmu o elektroniku. Autoři článků na serveru neberou žádnou zodpovědnost za škody vzniklé těmito zapojeními. Rovněž neberou žádnou odpovědnost za případnou újmu na zdraví vzniklou úrazem elektrickým proudem. Autoři a správci těchto stránek nepřejímají záruku za správnost zveřejněných materiálů. Předkládané informace a zapojení jsou zveřejněny bez ohledu na případné patenty třetích osob. Nároky na odškodnění na základě změn, chyb nebo vynechání jsou zásadně vyloučeny. Všechny registrované nebo jiné obchodní známky zde použité jsou majetkem jejich vlastníků. Uvedením nejsou zpochybněna z toho vyplývající vlastnická práva. Použití konstrukcí v rozporu se zákonem je přísně zakázáno. Vzhledem k tomu, že původ předkládaných materiálů nelze žádným způsobem dohledat, nelze je použít pro komerční účely! Tento nekomerční server nemá z uvedených zapojení či konstrukcí žádný zisk. Nezodpovídáme za pravost předkládaných materiálů třetími osobami a jejich původ. V případě, že zjistíte porušení autorského práva či jiné nesrovnalosti, kontaktujte administrátory na diskuzním fóru EB.


PHP-Nuke Copyright © 2005 by Francisco Burzi. This is free software, and you may redistribute it under the GPL. PHP-Nuke comes with absolutely no warranty, for details, see the license.
Čas potřebný ke zpracování stránky 0.23 sekund