Vítejte na Elektro Bastlírn?
Nuke - Elektro Bastlirna
  Vytvořit účet
Hlavní · Fórum · DDump · Profil · Zprávy · Hledat na fóru


Nuke - Elektro Bastlirna: Diskuzní fórum

 FAQFAQ   HledatHledat   Uživatelské skupinyUživatelské skupiny   ProfilProfil   Soukromé zprávySoukromé zprávy   PřihlášeníPřihlášení 

AIWA NSX-990
Jdi na stránku Předchozí  1, 2, 3, 4
 
Přidat nové téma   Zaslat odpověď       Obsah fóra Diskuzní fórum Elektro Bastlírny -> Audiotechnika
Zobrazit předchozí téma :: Zobrazit následující téma  
Autor Zpráva
Sejny



Založen: Sep 29, 2005
Příspěvky: 259

PříspěvekZaslal: st červen 18 2025, 21:36    Předmět: Citovat

Tak jsem se do toho obul víc, je mi líto takové krásné 90s mašiny Smile Ta destička vevnitř je modul s ESP32 od fy Heltec. Trochu oser je to, že ta původní logika má 12V úrovně, takže je potřeba to převést. Stačilo nalít pár shift registrů, PLL pro FM tuner a už to hraje. Takhle nabastlené to mám na zkoušku, chci na to udělat plošňák, takže teď hledám nějaký vhodný řadič pro VFD. Destička s ESP se osadí místo původního MCU.

https://youtu.be/fpShX5bO_XI



IMG_7292sm.jpg
 Komentář:
 Velikost:  228.23 kB
 Zobrazeno:  71 krát

IMG_7292sm.jpg


Návrat nahoru
Zobrazit informace o autorovi Odeslat soukromou zprávu
Sejny



Založen: Sep 29, 2005
Příspěvky: 259

PříspěvekZaslal: ne červen 22 2025, 20:00    Předmět: Citovat

Bádání pokračuje a zdá se, že jsem našel vhodnou náhradu VFD kontroléru integrovaného v původním MCU a je to PT6311. Má dost GRID pinů pro displej, bohužel source piny pro skenování klávesnice nemá na GRID pinech jako původní MCU ale na SEG pinech, takže bude nutné to předrátovat na desce věže. Jedná se o 12 spojů. Pokud by jste někdo věděli o VFD kontroléru, který to má stejně jako původní MCU, tak si rád nechám poradit Smile

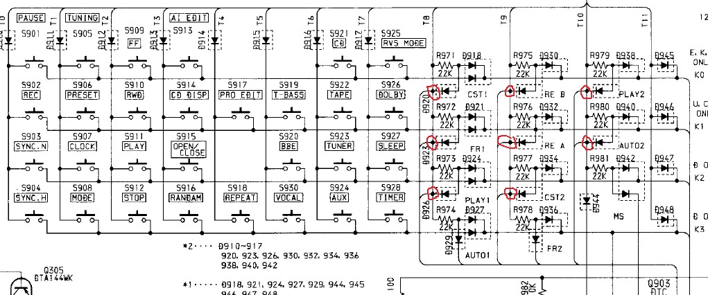
Přitom jsem objevil chyby ve schematu MAIN desky v servisní dokumentaci, viz. obrázek(jsou tečky tam kde nemají být), nejsou to chyby jediné, nějaké lze nalézt i na POWER/AUDIO desce.



AIWAfail.jpg
 Komentář:
 Velikost:  186.33 kB
 Zobrazeno:  54 krát

AIWAfail.jpg


Návrat nahoru
Zobrazit informace o autorovi Odeslat soukromou zprávu
Zobrazit příspěvky z předchozích:   
Přidat nové téma   Zaslat odpověď       Obsah fóra Diskuzní fórum Elektro Bastlírny -> Audiotechnika Časy uváděny v GMT + 1 hodina
Jdi na stránku Předchozí  1, 2, 3, 4
Strana 4 z 4

 
Přejdi na:  
Nemůžete odesílat nové téma do tohoto fóra.
Nemůžete odpovídat na témata v tomto fóru.
Nemůžete upravovat své příspěvky v tomto fóru.
Nemůžete mazat své příspěvky v tomto fóru.
Nemůžete hlasovat v tomto fóru.
Nemůžete připojovat soubory k příspěvkům
Můžete stahovat a prohlížet přiložené soubory

Powered by phpBB © 2001, 2005 phpBB Group
Forums ©
Nuke - Elektro Bastlirna

Informace na portálu Elektro bastlírny jsou prezentovány za účelem vzdělání čtenářů a rozšíření zájmu o elektroniku. Autoři článků na serveru neberou žádnou zodpovědnost za škody vzniklé těmito zapojeními. Rovněž neberou žádnou odpovědnost za případnou újmu na zdraví vzniklou úrazem elektrickým proudem. Autoři a správci těchto stránek nepřejímají záruku za správnost zveřejněných materiálů. Předkládané informace a zapojení jsou zveřejněny bez ohledu na případné patenty třetích osob. Nároky na odškodnění na základě změn, chyb nebo vynechání jsou zásadně vyloučeny. Všechny registrované nebo jiné obchodní známky zde použité jsou majetkem jejich vlastníků. Uvedením nejsou zpochybněna z toho vyplývající vlastnická práva. Použití konstrukcí v rozporu se zákonem je přísně zakázáno. Vzhledem k tomu, že původ předkládaných materiálů nelze žádným způsobem dohledat, nelze je použít pro komerční účely! Tento nekomerční server nemá z uvedených zapojení či konstrukcí žádný zisk. Nezodpovídáme za pravost předkládaných materiálů třetími osobami a jejich původ. V případě, že zjistíte porušení autorského práva či jiné nesrovnalosti, kontaktujte administrátory na diskuzním fóru EB.


PHP-Nuke Copyright © 2005 by Francisco Burzi. This is free software, and you may redistribute it under the GPL. PHP-Nuke comes with absolutely no warranty, for details, see the license.
Čas potřebný ke zpracování stránky 0.14 sekund