Vítejte na Elektro Bastlírn?
Nuke - Elektro Bastlirna
  Vytvořit účet Hlavní · Fórum · DDump · Profil · Zprávy · Hledat na fóru · Příspěvky na provoz EB

Vlákno na téma KORONAVIRUS - nutná registrace


Nuke - Elektro Bastlirna: Diskuzní fórum

 FAQFAQ   HledatHledat   Uživatelské skupinyUživatelské skupiny   ProfilProfil   Soukromé zprávySoukromé zprávy   PřihlášeníPřihlášení 

Ochrana proti přepětí na DC obvodech
Jdi na stránku Předchozí  1, 2, 3, 4  Další
 
Přidat nové téma   Zaslat odpověď       Obsah fóra Diskuzní fórum Elektro Bastlírny -> Poradna
Zobrazit předchozí téma :: Zobrazit následující téma  
Autor Zpráva
martinkopp



Založen: Oct 12, 2023
Příspěvky: 1121

PříspěvekZaslal: út červen 10 2025, 17:31    Předmět: Citovat

Na tomhle transilu může být až 18V a pochybuju že tohle počítač (předpokládám běžný PC) vydrží.
Takže ne, tahle součástka ti ho neochrání.
Návrat nahoru
Zobrazit informace o autorovi Odeslat soukromou zprávu
doga



Založen: Mar 26, 2018
Příspěvky: 250
Bydliště: okr. Bruntál

PříspěvekZaslal: út červen 10 2025, 19:31    Předmět: Citovat

A příklad nějakého transilu, který by těch 12V ochránil.
Dík
Návrat nahoru
Zobrazit informace o autorovi Odeslat soukromou zprávu
martinkopp



Založen: Oct 12, 2023
Příspěvky: 1121

PříspěvekZaslal: út červen 10 2025, 20:53    Předmět: Citovat

Když nevíš jaké napětí tvůj počítač snese, těžko ti něco doporučovat. Osobně bych tipoval že moc navíc nepřežije, tudíž ho žádným transilem neochrániš. Musíš použít jiný způsob ochrany.
Návrat nahoru
Zobrazit informace o autorovi Odeslat soukromou zprávu
rnbw



Založen: Mar 21, 2006
Příspěvky: 36906
Bydliště: Bratislava

PříspěvekZaslal: út červen 10 2025, 21:00    Předmět: Citovat

PC zdroje maju oficialne toleranciu ±5%.
Návrat nahoru
Zobrazit informace o autorovi Odeslat soukromou zprávu
doga



Založen: Mar 26, 2018
Příspěvky: 250
Bydliště: okr. Bruntál

PříspěvekZaslal: út červen 10 2025, 22:16    Předmět: Citovat

Takže tyristor nastaven na 12.5V.
Návrat nahoru
Zobrazit informace o autorovi Odeslat soukromou zprávu
rnbw



Založen: Mar 21, 2006
Příspěvky: 36906
Bydliště: Bratislava

PříspěvekZaslal: út červen 10 2025, 22:33    Předmět: Citovat

+5% je 12,6V. A este by som nechal rezervu.
Mam tu na stole HDD Samsung. Je tam SMBJ13A.
Návrat nahoru
Zobrazit informace o autorovi Odeslat soukromou zprávu
doga



Založen: Mar 26, 2018
Příspěvky: 250
Bydliště: okr. Bruntál

PříspěvekZaslal: ne listopad 09 2025, 16:41    Předmět: Citovat

Ahoj, šel tyristor řídit z více zenerových led najednou? Například z urovní 12, 5 a 3,3V?
Návrat nahoru
Zobrazit informace o autorovi Odeslat soukromou zprávu
lesana87



Založen: Sep 20, 2014
Příspěvky: 4039

PříspěvekZaslal: ne listopad 09 2025, 17:09    Předmět: Citovat

Jistě, třeba třema ZD od třech napětí najednou, v PC zdrojích se to tak dělalo.
Návrat nahoru
Zobrazit informace o autorovi Odeslat soukromou zprávu
RX-20
Doporučuje se dohled moderátorů


Založen: Jun 30, 2024
Příspěvky: 199
Bydliště: střední Čechy u Koněpruských jeskyní

PříspěvekZaslal: ne listopad 09 2025, 19:48    Předmět: Citovat

Cust napsal(a):
Já teda nevím, dávat tyristor na napájení do zkratu... To je podle mě největší prasárna co jde vymyslet. ...

To se dělávalo v 70-tých a 80-tých letech. V časopise Amaro jsou schemata napájecích zdrojů, které mají takto řešené pojistky. Vždycky jsem z toho byl "auf".
Návrat nahoru
Zobrazit informace o autorovi Odeslat soukromou zprávu
Celeron



Založen: Apr 02, 2011
Příspěvky: 20146
Bydliště: Nový Bydžov

PříspěvekZaslal: ne listopad 09 2025, 22:02    Předmět: Citovat

Nejen Amáro ale viděl jsem to i v profi výrobcích zdrojů Aritmy Vokovice a Tesly Liberec. V Aritmě jsem se na školení na triakovou ochranu přímo zeptal a bylo mě sděleno, ať si spočítám cenu polovodičů pověšených na 5V napájení TTL kontra cenu trubičkový pojistky, kterou při poruše zdroje šlus přes tyristor přepálí.
_________________
Jirka

Proč mi nemůže všechno chodit hned ?!!
Návrat nahoru
Zobrazit informace o autorovi Odeslat soukromou zprávu
lesana87



Založen: Sep 20, 2014
Příspěvky: 4039

PříspěvekZaslal: ne listopad 09 2025, 22:13    Předmět: Citovat

V PC zdrojích je ochrana před přetížením elektronická, takže šlus výstupu jen shodil zdroj a stačilo ho vypnout a zapnout. A doga nejspíš řeší nějaký zdroj v PC.
Návrat nahoru
Zobrazit informace o autorovi Odeslat soukromou zprávu
barnodaj



Založen: Apr 16, 2011
Příspěvky: 976
Bydliště: Vodňansko

PříspěvekZaslal: ne listopad 09 2025, 22:28    Předmět: Citovat

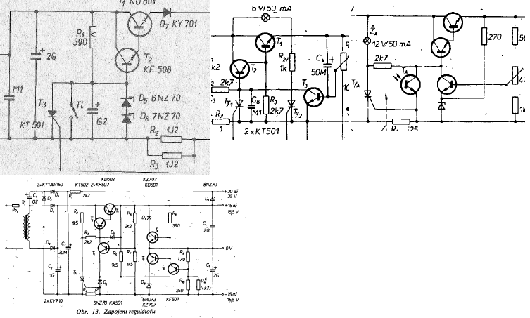
Tak v amaru zdroj, kde by tyristor přímo zkratoval a odpaloval pojistku asi nebyl, většinou byl tyristor zapojen takto:

Jinak na loko 363 tyristor spínal rychlou ochranu filtru, ale tam byl s nezapojeným hradlem a spínal od přepětí anoda katoda.



Bez názvu.png
 Komentář:
 Velikost:  130.16 kB
 Zobrazeno:  31 krát

Bez názvu.png


Návrat nahoru
Zobrazit informace o autorovi Odeslat soukromou zprávu
Celeron



Založen: Apr 02, 2011
Příspěvky: 20146
Bydliště: Nový Bydžov

PříspěvekZaslal: ne listopad 09 2025, 22:49    Předmět: Citovat

V tý Aritmě, (děrnoštítkovej pořizovač EC9015) byla KT701 přímo mezi GND a +5V.
_________________
Jirka

Proč mi nemůže všechno chodit hned ?!!
Návrat nahoru
Zobrazit informace o autorovi Odeslat soukromou zprávu
Dekker



Založen: Jan 11, 2017
Příspěvky: 423

PříspěvekZaslal: po listopad 10 2025, 7:06    Předmět: Citovat

můžu se zkusit podívat zda nenajdu schéma ve kterém jsme přepěťovou ochranu jednoho našeho zařízení řešili, jen už nevím jakou to mělo toleranci.
Bylo to určené pro zařízení napájené 32V s tím, že původně tam byl transil na 36V, ale nikdo nám neřekl, že se tam může klidně dostat i 600V (z trolejí).

Takže na dobrou desítku zařízení hezky zahořelo.
Tak jsme udělali něco s Mosfetem výkonovejma odporama kdy ten mosfet byl na těch 600V a při překročení nastavené hladiny to sepnul přes ty odpory a nepustil to do zařízení. Když napětí klesl pod nebezpečnou hladinu tak to zase pustil do zařízení.

Otázka je zda by to bylo dostatečně citlivé
Návrat nahoru
Zobrazit informace o autorovi Odeslat soukromou zprávu
barnodaj



Založen: Apr 16, 2011
Příspěvky: 976
Bydliště: Vodňansko

PříspěvekZaslal: po listopad 10 2025, 8:15    Předmět: Citovat

Taky jsem potkal v jednom měniči toto:


asas.png
 Komentář:
 Velikost:  43.26 kB
 Zobrazeno:  10 krát

asas.png


Návrat nahoru
Zobrazit informace o autorovi Odeslat soukromou zprávu
Zobrazit příspěvky z předchozích:   
Přidat nové téma   Zaslat odpověď       Obsah fóra Diskuzní fórum Elektro Bastlírny -> Poradna Časy uváděny v GMT + 1 hodina
Jdi na stránku Předchozí  1, 2, 3, 4  Další
Strana 3 z 4

 
Přejdi na:  
Nemůžete odesílat nové téma do tohoto fóra.
Nemůžete odpovídat na témata v tomto fóru.
Nemůžete upravovat své příspěvky v tomto fóru.
Nemůžete mazat své příspěvky v tomto fóru.
Nemůžete hlasovat v tomto fóru.
Nemůžete připojovat soubory k příspěvkům
Můžete stahovat a prohlížet přiložené soubory

Powered by phpBB © 2001, 2005 phpBB Group
Forums ©
Nuke - Elektro Bastlirna

Informace na portálu Elektro bastlírny jsou prezentovány za účelem vzdělání čtenářů a rozšíření zájmu o elektroniku. Autoři článků na serveru neberou žádnou zodpovědnost za škody vzniklé těmito zapojeními. Rovněž neberou žádnou odpovědnost za případnou újmu na zdraví vzniklou úrazem elektrickým proudem. Autoři a správci těchto stránek nepřejímají záruku za správnost zveřejněných materiálů. Předkládané informace a zapojení jsou zveřejněny bez ohledu na případné patenty třetích osob. Nároky na odškodnění na základě změn, chyb nebo vynechání jsou zásadně vyloučeny. Všechny registrované nebo jiné obchodní známky zde použité jsou majetkem jejich vlastníků. Uvedením nejsou zpochybněna z toho vyplývající vlastnická práva. Použití konstrukcí v rozporu se zákonem je přísně zakázáno. Vzhledem k tomu, že původ předkládaných materiálů nelze žádným způsobem dohledat, nelze je použít pro komerční účely! Tento nekomerční server nemá z uvedených zapojení či konstrukcí žádný zisk. Nezodpovídáme za pravost předkládaných materiálů třetími osobami a jejich původ. V případě, že zjistíte porušení autorského práva či jiné nesrovnalosti, kontaktujte administrátory na diskuzním fóru EB.


PHP-Nuke Copyright © 2005 by Francisco Burzi. This is free software, and you may redistribute it under the GPL. PHP-Nuke comes with absolutely no warranty, for details, see the license.
Čas potřebný ke zpracování stránky 0.24 sekund