Vítejte na Elektro Bastlírn?
Nuke - Elektro Bastlirna
  Vytvořit účet Hlavní · Fórum · DDump · Profil · Zprávy · Hledat na fóru · Příspěvky na provoz EB

Vlákno na téma KORONAVIRUS - nutná registrace


Nuke - Elektro Bastlirna: Diskuzní fórum

 FAQFAQ   HledatHledat   Uživatelské skupinyUživatelské skupiny   ProfilProfil   Soukromé zprávySoukromé zprávy   PřihlášeníPřihlášení 

Obrazovka 8LO29I
Jdi na stránku Předchozí  1, 2, 3, 4  Další
 
Přidat nové téma   Zaslat odpověď       Obsah fóra Diskuzní fórum Elektro Bastlírny -> Součástky
Zobrazit předchozí téma :: Zobrazit následující téma  
Autor Zpráva
masar



Založen: Dec 03, 2005
Příspěvky: 13728

PříspěvekZaslal: ne květen 18 2025, 12:20    Předmět: Citovat

V mém schematu je vnitřní odpor Ri reprezentován odporem primárního vinutí, sekundárních vinutí a také ostatních ztrát v transformátoru, jejich přepočítáním na sekundární stranu.
O žádném měření ohmmetrem jsem se nezmínil.
Wink
Návrat nahoru
Zobrazit informace o autorovi Odeslat soukromou zprávu Odeslat e-mail
danhard



Založen: Mar 05, 2007
Příspěvky: 6381
Bydliště: Jesenice u Prahy

PříspěvekZaslal: ne květen 18 2025, 14:49    Předmět: Citovat

O Tebe strach nemám Very Happy
Návrat nahoru
Zobrazit informace o autorovi Odeslat soukromou zprávu Odeslat e-mail
Celeron



Založen: Apr 02, 2011
Příspěvky: 19954
Bydliště: Nový Bydžov

PříspěvekZaslal: ne květen 18 2025, 15:55    Předmět: Citovat

Vážení, teorie je jen teorie. Pokud se něco stane prakticky, tak se radši přidržím praxe, kór když mě to stálo přes 20 doláčů. Wink
A do mě! Třeba se dozvím, že jsem zapojil trafo opačně. Rolling Eyes

_________________
Jirka

Proč mi nemůže všechno chodit hned ?!!
Návrat nahoru
Zobrazit informace o autorovi Odeslat soukromou zprávu
masar



Založen: Dec 03, 2005
Příspěvky: 13728

PříspěvekZaslal: ne květen 18 2025, 17:26    Předmět: Citovat

Celeron napsal(a):
Vážení, teorie je jen teorie. Pokud se něco stane prakticky, tak se radši přidržím praxe, kór když mě to stálo přes 20 doláčů...
Nic si z toho nedělej. Takových, kteří kvůli "pratickým zkušenostem" zpochybnili Ohmův zákon, jsem potkal víc. A nestálo je to ani pár doláčů...
Nikdo přece nezpochybňuje, že se to žhavení při zapnutí přepálilo. K tomuto jevu dochází nejen u elektronek, jak tu už uvedl EKKAR. A nemůže za to žádné "napětí naprázdno", ale nerovnoměrný průběh ohřevu žhavicího vlákna během nažhavování. Přívody k vláknu, jeho izolace a umístění v katodě by měly s tímto jevem počítat. A také tu máme
tolerance parametrů trafa
tolerance parametrů elektronky
tolerance napětí v síti
vady v materiálech zůčastněných v obvodu žhavení a vakua
jiné příčiny, na které jsem zapomněl...
Ale napětí trafa naprázdno nee.
Wink
Návrat nahoru
Zobrazit informace o autorovi Odeslat soukromou zprávu Odeslat e-mail
EKKAR



Založen: Mar 16, 2005
Příspěvky: 34639
Bydliště: Česká Třebová, JN89FW21

PříspěvekZaslal: ne květen 18 2025, 18:27    Předmět: Citovat

Bohužel to napětí na prázdno se na tom může podílet taky. Poměr napětí na prázdno/při zátěži/do zkratu definuje onen empirickej pojem historicky hodně profláknutej - a to "tvrdost trafa". Je to hlavně o tom, že trafo s hodně vysokým napětím na prázdno (v poměru k nominálnímu) = trafo "měkký" se chová proudově jinak, než trafo "tvrdý". To "měkký" má nominální napětí při nominálním proudovým odběru - a při zapínací proudový špičce, když je žhavicí vlákno studený, má vlivem vysokýho vnitřního odporu takový trafo natolik vysokej pokles napětí, že to vlastně "vykompenzuje" ten nižší odpor studenýho žhavení a ten Ri trafa se zachová jako virtuální předřadník, zmenšující prodovej náraz do studenýho vlákna. Ve výsledku tak může bejt "tvrdý" trafo, který má sekundární napětí velký přesně pro žhavení daný lampy, nebezpečnější než "měkký" trafo s napětím na prázdno mnohem vyšším - protože to "tvrdý trafo" nemá tak velkej pokles a bude do žhavicího vlákna cpát proud přesně podle zákona pana profesora Ohma a tepelnýho koeficientu změny elektrickýho odporu materiálu vlákna..
_________________
Nasliněný prst na svorkovnici domovního rozvaděče: Jó, paninko, máte tam ty Voltíky všecky...
A kutilmile - nelituju tě Mr. Green Mr. Green !!!
Návrat nahoru
Zobrazit informace o autorovi Odeslat soukromou zprávu Odeslat e-mail
masar



Založen: Dec 03, 2005
Příspěvky: 13728

PříspěvekZaslal: ne květen 18 2025, 18:57    Předmět: Citovat

EKKARe, při prvním čtení tvého příspěvku jsem se v něm "ztratil" v důsledku použité slovní a větné ekvilibristiky a napsal jsem příspěvek, který jsem po druhém přečtení a dekódování přehodnotil a smazal.
Nešlo to napsat nějak jednodušeji?Smile
Když slovo "Bohužel" nahradíš slovem "Bohudík", bude to lepší.
Návrat nahoru
Zobrazit informace o autorovi Odeslat soukromou zprávu Odeslat e-mail
EKKAR



Založen: Mar 16, 2005
Příspěvky: 34639
Bydliště: Česká Třebová, JN89FW21

PříspěvekZaslal: ne květen 18 2025, 19:06    Předmět: Citovat

Představ si teoretickej obvod složenej ze zdroje napětí (ideálního = bez poklesu při zatížení), vnitřního odporu trafa (složenýho ze všech podílů odporovýho i indukčního charakteru) a žhavicího vlákna, který sice má jen odporovou složku, ale krutě proměnlivou v závislosti na teplotě.
A srovnej si průběh zapnutí u takovýho obvodu, kde je napětí zdroje sice relativně vyšší, než požadovaný napětí pro žhavení vlákna, ale Ri trafa je vysokej = trafo je "měkký", s průběhem v obvodu, kde napětí zdroje sice vyhovuje i naprázdno nominálnímu napětí pro žhavení nebo je jen o maličko vyšší, ale vnitřní odpor trafa je malej = trafo je "tvrdý". Nebo si tam můžeš představit i nabitou olověnou baterku s jejím mizivým vnitřním odporem. Klidně si to naházej do simulátoru a soustřeď se na rozmezí odporu studenýho vlákna a nažhavenýho vlákna. A srovnej si následnej průběh proudu pro oba případy trafa.

_________________
Nasliněný prst na svorkovnici domovního rozvaděče: Jó, paninko, máte tam ty Voltíky všecky...
A kutilmile - nelituju tě Mr. Green Mr. Green !!!
Návrat nahoru
Zobrazit informace o autorovi Odeslat soukromou zprávu Odeslat e-mail
masar



Založen: Dec 03, 2005
Příspěvky: 13728

PříspěvekZaslal: ne květen 18 2025, 20:57    Předmět: Citovat

To už je trošku lepší.
Wink
Návrat nahoru
Zobrazit informace o autorovi Odeslat soukromou zprávu Odeslat e-mail
danhard



Založen: Mar 05, 2007
Příspěvky: 6381
Bydliště: Jesenice u Prahy

PříspěvekZaslal: ne květen 18 2025, 21:16    Předmět: Citovat

EKKAR je Plha Very Happy

Měřím elektronky, žhavím to z 3A regulovanýho zdroje a musel jsem u P-čkovejch nastavit omezení proudu asi na polovic, aby to nedostávalo při zapnutí takovej štos. Bylo to vidět na přívodech, ty se přímo rozsvítili, ale jen u některých typů a výrobců.

Měřil jsem sadu PL81, žhavení 21V 0,3A, pohoda, ale jedna se rozžhavila pěkně do ruda a byla to EL81 a při omezení 1,3A bylo na žhavení 10V Laughing
A taky to přežila.

Jen pro informaci, v triodovém zapojení se EL81 chová stejně, jako ikonická 300B, jen jí můžete kalit jen do 10W anodové ztráty Very Happy
Návrat nahoru
Zobrazit informace o autorovi Odeslat soukromou zprávu Odeslat e-mail
masar



Založen: Dec 03, 2005
Příspěvky: 13728

PříspěvekZaslal: ne květen 18 2025, 21:40    Předmět: Citovat

Jo, kvůli PL81 a PY83 a jejich robustním katodám dostávaly ostatní trpaslíci (ECC, PCF, EF) při zapínání televizoru docela na prdel, bez termistoru by to dlouho nevydržely.
Wink
Návrat nahoru
Zobrazit informace o autorovi Odeslat soukromou zprávu Odeslat e-mail
danhard



Založen: Mar 05, 2007
Příspěvky: 6381
Bydliště: Jesenice u Prahy

PříspěvekZaslal: st květen 21 2025, 18:14    Předmět: Citovat

Ony hlavně ty malý flašky měli kratší časový konstanty ohřevu, takže dokud se nenažhaví ty velké, tak dostávají malý na prdel a to ještě víc, než kdyby byly jednotlivě napájeny z tvrdého žhavení.
Návrat nahoru
Zobrazit informace o autorovi Odeslat soukromou zprávu Odeslat e-mail
onlyvikastar



Založen: Jul 02, 2011
Příspěvky: 87

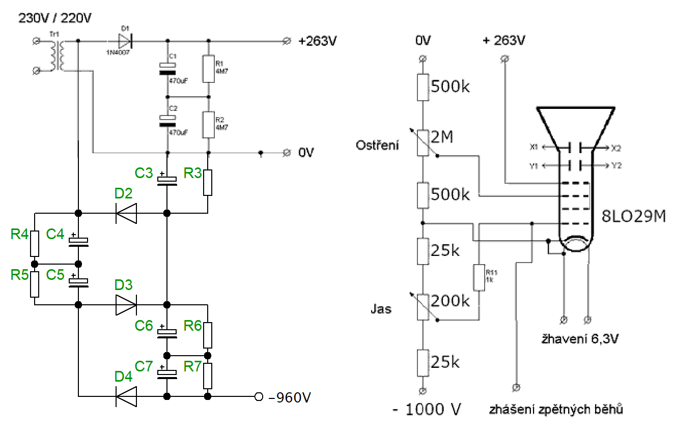
PříspěvekZaslal: st červen 04 2025, 18:00    Předmět: Citovat

onlyvikastar napsal(a):
Takže když obrazovku zapojím tak jak je na upraveném schéma zde tak předpokládáte že by bylo možné ji rozsvítit?

I přes to že dostanu bídu, nedá mi to.
Pokud bych chtěl experimentovat více jak se funkčně projeví dioda, kterou jsem barevně označil na tomto schématu?
Abych nechodil kolem horké kaše, i přes to že momentálně mám v násobiči 6x60 uF napětí na výstupu je přibližně 650 V což je pro 8LO29 málo a tak hledám řešení jak se dostat k uspokojivému napětí.
Předem vám děkuji za vaše reakce.
Návrat nahoru
Zobrazit informace o autorovi Odeslat soukromou zprávu
danhard



Založen: Mar 05, 2007
Příspěvky: 6381
Bydliště: Jesenice u Prahy

PříspěvekZaslal: st červen 04 2025, 19:12    Předmět: Citovat

Už jsem tu psal, že takto násobič moc nenásobí, bude tam tak -600V
A kondy stačí 10uF/400V, řazené tak, kolik na nich je.

Asi je velký problém najít v Google násobič napětí a asi ještě větší problém to pochopit.
Přidaná dioda je tam na hovno.


Naposledy upravil danhard dne st červen 04 2025, 19:21, celkově upraveno 1 krát.
Návrat nahoru
Zobrazit informace o autorovi Odeslat soukromou zprávu Odeslat e-mail
feliz_navidad



Založen: Oct 15, 2009
Příspěvky: 805

PříspěvekZaslal: st červen 04 2025, 19:21    Předmět: Citovat

onlyvikastar napsal(a):
jak se funkčně projeví dioda, kterou jsem barevně označil na tomto schématu?

Z hlediska velikosti výstupního napětí nijak.

650V na výstupu je správně, je to zdvojovač, na výstupu je 2xUmax, tj. 2x230x1,414V=650V.

Pokud chceš vyšší napětí, musíš použít násobič 3x nebo 4x.
Návrat nahoru
Zobrazit informace o autorovi Odeslat soukromou zprávu
masar



Založen: Dec 03, 2005
Příspěvky: 13728

PříspěvekZaslal: st červen 04 2025, 20:26    Předmět: Citovat

Ztrojovač třeba takový:
Wink



násobič.png
 Komentář:
 Velikost:  20.41 kB
 Zobrazeno:  14 krát

násobič.png


Návrat nahoru
Zobrazit informace o autorovi Odeslat soukromou zprávu Odeslat e-mail
Zobrazit příspěvky z předchozích:   
Přidat nové téma   Zaslat odpověď       Obsah fóra Diskuzní fórum Elektro Bastlírny -> Součástky Časy uváděny v GMT + 1 hodina
Jdi na stránku Předchozí  1, 2, 3, 4  Další
Strana 3 z 4

 
Přejdi na:  
Nemůžete odesílat nové téma do tohoto fóra.
Nemůžete odpovídat na témata v tomto fóru.
Nemůžete upravovat své příspěvky v tomto fóru.
Nemůžete mazat své příspěvky v tomto fóru.
Nemůžete hlasovat v tomto fóru.
Nemůžete připojovat soubory k příspěvkům
Můžete stahovat a prohlížet přiložené soubory

Powered by phpBB © 2001, 2005 phpBB Group
Forums ©
Nuke - Elektro Bastlirna

Informace na portálu Elektro bastlírny jsou prezentovány za účelem vzdělání čtenářů a rozšíření zájmu o elektroniku. Autoři článků na serveru neberou žádnou zodpovědnost za škody vzniklé těmito zapojeními. Rovněž neberou žádnou odpovědnost za případnou újmu na zdraví vzniklou úrazem elektrickým proudem. Autoři a správci těchto stránek nepřejímají záruku za správnost zveřejněných materiálů. Předkládané informace a zapojení jsou zveřejněny bez ohledu na případné patenty třetích osob. Nároky na odškodnění na základě změn, chyb nebo vynechání jsou zásadně vyloučeny. Všechny registrované nebo jiné obchodní známky zde použité jsou majetkem jejich vlastníků. Uvedením nejsou zpochybněna z toho vyplývající vlastnická práva. Použití konstrukcí v rozporu se zákonem je přísně zakázáno. Vzhledem k tomu, že původ předkládaných materiálů nelze žádným způsobem dohledat, nelze je použít pro komerční účely! Tento nekomerční server nemá z uvedených zapojení či konstrukcí žádný zisk. Nezodpovídáme za pravost předkládaných materiálů třetími osobami a jejich původ. V případě, že zjistíte porušení autorského práva či jiné nesrovnalosti, kontaktujte administrátory na diskuzním fóru EB.


PHP-Nuke Copyright © 2005 by Francisco Burzi. This is free software, and you may redistribute it under the GPL. PHP-Nuke comes with absolutely no warranty, for details, see the license.
Čas potřebný ke zpracování stránky 0.15 sekund