Vítejte na Elektro Bastlírn?
Nuke - Elektro Bastlirna
  Vytvořit účet Hlavní · Fórum · DDump · Profil · Zprávy · Hledat na fóru · Příspěvky na provoz EB

Vlákno na téma KORONAVIRUS - nutná registrace


Nuke - Elektro Bastlirna: Diskuzní fórum

 FAQFAQ   HledatHledat   Uživatelské skupinyUživatelské skupiny   ProfilProfil   Soukromé zprávySoukromé zprávy   PřihlášeníPřihlášení 

Tuner Onkyo T-4211 nejde ve stereu
Jdi na stránku 1, 2, 3  Další
 
Přidat nové téma   Zaslat odpověď       Obsah fóra Diskuzní fórum Elektro Bastlírny -> Audiotechnika
Zobrazit předchozí téma :: Zobrazit následující téma  
Autor Zpráva
ferro0



Založen: May 31, 2011
Příspěvky: 691
Bydliště: Jablonecko

PříspěvekZaslal: čt květen 29 2025, 11:39    Předmět: Tuner Onkyo T-4211 nejde ve stereu Citovat

Tuner Onkyo T-4211 nejde ve steru

Zdravím,
řeším závadu na tuneru Onkyo T-4211 kdy nefunguje ve stereu a nezobrazuje RDS info. Zvuk v mono režimu je v pořádku. Sílu signálu zobrazuje plnou na všech frekvencích i bez antény.
Napajecí větve 5.6V OK 12V naměřím 11.86V zvlnění nízké.
Kondenzátory a polovodiče jsou ok.
Jsou tam také elyty s nízkou kapacitou 0.1uF/50V a 0.22uF/50V měřením ok.
Na co se zaměřit?
Mám čítač, tinySA přenosný spektrální analyzátor a generátor, osciloskop, stereo fm transmitter.

Díky.



Tuner Onkyo T-4211_02.gif
 Komentář:
 Velikost:  131.96 kB
 Zobrazeno:  72 krát

Tuner Onkyo T-4211_02.gif



Tuner Onkyo T-4211_01.gif
 Komentář:
 Velikost:  180.63 kB
 Zobrazeno:  51 krát

Tuner Onkyo T-4211_01.gif



Tuner Onkyo T-4211.jpg
 Komentář:
 Velikost:  276.45 kB
 Zobrazeno:  64 krát

Tuner Onkyo T-4211.jpg


Návrat nahoru
Zobrazit informace o autorovi Odeslat soukromou zprávu
jardafiala



Založen: Jun 20, 2010
Příspěvky: 2442
Bydliště: Česká Lípa

PříspěvekZaslal: čt květen 29 2025, 12:11    Předmět: Citovat

"Zvolená příloha už neexistuje" mi to hlásí. Ne že bych to potřeboval, jen ze zvědavosti jsem chtěl kouknout. To jsou ty vaše "chytré" telefony a pak neumíte dát do zprávy obrázek nebo někomu poslat do mailu fotku...
Ale k věci - mělo by stačit naladil stanici přesně na její frekvenci a potom poladit cívky IF FM. Jedna se ladí na O voltů na TP101 při naladěné stanici, podle SM L102, jedna se ladí na nejmenší zkreslení. Našel jsem SM na onkyo_t-4210 ale nejspíš to bude stejné, zkontroluj označení příslušného brouka. V případě nejasnosti prostuduj dostupný SM a datashit LA1266.



onkyo1.jpg
 Komentář:
 Velikost:  168.2 kB
 Zobrazeno:  56 krát

onkyo1.jpg



onkyo.jpg
 Komentář:
 Velikost:  29.9 kB
 Zobrazeno:  47 krát

onkyo.jpg




Naposledy upravil jardafiala dne čt květen 29 2025, 12:14, celkově upraveno 1 krát.
Návrat nahoru
Zobrazit informace o autorovi Odeslat soukromou zprávu Odeslat e-mail
Hill
Administrátor


Založen: Sep 10, 2004
Příspěvky: 20922
Bydliště: Jičín, Český ráj

PříspěvekZaslal: čt květen 29 2025, 12:13    Předmět: Citovat

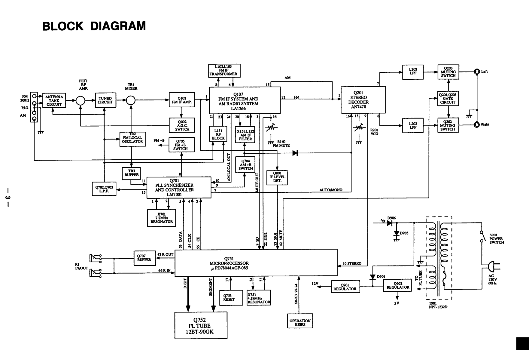
Jak myslíš, "nejde stereo"? Nejde žádný zvuk, nebo jen neindikuje MPX signál?
Vždyť tam je obyčejný PLL dekodér, takže zkontroluj, jestli bez signálu jeho oscilátor kmitá skutečně na 76,000 kHz (nebo radši, jestli na výstupech uvidíš 19,000 kHz), případně dolaď R201[VCO].
Na pinu 16 má nucené mono: když přepneš na MONO, změní se na tomto pinu napětí?
Z blokového schématu není jasné, jak synchronizuje RDS dekodér, ale je pravděpodobná vazba na pilotní kmitočet 19 kHz.
Návrat nahoru
Zobrazit informace o autorovi Odeslat soukromou zprávu
jardafiala



Založen: Jun 20, 2010
Příspěvky: 2442
Bydliště: Česká Lípa

PříspěvekZaslal: čt květen 29 2025, 14:13    Předmět: Citovat

Teď jsem měl v rukách philips FT444 a ten byl hodně citlivý na nastavení jak jsem ho popsal... Ale samozřejmě pokud to nepomůže tak Hill to popisuje přesně co dál.
Návrat nahoru
Zobrazit informace o autorovi Odeslat soukromou zprávu Odeslat e-mail
ferro0



Založen: May 31, 2011
Příspěvky: 691
Bydliště: Jablonecko

PříspěvekZaslal: čt květen 29 2025, 15:36    Předmět: Citovat

citace:
Ale k věci - mělo by stačit naladil stanici přesně na její frekvenci a potom poladit cívky IF FM. Jedna se ladí na O voltů na TP101 při naladěné stanici, podle SM L102


To jsem už zkoušel. Nulové napětí nejde nastavit. Rozsah napětí při ladění cívky je cca 2-7V.

Při naladění silného vysílače se nezobrazí na displeji "tuned" a ani "stereo" zvuk na výstupu je stále mono.
Přepnutí na "stereo" by mělo podle manuálu být automatické s možností při slabém signálu přepnout tlačítkem na "mono"

Oscilátor dekodéru jde nastavit v rozsahu 52-68kHz

Při nastavení 19kHz VCO kmitá na 63kHz

Na pinu 16. je 7V
Návrat nahoru
Zobrazit informace o autorovi Odeslat soukromou zprávu
Mikras



Založen: Sep 04, 2019
Příspěvky: 648
Bydliště: Praha

PříspěvekZaslal: čt květen 29 2025, 16:15    Předmět: Citovat

ferro0 napsal(a):
To jsem už zkoušel. Nulové napětí nejde nastavit. Rozsah napětí při ladění cívky je cca 2-7V.


Zkus přitom nastavování "0V" naladit na přijímači o 50 nebo 100kHz víc, případně míň, jestli bude snaha to jít níž. V těch MF cívečkách bývají trubičkové kondenzátory, které časem ztrácí nebo mění kapacitu. Napřed se to projeví tím, že se tuner "musí" ladit o těch 50 nebo 100kHz výš, aby nasadilo STEREO, a pak už tomu nepomůže ani svěcená voda, protože se to dostane mimo mf filtr.

Pak u té cívky (L102), kterou lze to napětí diskriminátoru nastavovat v mnoha případech pomohlo odstranit původní kondenzátor (bývá umístěn mezi vývody kostřičky, takže se musí cívka vypájet) a nahradit ho polštářkem nebo SMD kondenzátorem cca 100pF (82 - 120pF) který lze připajet ze strany spojů mezi vývody cívky, kde byl původně. L103 pak slouží k nastavení nejmenšího zkreslení. Je možné, že se cívečky trochu ovivňují, tak je potřeba to zkontrolovat víckrát, než si to sedne. Pokud jsi na L103 nesahal, tak jí nastavovat nemusíš.

Řešilo se to tu už několikrát, tak se zkus inspirovat.

VCO dekodéru nemůže kmitat na 63kHz při 19kHz. Můžeš ještě tak naměřit třetí harmonickou, tedy 57kHz...

A ještě jedna poznámka k tomu měření NULY. Musíš měřit na tom rezistoru (R136), tedy na vývodech 9 a 22 toho LA1266, nikoliv proti zemi.


Naposledy upravil Mikras dne čt květen 29 2025, 16:29, celkově upraveno 1 krát.
Návrat nahoru
Zobrazit informace o autorovi Odeslat soukromou zprávu Odeslat e-mail Zobrazit autorovy WWW stránky
Hill
Administrátor


Založen: Sep 10, 2004
Příspěvky: 20922
Bydliště: Jičín, Český ráj

PříspěvekZaslal: čt květen 29 2025, 16:28    Předmět: Citovat

To je nesmysl, nebo blbě měříš: oscilátor dekodéru musí kmitat na 76 kHz, protože tento kmitočet se dělí dvakrát dvěma na 19 kHz.

Měřicí pár TP101 je mezi piny 22 (Uref) a 9 (výstup nf), jde o konce odporu určujícího šířku pásma zachycení stanice (při 15k uvádí výrobce asi 110 kHz, při snížení hodnoty se pásmo zachycení rozšiřuje).
Mezi piny TP101 se nastavuje 0 V (proti kostře by to fyzikálně ani nešlo, ten výstup 9 musí mít nenulové stejnosměrné napětí proti kostře - při naladěné stanici ideálně stejné, jako na pinu 22).

Mikras byl rychlejší...
Návrat nahoru
Zobrazit informace o autorovi Odeslat soukromou zprávu
jardafiala



Založen: Jun 20, 2010
Příspěvky: 2442
Bydliště: Česká Lípa

PříspěvekZaslal: čt květen 29 2025, 19:56    Předmět: Citovat

Jsme doma, řiď se tím co napsal mikras, problém je tu.
Návrat nahoru
Zobrazit informace o autorovi Odeslat soukromou zprávu Odeslat e-mail
ferro0



Založen: May 31, 2011
Příspěvky: 691
Bydliště: Jablonecko

PříspěvekZaslal: so květen 31 2025, 11:38    Předmět: Citovat

Měl jsem odpájenou rozdělanou cívku a kond. v cívce měl kapacitu 83pF
Přidal jsem paralelně smd 20pF ze strany dps a tuner po nastavení cívky na cca 10mV funguje ve stereu a zobrazuje RDS.



Tuner Onkyo T-4211_002.jpg
 Komentář:
 Velikost:  34.31 kB
 Zobrazeno:  57 krát

Tuner Onkyo T-4211_002.jpg


Návrat nahoru
Zobrazit informace o autorovi Odeslat soukromou zprávu
Mikras



Založen: Sep 04, 2019
Příspěvky: 648
Bydliště: Praha

PříspěvekZaslal: so květen 31 2025, 13:42    Předmět: Citovat

To je hezké, ale počítej s tím, že ten kondenzátor v kostřičce bude ve své degradaci pokračovat, takže tě vcelku brzo čeká podobná práce.

Jinak gratulace k zprovoznění a hezký poslech. Smile
Návrat nahoru
Zobrazit informace o autorovi Odeslat soukromou zprávu Odeslat e-mail Zobrazit autorovy WWW stránky
ferro0



Založen: May 31, 2011
Příspěvky: 691
Bydliště: Jablonecko

PříspěvekZaslal: so květen 31 2025, 15:10    Předmět: Citovat

A co ty elyty s kapacitou 0.1, 0.22, 0.47uF/50V
Měřením jsou ok, ale proč tam nejsou foliové?
Návrat nahoru
Zobrazit informace o autorovi Odeslat soukromou zprávu
rnbw



Založen: Mar 21, 2006
Příspěvky: 36897
Bydliště: Bratislava

PříspěvekZaslal: so květen 31 2025, 15:39    Předmět: Citovat

Ked su OK, tak nic. Bezne sa pouzivali, pretoze cena.
Návrat nahoru
Zobrazit informace o autorovi Odeslat soukromou zprávu
Burajko



Založen: Aug 21, 2009
Příspěvky: 1817

PříspěvekZaslal: so květen 31 2025, 16:56    Předmět: Citovat

A nemas nad tym dorobenym kondenzatorom studeny spoj?
_________________
Už druhý krát strihám a furt je to krátke
Návrat nahoru
Zobrazit informace o autorovi Odeslat soukromou zprávu
Mikras



Založen: Sep 04, 2019
Příspěvky: 648
Bydliště: Praha

PříspěvekZaslal: so květen 31 2025, 17:39    Předmět: Citovat

Ad studeňák.

Taky jsem koukal...

Jinak pěkné pájení na tom kuprexkartu, musím pochválit. Smile



radio.jpg
 Komentář:
 Velikost:  56.04 kB
 Zobrazeno:  86 krát

radio.jpg


Návrat nahoru
Zobrazit informace o autorovi Odeslat soukromou zprávu Odeslat e-mail Zobrazit autorovy WWW stránky
VASEK_W



Založen: Dec 11, 2017
Příspěvky: 959
Bydliště: Pelhřimov

PříspěvekZaslal: so květen 31 2025, 22:19    Předmět: Citovat

Ten studeňák je vlevo od modrého kroužku Wink

Vašek
Návrat nahoru
Zobrazit informace o autorovi Odeslat soukromou zprávu
Zobrazit příspěvky z předchozích:   
Přidat nové téma   Zaslat odpověď       Obsah fóra Diskuzní fórum Elektro Bastlírny -> Audiotechnika Časy uváděny v GMT + 1 hodina
Jdi na stránku 1, 2, 3  Další
Strana 1 z 3

 
Přejdi na:  
Nemůžete odesílat nové téma do tohoto fóra.
Nemůžete odpovídat na témata v tomto fóru.
Nemůžete upravovat své příspěvky v tomto fóru.
Nemůžete mazat své příspěvky v tomto fóru.
Nemůžete hlasovat v tomto fóru.
Nemůžete připojovat soubory k příspěvkům
Můžete stahovat a prohlížet přiložené soubory

Powered by phpBB © 2001, 2005 phpBB Group
Forums ©
Nuke - Elektro Bastlirna

Informace na portálu Elektro bastlírny jsou prezentovány za účelem vzdělání čtenářů a rozšíření zájmu o elektroniku. Autoři článků na serveru neberou žádnou zodpovědnost za škody vzniklé těmito zapojeními. Rovněž neberou žádnou odpovědnost za případnou újmu na zdraví vzniklou úrazem elektrickým proudem. Autoři a správci těchto stránek nepřejímají záruku za správnost zveřejněných materiálů. Předkládané informace a zapojení jsou zveřejněny bez ohledu na případné patenty třetích osob. Nároky na odškodnění na základě změn, chyb nebo vynechání jsou zásadně vyloučeny. Všechny registrované nebo jiné obchodní známky zde použité jsou majetkem jejich vlastníků. Uvedením nejsou zpochybněna z toho vyplývající vlastnická práva. Použití konstrukcí v rozporu se zákonem je přísně zakázáno. Vzhledem k tomu, že původ předkládaných materiálů nelze žádným způsobem dohledat, nelze je použít pro komerční účely! Tento nekomerční server nemá z uvedených zapojení či konstrukcí žádný zisk. Nezodpovídáme za pravost předkládaných materiálů třetími osobami a jejich původ. V případě, že zjistíte porušení autorského práva či jiné nesrovnalosti, kontaktujte administrátory na diskuzním fóru EB.


PHP-Nuke Copyright © 2005 by Francisco Burzi. This is free software, and you may redistribute it under the GPL. PHP-Nuke comes with absolutely no warranty, for details, see the license.
Čas potřebný ke zpracování stránky 0.43 sekund