Vítejte na Elektro Bastlírn?
Nuke - Elektro Bastlirna
  Vytvořit účet Hlavní · Fórum · DDump · Profil · Zprávy · Hledat na fóru · Příspěvky na provoz EB

Vlákno na téma KORONAVIRUS - nutná registrace


Nuke - Elektro Bastlirna: Diskuzní fórum

 FAQFAQ   HledatHledat   Uživatelské skupinyUživatelské skupiny   ProfilProfil   Soukromé zprávySoukromé zprávy   PřihlášeníPřihlášení 

TLC555 výstupní průběh
Jdi na stránku Předchozí  1, 2, 3
 
Přidat nové téma   Zaslat odpověď       Obsah fóra Diskuzní fórum Elektro Bastlírny -> Poradna
Zobrazit předchozí téma :: Zobrazit následující téma  
Autor Zpráva
lesana87



Založen: Sep 20, 2014
Příspěvky: 3978

PříspěvekZaslal: po květen 19 2025, 19:59    Předmět: Citovat

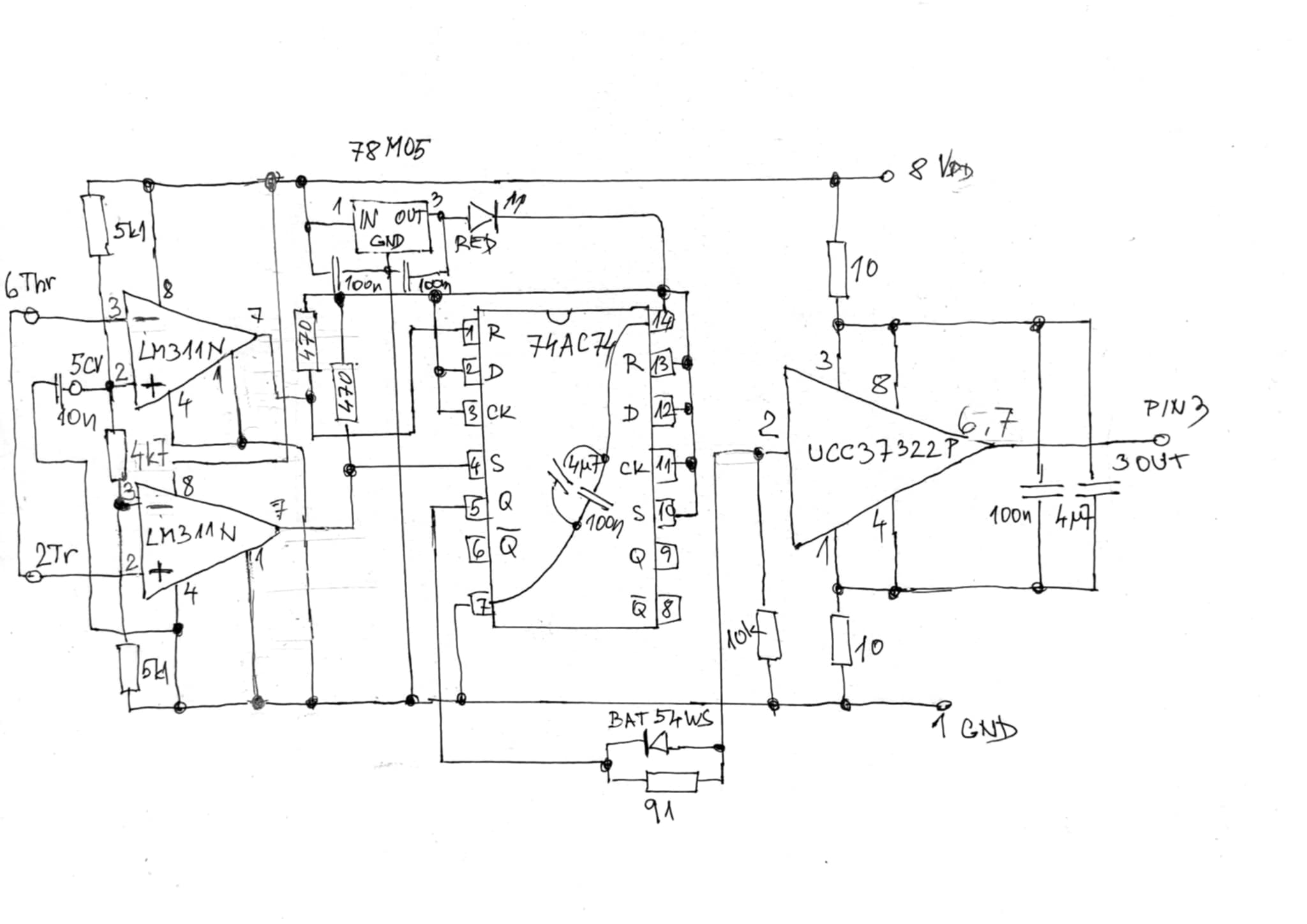
Jo, až na ty čísla pinů LM311 to vypadá dobře. Proč je tam ta LED v napájení 74AC74? Při 5V napájení je rychlejší.
Návrat nahoru
Zobrazit informace o autorovi Odeslat soukromou zprávu
samponek



Založen: May 11, 2015
Příspěvky: 3907

PříspěvekZaslal: út květen 20 2025, 11:23    Předmět: Citovat

Děkuji, na čísla pinů jsem zapomněl a přehlídl je, opraveno.
Ledka v sérii snižuje na 3.2V, protože 74AC74 nemá žádnou zátěž, jede jenom přes odpor 91R do kapacity 10p a Ipeak v době nárustu a pádu je 1.6mA.
Při 5V se výrazně zkracuje doba náběhu a pádu u 74AC74 a tento proud násobně roste. To ale není všechno, vlivem rychlého přepínání dochází ke křížovému vedení uvnitř 74AC74 a ke zvonění, kterého je těžší se zbavit, protože kostra napájení je spojená s kostrou komparátorů.
Pro naspídování na 4ns tam mám gatedriver.



gen19.jpg
 Komentář:
 Velikost:  115.66 kB
 Zobrazeno:  22 krát

gen19.jpg


Návrat nahoru
Zobrazit informace o autorovi Odeslat soukromou zprávu
Zobrazit příspěvky z předchozích:   
Přidat nové téma   Zaslat odpověď       Obsah fóra Diskuzní fórum Elektro Bastlírny -> Poradna Časy uváděny v GMT + 1 hodina
Jdi na stránku Předchozí  1, 2, 3
Strana 3 z 3

 
Přejdi na:  
Nemůžete odesílat nové téma do tohoto fóra.
Nemůžete odpovídat na témata v tomto fóru.
Nemůžete upravovat své příspěvky v tomto fóru.
Nemůžete mazat své příspěvky v tomto fóru.
Nemůžete hlasovat v tomto fóru.
Nemůžete připojovat soubory k příspěvkům
Můžete stahovat a prohlížet přiložené soubory

Powered by phpBB © 2001, 2005 phpBB Group
Forums ©
Nuke - Elektro Bastlirna

Informace na portálu Elektro bastlírny jsou prezentovány za účelem vzdělání čtenářů a rozšíření zájmu o elektroniku. Autoři článků na serveru neberou žádnou zodpovědnost za škody vzniklé těmito zapojeními. Rovněž neberou žádnou odpovědnost za případnou újmu na zdraví vzniklou úrazem elektrickým proudem. Autoři a správci těchto stránek nepřejímají záruku za správnost zveřejněných materiálů. Předkládané informace a zapojení jsou zveřejněny bez ohledu na případné patenty třetích osob. Nároky na odškodnění na základě změn, chyb nebo vynechání jsou zásadně vyloučeny. Všechny registrované nebo jiné obchodní známky zde použité jsou majetkem jejich vlastníků. Uvedením nejsou zpochybněna z toho vyplývající vlastnická práva. Použití konstrukcí v rozporu se zákonem je přísně zakázáno. Vzhledem k tomu, že původ předkládaných materiálů nelze žádným způsobem dohledat, nelze je použít pro komerční účely! Tento nekomerční server nemá z uvedených zapojení či konstrukcí žádný zisk. Nezodpovídáme za pravost předkládaných materiálů třetími osobami a jejich původ. V případě, že zjistíte porušení autorského práva či jiné nesrovnalosti, kontaktujte administrátory na diskuzním fóru EB.


PHP-Nuke Copyright © 2005 by Francisco Burzi. This is free software, and you may redistribute it under the GPL. PHP-Nuke comes with absolutely no warranty, for details, see the license.
Čas potřebný ke zpracování stránky 0.25 sekund