Vítejte na Elektro Bastlírn?
Nuke - Elektro Bastlirna
  Vytvořit účet Hlavní · Fórum · DDump · Profil · Zprávy · Hledat na fóru · Příspěvky na provoz EB

Vlákno na téma KORONAVIRUS - nutná registrace


Nuke - Elektro Bastlirna: Diskuzní fórum

 FAQFAQ   HledatHledat   Uživatelské skupinyUživatelské skupiny   ProfilProfil   Soukromé zprávySoukromé zprávy   PřihlášeníPřihlášení 

Zvláštní koncepce zdroje s UC3845

 
Přidat nové téma   Zaslat odpověď       Obsah fóra Diskuzní fórum Elektro Bastlírny -> Svářečky, UPS, nabíječe, měniče, zdroje, trafa a další
Zobrazit předchozí téma :: Zobrazit následující téma  
Autor Zpráva
JirkaZ



Založen: Feb 26, 2021
Příspěvky: 3720

PříspěvekZaslal: út květen 06 2025, 12:38    Předmět: Zvláštní koncepce zdroje s UC3845 Citovat

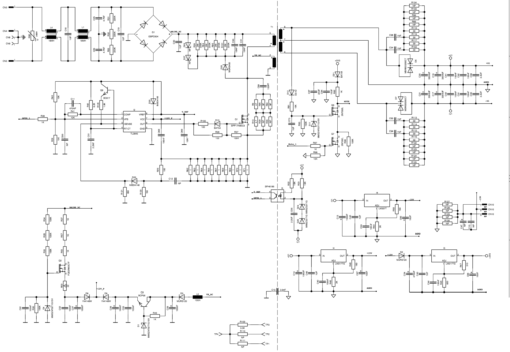
Snad poprvé se setkávám se sice klasickým flyback síťovým zdrojem s UC3845, nicméně má neobvyklost v tom, že na primáru má jen minimální filtraci (1µF!) a pořádné elektrolyty jsou až na sekundáru...

Setkal se s tímto řešením i někdo další? Je to trochu jako PFC a flyback v jednom Wink

Přínosy jsou celkem zřejmé: možná lepší účiník i crest factor, omezení proudového nárazu při zapnutí, pro výrobce zase asi katování kostů.

Inteligentní a odborné názory vítány.



electrovoice_zlx15p_12p_zlx-15p_12p_powersupply_schematic_upr.png
 Komentář:
 Velikost:  128.47 kB
 Zobrazeno:  238 krát

electrovoice_zlx15p_12p_zlx-15p_12p_powersupply_schematic_upr.png



_________________
Kdo chce, hledá způsob;
kdo ne - hledá důvod.

Ze dvou možností často volím tu třetí.
Návrat nahoru
Zobrazit informace o autorovi Odeslat soukromou zprávu
Michal22



Založen: Mar 28, 2012
Příspěvky: 8209
Bydliště: Brno

PříspěvekZaslal: út květen 06 2025, 13:01    Předmět: Citovat

A ten zdroj máš reálně u sebe, nebo je to jen schema, které jsi někde potkal?
Já jen jako že aby tam v reálu nebyl úplně jiný kondík.

_________________
Civilizace založená na oboustranné lepící pásce nemůže dobře skončit...
I kdyby se z tebe jednou stal král, neodsuzuj lidi, kteří ti nebudou provolávat slávu- raději se zeptej sám sebe, proč tomu tak není...
Návrat nahoru
Zobrazit informace o autorovi Odeslat soukromou zprávu Odeslat e-mail
Zaky



Založen: Oct 30, 2010
Příspěvky: 6974
Bydliště: Praha

PříspěvekZaslal: út květen 06 2025, 13:07    Předmět: Citovat

On by v provozu na zvlněné napájení snad ani opravdu neměl být problém, IO má max. šířku pulsu 50% a omezení proudu primárem pro každý impuls, tak by to uregulovat mohl. Drsný je ovšem ten zdroj pro rozběh, to jsem ještě neviděl.
_________________
Krátce před tím, než se to rozbilo, tak to ještě fungovalo...
Návrat nahoru
Zobrazit informace o autorovi Odeslat soukromou zprávu
rnbw



Založen: Mar 21, 2006
Příspěvky: 36836
Bydliště: Bratislava

PříspěvekZaslal: út květen 06 2025, 13:17    Předmět: Citovat

Je tam nejako vela odporov a zeneriek.

Zdroj s TL3843 a minimalnou kapacitou na primari sa vyskytuje v UPS APC BK650EI. Akurat tam nie je velka filtracia ani na vystupe (470uF), kedze sa tym nabija bateria. Ked bateria uhnije, tak sa ten elyt na vystupe po case nafukne.
Návrat nahoru
Zobrazit informace o autorovi Odeslat soukromou zprávu
JirkaZ



Založen: Feb 26, 2021
Příspěvky: 3720

PříspěvekZaslal: út květen 06 2025, 13:18    Předmět: Citovat

Reálně v mém kusu je 2µ2 svitek (pozice C30), jde o malinko jinou verzi, koncepčně totéž.

Zdroj pro rozběh jsem už viděl (levou část), prostě zdroj konstantního proudu či spíš napěťově-proudový omezovač, vpravo je klasika z pomocného vinutí, jen s přídavnou napěťovou stabilizací.

Elyty 100µF jsou tam proto, aby UC3845 byl nepřetržitě spolehlivě napájený i při velmi málo filtrovaném hlavním primárním napětí.

Abych upřesnil: já s tím zdrojem nemám problém ani koncepčně, ani fyzicky s reálným kusem. Dal jsem to sem pro zajímavost a rozšíření obzorů...

_________________
Kdo chce, hledá způsob;
kdo ne - hledá důvod.

Ze dvou možností často volím tu třetí.
Návrat nahoru
Zobrazit informace o autorovi Odeslat soukromou zprávu
dred



Založen: Apr 08, 2007
Příspěvky: 2564
Bydliště: Handlová

PříspěvekZaslal: út květen 06 2025, 13:41    Předmět: Citovat

Schéma mi nejako zvláštne nepripadá - skôr to bude asi ten "cost cutting", lebo výrobca zrejme nakúpil do skladu za lodný kontajner komponentov a nemá pre ne využitie.
A čo sa týka filtrácie "PFC"-pasiv - a malá kapacita za hlavným usmerňovačom... pri 250÷500KHz to zrejme pri tom výkone stačí (crest factor)...nábeh zdroja je plynulý a nezaťažuje zbytočne vstup prúdovou špičkou.. Ten "vylepšený" 38xx sa s tým vysporiada. A náhrada štartovacieho odporu stabilizátorom, či samotné stabilizovanie UCC pre riadiaci obvod nemá moc veľký význam...pokiaľ neberieme v úvahu "napäťové a výkonové namáhanie" priľahlích komponentov...A paralelné rozloženie odporov v niektorých "namáhaných častiach" ? Použili zrejme "čo mali" skladom... Wink
Nie je to žiadna zvláštnosť. Takýchto úprav DS zapojení je na stofky.. Podobné (koncepčne) DC/DC zdroje na vysokom kmitočte 250+KHz sme vyrábali na FI a do 300W na výkone bežali bravúrne.. "ale" bolo napájanie z batérie... to malo iné špecifiká... No napriek tomu, len pár kusov nechcelo fungovať s 35V/10A AC trafom na stolici..výmena riadiaceho švábu vždy pomohla...
Návrat nahoru
Zobrazit informace o autorovi Odeslat soukromou zprávu
BOBOBO
Doporučuje se dohled moderátorů


Založen: Feb 25, 2008
Příspěvky: 20514
Bydliště: Rychnovsko

PříspěvekZaslal: st květen 07 2025, 7:17    Předmět: Citovat

Bude asi u všech reflektorů viz http://www.ebastlirna.cz/modules.php?name=Forums&file=viewtopic&t=109297 , chtěl jsem mu pomoci a mám rozdělaný podobný , ale vadné LED , ale tam je budič a fet , filtrace také stejná .
Návrat nahoru
Zobrazit informace o autorovi Odeslat soukromou zprávu
Behemot
Doporučuje se dohled moderátorů


Založen: Nov 01, 2013
Příspěvky: 2394

PříspěvekZaslal: ne květen 11 2025, 18:43    Předmět: Citovat

rnbw napsal(a):
Je tam nejako vela odporov a zeneriek.

Zdroj s TL3843 a minimalnou kapacitou na primari sa vyskytuje v UPS APC BK650EI. Akurat tam nie je velka filtracia ani na vystupe (470uF), kedze sa tym nabija bateria. Ked bateria uhnije, tak sa ten elyt na vystupe po case nafukne.

nutno podotknout, že to nabíjí srandaproudem, čili výkon toho zdroja je nekde na úrovni 10 W; APCčko má podobnej zdroj ve všech tady tech offlajnech a samože ty srandakondenzátorky měnívám aspoň za 10uF Chemi-Cony, co mám skladem.
Návrat nahoru
Zobrazit informace o autorovi Odeslat soukromou zprávu Zobrazit autorovy WWW stránky
Zobrazit příspěvky z předchozích:   
Přidat nové téma   Zaslat odpověď       Obsah fóra Diskuzní fórum Elektro Bastlírny -> Svářečky, UPS, nabíječe, měniče, zdroje, trafa a další Časy uváděny v GMT + 1 hodina
Strana 1 z 1

 
Přejdi na:  
Nemůžete odesílat nové téma do tohoto fóra.
Nemůžete odpovídat na témata v tomto fóru.
Nemůžete upravovat své příspěvky v tomto fóru.
Nemůžete mazat své příspěvky v tomto fóru.
Nemůžete hlasovat v tomto fóru.
Nemůžete připojovat soubory k příspěvkům
Můžete stahovat a prohlížet přiložené soubory

Powered by phpBB © 2001, 2005 phpBB Group
Forums ©
Nuke - Elektro Bastlirna

Informace na portálu Elektro bastlírny jsou prezentovány za účelem vzdělání čtenářů a rozšíření zájmu o elektroniku. Autoři článků na serveru neberou žádnou zodpovědnost za škody vzniklé těmito zapojeními. Rovněž neberou žádnou odpovědnost za případnou újmu na zdraví vzniklou úrazem elektrickým proudem. Autoři a správci těchto stránek nepřejímají záruku za správnost zveřejněných materiálů. Předkládané informace a zapojení jsou zveřejněny bez ohledu na případné patenty třetích osob. Nároky na odškodnění na základě změn, chyb nebo vynechání jsou zásadně vyloučeny. Všechny registrované nebo jiné obchodní známky zde použité jsou majetkem jejich vlastníků. Uvedením nejsou zpochybněna z toho vyplývající vlastnická práva. Použití konstrukcí v rozporu se zákonem je přísně zakázáno. Vzhledem k tomu, že původ předkládaných materiálů nelze žádným způsobem dohledat, nelze je použít pro komerční účely! Tento nekomerční server nemá z uvedených zapojení či konstrukcí žádný zisk. Nezodpovídáme za pravost předkládaných materiálů třetími osobami a jejich původ. V případě, že zjistíte porušení autorského práva či jiné nesrovnalosti, kontaktujte administrátory na diskuzním fóru EB.


PHP-Nuke Copyright © 2005 by Francisco Burzi. This is free software, and you may redistribute it under the GPL. PHP-Nuke comes with absolutely no warranty, for details, see the license.
Čas potřebný ke zpracování stránky 0.34 sekund