Vítejte na Elektro Bastlírn?
Nuke - Elektro Bastlirna
  Vytvořit účet Hlavní · Fórum · DDump · Profil · Zprávy · Hledat na fóru · Příspěvky na provoz EB

Vlákno na téma KORONAVIRUS - nutná registrace


Nuke - Elektro Bastlirna: Diskuzní fórum

 FAQFAQ   HledatHledat   Uživatelské skupinyUživatelské skupiny   ProfilProfil   Soukromé zprávySoukromé zprávy   PřihlášeníPřihlášení 

Rozmítání XR2206
Jdi na stránku 1, 2  Další
 
Přidat nové téma   Zaslat odpověď       Obsah fóra Diskuzní fórum Elektro Bastlírny -> Poradna
Zobrazit předchozí téma :: Zobrazit následující téma  
Autor Zpráva
Celeron



Založen: Apr 02, 2011
Příspěvky: 20151
Bydliště: Nový Bydžov

PříspěvekZaslal: so květen 03 2025, 12:28    Předmět: Rozmítání XR2206 Citovat

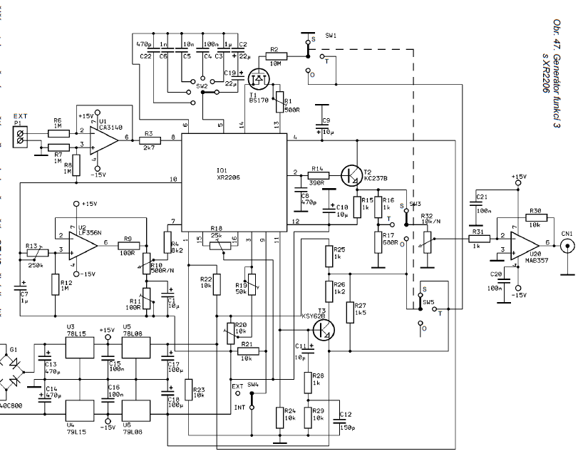
Před nějakou dobou jsem si postavil z KE A Rádia 5/2009 Generátor funkcí číslo 3. Gener jsem postavil, kupodivu chodí jak má, na průbězích není namodulovanýho nic nepatřičnýho. Nyní jsem potřeboval použít rozmítání a ejhle, nechodí a ani jsem ho nikdy neuváděl do chodu.
Koukám na zapojení kolem U1 CA3140, měřím a je to nějaký divný. Na pinu 8 XR je -2,5V proti GND, který se vytváří na děliči R7 a R8 z vnitřní reference -5V na vývodu 10 XR2206. To je sice správně, ale netuším, proč to tak je, když na vstupu 8 XR je potřeba pro minimální kmitočet cca -5V a pro maximální kmitočet cca -7,5V proti GND. Pokud dám na vstup EXT nějaký napětí, na výstupu CA3140 je stále těch 2,5V. Přitom operák je dobrej, zkusil jsem ho jako invertující zesilovač a je OK.
Není to zapojení CA3140 nesmyslný? Pokud jo, tak se to táhne ve všech konstrukcích, který vpodstatě obkreslují původní zapojení z Elektoru.
Vzal jsem nepájivý pole a zkusil si požadovanou funkci nabastlit svoji. V podstatě je to invertující sčítačka napětí 0-5V ze vstupu EXT a zinvertovanýho referenčního napětí z vývodu 10 XR2206. Při změně na vstupu EXT 0-5V je na vstupu 8 XR2206 pro rozmítání požadovaný -5 až -7,5V.
S jedním operákem to asi udělat nejde. Pokud máte někdo lepší nápad, tak sem s ním. Smile
Díky!



Screenshot 2025-05-03 13.22.44.png
 Komentář:
původní zapojení
 Velikost:  63.15 kB
 Zobrazeno:  100 krát

Screenshot 2025-05-03 13.22.44.png



Image.jpg
 Komentář:
moje úprava
 Velikost:  209.72 kB
 Zobrazeno:  30 krát

Image.jpg



_________________
Jirka

Proč mi nemůže všechno chodit hned ?!!
Návrat nahoru
Zobrazit informace o autorovi Odeslat soukromou zprávu
taz



Založen: May 16, 2007
Příspěvky: 363
Bydliště: Ostrava

PříspěvekZaslal: so květen 03 2025, 14:29    Předmět: Citovat

V časopise Elektor v roce 1984, číslo 12 vyšel perfektně rozpracovaný generátor s 2206 a k němu v roce 1985, v čísle 11 vyšel přípravek na rozmítání. KYdysi sem to dělal a fungovalo to perfektně, tak zkus hledat inspiraci tam.

Naposledy upravil taz dne so květen 03 2025, 16:38, celkově upraveno 2 krát.
Návrat nahoru
Zobrazit informace o autorovi Odeslat soukromou zprávu Odeslat e-mail
Celeron



Založen: Apr 02, 2011
Příspěvky: 20151
Bydliště: Nový Bydžov

PříspěvekZaslal: so květen 03 2025, 15:03    Předmět: Citovat

Hmm, Elektor je pokud vím měsíčník a mám jen čísla 1-12. Hledal jsem v čísle 4 (domníval jsem se, že jsi se přeťuk) ale tam nic o XR2206 není.
Není problém s tím, že mám anglickou verzi pro Indii a to co píšeš bylo v německý nebo ještě jiný verzi?

Nemáš elektronickou kopii těch dvou časáků?
Díky

_________________
Jirka

Proč mi nemůže všechno chodit hned ?!!
Návrat nahoru
Zobrazit informace o autorovi Odeslat soukromou zprávu
taz



Založen: May 16, 2007
Příspěvky: 363
Bydliště: Ostrava

PříspěvekZaslal: so květen 03 2025, 15:05    Předmět: Citovat

Já mám origo flash z elektoru, kupovanou, tam to je v těch číslech, jak sem psal. Dej kam to chceš uložit. Nebo napiš na messenger.
Návrat nahoru
Zobrazit informace o autorovi Odeslat soukromou zprávu Odeslat e-mail
danhard



Založen: Mar 05, 2007
Příspěvky: 6468
Bydliště: Jesenice u Prahy

PříspěvekZaslal: so květen 03 2025, 16:21    Předmět: Citovat

https://www.scribd.com/document/632963507/Elektor-1984-12
https://www.worldradiohistory.com/INTERNATIONAL/Elektor%20France/Elektor-078-1984-12.pdf


Naposledy upravil danhard dne so květen 03 2025, 16:50, celkově upraveno 1 krát.
Návrat nahoru
Zobrazit informace o autorovi Odeslat soukromou zprávu Odeslat e-mail
Celeron



Založen: Apr 02, 2011
Příspěvky: 20151
Bydliště: Nový Bydžov

PříspěvekZaslal: so květen 03 2025, 16:35    Předmět: Citovat

taz napsal(a):
Já mám origo flash z elektoru, kupovanou, tam to je v těch číslech, jak sem psal. Dej kam to chceš uložit. Nebo napiš na messenger.


Aha, takže né 14 ale 12. Ale bohužel, v tý indický 12-ce to taky není. A rozmítač z roku 1985 jsi číslo zapomněl napsat. Můžeš to prosím dát na úschovna.cz? Zbytek v SZ.

Danharde díky, ale nějak mi to nejde stáhnout.

_________________
Jirka

Proč mi nemůže všechno chodit hned ?!!
Návrat nahoru
Zobrazit informace o autorovi Odeslat soukromou zprávu
taz



Založen: May 16, 2007
Příspěvky: 363
Bydliště: Ostrava

PříspěvekZaslal: so květen 03 2025, 16:39    Předmět: Citovat

napiš mejl, ať to tam můžu uložit
Návrat nahoru
Zobrazit informace o autorovi Odeslat soukromou zprávu Odeslat e-mail
taz



Založen: May 16, 2007
Příspěvky: 363
Bydliště: Ostrava

PříspěvekZaslal: so květen 03 2025, 16:43    Předmět: Citovat

máš to v mejlu
Návrat nahoru
Zobrazit informace o autorovi Odeslat soukromou zprávu Odeslat e-mail
Celeron



Založen: Apr 02, 2011
Příspěvky: 20151
Bydliště: Nový Bydžov

PříspěvekZaslal: so květen 03 2025, 17:12    Předmět: Citovat

Díky moc tazi. Obkreslovač z KE A Rádia 5/2009 zapomněl proti Elektoru na jeden odpůrek. Tak hlavně aby to bylo tím.
_________________
Jirka

Proč mi nemůže všechno chodit hned ?!!
Návrat nahoru
Zobrazit informace o autorovi Odeslat soukromou zprávu
Celeron



Založen: Apr 02, 2011
Příspěvky: 20151
Bydliště: Nový Bydžov

PříspěvekZaslal: so květen 03 2025, 19:19    Předmět: Citovat

No je to tím. Rolling Eyes Když se dá místo 1M odporu z výstupu operáku CA3140 do jeho negativního vstupu drát, tak milej operák v tomto zapojení jaksi neoperákuje. Ale stejně se to chová nějak divně. Pokud je vstup pro rozmítání odpojen a nezkratován, pak je na výstupu operáku -2,5V. Když se svirkt EXT propojí, nebo se připojí zdroj 0V, tak to napětí z -2,5V vyskočí na -5V. Pokud se na vstup EXT zavede záporný napětí tak se na výstupu operáku záporný napětí z -5V zvyšuje, což je dobře, pak se rozkmitá XR2206 a čím je toto napětí vyšší, stoupá i kmitočet. Pokud se na vstup EXT připojí kladný napětí, záporný napětí na výstupu operáku se snižuje a tak se XR2206 nemůže rozkmitat. Divný, v Elektoru píšou toto napětí 0,1-10V, polaritu neudávají. Navíc je značně podivný, že když je připojeno na EXT záporný napětí větší než asi -4V tak na výstupu operáku je už je záporný napětí větší, než je záporný napájecí napětí -8V pro XR2206, takže bojím, bojím, aby ho to napětí neodprásklo.
Tedy to mnou navržený zapojení, co jsem dával na začátku, tyhle nectnosti nemá, prostě při připojení kladnýho napětí mezi 0 a 5V se kmitočet zvyšuje a napětí z operáku nepřeleze záporný napájecí napětí XR2206.
Kouknu se na ten rozmítač v Elektoru jak vlastně dělá rozmítací napětí, možná to je takhle požadováno.
Tazi, tobě to chodilo s Elektorovým rozmítačem bez problémů? Já už generátor pily pro rozmítač mám, má výstup 0-5V, takže jsem myslel, že ho použiju.

_________________
Jirka

Proč mi nemůže všechno chodit hned ?!!
Návrat nahoru
Zobrazit informace o autorovi Odeslat soukromou zprávu
danhard



Založen: Mar 05, 2007
Příspěvky: 6468
Bydliště: Jesenice u Prahy

PříspěvekZaslal: so květen 03 2025, 19:27    Předmět: Citovat

Špatnej obkreslovač Very Happy

http://www.ebastlirna.cz/modules/Forums/files/gen_xr2206_182.jpg
Návrat nahoru
Zobrazit informace o autorovi Odeslat soukromou zprávu Odeslat e-mail
lesana87



Založen: Sep 20, 2014
Příspěvky: 4050

PříspěvekZaslal: so květen 03 2025, 20:13    Předmět: Citovat

Při použití VCO je frekvence daná proudem vytékajícím z pinu 8. Hodnota R9 a rozsah vstupního napětí 0,1-10V jsou zvolené tak, aby byl rozsah regulace frekvence 1:100. Vstupní napětí je kladné, IC3 je pro něj invertující, protože proud z pinu 8 vytéká ven. (Takže "Navíc je značně podivný, že když je připojeno na EXT záporný napětí větší než asi -4V tak na výstupu operáku je už je záporný napětí větší, než je záporný napájecí napětí -8V" - je nesmysl, IC3 invertuje) I kdyby dal IC3 na výstupu -15V (což nedá), bude proud z pinu 8 3,7mA, což je spolehlivě míň než absolutní maximum 6mA. Když budeš mít rozsah proudu z pinu 8 menší, budeš mít menší rozsah přeladění.
Návrat nahoru
Zobrazit informace o autorovi Odeslat soukromou zprávu
Celeron



Založen: Apr 02, 2011
Příspěvky: 20151
Bydliště: Nový Bydžov

PříspěvekZaslal: so květen 03 2025, 21:43    Předmět: Citovat

danhard napsal(a):
Špatnej obkreslovač Very Happy

http://www.ebastlirna.cz/modules/Forums/files/gen_xr2206_182.jpg


Tenhle to obkreslil správně. Ale koukni na to schema na začátku vlákna. Wink

_________________
Jirka

Proč mi nemůže všechno chodit hned ?!!
Návrat nahoru
Zobrazit informace o autorovi Odeslat soukromou zprávu
Celeron



Založen: Apr 02, 2011
Příspěvky: 20151
Bydliště: Nový Bydžov

PříspěvekZaslal: so květen 03 2025, 21:52    Předmět: Citovat

lesana87 napsal(a):
Při použití VCO je frekvence daná proudem vytékajícím z pinu 8.

Dík za vysvětlení. Měl jsem CA3140 zapojený jen na nepájivým poli bez propojení na XR2206 a to chování co jsem popsal je napěťový měření. Neuvědomil jsem si, že řízení pinu 8 při EXT a pinu 7 při INT je proudový. Zítra to zkusím přímo na desce propojený s XR2206. Zatím jsem měl odpor do pinu 8 neosazenej.
Ale že v tom schematu, co jsem dal na začátku vlákna, je proti Elektoru chyba, zůstává faktem. Ono i v textu je pár chyb, třeba jsou prohozený významy některých trimrů.
Jo a že tomu překreslovač/konstruktér moc nedal je i fakt, že dokud jsem nezablokoval keramikama do GND přímo vedle pouzdra obě napájecí nohy CA3140, tak zběsile kmitala.
V schematu od Danharda je místo ní MAB356 a u ní blokování obou napájení být nemusí, nekmitá, odzkoušeno. Kdoví, jestli tam vůbec CA3140 někdy měl.

_________________
Jirka

Proč mi nemůže všechno chodit hned ?!!
Návrat nahoru
Zobrazit informace o autorovi Odeslat soukromou zprávu
EKKAR



Založen: Mar 16, 2005
Příspěvky: 34844
Bydliště: Česká Třebová, JN89FW21

PříspěvekZaslal: so květen 03 2025, 22:40    Předmět: Citovat

CA3140 je známej tím, že je citlivej na (ne)zablokování napájení hlavně tam, kde má celkově zhoršenou imprdelanci napájení. Je to výbornej operák, ale občas je jeho citlivost až moc vysoká ...
_________________
Nasliněný prst na svorkovnici domovního rozvaděče: Jó, paninko, máte tam ty Voltíky všecky...
A kutilmile - nelituju tě Mr. Green Mr. Green !!!
Návrat nahoru
Zobrazit informace o autorovi Odeslat soukromou zprávu Odeslat e-mail
Zobrazit příspěvky z předchozích:   
Přidat nové téma   Zaslat odpověď       Obsah fóra Diskuzní fórum Elektro Bastlírny -> Poradna Časy uváděny v GMT + 1 hodina
Jdi na stránku 1, 2  Další
Strana 1 z 2

 
Přejdi na:  
Nemůžete odesílat nové téma do tohoto fóra.
Nemůžete odpovídat na témata v tomto fóru.
Nemůžete upravovat své příspěvky v tomto fóru.
Nemůžete mazat své příspěvky v tomto fóru.
Nemůžete hlasovat v tomto fóru.
Nemůžete připojovat soubory k příspěvkům
Můžete stahovat a prohlížet přiložené soubory

Powered by phpBB © 2001, 2005 phpBB Group
Forums ©
Nuke - Elektro Bastlirna

Informace na portálu Elektro bastlírny jsou prezentovány za účelem vzdělání čtenářů a rozšíření zájmu o elektroniku. Autoři článků na serveru neberou žádnou zodpovědnost za škody vzniklé těmito zapojeními. Rovněž neberou žádnou odpovědnost za případnou újmu na zdraví vzniklou úrazem elektrickým proudem. Autoři a správci těchto stránek nepřejímají záruku za správnost zveřejněných materiálů. Předkládané informace a zapojení jsou zveřejněny bez ohledu na případné patenty třetích osob. Nároky na odškodnění na základě změn, chyb nebo vynechání jsou zásadně vyloučeny. Všechny registrované nebo jiné obchodní známky zde použité jsou majetkem jejich vlastníků. Uvedením nejsou zpochybněna z toho vyplývající vlastnická práva. Použití konstrukcí v rozporu se zákonem je přísně zakázáno. Vzhledem k tomu, že původ předkládaných materiálů nelze žádným způsobem dohledat, nelze je použít pro komerční účely! Tento nekomerční server nemá z uvedených zapojení či konstrukcí žádný zisk. Nezodpovídáme za pravost předkládaných materiálů třetími osobami a jejich původ. V případě, že zjistíte porušení autorského práva či jiné nesrovnalosti, kontaktujte administrátory na diskuzním fóru EB.


PHP-Nuke Copyright © 2005 by Francisco Burzi. This is free software, and you may redistribute it under the GPL. PHP-Nuke comes with absolutely no warranty, for details, see the license.
Čas potřebný ke zpracování stránky 0.15 sekund