Vítejte na Elektro Bastlírn?
Nuke - Elektro Bastlirna
  Vytvořit účet Hlavní · Fórum · DDump · Profil · Zprávy · Hledat na fóru · Příspěvky na provoz EB

Vlákno na téma KORONAVIRUS - nutná registrace


Nuke - Elektro Bastlirna: Diskuzní fórum

 FAQFAQ   HledatHledat   Uživatelské skupinyUživatelské skupiny   ProfilProfil   Soukromé zprávySoukromé zprávy   PřihlášeníPřihlášení 

Zdroj napětí 1000V
Jdi na stránku 1, 2  Další
 
Přidat nové téma   Zaslat odpověď       Obsah fóra Diskuzní fórum Elektro Bastlírny -> Poradna
Zobrazit předchozí téma :: Zobrazit následující téma  
Autor Zpráva
Celeron



Založen: Apr 02, 2011
Příspěvky: 20135
Bydliště: Nový Bydžov

PříspěvekZaslal: po duben 14 2025, 16:06    Předmět: Zdroj napětí 1000V Citovat

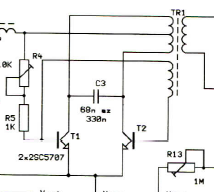
Dělám tady tester na závěrný napětí polovodičů podle PE 06/2016. Měnič na cca 800-1000V je řešenej jako Royer oscolátor s dvěma tranzistorama a trafem pro CCFL trubice. Byl jsem u mi-ra a přehrabali jsme kupu vraků kvůli trafům. Ale žádný nemá na primáru "zpětnovazební vinutí" jak použil autor.
Nesetkal jste se někdo s trafem viz přiložený schema?
Když se koukám na dostupný trafa, mají vždy na primáru dvě samostatný cívky. Nad nima je dostatečná škvíra abych tam zkusil protáhnout slabej smalťák na tu zpětnou vazbu, otázka je, kolik by to vinutí mělo mít závitů.



Screenshot 2025-04-14 16.52.55.png
 Komentář:
 Velikost:  29.57 kB
 Zobrazeno:  38 krát

Screenshot 2025-04-14 16.52.55.png



_________________
Jirka

Proč mi nemůže všechno chodit hned ?!!
Návrat nahoru
Zobrazit informace o autorovi Odeslat soukromou zprávu
jezevec
Hlavní moderátor


Založen: Jun 13, 2004
Příspěvky: 6091
Bydliště: Břeclavsko

PříspěvekZaslal: po duben 14 2025, 16:18    Předmět: Citovat

Tak tam dej jakýkoliv oscilátor na cca 60kHz a použij tráfko co máš.
Návrat nahoru
Zobrazit informace o autorovi Odeslat soukromou zprávu Zobrazit autorovy WWW stránky
Hill
Administrátor


Založen: Sep 10, 2004
Příspěvky: 20916
Bydliště: Jičín, Český ráj

PříspěvekZaslal: po duben 14 2025, 16:42    Předmět: Citovat

Sait 20, PU310 nebo 311 nemáš? V nich měnič na 1000 V je.
Návrat nahoru
Zobrazit informace o autorovi Odeslat soukromou zprávu
Jindra2



Založen: Aug 09, 2005
Příspěvky: 785

PříspěvekZaslal: po duben 14 2025, 17:59    Předmět: Citovat

Transformátor jsem použil z bývalé kalkulačky (obr. 1). Šel snadno rozebrat a převinout sekundární vinutí. Jádro má rozměr EI 8 x 18. Vinutí jsem odmotal, tak jsem zjistil počet závitů na 1 V. Navinul jsem 2x 90 závitů průměrem 0,3 mm. Jindra


Megmet.png
 Komentář:
 Velikost:  8.4 kB
 Zobrazeno:  83 krát

Megmet.png


Návrat nahoru
Zobrazit informace o autorovi Odeslat soukromou zprávu
lesana87



Založen: Sep 20, 2014
Příspěvky: 4028

PříspěvekZaslal: po duben 14 2025, 18:59    Předmět: Citovat

Celeron napsal(a):
Nesetkal jste se někdo s trafem viz přiložený schema?
Jo, setkala, mám tu měnič pro CCFL z nějakýho DVD přehrávače nebo co to bylo. Počty závitů nemám jak určit, ale když mezi kolektory pustím 300 mV sinus, tak mezi bázema je 65 mV sinus.
Návrat nahoru
Zobrazit informace o autorovi Odeslat soukromou zprávu
samec



Založen: Dec 19, 2017
Příspěvky: 5952

PříspěvekZaslal: po duben 14 2025, 21:16    Předmět: Citovat

Neni škoda rozoberať? Veď je to hotový zdroj. Aha, mne sa zvýšil z opravy hentakýto
http://www.ebastlirna.cz/modules.php?name=Forums&file=viewtopic&t=100944
Podľa datašitu dáva 600Vrms 6mArms a naprázdno cca 1700Vrms
https://media.digikey.com/pdf/Data%20Sheets/TDK%20PDFs/CXA-P1212B-WJL.pdf
Šlajdr
https://www.ebay.com/itm/173218021460
Návrat nahoru
Zobrazit informace o autorovi Odeslat soukromou zprávu
Celeron



Založen: Apr 02, 2011
Příspěvky: 20135
Bydliště: Nový Bydžov

PříspěvekZaslal: út duben 15 2025, 10:01    Předmět: Citovat

Trafo je od jednoho místního dobrého člena fóra na cestě. Má potřebný vinutí, takže bude stačit Royer se dvěma BD139. Takže plošák od Bučka bude k použití.
Díky všem, co se ozvali.

_________________
Jirka

Proč mi nemůže všechno chodit hned ?!!
Návrat nahoru
Zobrazit informace o autorovi Odeslat soukromou zprávu
miroja



Založen: Feb 28, 2006
Příspěvky: 1866
Bydliště: SK, Liptov

PříspěvekZaslal: st duben 16 2025, 8:30    Předmět: Citovat

Je tu aj moznost kupit hotovy zdroj s CV/CC s rozsahom cca 50-3500V/0,15-5 mA. Napajanie zo zabudovanej lion aku, nabijanie cez USB.
Ak by to bolo pre teba zaujimave, skus na Ali pohladat napriklad 0~3500V Semiconductor Withstanding Voltage Tester Transistor Tester .
Mne sa topodarilo kupit v nejakej zlave za 13,29. Mam to asi pol roka a zatial som spokojny.
Návrat nahoru
Zobrazit informace o autorovi Odeslat soukromou zprávu
ransom



Založen: Jul 19, 2020
Příspěvky: 3629
Bydliště: Náchod

PříspěvekZaslal: pá duben 18 2025, 16:34    Předmět: Citovat

Nešlo by zužitkovat toto?

https://aukro.cz/cast-k-laseru-7086837433
Je tam zdroj 1500V/3,5 mA.

_________________
Nepoužívám smajlíky. Pobavený nebo ironický tón si laskavě domyslete sami.
Návrat nahoru
Zobrazit informace o autorovi Odeslat soukromou zprávu
JirkaZ



Založen: Feb 26, 2021
Příspěvky: 3730

PříspěvekZaslal: pá duben 18 2025, 16:42    Předmět: Citovat

Jirko, můžeš mi vysvětlit, proč prostě nepoužiješ toho Royera tak, jak je (modul pro CCFL, u mě na jeho výstupu přidaný zdvojovač)?

K čemu tam má být zpětnovazební vinutí? To je jen možnost v jedné z více verzí, ne nutnost.



02_vnitrek.jpg
 Komentář:
 Velikost:  114.15 kB
 Zobrazeno:  46 krát

02_vnitrek.jpg



_________________
Kdo chce, hledá způsob;
kdo ne - hledá důvod.

Ze dvou možností často volím tu třetí.
Návrat nahoru
Zobrazit informace o autorovi Odeslat soukromou zprávu
lesana87



Založen: Sep 20, 2014
Příspěvky: 4028

PříspěvekZaslal: pá duben 18 2025, 18:41    Předmět: Citovat

Royer má zpětnovazební vinutí a výstup obdélník, takže se pro napájení CCFL nepoužívá. Royer se tomu rezonančnímu měniči jen tak říká.
Návrat nahoru
Zobrazit informace o autorovi Odeslat soukromou zprávu
JirkaZ



Založen: Feb 26, 2021
Příspěvky: 3730

PříspěvekZaslal: pá duben 18 2025, 21:28    Předmět: Citovat

Myslím, že to je spíš otázka přesnosti terminologie.

V Brightově a Royerově patentu skutečně zpětnovazební vinutí je a kmitá to vlivem dosahované saturace jádra, takže obdélníkově a dál se průběhu nijak nepomáhá. Ovšem onen multivibrátor s laděným primárem trafa se taky (i když asi nepřesně) dá dohledat jako Royerův oscilátor.

Nicméně ať se to jmenuje jak chce a má to případně různé další obvodové odlišnosti, tak prostě lze postavit samokmitajcí symetrické zapojení bez zpětnovazebního vinutí.

No a to jsem měl na mysli, plus ještě spíš použití celého modulu takového měniče (dodnes se dá koupit).

_________________
Kdo chce, hledá způsob;
kdo ne - hledá důvod.

Ze dvou možností často volím tu třetí.
Návrat nahoru
Zobrazit informace o autorovi Odeslat soukromou zprávu
Artaban001



Založen: Apr 01, 2004
Příspěvky: 10068
Bydliště: Pendrov

PříspěvekZaslal: so duben 19 2025, 8:29    Předmět: Citovat

Kdysi jsem tu dával schéma na plazmovou kouli se dvěma tranzistory a rozkmitá to cokoliv, co má vinutí s odbočkou ve středu - i ty CCFT tráfka bez FB vinutí - stačí si pohrát jen s velikostí odporů v bázích - a ty KU.. nejsou taky dogma. Jako zdroj cca 1000V jsem využíval měnič pro zářivky z vagónu B, který jsem vybavil trojnásobičem. Napětí jsem odebíral z vinutí, co napájelo trubici (žhavící vinutí dávají jen pár voltů, excitační vinutí dává sice hodně, ale odběr z něj shodí měnič. Topologie měniče je podobná Royeru)
Návrat nahoru
Zobrazit informace o autorovi Odeslat soukromou zprávu Odeslat e-mail
Celeron



Založen: Apr 02, 2011
Příspěvky: 20135
Bydliště: Nový Bydžov

PříspěvekZaslal: so duben 19 2025, 10:56    Předmět: Citovat

Tráfko dorazilo. Dnes jsem ho zkusil zapojit jen na vrabčáka podle schematu na začátku. Šlo to na první šlápnutí ale s nejmenším doporučeným rezonančním kondíkem 68N to kmitalo na 46 kHz, a naprázdno dost vysoká spotřeba přes 150 mA. Doporučuje se 50-60 kHz. Tak jsem kondík snížil na 33N a kmitám 57 kHz a spotřeba naprázdno spadla na 46 mA.
Na výstupu je na filtračním kondíku za grécem při napájení 7,5 V 1080V.

lesana: Nevím, jak Royer, ale tohle má na výstupu docela slušnou sinusovku. Kmitočet s primárním napětím od 4,5V do 9V se změní jen o cca 1 kHz. V tom rozsahu napájení se výstup mění od 660V, maximum 9V jsem nepokoušel aby neodešly MUR1100.

JirkaZ: No protože ten modul CCFT nemám a jednodušší bylo sehnat tráfko od zdejšího ochotného ST78, za což mu velice děkuju. Navíc to zapojení se zpětnou vazbou má o 4 odpory a 2 kondíky míň.

_________________
Jirka

Proč mi nemůže všechno chodit hned ?!!
Návrat nahoru
Zobrazit informace o autorovi Odeslat soukromou zprávu
JirkaZ



Založen: Feb 26, 2021
Příspěvky: 3730

PříspěvekZaslal: so duben 19 2025, 21:02    Předmět: Citovat

Zvážil bych zdvojovač, můj jím vybavený měřák na obrázku výše produkuje cca 1680 V a už se to párkát hodilo (třeba s ním kontroluju i různé druhy izolací).

Typický modul LCD voltmetru mívá ICL7106 a ten má - jak známo - max. údaj 1999, takže se přímo nabízí to víc využít.

_________________
Kdo chce, hledá způsob;
kdo ne - hledá důvod.

Ze dvou možností často volím tu třetí.
Návrat nahoru
Zobrazit informace o autorovi Odeslat soukromou zprávu
Zobrazit příspěvky z předchozích:   
Přidat nové téma   Zaslat odpověď       Obsah fóra Diskuzní fórum Elektro Bastlírny -> Poradna Časy uváděny v GMT + 1 hodina
Jdi na stránku 1, 2  Další
Strana 1 z 2

 
Přejdi na:  
Nemůžete odesílat nové téma do tohoto fóra.
Nemůžete odpovídat na témata v tomto fóru.
Nemůžete upravovat své příspěvky v tomto fóru.
Nemůžete mazat své příspěvky v tomto fóru.
Nemůžete hlasovat v tomto fóru.
Nemůžete připojovat soubory k příspěvkům
Můžete stahovat a prohlížet přiložené soubory

Powered by phpBB © 2001, 2005 phpBB Group
Forums ©
Nuke - Elektro Bastlirna

Informace na portálu Elektro bastlírny jsou prezentovány za účelem vzdělání čtenářů a rozšíření zájmu o elektroniku. Autoři článků na serveru neberou žádnou zodpovědnost za škody vzniklé těmito zapojeními. Rovněž neberou žádnou odpovědnost za případnou újmu na zdraví vzniklou úrazem elektrickým proudem. Autoři a správci těchto stránek nepřejímají záruku za správnost zveřejněných materiálů. Předkládané informace a zapojení jsou zveřejněny bez ohledu na případné patenty třetích osob. Nároky na odškodnění na základě změn, chyb nebo vynechání jsou zásadně vyloučeny. Všechny registrované nebo jiné obchodní známky zde použité jsou majetkem jejich vlastníků. Uvedením nejsou zpochybněna z toho vyplývající vlastnická práva. Použití konstrukcí v rozporu se zákonem je přísně zakázáno. Vzhledem k tomu, že původ předkládaných materiálů nelze žádným způsobem dohledat, nelze je použít pro komerční účely! Tento nekomerční server nemá z uvedených zapojení či konstrukcí žádný zisk. Nezodpovídáme za pravost předkládaných materiálů třetími osobami a jejich původ. V případě, že zjistíte porušení autorského práva či jiné nesrovnalosti, kontaktujte administrátory na diskuzním fóru EB.


PHP-Nuke Copyright © 2005 by Francisco Burzi. This is free software, and you may redistribute it under the GPL. PHP-Nuke comes with absolutely no warranty, for details, see the license.
Čas potřebný ke zpracování stránky 0.60 sekund