Vítejte na Elektro Bastlírn?
Nuke - Elektro Bastlirna
  Vytvořit účet Hlavní · Fórum · DDump · Profil · Zprávy · Hledat na fóru · Příspěvky na provoz EB

Vlákno na téma KORONAVIRUS - nutná registrace


Nuke - Elektro Bastlirna: Diskuzní fórum

 FAQFAQ   HledatHledat   Uživatelské skupinyUživatelské skupiny   ProfilProfil   Soukromé zprávySoukromé zprávy   PřihlášeníPřihlášení 

Polarizované relé LZL-24H

 
Přidat nové téma   Zaslat odpověď       Obsah fóra Diskuzní fórum Elektro Bastlírny -> Součástky
Zobrazit předchozí téma :: Zobrazit následující téma  
Autor Zpráva
mi-ro



Založen: Feb 08, 2005
Příspěvky: 8626
Bydliště: rovina u Kolína

PříspěvekZaslal: po duben 14 2025, 12:21    Předmět: Polarizované relé LZL-24H Citovat

Na deskch ionizace kotlů Honeywell jsou dvě relé. Jedno typu LZL-24H. Je bistabiní. Neumím pochopit funkci. Je jen s jednou cívkou a "na stole" ho 24V sepnu jakoukoliv polaritou ale už nejde rozepnout. To se podaří jen mechanicky odtržením kotvy od jádra cívky. Jak to má fungovat?
_________________
..to bude jen ňákej odpůrek
Návrat nahoru
Zobrazit informace o autorovi Odeslat soukromou zprávu Odeslat e-mail
EKKAR



Založen: Mar 16, 2005
Příspěvky: 34815
Bydliště: Česká Třebová, JN89FW21

PříspěvekZaslal: po duben 14 2025, 12:34    Předmět: Citovat

Rozepíná ho obrácení polarity budicího impulsu. Kotva má kus trvalýho magnetu, jedna polarita kotvu přitáhne, druhá ji odpudí.
_________________
Nasliněný prst na svorkovnici domovního rozvaděče: Jó, paninko, máte tam ty Voltíky všecky...
A kutilmile - nelituju tě Mr. Green Mr. Green !!!
Návrat nahoru
Zobrazit informace o autorovi Odeslat soukromou zprávu Odeslat e-mail
Zaky



Založen: Oct 30, 2010
Příspěvky: 6986
Bydliště: Praha

PříspěvekZaslal: po duben 14 2025, 12:54    Předmět: Citovat

A hlavně ty impulsy pro přítah a pro odpadnutí nejsou napěťově stejně velké. Taky jsem se kdysi divil. Podívej se na budící obvody, budou tam pravděpodobně pro přítah a odpadnutí dva poměrně velmi rozdílné sériové rezistory.
_________________
Krátce před tím, než se to rozbilo, tak to ještě fungovalo...
Návrat nahoru
Zobrazit informace o autorovi Odeslat soukromou zprávu
Jindra2



Založen: Aug 09, 2005
Příspěvky: 785

PříspěvekZaslal: po duben 14 2025, 14:32    Předmět: Citovat

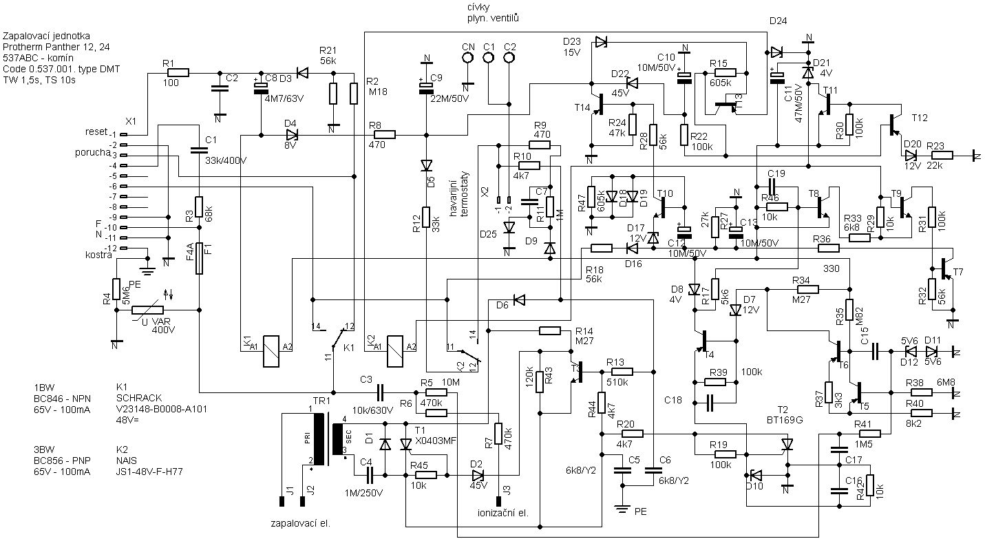
Jindra


zapalovací jednotka Protherm.png
 Komentář:
 Velikost:  17.91 kB
 Zobrazeno:  165 krát

zapalovací jednotka Protherm.png


Návrat nahoru
Zobrazit informace o autorovi Odeslat soukromou zprávu
Celeron



Založen: Apr 02, 2011
Příspěvky: 20135
Bydliště: Nový Bydžov

PříspěvekZaslal: po duben 14 2025, 15:51    Předmět: Citovat

EKKAR napsal(a):
Rozepíná ho obrácení polarity budicího impulsu. Kotva má kus trvalýho magnetu, jedna polarita kotvu přitáhne, druhá ji odpudí.

Kdyby to bylo tak jednoduchý. Byl jsem u mi-ra na návštěvě a zkoušeli jsme tam dvě rozebraný relé. Napětí ze laboráku zdroje 24V. Rozhodně to nepřepíná jak píšeš. Prostě škrtáním jednou polaritou relé přepne čistě nahodile a po přepólování to samý, převrátí se až na několikátý pokus. A pokud je sepnutý bez napětí na cívce, tak je tak zmagnetizovaný, že rozepnout se musí vyloženě zapáčit nástrojem aby povolilo.
Asi to bude něco jak píše Zaky, nejspíš se musí do sepnutý polohy zapnout třeba polovičním napětím na cívce a rozepnout deklarovaným napětím cívky aby se "zrušil magnetizmus".

_________________
Jirka

Proč mi nemůže všechno chodit hned ?!!
Návrat nahoru
Zobrazit informace o autorovi Odeslat soukromou zprávu
kaja4



Založen: Sep 28, 2008
Příspěvky: 467
Bydliště: kraj olomoucký

PříspěvekZaslal: po duben 14 2025, 16:17    Předmět: Citovat

Při RESET příjde na cívku bist.relé podstatně vyšší napěť.špička,než je jmenovité napětí cívky.
Návrat nahoru
Zobrazit informace o autorovi Odeslat soukromou zprávu
mi-ro



Založen: Feb 08, 2005
Příspěvky: 8626
Bydliště: rovina u Kolína

PříspěvekZaslal: po duben 14 2025, 16:25    Předmět: Citovat

Díky Jindrovi ale toto je jiné jednotka. Ta moje má napájenou keramickou destičku s několika diodami, trandy a jedním OZ (339?).
_________________
..to bude jen ňákej odpůrek
Návrat nahoru
Zobrazit informace o autorovi Odeslat soukromou zprávu Odeslat e-mail
kaja4



Založen: Sep 28, 2008
Příspěvky: 467
Bydliště: kraj olomoucký

PříspěvekZaslal: po duben 14 2025, 18:30    Předmět: Citovat

Jakou máš elektroniku z řady S4565xxxxx.Při nefukčním RESETování.
Buď jsou vadné diody Z1,D16 nebo je vadná keramika.
Návrat nahoru
Zobrazit informace o autorovi Odeslat soukromou zprávu
mi-ro



Založen: Feb 08, 2005
Příspěvky: 8626
Bydliště: rovina u Kolína

PříspěvekZaslal: út duben 15 2025, 7:20    Předmět: Citovat

S4565CD1005. Ale uvedené pozice na desce nejsou.
_________________
..to bude jen ňákej odpůrek
Návrat nahoru
Zobrazit informace o autorovi Odeslat soukromou zprávu Odeslat e-mail
kaja4



Založen: Sep 28, 2008
Příspěvky: 467
Bydliště: kraj olomoucký

PříspěvekZaslal: út duben 15 2025, 7:55    Předmět: Citovat

Z1 i D16 jsou na všech typech S4565xxxx
Návrat nahoru
Zobrazit informace o autorovi Odeslat soukromou zprávu
Celeron



Založen: Apr 02, 2011
Příspěvky: 20135
Bydliště: Nový Bydžov

PříspěvekZaslal: út duben 15 2025, 10:04    Předmět: Citovat

Už jsi to Míro zkusil nahodit 24V v jedný polaritě a cvrknout třeba 35V v opačný polaritě? Maká to jak píše kaja4?
_________________
Jirka

Proč mi nemůže všechno chodit hned ?!!
Návrat nahoru
Zobrazit informace o autorovi Odeslat soukromou zprávu
mi-ro



Založen: Feb 08, 2005
Příspěvky: 8626
Bydliště: rovina u Kolína

PříspěvekZaslal: út duben 15 2025, 11:35    Předmět: Citovat

kaja, už je vidím, to jsou ty KA vedle sebe u tý keramiky. Na změření se jeví jako OK.
_________________
..to bude jen ňákej odpůrek
Návrat nahoru
Zobrazit informace o autorovi Odeslat soukromou zprávu Odeslat e-mail
MATYCH



Založen: Feb 16, 2006
Příspěvky: 621

PříspěvekZaslal: út duben 15 2025, 11:48    Předmět: Citovat

https://elektrotanya.com/honeywell_s4565_schematic.pdf/download.html
Návrat nahoru
Zobrazit informace o autorovi Odeslat soukromou zprávu
kaja4



Založen: Sep 28, 2008
Příspěvky: 467
Bydliště: kraj olomoucký

PříspěvekZaslal: út duben 15 2025, 16:02    Předmět: Citovat

Zasílám ti mou dokumentaci.
Bistabilní relé je po celou dobu provozu kotle pouze v jedné poloze.Do druhého stavu se překlopí při ztrátě IONIZACE.Tudíž je malá pravděpodobnost ,že je vadné.Vadný bude keramický hybridní obvod.



HONEYWELL S 4565 CD 1005.1.sch.pdf
 Komentář:

Stáhnout
 Soubor:  HONEYWELL S 4565 CD 1005.1.sch.pdf
 Velikost:  20.09 kB
 Staženo:  71 krát

Návrat nahoru
Zobrazit informace o autorovi Odeslat soukromou zprávu
kaja4



Založen: Sep 28, 2008
Příspěvky: 467
Bydliště: kraj olomoucký

PříspěvekZaslal: út duben 15 2025, 16:04    Předmět: Citovat

keramika.
Všechny varianty keramik jsou záměnné



HY.sch.pdf
 Komentář:

Stáhnout
 Soubor:  HY.sch.pdf
 Velikost:  23.9 kB
 Staženo:  77 krát

Návrat nahoru
Zobrazit informace o autorovi Odeslat soukromou zprávu
Zobrazit příspěvky z předchozích:   
Přidat nové téma   Zaslat odpověď       Obsah fóra Diskuzní fórum Elektro Bastlírny -> Součástky Časy uváděny v GMT + 1 hodina
Strana 1 z 1

 
Přejdi na:  
Nemůžete odesílat nové téma do tohoto fóra.
Nemůžete odpovídat na témata v tomto fóru.
Nemůžete upravovat své příspěvky v tomto fóru.
Nemůžete mazat své příspěvky v tomto fóru.
Nemůžete hlasovat v tomto fóru.
Nemůžete připojovat soubory k příspěvkům
Můžete stahovat a prohlížet přiložené soubory

Powered by phpBB © 2001, 2005 phpBB Group
Forums ©
Nuke - Elektro Bastlirna

Informace na portálu Elektro bastlírny jsou prezentovány za účelem vzdělání čtenářů a rozšíření zájmu o elektroniku. Autoři článků na serveru neberou žádnou zodpovědnost za škody vzniklé těmito zapojeními. Rovněž neberou žádnou odpovědnost za případnou újmu na zdraví vzniklou úrazem elektrickým proudem. Autoři a správci těchto stránek nepřejímají záruku za správnost zveřejněných materiálů. Předkládané informace a zapojení jsou zveřejněny bez ohledu na případné patenty třetích osob. Nároky na odškodnění na základě změn, chyb nebo vynechání jsou zásadně vyloučeny. Všechny registrované nebo jiné obchodní známky zde použité jsou majetkem jejich vlastníků. Uvedením nejsou zpochybněna z toho vyplývající vlastnická práva. Použití konstrukcí v rozporu se zákonem je přísně zakázáno. Vzhledem k tomu, že původ předkládaných materiálů nelze žádným způsobem dohledat, nelze je použít pro komerční účely! Tento nekomerční server nemá z uvedených zapojení či konstrukcí žádný zisk. Nezodpovídáme za pravost předkládaných materiálů třetími osobami a jejich původ. V případě, že zjistíte porušení autorského práva či jiné nesrovnalosti, kontaktujte administrátory na diskuzním fóru EB.


PHP-Nuke Copyright © 2005 by Francisco Burzi. This is free software, and you may redistribute it under the GPL. PHP-Nuke comes with absolutely no warranty, for details, see the license.
Čas potřebný ke zpracování stránky 0.48 sekund