Vítejte na Elektro Bastlírn?
Nuke - Elektro Bastlirna
  Vytvořit účet Hlavní · Fórum · DDump · Profil · Zprávy · Hledat na fóru · Příspěvky na provoz EB

Vlákno na téma KORONAVIRUS - nutná registrace


Nuke - Elektro Bastlirna: Diskuzní fórum

 FAQFAQ   HledatHledat   Uživatelské skupinyUživatelské skupiny   ProfilProfil   Soukromé zprávySoukromé zprávy   PřihlášeníPřihlášení 

Řízení sedmisegmentových zobrazovačů u termostatu

 
Přidat nové téma   Zaslat odpověď       Obsah fóra Diskuzní fórum Elektro Bastlírny -> Řešení problémů s různými konstrukcemi
Zobrazit předchozí téma :: Zobrazit následující téma  
Autor Zpráva
Brozicek



Založen: Nov 07, 2005
Příspěvky: 1625
Bydliště: Studénka

PříspěvekZaslal: so duben 12 2025, 13:00    Předmět: Řízení sedmisegmentových zobrazovačů u termostatu Citovat

Zdravím.
Nedávno v jiném vlákně
http://www.ebastlirna.cz/modules.php?name=Forums&file=viewtopic&t=108667&highlight=
jsem psal o ročníkové práci vnuka, kde jsme nakonec zvolili stavbu termostatu. Vnuk si už zhotovil tišťáky a pracuje na realizaci.

Já se mu snažím vysvětlit funkci všech vnějších obvodů kolem řídícího mikroprocesoru, tj. k čemu tam jsou, jakou mají funkci a jak ty obvody pracují.
Na dvou displejích se má zobrazovat teplota od -30°C do +125°C s rozlišením 0,1°C. Kromě toho se zobrazují i krátké texty jako Err a pod.

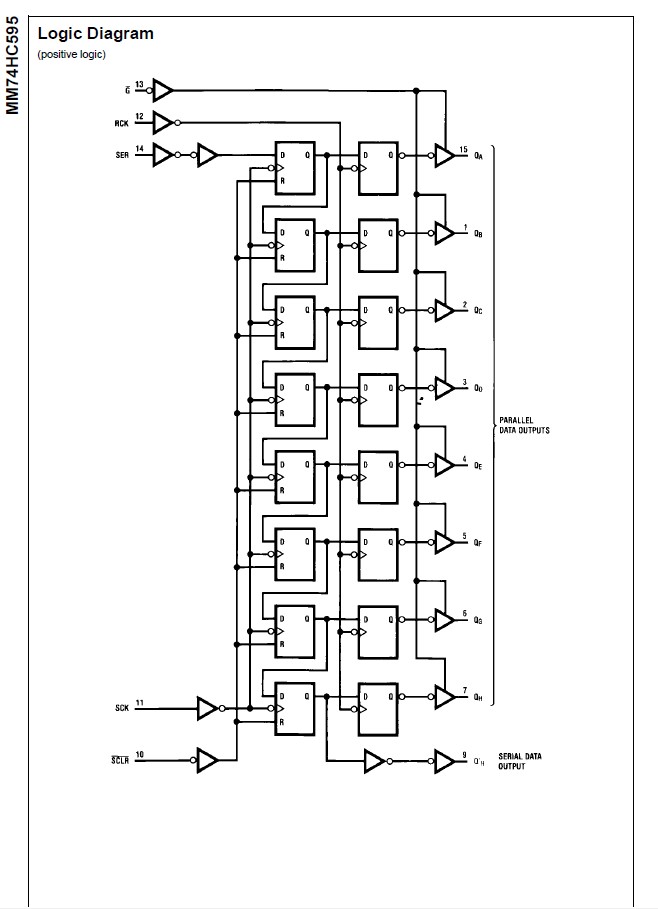
Nějak se mi nedaří pochopit, jak jsou ze dvou posuvných registrů ovládány segmenty zobrazovačů. Zobrazovače mají společnou anodu a segmenty se spínají nulou z posuvných registrů. Jednotlivé zobrazovače se postupně připojuji k napájení přes tranzistory v anodách.
Takže procesor musí nejdříve uložit sériově do posuvných registrů bitovou kombinaci pro dva zobrazovače nad sebou, která na výstupu v paralelní podobě pak rozsvítí příslušné segmenty, které se v daném sloupci připojí na napájení. Pak procesor pošle do posuvných registrů kódy pro další sloupec, a ten se opět připojí na napájení. Prostě klasický multiplex.

Až potud je vše zřejmé a není na tom nic neobvyklého. Schéma není úplně dobře čitelné, ale dopátral jsem se k těmto výsledkům.

Nemohu pochopit, proč kdybych chtěl zobrazit např. hodnotu 1 1 1 1, což odpovídá segmentům "b,c".
Tak pro první a třetí zobrazovač zprava na schématu jsou segmenty "b" spojeny a připojeny asi na výstup GB registru, a bezdůvodně jsou spojeny se segmenty "g" z druhého a čtvrtého zobrazovače
Segmenty "c" spojeny a připojeny na výstup DC registru a bezdůvodně jsou spojeny se segmenty "d" z druhého a čtvrtého zobrazovače.

Pro druhý a čtvrtý zobrazovač musí být tedy výstupní kód pro 1 1 1 1 jiný, než pro první a třetí zobrazovač.

Toto nelogické zapojení lze vysledovat pro všechny ostatní segmenty.

Vím, že jsem to krkolomně poslal, ale ve schématu se to dá snadno dohledat. Ta "polská logika" mi nedává smysl. Já bych asi propojil všechny shodné segmenty paralelně a připojil na shodný výstup registru.

Má popsané zapojení nějaký důvod, proč to programátor mikroprocesoru takto zvolil. Do programu samozřejmě nevidíme, ale třeba to znalci programování dokážou nějak vysvětlit.

Přikládám detailní výběr schéma propojení zobrazovačů s registry, kompletní schéma termostatu a vnitřní zapojení serioparalelního posuvnbého registru 74HC595.



Detail zapojení zobrazovačů 2.jpg
 Komentář:
 Velikost:  222.66 kB
 Zobrazeno:  101 krát

Detail zapojení zobrazovačů 2.jpg



Schéma 74HC595.jpg
 Komentář:
 Velikost:  72.43 kB
 Zobrazeno:  62 krát

Schéma 74HC595.jpg



Termostat.jpg
 Komentář:
 Velikost:  26.48 kB
 Zobrazeno:  84 krát

Termostat.jpg


Návrat nahoru
Zobrazit informace o autorovi Odeslat soukromou zprávu Odeslat e-mail
EKKAR



Založen: Mar 16, 2005
Příspěvky: 34828
Bydliště: Česká Třebová, JN89FW21

PříspěvekZaslal: so duben 12 2025, 13:12    Předmět: Citovat

Právě díky tomu, že data do registru "krmí" procesor, je možný takový zapojení. Pravděpodobně to má zjednodušit vedení cest na DPS a v programu procesoru je s tím vysloveně počítaný, že když zobrazuje "1" na různejch místech na displeji, pro každou segmentovku to znamená jinej "tvar" kódu. Ano, je proto složitější software, ale jednodušší DPS. V době levnejch procesorů a levnejch pamětí pro ně se to vyplatí víc, než větší a složitější deska, která by to v klasickým provedení prodražila.
_________________
Nasliněný prst na svorkovnici domovního rozvaděče: Jó, paninko, máte tam ty Voltíky všecky...
A kutilmile - nelituju tě Mr. Green Mr. Green !!!
Návrat nahoru
Zobrazit informace o autorovi Odeslat soukromou zprávu Odeslat e-mail
martinkopp



Založen: Oct 12, 2023
Příspěvky: 1121

PříspěvekZaslal: so duben 12 2025, 15:37    Předmět: Citovat

Pokud si bez problémů dokážeš naroutovat desku tak abys měl všechny segmenty zapojené stejně, udělej to tak. Tipuju že tam bude nějaký problém typu že se ti to při stejném počtu vrstev a technologických možnostech výroby nepovede.
Návrat nahoru
Zobrazit informace o autorovi Odeslat soukromou zprávu
Mahoney



Založen: Oct 26, 2019
Příspěvky: 679

PříspěvekZaslal: so duben 12 2025, 19:27    Předmět: Citovat

Není to polská logika, důvodem je jednodušš routování desky. Software není složitější, obsluhuje se přes konverzní tabulku ve flash (tak jak tak, takže je to jedno). Je třeba tu sadu posuvných registrů chápat jako jeden displej (podobně jako např posuvné registry v LCD, akorát v tomto případě bez druhé osy, "druhou osou" je tu v tomto případě multiplex anod). V MCU je v RAM vyhrazená paměť, jejíž obsah se cyklicky zapisuje do registrů, a mění se jen v případě potřeby, tj. např. v přerušení po vyčtení čidla a konverzi hodnoty. Co se týče čidla DS18B20, doporučuji vyčítání tak jednou za 30 s., při maximu (jednou za 1 s.) se čidlo po čase vlastním proudem ohřívá a měřená hodnota driftuje až 1,5 °C pryč.
Návrat nahoru
Zobrazit informace o autorovi Odeslat soukromou zprávu
Brozicek



Založen: Nov 07, 2005
Příspěvky: 1625
Bydliště: Studénka

PříspěvekZaslal: ne duben 13 2025, 7:02    Předmět: Citovat

Mahoney napsal(a):
........ důvodem je jednodušší routování desky ......

Dík za vaše názory a vysvětlení. Jak vidím, pro vnuka bude stačit vysvětlení, že procesor do posuvného registru sériově posílá binární kód již ve tvaru, který paralelně spíná požadované segmenty příslušného sloupce podle zobrazované číslice (písmenka).

Stáhl jsem si datasheet k tomu čidlu DS18B20. Je to pěkně složitá součástka vtěsnaná do pouzdra TO-92-3. Nestudoval jsem podrobněji jeho funkci. Tvoji poznámku o zvýšení teploty senzoru při čtení obsahu mám chápat tak, že při čtení se senzor probudí z nějakého klidového režimu a během té aktivity vnitřní elektronika zvýší spotřebu a tím nepatrně vnitřní teplotu? Předpokládám, že autor toho termostatu s tím počítal. Není důvod nějak extrémně zvyšovat frekvenci načítání pod 1 minutu. Měřená teplota se nemění tak rychle, a ten termostat není určen k laboratorně přesnému měření a použití.



Senzor DS18B20.jpg
 Komentář:
 Velikost:  62.69 kB
 Zobrazeno:  49 krát

Senzor DS18B20.jpg


Návrat nahoru
Zobrazit informace o autorovi Odeslat soukromou zprávu Odeslat e-mail
BOBOBO
Doporučuje se dohled moderátorů


Založen: Feb 25, 2008
Příspěvky: 20566
Bydliště: Rychnovsko

PříspěvekZaslal: ne duben 13 2025, 8:10    Předmět: Citovat

Podrobněji najdeš na webnode , dokonce to funguje na dvou drátech vše paralelně . Ano jsou volány dle adresy . co jsem psal výše je to popsáno a tam uvedený program si po příkazu připojená čidla načte a uloží .
Návrat nahoru
Zobrazit informace o autorovi Odeslat soukromou zprávu
Mahoney



Založen: Oct 26, 2019
Příspěvky: 679

PříspěvekZaslal: ne duben 13 2025, 9:10    Předmět: Citovat

Brozicek napsal(a):
Tvoji poznámku o zvýšení teploty senzoru při čtení obsahu mám chápat tak, že při čtení se senzor probudí z nějakého klidového režimu a během té aktivity vnitřní elektronika zvýší spotřebu a tím nepatrně vnitřní teplotu?

Ano, je to tak.
Návrat nahoru
Zobrazit informace o autorovi Odeslat soukromou zprávu
martinkopp



Založen: Oct 12, 2023
Příspěvky: 1121

PříspěvekZaslal: ne duben 13 2025, 9:55    Předmět: Citovat

Hlavně nepoužívej dvoudrátové zapojení, to má na ohřev podstatný vliv. Pokud čidlo budeš používat třídrátově a převod nastavíš na 12bitů, nad frekvenci měření cca 1x za 5sekund ohřev nepoznáš.
Návrat nahoru
Zobrazit informace o autorovi Odeslat soukromou zprávu
Zobrazit příspěvky z předchozích:   
Přidat nové téma   Zaslat odpověď       Obsah fóra Diskuzní fórum Elektro Bastlírny -> Řešení problémů s různými konstrukcemi Časy uváděny v GMT + 1 hodina
Strana 1 z 1

 
Přejdi na:  
Nemůžete odesílat nové téma do tohoto fóra.
Nemůžete odpovídat na témata v tomto fóru.
Nemůžete upravovat své příspěvky v tomto fóru.
Nemůžete mazat své příspěvky v tomto fóru.
Nemůžete hlasovat v tomto fóru.
Nemůžete připojovat soubory k příspěvkům
Můžete stahovat a prohlížet přiložené soubory

Powered by phpBB © 2001, 2005 phpBB Group
Forums ©
Nuke - Elektro Bastlirna

Informace na portálu Elektro bastlírny jsou prezentovány za účelem vzdělání čtenářů a rozšíření zájmu o elektroniku. Autoři článků na serveru neberou žádnou zodpovědnost za škody vzniklé těmito zapojeními. Rovněž neberou žádnou odpovědnost za případnou újmu na zdraví vzniklou úrazem elektrickým proudem. Autoři a správci těchto stránek nepřejímají záruku za správnost zveřejněných materiálů. Předkládané informace a zapojení jsou zveřejněny bez ohledu na případné patenty třetích osob. Nároky na odškodnění na základě změn, chyb nebo vynechání jsou zásadně vyloučeny. Všechny registrované nebo jiné obchodní známky zde použité jsou majetkem jejich vlastníků. Uvedením nejsou zpochybněna z toho vyplývající vlastnická práva. Použití konstrukcí v rozporu se zákonem je přísně zakázáno. Vzhledem k tomu, že původ předkládaných materiálů nelze žádným způsobem dohledat, nelze je použít pro komerční účely! Tento nekomerční server nemá z uvedených zapojení či konstrukcí žádný zisk. Nezodpovídáme za pravost předkládaných materiálů třetími osobami a jejich původ. V případě, že zjistíte porušení autorského práva či jiné nesrovnalosti, kontaktujte administrátory na diskuzním fóru EB.


PHP-Nuke Copyright © 2005 by Francisco Burzi. This is free software, and you may redistribute it under the GPL. PHP-Nuke comes with absolutely no warranty, for details, see the license.
Čas potřebný ke zpracování stránky 0.26 sekund