Vítejte na Elektro Bastlírn?
Nuke - Elektro Bastlirna
  Vytvořit účet Hlavní · Fórum · DDump · Profil · Zprávy · Hledat na fóru · Příspěvky na provoz EB

Vlákno na téma KORONAVIRUS - nutná registrace


Nuke - Elektro Bastlirna: Diskuzní fórum

 FAQFAQ   HledatHledat   Uživatelské skupinyUživatelské skupiny   ProfilProfil   Soukromé zprávySoukromé zprávy   PřihlášeníPřihlášení 

Monostabil 555 & tranzistor (projednoceno)
Jdi na stránku 1, 2  Další
 
Přidat nové téma   Zaslat odpověď       Obsah fóra Diskuzní fórum Elektro Bastlírny -> Řešení problémů s různými konstrukcemi
Zobrazit předchozí téma :: Zobrazit následující téma  
Autor Zpráva
klapac



Založen: Sep 03, 2018
Příspěvky: 69

PříspěvekZaslal: st duben 09 2025, 6:17    Předmět: Monostabil 555 & tranzistor (projednoceno) Citovat

Mám na nepájivém kontaktním poli poskládaný jednoduchý monostab. klopný obvod s NE555. Protože ho potřebuji aktivovat krátkým pulzem +3V, zapojil jsem na vstup NPN tranzistor (viz obrázek). Vše funguje bezvadně, ale mám problém s tím, že se obvod spouští samovolně když zastrčím zdroj do zásuvky, nebo když cvakne relé napájené ze stejného zdroje. Dělá to zjevně ten tranzistor. Když ho vyndám a obvod startuji zkusmo připojením GND na pin2, vše je v pořádku. Dá se to nějak řešit?


mko.png
 Komentář:
 Velikost:  8.93 kB
 Zobrazeno:  60 krát

mko.png


Návrat nahoru
Zobrazit informace o autorovi Odeslat soukromou zprávu
ondraN



Založen: Aug 16, 2022
Příspěvky: 804
Bydliště: Roztoky

PříspěvekZaslal: st duben 09 2025, 6:33    Předmět: Citovat

Tady velmi záleží na tom, co není ve schématu. Jak je buzená báze toho tranzistoru? Pokud se po zapnutí sepne, tak ti spustí monostabil. A pokud se spíná při sepnutí nebo vypnutí relé, tak to je způsobeno tím, že impuls generovaný relé se dotane do signálové části, buď přes napájení, nebo vzduchem při těsné konstrukci a nestíněných kabelech/oblastech. Možná by pomohl RC filtr v bázi toho tranzistoru, ale nebude to fungovat, pokud je rušívý impuls delší než spouštěcí.
Návrat nahoru
Zobrazit informace o autorovi Odeslat soukromou zprávu Odeslat e-mail
samec



Založen: Dec 19, 2017
Příspěvky: 5966

PříspěvekZaslal: st duben 09 2025, 6:56    Předmět: Citovat

Medzi bázou a emitorom je slušné mať zapojený rezistor veľkosti R < Ube / Icb0. K tomu rezistoru poto môžeš dať paralelne ešte aj nejaký kondenzátor podľa možností a potreby. To už si musíš dopočítať sám, lebo v zadaní k tomu nemáš dostatok informácií. A samozrejme je slušné mať v obvode na vhodných miestach blokovacie kondenzátory. A v neposlednom rade, kontatktné pole občas býva nie veľmi spoľahlivé, až nekontaktné.
Návrat nahoru
Zobrazit informace o autorovi Odeslat soukromou zprávu
Cowley



Založen: Feb 04, 2005
Příspěvky: 3569

PříspěvekZaslal: st duben 09 2025, 6:59    Předmět: Citovat

Taky je možné blokovat vstup pin4 RC obvodem a zajistit tak, aby výstup časovače 555 nesepnul hned po připojení napájení.
Návrat nahoru
Zobrazit informace o autorovi Odeslat soukromou zprávu
Mahoney



Založen: Oct 26, 2019
Příspěvky: 679

PříspěvekZaslal: pá duben 11 2025, 5:55    Předmět: Citovat

100n kondenzátor na napájení
Návrat nahoru
Zobrazit informace o autorovi Odeslat soukromou zprávu
EKKAR



Založen: Mar 16, 2005
Příspěvky: 34827
Bydliště: Česká Třebová, JN89FW21

PříspěvekZaslal: pá duben 11 2025, 7:54    Předmět: Citovat

Kdybys napsal 100uF elyt + 100nF keramika paralelně k napájení, mělo by to smysl. Samotnej 100n kondík je na prd. Ten funguje u hradel a logickejch švábů, 555 má ale řádově větší impulsní odběr. Navíc spíná zátěž, která taky způsobuje pokles napětí. Prostě těch 100uF je minimum, klidně bych tam vrznul i 470-1000uF, doslova co se vleze.
_________________
Nasliněný prst na svorkovnici domovního rozvaděče: Jó, paninko, máte tam ty Voltíky všecky...
A kutilmile - nelituju tě Mr. Green Mr. Green !!!
Návrat nahoru
Zobrazit informace o autorovi Odeslat soukromou zprávu Odeslat e-mail
nostalcomp



Založen: Nov 09, 2022
Příspěvky: 139

PříspěvekZaslal: pá duben 11 2025, 9:51    Předmět: Citovat

Připojení relé přímo na výstup 555 vyžaduje diody, viz níže.
Jinak platí i vše uvedené výše. Very Happy

Vše podstatné o 555 (v češtině), viz. například modré Aradio 5/1994



555_rele.jpg
 Komentář:
Připojení relé k 555
 Velikost:  61.32 kB
 Zobrazeno:  55 krát

555_rele.jpg


Návrat nahoru
Zobrazit informace o autorovi Odeslat soukromou zprávu
masar



Založen: Dec 03, 2005
Příspěvky: 13896

PříspěvekZaslal: pá duben 11 2025, 10:03    Předmět: Citovat

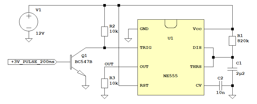
No hlavně je třeba do báze tranzistoru zařadit omezovací odpor, jinak ti tranzistor řekne "pá".


555+BCmono.png
 Komentář:
 Velikost:  39.39 kB
 Zobrazeno:  53 krát

555+BCmono.png


Návrat nahoru
Zobrazit informace o autorovi Odeslat soukromou zprávu Odeslat e-mail
samec



Založen: Dec 19, 2017
Příspěvky: 5966

PříspěvekZaslal: pá duben 11 2025, 10:12    Předmět: Citovat

nostalcomp napsal(a):
Připojení relé přímo na výstup 555 vyžaduje diody...
Áno, diódu k relé treba, ale hentie povery a pranostiky si odkiaľ vyhrabal?

EDIT: aha, AR, ale aj tak dióda vľavo na zapojení vľavo je blud, ktorý autor nijako nevysvetlil. A podľa nekonzistentnosti zapojení tvrdím, že autor nevie, o čom píše.
Návrat nahoru
Zobrazit informace o autorovi Odeslat soukromou zprávu
lesana87



Založen: Sep 20, 2014
Příspěvky: 4039

PříspěvekZaslal: pá duben 11 2025, 11:50    Předmět: Citovat

Tak nedělej Zagorku a prozraď, co se tam bez té sériové diody děje? Jediné, co mě napadá, je, že (některé) 555ce vadí těch -0,7V na výstupu.
Návrat nahoru
Zobrazit informace o autorovi Odeslat soukromou zprávu
ondraN



Založen: Aug 16, 2022
Příspěvky: 804
Bydliště: Roztoky

PříspěvekZaslal: pá duben 11 2025, 12:18    Předmět: Citovat

Já bych řekl, že ta praxe použití sériové diody vycházela z toho, že se paralelně k relé dávaly pomalé usměrňovací diody a ta špička přišla zrovna v okamžiku přepínání výstupních tranzistorů v 555ce. A to většinou vedlo ke znovuspuštění obvodu. Při použití rychlých diod, jsem nikdy tento problém nepozoroval.
Návrat nahoru
Zobrazit informace o autorovi Odeslat soukromou zprávu Odeslat e-mail
danhard



Založen: Mar 05, 2007
Příspěvky: 6467
Bydliště: Jesenice u Prahy

PříspěvekZaslal: pá duben 11 2025, 13:15    Předmět: Citovat

Lesana má pravdu, vadí těch -0.7V protože se otevírá substrátová dioda.
Návrat nahoru
Zobrazit informace o autorovi Odeslat soukromou zprávu Odeslat e-mail
ondraN



Založen: Aug 16, 2022
Příspěvky: 804
Bydliště: Roztoky

PříspěvekZaslal: pá duben 11 2025, 13:21    Předmět: Citovat

To by ale substrátová dioda musela mít menší Uf než ochranná dioda u relé.
Návrat nahoru
Zobrazit informace o autorovi Odeslat soukromou zprávu Odeslat e-mail
HF_Tech



Založen: Apr 25, 2022
Příspěvky: 1844

PříspěvekZaslal: pá duben 11 2025, 13:22    Předmět: Citovat

Je to popsáno přímo v aplikační poznámce AN170:

Trying to drive a relay but 555 hangs up. How come?
Answer: Inductive feedback. A clamp diode across the coil
prevents the coil from driving Pin 3 below a negative 0.6V. This
negative voltage is sufficient in some cases to cause the timer to
malfunction. The solution is to drive the relay through a diode,
thus preventing Pin 3 from ever seeing a negative voltage.

Když se dá paralelně k cívce relé schottky, tak je to právě na hraně.
Návrat nahoru
Zobrazit informace o autorovi Odeslat soukromou zprávu
samec



Založen: Dec 19, 2017
Příspěvky: 5966

PříspěvekZaslal: pá duben 11 2025, 14:26    Předmět: Citovat

Tak sory, ale aj keď tá dióda je pre nejakú chrobačnú 555 nevyhnutná, tak to, čo je napísané na tom obrázku, je fakt blud. A že ma to s tým záporným napäím ani nenapadlo, je dané tým, že som sa s takým problémom nestretol u žiadného iného obvodu. A z diskusie je zrejme, že nie som sám. Nakoniec, časovač 555 prešiel isto od svojho vzniku mnohými technologickými zmenami, takže čo platilo pred pol storočím, môže byť dnes celkom inak.
Návrat nahoru
Zobrazit informace o autorovi Odeslat soukromou zprávu
Zobrazit příspěvky z předchozích:   
Přidat nové téma   Zaslat odpověď       Obsah fóra Diskuzní fórum Elektro Bastlírny -> Řešení problémů s různými konstrukcemi Časy uváděny v GMT + 1 hodina
Jdi na stránku 1, 2  Další
Strana 1 z 2

 
Přejdi na:  
Nemůžete odesílat nové téma do tohoto fóra.
Nemůžete odpovídat na témata v tomto fóru.
Nemůžete upravovat své příspěvky v tomto fóru.
Nemůžete mazat své příspěvky v tomto fóru.
Nemůžete hlasovat v tomto fóru.
Nemůžete připojovat soubory k příspěvkům
Můžete stahovat a prohlížet přiložené soubory

Powered by phpBB © 2001, 2005 phpBB Group
Forums ©
Nuke - Elektro Bastlirna

Informace na portálu Elektro bastlírny jsou prezentovány za účelem vzdělání čtenářů a rozšíření zájmu o elektroniku. Autoři článků na serveru neberou žádnou zodpovědnost za škody vzniklé těmito zapojeními. Rovněž neberou žádnou odpovědnost za případnou újmu na zdraví vzniklou úrazem elektrickým proudem. Autoři a správci těchto stránek nepřejímají záruku za správnost zveřejněných materiálů. Předkládané informace a zapojení jsou zveřejněny bez ohledu na případné patenty třetích osob. Nároky na odškodnění na základě změn, chyb nebo vynechání jsou zásadně vyloučeny. Všechny registrované nebo jiné obchodní známky zde použité jsou majetkem jejich vlastníků. Uvedením nejsou zpochybněna z toho vyplývající vlastnická práva. Použití konstrukcí v rozporu se zákonem je přísně zakázáno. Vzhledem k tomu, že původ předkládaných materiálů nelze žádným způsobem dohledat, nelze je použít pro komerční účely! Tento nekomerční server nemá z uvedených zapojení či konstrukcí žádný zisk. Nezodpovídáme za pravost předkládaných materiálů třetími osobami a jejich původ. V případě, že zjistíte porušení autorského práva či jiné nesrovnalosti, kontaktujte administrátory na diskuzním fóru EB.


PHP-Nuke Copyright © 2005 by Francisco Burzi. This is free software, and you may redistribute it under the GPL. PHP-Nuke comes with absolutely no warranty, for details, see the license.
Čas potřebný ke zpracování stránky 0.20 sekund